Крупнейшая бесплатная информационно-справочная система онлайн доступа к полному собранию технических нормативно-правовых актов РФ. Огромная база технических нормативов (более 150 тысяч документов) и полное собрание национальных стандартов, аутентичное официальной базе Госстандарта. GOSTRF.com - это более 1 Терабайта бесплатной технической информации для всех пользователей интернета. Все электронные копии представленных здесь документов могут распространяться без каких-либо ограничений. Поощряется распространение информации с этого сайта на любых других ресурсах. Каждый человек имеет право на неограниченный доступ к этим документам! Каждый человек имеет право на знание требований, изложенных в данных нормативно-правовых актах!

  


 

ГОСТ Р 53677-2009

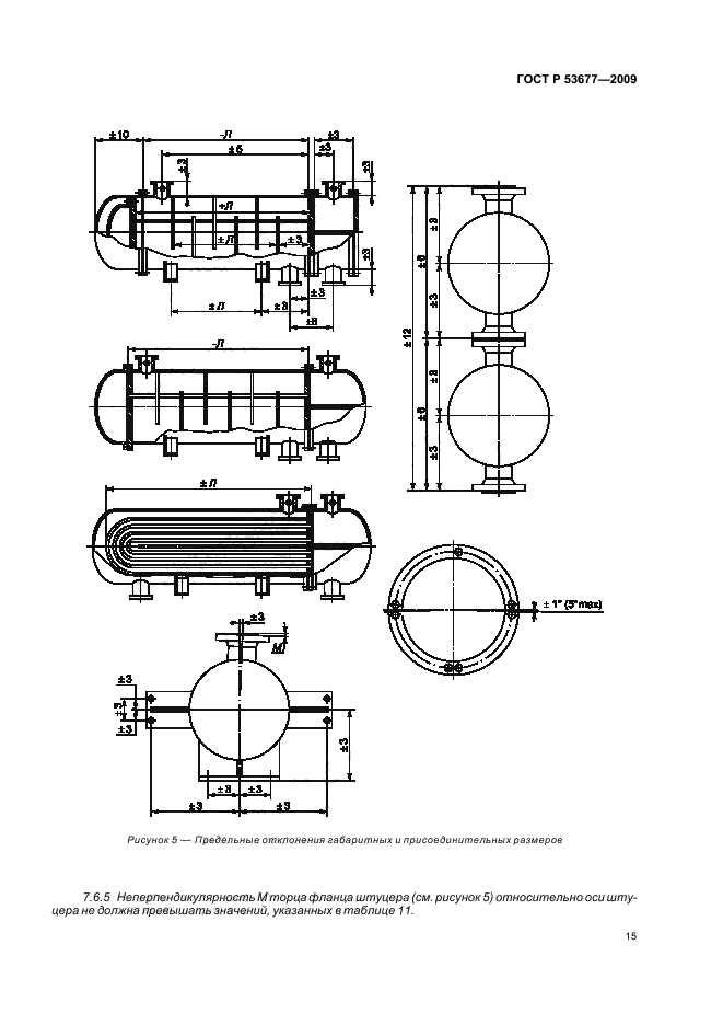
Нефтяная и газовая промышленность. Кожухотрубчатые теплообменники. Технические требования

Обозначение:ГОСТ Р 53677-2009
Текущий статус документа: действующий
Название документа рус.:Нефтяная и газовая промышленность. Кожухотрубчатые теплообменники. Технические требования
Название документа англ.:Petroleum and natural gas industries. Shell-and-tube heat eхchangers. Technical requirements
Дата актуализации текста:01.12.2013
Дата издания:30.03.2011
Дата введения:01.01.2011
Дата последнего изменения:21.08.2013
Дата окончания срока действия:01.01.2014
Область применения:Настоящий стандарт устанавливает требования к конструкции, материалам, изготовлению, контролю, испытаниям и подготовке к отгрузке стальных кожухотрубчатых теплообменных аппаратов, предназначенных для применения в нефтяной, нефтеперерабатывающей, нефтехимической, химической, газовой и других смежных отраслях промышленности.
Настоящий стандарт применим к следующим типам аппаратов теплообменных кожухотрубчатых стальных: теплообменникам, конденсаторам, холодильникам и испарителям, работающим под расчетным давлением не более 21 МПа, под вакуумом с остаточным давлением не ниже 665 Па (5 мм рт. ст.) при температуре стенки не ниже минус 70 (град.) С.
Настоящий стандарт не применим к поверхностным вакуумным конденсаторам водяного пара и нагревателям питательной воды
Список изменений:№0 от 01.01.2014 (рег. 21.11.2012) «Текстовое изменение; Изменено заглавие»
ГОСТ Р 53677-2009ГОСТ Р 53677-2009ГОСТ Р 53677-2009ГОСТ Р 53677-2009ГОСТ Р 53677-2009ГОСТ Р 53677-2009ГОСТ Р 53677-2009ГОСТ Р 53677-2009ГОСТ Р 53677-2009ГОСТ Р 53677-2009ГОСТ Р 53677-2009ГОСТ Р 53677-2009ГОСТ Р 53677-2009ГОСТ Р 53677-2009ГОСТ Р 53677-2009ГОСТ Р 53677-2009ГОСТ Р 53677-2009ГОСТ Р 53677-2009ГОСТ Р 53677-2009ГОСТ Р 53677-2009ГОСТ Р 53677-2009ГОСТ Р 53677-2009ГОСТ Р 53677-2009ГОСТ Р 53677-2009ГОСТ Р 53677-2009ГОСТ Р 53677-2009ГОСТ Р 53677-2009ГОСТ Р 53677-2009ГОСТ Р 53677-2009ГОСТ Р 53677-2009ГОСТ Р 53677-2009ГОСТ Р 53677-2009ГОСТ Р 53677-2009ГОСТ Р 53677-2009ГОСТ Р 53677-2009ГОСТ Р 53677-2009ГОСТ Р 53677-2009ГОСТ Р 53677-2009ГОСТ Р 53677-2009ГОСТ Р 53677-2009
 




ГОСТЫ, СТРОИТЕЛЬНЫЕ и ТЕХНИЧЕСКИЕ НОРМАТИВЫ.
Некоммерческая онлайн система, содержащая все Российские Госты, национальные Стандарты и нормативы.
В Системе содержится более 150000 файлов нормативно-технической документации, действующей на территории РФ.
Система предназначена для широкого круга инженерно-технических специалистов.

Рейтинг@Mail.ru Яндекс цитирования

Copyright © www.gostrf.com, 2008 - 2026