Крупнейшая бесплатная информационно-справочная система онлайн доступа к полному собранию технических нормативно-правовых актов РФ. Огромная база технических нормативов (более 150 тысяч документов) и полное собрание национальных стандартов, аутентичное официальной базе Госстандарта. GOSTRF.com - это более 1 Терабайта бесплатной технической информации для всех пользователей интернета. Все электронные копии представленных здесь документов могут распространяться без каких-либо ограничений. Поощряется распространение информации с этого сайта на любых других ресурсах. Каждый человек имеет право на неограниченный доступ к этим документам! Каждый человек имеет право на знание требований, изложенных в данных нормативно-правовых актах!

  


 

ГОСТ 31167-2009

Здания и сооружения. Методы определения воздухопроницаемости ограждающих конструкций в натурных условиях

Обозначение:ГОСТ 31167-2009
Текущий статус документа: действующий
Название документа рус.:Здания и сооружения. Методы определения воздухопроницаемости ограждающих конструкций в натурных условиях
Название документа англ.:Buildings and structures. Methods for determination of air permeability of building envelopes in field conditions
Дата актуализации текста:01.12.2013
Дата издания:09.06.2011
Дата введения:01.03.2011
Дата последнего изменения:22.05.2013
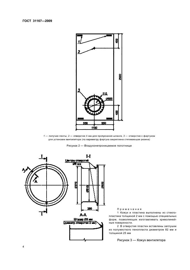
Область применения:Настоящий стандарт распространяется на ограждающие конструкции помещений, в том числе, квартир, групп помещений жилых, общественных, административных, бытовых, сельскохозяйственных, вспомогательных зданий и сооружений, а также зданий в целом и устанавливает методы определения воздухопроницаемости ограждений в натурных условиях.
Стандарт не распространяется на ограждения с открытыми по условию технологии проемами
ГОСТ 31167-2009ГОСТ 31167-2009ГОСТ 31167-2009ГОСТ 31167-2009ГОСТ 31167-2009ГОСТ 31167-2009ГОСТ 31167-2009ГОСТ 31167-2009ГОСТ 31167-2009ГОСТ 31167-2009ГОСТ 31167-2009ГОСТ 31167-2009ГОСТ 31167-2009ГОСТ 31167-2009ГОСТ 31167-2009ГОСТ 31167-2009ГОСТ 31167-2009ГОСТ 31167-2009ГОСТ 31167-2009ГОСТ 31167-2009
 




ГОСТЫ, СТРОИТЕЛЬНЫЕ и ТЕХНИЧЕСКИЕ НОРМАТИВЫ.
Некоммерческая онлайн система, содержащая все Российские Госты, национальные Стандарты и нормативы.
В Системе содержится более 150000 файлов нормативно-технической документации, действующей на территории РФ.
Система предназначена для широкого круга инженерно-технических специалистов.

Рейтинг@Mail.ru Яндекс цитирования

Copyright © www.gostrf.com, 2008 - 2026