Крупнейшая бесплатная информационно-справочная система онлайн доступа к полному собранию технических нормативно-правовых актов РФ. Огромная база технических нормативов (более 150 тысяч документов) и полное собрание национальных стандартов, аутентичное официальной базе Госстандарта. GOSTRF.com - это более 1 Терабайта бесплатной технической информации для всех пользователей интернета. Все электронные копии представленных здесь документов могут распространяться без каких-либо ограничений. Поощряется распространение информации с этого сайта на любых других ресурсах. Каждый человек имеет право на неограниченный доступ к этим документам! Каждый человек имеет право на знание требований, изложенных в данных нормативно-правовых актах!

  


 

ГОСТ Р МЭК 60793-1-31-2010

Волокна оптические. Часть 1-31. Методы измерений и проведение испытаний. Прочность при разрыве

Обозначение:ГОСТ Р МЭК 60793-1-31-2010
Текущий статус документа: действующий
Название документа рус.:Волокна оптические. Часть 1-31. Методы измерений и проведение испытаний. Прочность при разрыве
Название документа англ.:Optical fibres. Part 1-31. Measurement methods and test procedures. Tensile strength
Дата актуализации текста:01.12.2013
Дата издания:11.10.2011
Дата введения:01.01.2012
Дата последнего изменения:22.05.2013
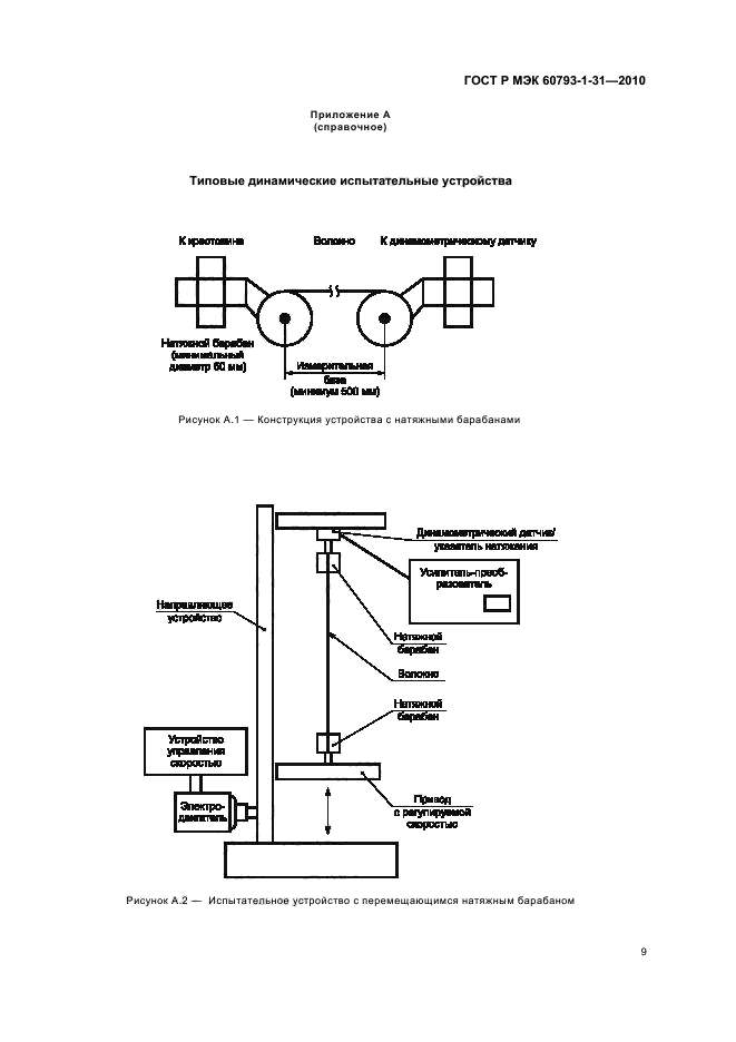
Область применения:Настоящий стандарт содержит описание метода определения прочности при разрыве образцов оптических волокон и устанавливает единые требования к механической характеристике волокна - его прочности при разрыве. Данным методом испытывают отдельные отрезки вне состава кабеля и нескрученных стеклянных волокон. Отрезки волокна разрывают, прилагая управляемое нарастающее напряжение или усилие, равномерно распределенное по всей длине волокна и поперечному сечению. Напряжение или усилие увеличивают с установленной постоянной скоростью до разрыва волокна.
Распределение значения прочности при разрыве данного волокна строго зависит от длины образца, скорости увеличения нагрузки и условий окружающей среды. Настоящее испытание может быть использовано для контроля качества, если требуются статистические данные о прочности волокна. Результаты фиксируют в виде статистического распределения контроля качества.
Как правило, испытание проводят после кондиционирования образца при установленной температуре и влажности. Однако в некоторых случаях может быть достаточным измерение значений в условиях температуры и влажности окружающей среды.
Настоящий метод распространяется на волокна категорий А1, А2, А3, В и C
ГОСТ Р МЭК 60793-1-31-2010ГОСТ Р МЭК 60793-1-31-2010ГОСТ Р МЭК 60793-1-31-2010ГОСТ Р МЭК 60793-1-31-2010ГОСТ Р МЭК 60793-1-31-2010ГОСТ Р МЭК 60793-1-31-2010ГОСТ Р МЭК 60793-1-31-2010ГОСТ Р МЭК 60793-1-31-2010ГОСТ Р МЭК 60793-1-31-2010ГОСТ Р МЭК 60793-1-31-2010ГОСТ Р МЭК 60793-1-31-2010ГОСТ Р МЭК 60793-1-31-2010ГОСТ Р МЭК 60793-1-31-2010ГОСТ Р МЭК 60793-1-31-2010ГОСТ Р МЭК 60793-1-31-2010ГОСТ Р МЭК 60793-1-31-2010ГОСТ Р МЭК 60793-1-31-2010ГОСТ Р МЭК 60793-1-31-2010ГОСТ Р МЭК 60793-1-31-2010ГОСТ Р МЭК 60793-1-31-2010
 




ГОСТЫ, СТРОИТЕЛЬНЫЕ и ТЕХНИЧЕСКИЕ НОРМАТИВЫ.
Некоммерческая онлайн система, содержащая все Российские Госты, национальные Стандарты и нормативы.
В Системе содержится более 150000 файлов нормативно-технической документации, действующей на территории РФ.
Система предназначена для широкого круга инженерно-технических специалистов.

Рейтинг@Mail.ru Яндекс цитирования

Copyright © www.gostrf.com, 2008 - 2026