Крупнейшая бесплатная информационно-справочная система онлайн доступа к полному собранию технических нормативно-правовых актов РФ. Огромная база технических нормативов (более 150 тысяч документов) и полное собрание национальных стандартов, аутентичное официальной базе Госстандарта. GOSTRF.com - это более 1 Терабайта бесплатной технической информации для всех пользователей интернета. Все электронные копии представленных здесь документов могут распространяться без каких-либо ограничений. Поощряется распространение информации с этого сайта на любых других ресурсах. Каждый человек имеет право на неограниченный доступ к этим документам! Каждый человек имеет право на знание требований, изложенных в данных нормативно-правовых актах!

  


 

ГОСТ Р ИСО 11943-2010

Гидропривод объемный. Интерактивные автоматические системы подсчета частиц в жидкости. Методы калибровки и аттестации

Обозначение:ГОСТ Р ИСО 11943-2010
Текущий статус документа: действующий
Название документа рус.:Гидропривод объемный. Интерактивные автоматические системы подсчета частиц в жидкости. Методы калибровки и аттестации
Название документа англ.:Hydraulic fluid power. On-line automatic particle-counting systems for liquids. Methods of calibration and validation
Дата актуализации текста:01.12.2013
Дата издания:20.10.2011
Дата введения:01.12.2011
Дата последнего изменения:22.05.2013
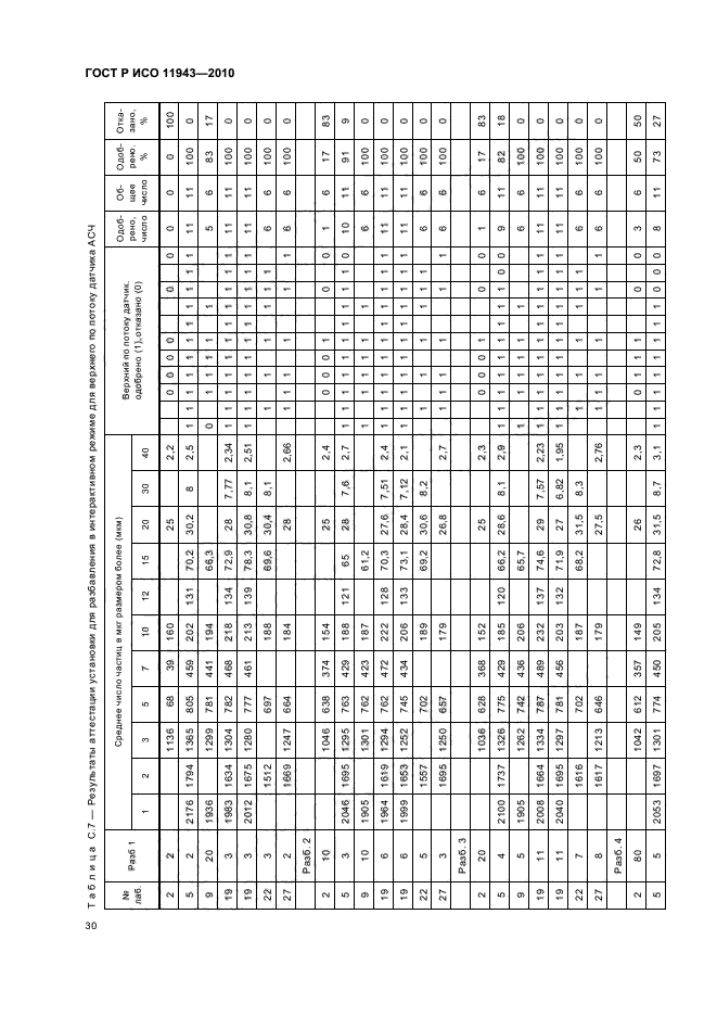
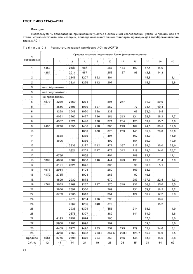
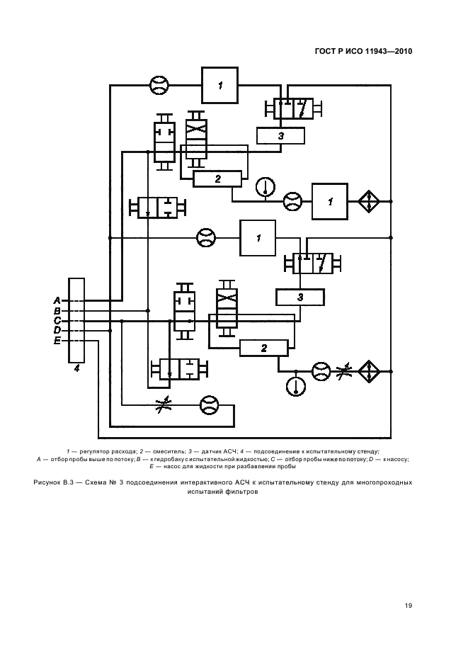
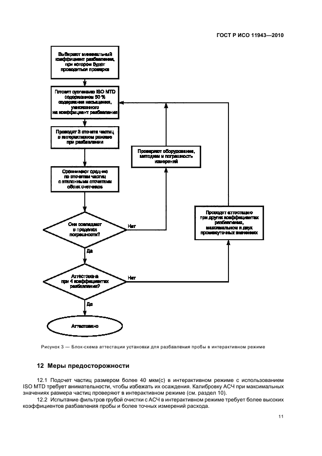
Область применения:Настоящий стандарт устанавливает основные положения по калибровке и аттестации интерактивных автоматических счетчиков частиц (АСЧ) для их последующего использования при подсчете твердых частиц, взвешенных в жидкости. В основном их применяют при многопроходном испытании фильтров по ИСО 16889
ГОСТ Р ИСО 11943-2010ГОСТ Р ИСО 11943-2010ГОСТ Р ИСО 11943-2010ГОСТ Р ИСО 11943-2010ГОСТ Р ИСО 11943-2010ГОСТ Р ИСО 11943-2010ГОСТ Р ИСО 11943-2010ГОСТ Р ИСО 11943-2010ГОСТ Р ИСО 11943-2010ГОСТ Р ИСО 11943-2010ГОСТ Р ИСО 11943-2010ГОСТ Р ИСО 11943-2010ГОСТ Р ИСО 11943-2010ГОСТ Р ИСО 11943-2010ГОСТ Р ИСО 11943-2010ГОСТ Р ИСО 11943-2010ГОСТ Р ИСО 11943-2010ГОСТ Р ИСО 11943-2010ГОСТ Р ИСО 11943-2010ГОСТ Р ИСО 11943-2010ГОСТ Р ИСО 11943-2010ГОСТ Р ИСО 11943-2010ГОСТ Р ИСО 11943-2010ГОСТ Р ИСО 11943-2010ГОСТ Р ИСО 11943-2010ГОСТ Р ИСО 11943-2010ГОСТ Р ИСО 11943-2010ГОСТ Р ИСО 11943-2010ГОСТ Р ИСО 11943-2010ГОСТ Р ИСО 11943-2010ГОСТ Р ИСО 11943-2010ГОСТ Р ИСО 11943-2010ГОСТ Р ИСО 11943-2010ГОСТ Р ИСО 11943-2010ГОСТ Р ИСО 11943-2010ГОСТ Р ИСО 11943-2010ГОСТ Р ИСО 11943-2010ГОСТ Р ИСО 11943-2010ГОСТ Р ИСО 11943-2010ГОСТ Р ИСО 11943-2010
 




ГОСТЫ, СТРОИТЕЛЬНЫЕ и ТЕХНИЧЕСКИЕ НОРМАТИВЫ.
Некоммерческая онлайн система, содержащая все Российские Госты, национальные Стандарты и нормативы.
В Системе содержится более 150000 файлов нормативно-технической документации, действующей на территории РФ.
Система предназначена для широкого круга инженерно-технических специалистов.

Рейтинг@Mail.ru Яндекс цитирования

Copyright © www.gostrf.com, 2008 - 2026