Крупнейшая бесплатная информационно-справочная система онлайн доступа к полному собранию технических нормативно-правовых актов РФ. Огромная база технических нормативов (более 150 тысяч документов) и полное собрание национальных стандартов, аутентичное официальной базе Госстандарта. GOSTRF.com - это более 1 Терабайта бесплатной технической информации для всех пользователей интернета. Все электронные копии представленных здесь документов могут распространяться без каких-либо ограничений. Поощряется распространение информации с этого сайта на любых других ресурсах. Каждый человек имеет право на неограниченный доступ к этим документам! Каждый человек имеет право на знание требований, изложенных в данных нормативно-правовых актах!

  


 

ГОСТ Р МЭК 60990-2010

Методы измерения тока прикосновения и тока защитного проводника

Обозначение:ГОСТ Р МЭК 60990-2010
Текущий статус документа: действующий
Название документа рус.:Методы измерения тока прикосновения и тока защитного проводника
Название документа англ.:Metods of measurement of touch current and protective conductor current
Дата актуализации текста:01.12.2013
Дата издания:17.10.2011
Дата введения:01.01.2012
Дата последнего изменения:23.05.2013
Область применения:Настоящий стандарт устанавливает методы измерения:
- электрического тока синусоидальной и несинусоидальной формы, который может протекать через тело человека и,
- тока, протекающего по защитному проводнику.
Методы, рекомендуемые для измерения тока прикосновения, основываются на изучении возможных последствий воздействия тока, протекающего через тело человека.
В настоящем стандарте измерение тока, протекающего по цепям, имитирующим комплексное сопротивление тела человека, рассматривается как измерение тока прикосновения. Эти схемы необязательно в равной степени применимы в отношении тел животных.
В область применения настоящего стандарта не входит подробная характеристика или описание последствий воздействия конкретных пороговых значений электрического тока на тело человека.
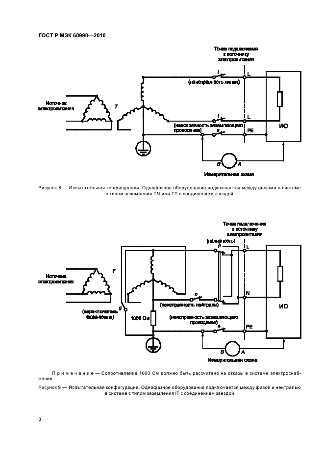
Настоящий стандарт применим к оборудованию классов защиты от поражения электрическим током I, II и III.
Методы измерения, установленные настоящим стандартом, не предназначены для использования применительно:
- токам прикосновения, длительность воздействия которых составляет менее 1 с;
- тока, возникающим при использовании медицинских электроприборов по МЭК 60601-1;
- переменным токам при частотах не ниже 15 Гц;
- переменным токам в сочетании с постоянными токами (использование единой схемы для комплексного отображения воздействия переменных токов в сочетании с постоянными не исследовалось);
- токам, превышающим установленные пороговые значения, обусловливающие возникновение электрических ожогов
ГОСТ Р МЭК 60990-2010ГОСТ Р МЭК 60990-2010ГОСТ Р МЭК 60990-2010ГОСТ Р МЭК 60990-2010ГОСТ Р МЭК 60990-2010ГОСТ Р МЭК 60990-2010ГОСТ Р МЭК 60990-2010ГОСТ Р МЭК 60990-2010ГОСТ Р МЭК 60990-2010ГОСТ Р МЭК 60990-2010ГОСТ Р МЭК 60990-2010ГОСТ Р МЭК 60990-2010ГОСТ Р МЭК 60990-2010ГОСТ Р МЭК 60990-2010ГОСТ Р МЭК 60990-2010ГОСТ Р МЭК 60990-2010ГОСТ Р МЭК 60990-2010ГОСТ Р МЭК 60990-2010ГОСТ Р МЭК 60990-2010ГОСТ Р МЭК 60990-2010ГОСТ Р МЭК 60990-2010ГОСТ Р МЭК 60990-2010ГОСТ Р МЭК 60990-2010ГОСТ Р МЭК 60990-2010ГОСТ Р МЭК 60990-2010ГОСТ Р МЭК 60990-2010ГОСТ Р МЭК 60990-2010ГОСТ Р МЭК 60990-2010ГОСТ Р МЭК 60990-2010ГОСТ Р МЭК 60990-2010ГОСТ Р МЭК 60990-2010ГОСТ Р МЭК 60990-2010ГОСТ Р МЭК 60990-2010ГОСТ Р МЭК 60990-2010ГОСТ Р МЭК 60990-2010ГОСТ Р МЭК 60990-2010ГОСТ Р МЭК 60990-2010ГОСТ Р МЭК 60990-2010ГОСТ Р МЭК 60990-2010ГОСТ Р МЭК 60990-2010ГОСТ Р МЭК 60990-2010ГОСТ Р МЭК 60990-2010ГОСТ Р МЭК 60990-2010ГОСТ Р МЭК 60990-2010ГОСТ Р МЭК 60990-2010ГОСТ Р МЭК 60990-2010ГОСТ Р МЭК 60990-2010ГОСТ Р МЭК 60990-2010ГОСТ Р МЭК 60990-2010ГОСТ Р МЭК 60990-2010
 




ГОСТЫ, СТРОИТЕЛЬНЫЕ и ТЕХНИЧЕСКИЕ НОРМАТИВЫ.
Некоммерческая онлайн система, содержащая все Российские Госты, национальные Стандарты и нормативы.
В Системе содержится более 150000 файлов нормативно-технической документации, действующей на территории РФ.
Система предназначена для широкого круга инженерно-технических специалистов.

Рейтинг@Mail.ru Яндекс цитирования

Copyright © www.gostrf.com, 2008 - 2026