Крупнейшая бесплатная информационно-справочная система онлайн доступа к полному собранию технических нормативно-правовых актов РФ. Огромная база технических нормативов (более 150 тысяч документов) и полное собрание национальных стандартов, аутентичное официальной базе Госстандарта. GOSTRF.com - это более 1 Терабайта бесплатной технической информации для всех пользователей интернета. Все электронные копии представленных здесь документов могут распространяться без каких-либо ограничений. Поощряется распространение информации с этого сайта на любых других ресурсах. Каждый человек имеет право на неограниченный доступ к этим документам! Каждый человек имеет право на знание требований, изложенных в данных нормативно-правовых актах!

  


 

ГОСТ 2.307-2011

Единая система конструкторской документации. Нанесение размеров и предельных отклонений

Обозначение:ГОСТ 2.307-2011
Текущий статус документа: действующий
Название документа рус.:Единая система конструкторской документации. Нанесение размеров и предельных отклонений
Название документа англ.:Unified system for design documentation. Drawing of dimensions and limit deviations
Дата актуализации текста:01.12.2013
Дата издания:22.12.2011
Дата введения:01.01.2012
Дата последнего изменения:22.05.2013
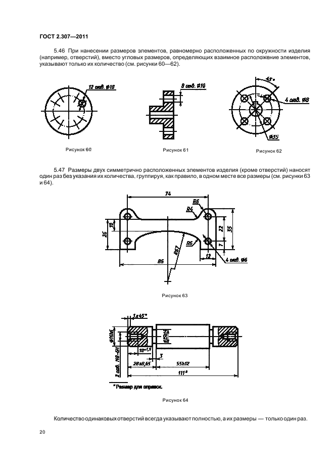
Область применения:Настоящий стандарт устанавливает правила нанесения размеров и предельных отклонений в графических документах на изделия всех отраслей промышленности и строительства
Список изменений:№0 от 25.09.2012 (рег. 25.09.2012) «Дата введения перенесена»
Приложение №1:Поправка к ГОСТ 2.307-2011
ГОСТ 2.307-2011ГОСТ 2.307-2011ГОСТ 2.307-2011ГОСТ 2.307-2011ГОСТ 2.307-2011ГОСТ 2.307-2011ГОСТ 2.307-2011ГОСТ 2.307-2011ГОСТ 2.307-2011ГОСТ 2.307-2011ГОСТ 2.307-2011ГОСТ 2.307-2011ГОСТ 2.307-2011ГОСТ 2.307-2011ГОСТ 2.307-2011ГОСТ 2.307-2011ГОСТ 2.307-2011ГОСТ 2.307-2011ГОСТ 2.307-2011ГОСТ 2.307-2011ГОСТ 2.307-2011ГОСТ 2.307-2011ГОСТ 2.307-2011ГОСТ 2.307-2011ГОСТ 2.307-2011ГОСТ 2.307-2011ГОСТ 2.307-2011ГОСТ 2.307-2011ГОСТ 2.307-2011ГОСТ 2.307-2011ГОСТ 2.307-2011ГОСТ 2.307-2011ГОСТ 2.307-2011ГОСТ 2.307-2011ГОСТ 2.307-2011ГОСТ 2.307-2011ГОСТ 2.307-2011

Поправка к ГОСТ 2.307-2011

Обозначение:Поправка к ГОСТ 2.307-2011
Дата введения:25.09.2012


Поправка к ГОСТ 2.307-2011
 




ГОСТЫ, СТРОИТЕЛЬНЫЕ и ТЕХНИЧЕСКИЕ НОРМАТИВЫ.
Некоммерческая онлайн система, содержащая все Российские Госты, национальные Стандарты и нормативы.
В Системе содержится более 150000 файлов нормативно-технической документации, действующей на территории РФ.
Система предназначена для широкого круга инженерно-технических специалистов.

Рейтинг@Mail.ru Яндекс цитирования

Copyright © www.gostrf.com, 2008 - 2026