Крупнейшая бесплатная информационно-справочная система онлайн доступа к полному собранию технических нормативно-правовых актов РФ. Огромная база технических нормативов (более 150 тысяч документов) и полное собрание национальных стандартов, аутентичное официальной базе Госстандарта. GOSTRF.com - это более 1 Терабайта бесплатной технической информации для всех пользователей интернета. Все электронные копии представленных здесь документов могут распространяться без каких-либо ограничений. Поощряется распространение информации с этого сайта на любых других ресурсах. Каждый человек имеет право на неограниченный доступ к этим документам! Каждый человек имеет право на знание требований, изложенных в данных нормативно-правовых актах!

  


 

ГОСТ Р МЭК 62301-2011

Приборы бытовые электрические. Измерение потребляемой мощности в режиме ожидания

Обозначение:ГОСТ Р МЭК 62301-2011
Текущий статус документа: действующий
Название документа рус.:Приборы бытовые электрические. Измерение потребляемой мощности в режиме ожидания
Название документа англ.:Household electrical appliances. Measurement of standby power
Дата актуализации текста:01.12.2013
Дата издания:17.01.2012
Дата введения:01.07.2012
Дата последнего изменения:22.05.2013
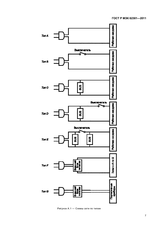
Область применения:Цель настоящего стандарта - установить методы испытаний для определения потребления энергии рядом приборов и оборудования в режиме ожидания (когда они не выполняют своей основной функции). Настоящий стандарт определяет этот режим как наименьшее потребление энергии прибором, подключенным к сети. Указанный метод испытания применяют также к другим режимам с малым потреблением энергии – установившимся и выполняющим фоновую или второстепенную функцию (например, контроль или отображение). Приложение А содержит информацию о возможных режимах, которые могут определяться составом и конструкцией различных приборов на основе их схемы и компоновки, но стандарт не устанавливает эти режимы.
Режимы с низким потреблением энергии (в дополнение к режиму ожидания), к которым применяется данное испытание, должны быть определены стандартами для эксплуатационных характеристик соответствующих приборов. Например, МЭК 62087 описывает ряд режимов для телевизоров, видеомагнитофонов и аналогичного оборудования
ГОСТ Р МЭК 62301-2011ГОСТ Р МЭК 62301-2011ГОСТ Р МЭК 62301-2011ГОСТ Р МЭК 62301-2011ГОСТ Р МЭК 62301-2011ГОСТ Р МЭК 62301-2011ГОСТ Р МЭК 62301-2011ГОСТ Р МЭК 62301-2011ГОСТ Р МЭК 62301-2011ГОСТ Р МЭК 62301-2011ГОСТ Р МЭК 62301-2011ГОСТ Р МЭК 62301-2011ГОСТ Р МЭК 62301-2011ГОСТ Р МЭК 62301-2011ГОСТ Р МЭК 62301-2011ГОСТ Р МЭК 62301-2011ГОСТ Р МЭК 62301-2011ГОСТ Р МЭК 62301-2011ГОСТ Р МЭК 62301-2011ГОСТ Р МЭК 62301-2011
 




ГОСТЫ, СТРОИТЕЛЬНЫЕ и ТЕХНИЧЕСКИЕ НОРМАТИВЫ.
Некоммерческая онлайн система, содержащая все Российские Госты, национальные Стандарты и нормативы.
В Системе содержится более 150000 файлов нормативно-технической документации, действующей на территории РФ.
Система предназначена для широкого круга инженерно-технических специалистов.

Рейтинг@Mail.ru Яндекс цитирования

Copyright © www.gostrf.com, 2008 - 2026