Крупнейшая бесплатная информационно-справочная система онлайн доступа к полному собранию технических нормативно-правовых актов РФ. Огромная база технических нормативов (более 150 тысяч документов) и полное собрание национальных стандартов, аутентичное официальной базе Госстандарта. GOSTRF.com - это более 1 Терабайта бесплатной технической информации для всех пользователей интернета. Все электронные копии представленных здесь документов могут распространяться без каких-либо ограничений. Поощряется распространение информации с этого сайта на любых других ресурсах. Каждый человек имеет право на неограниченный доступ к этим документам! Каждый человек имеет право на знание требований, изложенных в данных нормативно-правовых актах!

  


 

ГОСТ Р ИСО 13295-2010

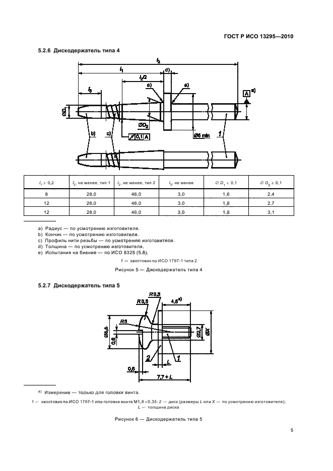
Инструменты стоматологические вращающиеся. Дискодержатели

Обозначение:ГОСТ Р ИСО 13295-2010
Текущий статус документа: действующий
Название документа рус.:Инструменты стоматологические вращающиеся. Дискодержатели
Название документа англ.:Dental rotary instruments. Mandrels
Дата актуализации текста:01.12.2013
Дата издания:19.01.2012
Дата введения:01.03.2012
Дата последнего изменения:22.05.2013
Область применения:Настоящий стандарт устанавливает требования, характеристики упаковки и маркировки для дискодержателей, применяемых для закрепления дисков и полиров, используемых в стоматологии.
В настоящем стандарте использована система кодирования по ИСО 6360, в которой установлен 15-значный номер для идентификации стоматологических вращающихся инструментов всех типов
ГОСТ Р ИСО 13295-2010ГОСТ Р ИСО 13295-2010ГОСТ Р ИСО 13295-2010ГОСТ Р ИСО 13295-2010ГОСТ Р ИСО 13295-2010ГОСТ Р ИСО 13295-2010ГОСТ Р ИСО 13295-2010ГОСТ Р ИСО 13295-2010ГОСТ Р ИСО 13295-2010ГОСТ Р ИСО 13295-2010ГОСТ Р ИСО 13295-2010ГОСТ Р ИСО 13295-2010
 




ГОСТЫ, СТРОИТЕЛЬНЫЕ и ТЕХНИЧЕСКИЕ НОРМАТИВЫ.
Некоммерческая онлайн система, содержащая все Российские Госты, национальные Стандарты и нормативы.
В Системе содержится более 150000 файлов нормативно-технической документации, действующей на территории РФ.
Система предназначена для широкого круга инженерно-технических специалистов.

Рейтинг@Mail.ru Яндекс цитирования

Copyright © www.gostrf.com, 2008 - 2026