Крупнейшая бесплатная информационно-справочная система онлайн доступа к полному собранию технических нормативно-правовых актов РФ. Огромная база технических нормативов (более 150 тысяч документов) и полное собрание национальных стандартов, аутентичное официальной базе Госстандарта. GOSTRF.com - это более 1 Терабайта бесплатной технической информации для всех пользователей интернета. Все электронные копии представленных здесь документов могут распространяться без каких-либо ограничений. Поощряется распространение информации с этого сайта на любых других ресурсах. Каждый человек имеет право на неограниченный доступ к этим документам! Каждый человек имеет право на знание требований, изложенных в данных нормативно-правовых актах!

  


 

ГОСТ Р 54749-2011

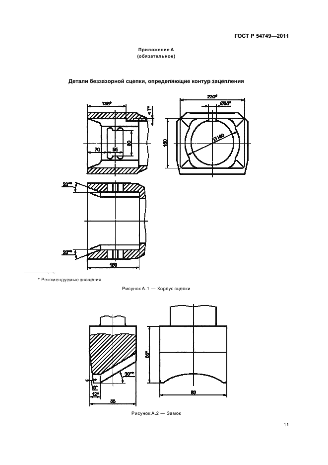
Устройство сцепное и автосцепное железнодорожного подвижного состава. Технические требования и правила приемки

Обозначение:ГОСТ Р 54749-2011
Текущий статус документа: действующий
Название документа рус.:Устройство сцепное и автосцепное железнодорожного подвижного состава. Технические требования и правила приемки
Название документа англ.:Coupler and automatic coupler device of railway rolling stock. Technical requirements and acceptance rules
Дата актуализации текста:01.12.2013
Дата издания:18.05.2012
Дата введения:01.07.2012
Дата последнего изменения:22.05.2013
Область применения:Настоящий стандарт распространяется на сцепные и автосцепные устройства железнодорожного подвижного состава, предназначенного для эксплуатации на железных дорогах колеи 1520 мм, и устанавливает технические требования и правила приемки.
Стандарт не распространяется на автосцепные устройства грузовых вагонов промышленного транспорта, если они не имеют права эксплуатации на железнодорожных путях общего пользования
ГОСТ Р 54749-2011ГОСТ Р 54749-2011ГОСТ Р 54749-2011ГОСТ Р 54749-2011ГОСТ Р 54749-2011ГОСТ Р 54749-2011ГОСТ Р 54749-2011ГОСТ Р 54749-2011ГОСТ Р 54749-2011ГОСТ Р 54749-2011ГОСТ Р 54749-2011ГОСТ Р 54749-2011ГОСТ Р 54749-2011ГОСТ Р 54749-2011ГОСТ Р 54749-2011ГОСТ Р 54749-2011
 




ГОСТЫ, СТРОИТЕЛЬНЫЕ и ТЕХНИЧЕСКИЕ НОРМАТИВЫ.
Некоммерческая онлайн система, содержащая все Российские Госты, национальные Стандарты и нормативы.
В Системе содержится более 150000 файлов нормативно-технической документации, действующей на территории РФ.
Система предназначена для широкого круга инженерно-технических специалистов.

Рейтинг@Mail.ru Яндекс цитирования

Copyright © www.gostrf.com, 2008 - 2026