Крупнейшая бесплатная информационно-справочная система онлайн доступа к полному собранию технических нормативно-правовых актов РФ. Огромная база технических нормативов (более 150 тысяч документов) и полное собрание национальных стандартов, аутентичное официальной базе Госстандарта. GOSTRF.com - это более 1 Терабайта бесплатной технической информации для всех пользователей интернета. Все электронные копии представленных здесь документов могут распространяться без каких-либо ограничений. Поощряется распространение информации с этого сайта на любых других ресурсах. Каждый человек имеет право на неограниченный доступ к этим документам! Каждый человек имеет право на знание требований, изложенных в данных нормативно-правовых актах!

  


 

ГОСТ Р ИСО 12164-3-2011

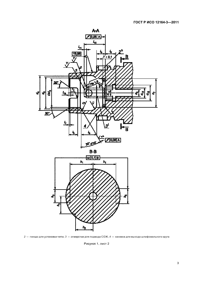
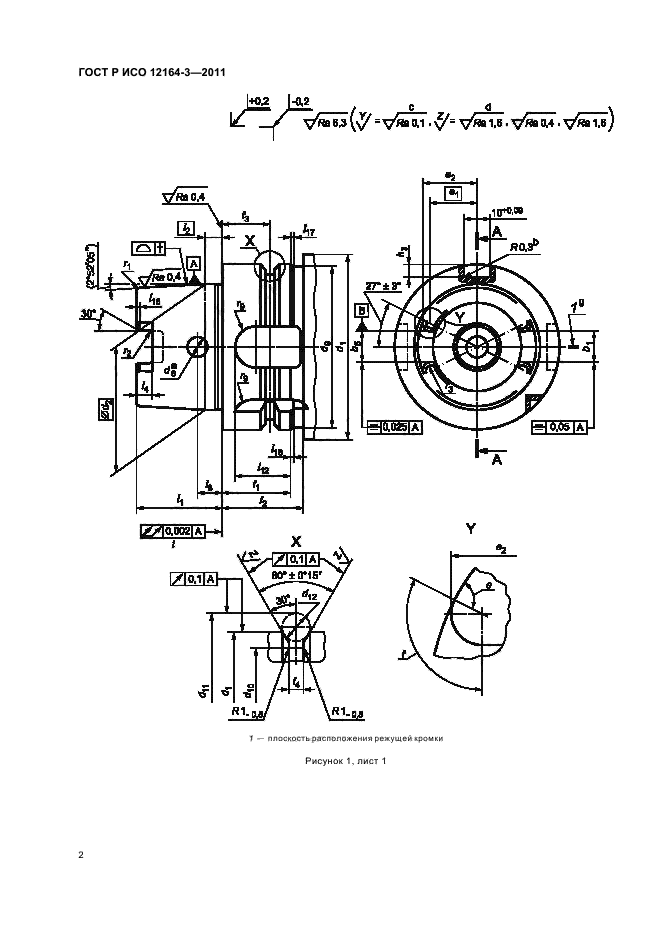
Хвостовики инструментов полые конические (HSK). Тип Т. Основные размеры

Обозначение:ГОСТ Р ИСО 12164-3-2011
Текущий статус документа: действующий
Название документа рус.:Хвостовики инструментов полые конические (HSK). Тип Т. Основные размеры
Название документа англ.:Hollow taper shank of tools (HSK). Types T. Basic dimensions
Дата актуализации текста:01.12.2013
Дата издания:26.09.2012
Дата введения:01.01.2013
Дата последнего изменения:22.05.2013
Область применения:Настоящий стандарт распространяется на размеры полых конических хвостовиков (HSK) с прилеганием по плоскости к торцу шпинделя токарных и обрабатывающих (фрезерно-расточных) центров.
Настоящий стандарт распространяется на хвостовики типа Т для автоматической смены инструмента через паз на фланце. Инструмент также может быть заменен вручную через отверстие в конической части хвостовика.
Крутящий момент передается посредством торцовой шпонки на конце хвостовика, а также - силой трения
ГОСТ Р ИСО 12164-3-2011ГОСТ Р ИСО 12164-3-2011ГОСТ Р ИСО 12164-3-2011ГОСТ Р ИСО 12164-3-2011ГОСТ Р ИСО 12164-3-2011ГОСТ Р ИСО 12164-3-2011ГОСТ Р ИСО 12164-3-2011ГОСТ Р ИСО 12164-3-2011ГОСТ Р ИСО 12164-3-2011ГОСТ Р ИСО 12164-3-2011ГОСТ Р ИСО 12164-3-2011ГОСТ Р ИСО 12164-3-2011
 




ГОСТЫ, СТРОИТЕЛЬНЫЕ и ТЕХНИЧЕСКИЕ НОРМАТИВЫ.
Некоммерческая онлайн система, содержащая все Российские Госты, национальные Стандарты и нормативы.
В Системе содержится более 150000 файлов нормативно-технической документации, действующей на территории РФ.
Система предназначена для широкого круга инженерно-технических специалистов.

Рейтинг@Mail.ru Яндекс цитирования

Copyright © www.gostrf.com, 2008 - 2026