Крупнейшая бесплатная информационно-справочная система онлайн доступа к полному собранию технических нормативно-правовых актов РФ. Огромная база технических нормативов (более 150 тысяч документов) и полное собрание национальных стандартов, аутентичное официальной базе Госстандарта. GOSTRF.com - это более 1 Терабайта бесплатной технической информации для всех пользователей интернета. Все электронные копии представленных здесь документов могут распространяться без каких-либо ограничений. Поощряется распространение информации с этого сайта на любых других ресурсах. Каждый человек имеет право на неограниченный доступ к этим документам! Каждый человек имеет право на знание требований, изложенных в данных нормативно-правовых актах!

  


 

ГОСТ Р 12.4.255-2011

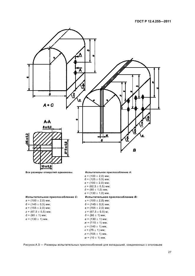
Система стандартов безопасности труда. Средства индивидуальной защиты органа слуха. Общие технические требования. Механические методы испытаний

Обозначение:ГОСТ Р 12.4.255-2011
Текущий статус документа: действующий
Название документа рус.:Система стандартов безопасности труда. Средства индивидуальной защиты органа слуха. Общие технические требования. Механические методы испытаний
Название документа англ.:Occupation safety standards system. Personal hearing protective equipment. General technical requirements. Mechanical test methods
Дата актуализации текста:01.12.2013
Дата издания:08.08.2012
Дата введения:01.07.2012
Дата последнего изменения:22.05.2013
Взамен:
Область применения:Настоящий стандарт распространяется на средства индивидуальной защиты органа слуха - противошумные наушники, противошумные наушники, смонтированные с защитной каской, противошумные вкладыши.
Настоящий стандарт устанавливает общие технические требования и механические методы испытаний для средств индивидуальной защиты органа слуха
ГОСТ Р 12.4.255-2011ГОСТ Р 12.4.255-2011ГОСТ Р 12.4.255-2011ГОСТ Р 12.4.255-2011ГОСТ Р 12.4.255-2011ГОСТ Р 12.4.255-2011ГОСТ Р 12.4.255-2011ГОСТ Р 12.4.255-2011ГОСТ Р 12.4.255-2011ГОСТ Р 12.4.255-2011ГОСТ Р 12.4.255-2011ГОСТ Р 12.4.255-2011ГОСТ Р 12.4.255-2011ГОСТ Р 12.4.255-2011ГОСТ Р 12.4.255-2011ГОСТ Р 12.4.255-2011ГОСТ Р 12.4.255-2011ГОСТ Р 12.4.255-2011ГОСТ Р 12.4.255-2011ГОСТ Р 12.4.255-2011ГОСТ Р 12.4.255-2011ГОСТ Р 12.4.255-2011ГОСТ Р 12.4.255-2011ГОСТ Р 12.4.255-2011ГОСТ Р 12.4.255-2011ГОСТ Р 12.4.255-2011ГОСТ Р 12.4.255-2011ГОСТ Р 12.4.255-2011ГОСТ Р 12.4.255-2011ГОСТ Р 12.4.255-2011ГОСТ Р 12.4.255-2011ГОСТ Р 12.4.255-2011ГОСТ Р 12.4.255-2011ГОСТ Р 12.4.255-2011ГОСТ Р 12.4.255-2011ГОСТ Р 12.4.255-2011ГОСТ Р 12.4.255-2011ГОСТ Р 12.4.255-2011ГОСТ Р 12.4.255-2011ГОСТ Р 12.4.255-2011
 




ГОСТЫ, СТРОИТЕЛЬНЫЕ и ТЕХНИЧЕСКИЕ НОРМАТИВЫ.
Некоммерческая онлайн система, содержащая все Российские Госты, национальные Стандарты и нормативы.
В Системе содержится более 150000 файлов нормативно-технической документации, действующей на территории РФ.
Система предназначена для широкого круга инженерно-технических специалистов.

Рейтинг@Mail.ru Яндекс цитирования

Copyright © www.gostrf.com, 2008 - 2026