Крупнейшая бесплатная информационно-справочная система онлайн доступа к полному собранию технических нормативно-правовых актов РФ. Огромная база технических нормативов (более 150 тысяч документов) и полное собрание национальных стандартов, аутентичное официальной базе Госстандарта. GOSTRF.com - это более 1 Терабайта бесплатной технической информации для всех пользователей интернета. Все электронные копии представленных здесь документов могут распространяться без каких-либо ограничений. Поощряется распространение информации с этого сайта на любых других ресурсах. Каждый человек имеет право на неограниченный доступ к этим документам! Каждый человек имеет право на знание требований, изложенных в данных нормативно-правовых актах!

  


 

ГОСТ Р 50571.7.717-2011

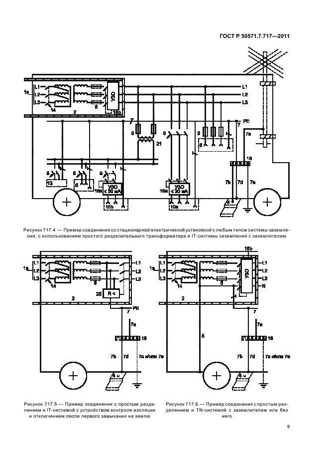
Электроустановки низковольтные. Часть 7-717. Требования к специальным установкам или местам их расположения. Мобильные или транспортируемые модули

Обозначение:ГОСТ Р 50571.7.717-2011
Текущий статус документа: действующий
Название документа рус.:Электроустановки низковольтные. Часть 7-717. Требования к специальным установкам или местам их расположения. Мобильные или транспортируемые модули
Название документа англ.:Low-voltage electrical installations. Part 7-717. Requirements for special installations or locations. Mobil or transportable units
Дата актуализации текста:01.12.2013
Дата издания:12.11.2012
Дата введения:01.01.2013
Дата последнего изменения:22.05.2013
Область применения:Настоящий стандарт распространяется на мобильные и транспортируемые модули, которые содержат в себе всю или часть электроустановки для выполнения функции электроснабжения модулей, например, передвижные модули для телевидения, радиовещания, оказания медицинских услуг, размещения мобильной рекламы, пожарные машины, модули специальных информационных технологий, модули для помощи при бедствиях, торговые модули и т.п.
Стандарт не распространяется на:
- электроустановки автотранспортных средств и автоприцепов;
- генераторные установки;
- электроустановки прогулочных судов по МЭК 60092-507;
- оборудование производственных машин и механизмов по МЭК 60204-1;
- оборудование электротранспортных средств, в т.ч. безрельсового транспорта;
- электроустановки мобильных или транспортируемых жилых домов, офисов и т.п. объектов длительного пользования и местам их расположения.
Настоящий стандарт применяется совместно с серией стандартов МЭК 60364. В ряде случаев при необходимости следует учитывать дополнительные требования, установленные в стандартах МЭК 60364-7, например, для ванных и душевых помещений и медицинских помещений и т.п.
ГОСТ Р 50571.7.717-2011ГОСТ Р 50571.7.717-2011ГОСТ Р 50571.7.717-2011ГОСТ Р 50571.7.717-2011ГОСТ Р 50571.7.717-2011ГОСТ Р 50571.7.717-2011ГОСТ Р 50571.7.717-2011ГОСТ Р 50571.7.717-2011ГОСТ Р 50571.7.717-2011ГОСТ Р 50571.7.717-2011ГОСТ Р 50571.7.717-2011ГОСТ Р 50571.7.717-2011ГОСТ Р 50571.7.717-2011ГОСТ Р 50571.7.717-2011ГОСТ Р 50571.7.717-2011ГОСТ Р 50571.7.717-2011ГОСТ Р 50571.7.717-2011ГОСТ Р 50571.7.717-2011ГОСТ Р 50571.7.717-2011ГОСТ Р 50571.7.717-2011
 




ГОСТЫ, СТРОИТЕЛЬНЫЕ и ТЕХНИЧЕСКИЕ НОРМАТИВЫ.
Некоммерческая онлайн система, содержащая все Российские Госты, национальные Стандарты и нормативы.
В Системе содержится более 150000 файлов нормативно-технической документации, действующей на территории РФ.
Система предназначена для широкого круга инженерно-технических специалистов.

Рейтинг@Mail.ru Яндекс цитирования

Copyright © www.gostrf.com, 2008 - 2026