Крупнейшая бесплатная информационно-справочная система онлайн доступа к полному собранию технических нормативно-правовых актов РФ. Огромная база технических нормативов (более 150 тысяч документов) и полное собрание национальных стандартов, аутентичное официальной базе Госстандарта. GOSTRF.com - это более 1 Терабайта бесплатной технической информации для всех пользователей интернета. Все электронные копии представленных здесь документов могут распространяться без каких-либо ограничений. Поощряется распространение информации с этого сайта на любых других ресурсах. Каждый человек имеет право на неограниченный доступ к этим документам! Каждый человек имеет право на знание требований, изложенных в данных нормативно-правовых актах!

  


 

ГОСТ 24379.1-2012

Болты фундаментные. Конструкция и размеры

Обозначение:ГОСТ 24379.1-2012
Текущий статус документа: действующий
Название документа рус.:Болты фундаментные. Конструкция и размеры
Название документа англ.:Foundation bolts. Structure and dimensions
Дата актуализации текста:01.12.2013
Дата издания:04.07.2013
Дата введения:01.07.2013
Дата последнего изменения:21.08.2013
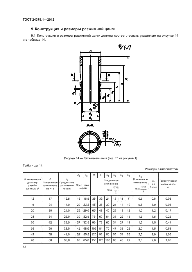
Область применения:Настоящий стандарт распространяется на фундаментные болты диаметром резьбы от 12 до 140 мм по ГОСТ 24379.0, предназначенные для крепления и фиксации строительных конструкций или оборудования.
Настоящий стандарт соответствует ГОСТ 25347 и ГОСТ 25348 в части, касающейся предельных отклонений размеров, и ГОСТ 8724 и ГОСТ 24705 в части, касающейся основных размеров, диаметров и шагов метрической резьбы
ГОСТ 24379.1-2012ГОСТ 24379.1-2012ГОСТ 24379.1-2012ГОСТ 24379.1-2012ГОСТ 24379.1-2012ГОСТ 24379.1-2012ГОСТ 24379.1-2012ГОСТ 24379.1-2012ГОСТ 24379.1-2012ГОСТ 24379.1-2012ГОСТ 24379.1-2012ГОСТ 24379.1-2012ГОСТ 24379.1-2012ГОСТ 24379.1-2012ГОСТ 24379.1-2012ГОСТ 24379.1-2012ГОСТ 24379.1-2012ГОСТ 24379.1-2012ГОСТ 24379.1-2012ГОСТ 24379.1-2012ГОСТ 24379.1-2012ГОСТ 24379.1-2012ГОСТ 24379.1-2012ГОСТ 24379.1-2012ГОСТ 24379.1-2012ГОСТ 24379.1-2012ГОСТ 24379.1-2012ГОСТ 24379.1-2012ГОСТ 24379.1-2012ГОСТ 24379.1-2012ГОСТ 24379.1-2012ГОСТ 24379.1-2012ГОСТ 24379.1-2012ГОСТ 24379.1-2012ГОСТ 24379.1-2012ГОСТ 24379.1-2012ГОСТ 24379.1-2012ГОСТ 24379.1-2012ГОСТ 24379.1-2012ГОСТ 24379.1-2012ГОСТ 24379.1-2012ГОСТ 24379.1-2012
 




ГОСТЫ, СТРОИТЕЛЬНЫЕ и ТЕХНИЧЕСКИЕ НОРМАТИВЫ.
Некоммерческая онлайн система, содержащая все Российские Госты, национальные Стандарты и нормативы.
В Системе содержится более 150000 файлов нормативно-технической документации, действующей на территории РФ.
Система предназначена для широкого круга инженерно-технических специалистов.

Рейтинг@Mail.ru Яндекс цитирования

Copyright © www.gostrf.com, 2008 - 2026