Крупнейшая бесплатная информационно-справочная система онлайн доступа к полному собранию технических нормативно-правовых актов РФ. Огромная база технических нормативов (более 150 тысяч документов) и полное собрание национальных стандартов, аутентичное официальной базе Госстандарта. GOSTRF.com - это более 1 Терабайта бесплатной технической информации для всех пользователей интернета. Все электронные копии представленных здесь документов могут распространяться без каких-либо ограничений. Поощряется распространение информации с этого сайта на любых других ресурсах. Каждый человек имеет право на неограниченный доступ к этим документам! Каждый человек имеет право на знание требований, изложенных в данных нормативно-правовых актах!

  


 

ГОСТ IEC 60601-2-51-2011

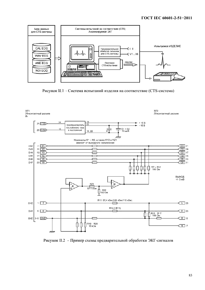
Изделия медицинские электрические. Часть 2-51. Частные требования безопасности с учетом основных функциональных характеристик к регистрирующим и анализирующим одноканальным и многоканальным электрокардиографам

Обозначение:ГОСТ IEC 60601-2-51-2011
Текущий статус документа: действующий
Название документа рус.:Изделия медицинские электрические. Часть 2-51. Частные требования безопасности с учетом основных функциональных характеристик к регистрирующим и анализирующим одноканальным и многоканальным электрокардиографам
Название документа англ.:Medical electrical equipment. Part 2-51. Particular requirements for safety, including essential performance, of recording and analysing single channel and multichannel electrocardiographs
Дата актуализации текста:01.12.2013
Дата издания:04.07.2013
Дата введения:01.01.2013
Дата последнего изменения:11.09.2013
Область применения:Настоящий стандарт определяет требования безопасности с учетом основных функциональных характеристик к регистрирующим и анализирующим одноканальным и многоканальным электрокардиографам, определенным в 2.101, 2.111, 2.117, 2.123 и 2.126, как требующих так и не требующих обслуживающего персонала
ГОСТ IEC 60601-2-51-2011ГОСТ IEC 60601-2-51-2011ГОСТ IEC 60601-2-51-2011ГОСТ IEC 60601-2-51-2011ГОСТ IEC 60601-2-51-2011ГОСТ IEC 60601-2-51-2011ГОСТ IEC 60601-2-51-2011ГОСТ IEC 60601-2-51-2011ГОСТ IEC 60601-2-51-2011ГОСТ IEC 60601-2-51-2011ГОСТ IEC 60601-2-51-2011ГОСТ IEC 60601-2-51-2011ГОСТ IEC 60601-2-51-2011ГОСТ IEC 60601-2-51-2011ГОСТ IEC 60601-2-51-2011ГОСТ IEC 60601-2-51-2011ГОСТ IEC 60601-2-51-2011ГОСТ IEC 60601-2-51-2011ГОСТ IEC 60601-2-51-2011ГОСТ IEC 60601-2-51-2011ГОСТ IEC 60601-2-51-2011ГОСТ IEC 60601-2-51-2011ГОСТ IEC 60601-2-51-2011ГОСТ IEC 60601-2-51-2011ГОСТ IEC 60601-2-51-2011ГОСТ IEC 60601-2-51-2011ГОСТ IEC 60601-2-51-2011ГОСТ IEC 60601-2-51-2011ГОСТ IEC 60601-2-51-2011ГОСТ IEC 60601-2-51-2011ГОСТ IEC 60601-2-51-2011ГОСТ IEC 60601-2-51-2011ГОСТ IEC 60601-2-51-2011ГОСТ IEC 60601-2-51-2011ГОСТ IEC 60601-2-51-2011ГОСТ IEC 60601-2-51-2011ГОСТ IEC 60601-2-51-2011ГОСТ IEC 60601-2-51-2011ГОСТ IEC 60601-2-51-2011ГОСТ IEC 60601-2-51-2011ГОСТ IEC 60601-2-51-2011ГОСТ IEC 60601-2-51-2011ГОСТ IEC 60601-2-51-2011ГОСТ IEC 60601-2-51-2011ГОСТ IEC 60601-2-51-2011ГОСТ IEC 60601-2-51-2011ГОСТ IEC 60601-2-51-2011ГОСТ IEC 60601-2-51-2011ГОСТ IEC 60601-2-51-2011ГОСТ IEC 60601-2-51-2011ГОСТ IEC 60601-2-51-2011ГОСТ IEC 60601-2-51-2011ГОСТ IEC 60601-2-51-2011ГОСТ IEC 60601-2-51-2011ГОСТ IEC 60601-2-51-2011ГОСТ IEC 60601-2-51-2011ГОСТ IEC 60601-2-51-2011ГОСТ IEC 60601-2-51-2011ГОСТ IEC 60601-2-51-2011ГОСТ IEC 60601-2-51-2011ГОСТ IEC 60601-2-51-2011ГОСТ IEC 60601-2-51-2011ГОСТ IEC 60601-2-51-2011ГОСТ IEC 60601-2-51-2011ГОСТ IEC 60601-2-51-2011ГОСТ IEC 60601-2-51-2011ГОСТ IEC 60601-2-51-2011ГОСТ IEC 60601-2-51-2011ГОСТ IEC 60601-2-51-2011ГОСТ IEC 60601-2-51-2011ГОСТ IEC 60601-2-51-2011ГОСТ IEC 60601-2-51-2011ГОСТ IEC 60601-2-51-2011ГОСТ IEC 60601-2-51-2011ГОСТ IEC 60601-2-51-2011ГОСТ IEC 60601-2-51-2011ГОСТ IEC 60601-2-51-2011ГОСТ IEC 60601-2-51-2011ГОСТ IEC 60601-2-51-2011ГОСТ IEC 60601-2-51-2011ГОСТ IEC 60601-2-51-2011ГОСТ IEC 60601-2-51-2011ГОСТ IEC 60601-2-51-2011ГОСТ IEC 60601-2-51-2011ГОСТ IEC 60601-2-51-2011ГОСТ IEC 60601-2-51-2011ГОСТ IEC 60601-2-51-2011ГОСТ IEC 60601-2-51-2011ГОСТ IEC 60601-2-51-2011ГОСТ IEC 60601-2-51-2011ГОСТ IEC 60601-2-51-2011ГОСТ IEC 60601-2-51-2011ГОСТ IEC 60601-2-51-2011ГОСТ IEC 60601-2-51-2011ГОСТ IEC 60601-2-51-2011ГОСТ IEC 60601-2-51-2011ГОСТ IEC 60601-2-51-2011ГОСТ IEC 60601-2-51-2011ГОСТ IEC 60601-2-51-2011ГОСТ IEC 60601-2-51-2011ГОСТ IEC 60601-2-51-2011ГОСТ IEC 60601-2-51-2011ГОСТ IEC 60601-2-51-2011ГОСТ IEC 60601-2-51-2011
 




ГОСТЫ, СТРОИТЕЛЬНЫЕ и ТЕХНИЧЕСКИЕ НОРМАТИВЫ.
Некоммерческая онлайн система, содержащая все Российские Госты, национальные Стандарты и нормативы.
В Системе содержится более 150000 файлов нормативно-технической документации, действующей на территории РФ.
Система предназначена для широкого круга инженерно-технических специалистов.

Рейтинг@Mail.ru Яндекс цитирования

Copyright © www.gostrf.com, 2008 - 2026