Крупнейшая бесплатная информационно-справочная система онлайн доступа к полному собранию технических нормативно-правовых актов РФ. Огромная база технических нормативов (более 150 тысяч документов) и полное собрание национальных стандартов, аутентичное официальной базе Госстандарта. GOSTRF.com - это более 1 Терабайта бесплатной технической информации для всех пользователей интернета. Все электронные копии представленных здесь документов могут распространяться без каких-либо ограничений. Поощряется распространение информации с этого сайта на любых других ресурсах. Каждый человек имеет право на неограниченный доступ к этим документам! Каждый человек имеет право на знание требований, изложенных в данных нормативно-правовых актах!

  


 

ГОСТ IEC 60601-1-1-2011

Изделия медицинские электрические. Часть 1-1. Общие требования безопасности. Требования безопасности к медицинским электрическим системам

Обозначение:ГОСТ IEC 60601-1-1-2011
Текущий статус документа: действующий
Название документа рус.:Изделия медицинские электрические. Часть 1-1. Общие требования безопасности. Требования безопасности к медицинским электрическим системам
Название документа англ.:Medical electrical equipment. Part 1-1. General requirements for safety. Safety requirements for medical electrical systems
Дата актуализации текста:01.12.2013
Дата издания:15.10.2013
Дата введения:01.01.2013
Дата последнего изменения:21.11.2013
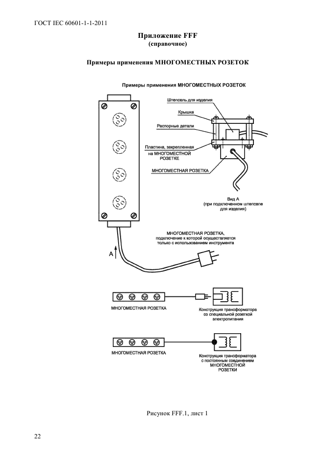
Область применения:Настоящий дополнительный стандарт распространяется на безопасность медицинских электрических систем, согласно определению в 2.201. В стандарте приведены требования безопасности с целью обеспечить защиту пациента, оператора и окружающих
ГОСТ IEC 60601-1-1-2011ГОСТ IEC 60601-1-1-2011ГОСТ IEC 60601-1-1-2011ГОСТ IEC 60601-1-1-2011ГОСТ IEC 60601-1-1-2011ГОСТ IEC 60601-1-1-2011ГОСТ IEC 60601-1-1-2011ГОСТ IEC 60601-1-1-2011ГОСТ IEC 60601-1-1-2011ГОСТ IEC 60601-1-1-2011ГОСТ IEC 60601-1-1-2011ГОСТ IEC 60601-1-1-2011ГОСТ IEC 60601-1-1-2011ГОСТ IEC 60601-1-1-2011ГОСТ IEC 60601-1-1-2011ГОСТ IEC 60601-1-1-2011ГОСТ IEC 60601-1-1-2011ГОСТ IEC 60601-1-1-2011ГОСТ IEC 60601-1-1-2011ГОСТ IEC 60601-1-1-2011ГОСТ IEC 60601-1-1-2011ГОСТ IEC 60601-1-1-2011ГОСТ IEC 60601-1-1-2011ГОСТ IEC 60601-1-1-2011ГОСТ IEC 60601-1-1-2011ГОСТ IEC 60601-1-1-2011ГОСТ IEC 60601-1-1-2011ГОСТ IEC 60601-1-1-2011ГОСТ IEC 60601-1-1-2011
 




ГОСТЫ, СТРОИТЕЛЬНЫЕ и ТЕХНИЧЕСКИЕ НОРМАТИВЫ.
Некоммерческая онлайн система, содержащая все Российские Госты, национальные Стандарты и нормативы.
В Системе содержится более 150000 файлов нормативно-технической документации, действующей на территории РФ.
Система предназначена для широкого круга инженерно-технических специалистов.

Рейтинг@Mail.ru Яндекс цитирования

Copyright © www.gostrf.com, 2008 - 2026