Крупнейшая бесплатная информационно-справочная система онлайн доступа к полному собранию технических нормативно-правовых актов РФ. Огромная база технических нормативов (более 150 тысяч документов) и полное собрание национальных стандартов, аутентичное официальной базе Госстандарта. GOSTRF.com - это более 1 Терабайта бесплатной технической информации для всех пользователей интернета. Все электронные копии представленных здесь документов могут распространяться без каких-либо ограничений. Поощряется распространение информации с этого сайта на любых других ресурсах. Каждый человек имеет право на неограниченный доступ к этим документам! Каждый человек имеет право на знание требований, изложенных в данных нормативно-правовых актах!

  


 

ГОСТ IEC 61210-2011

Устройства присоединительные. Зажимы плоские быстросоединяемые для медных электрических проводников. Требования безопасности

Обозначение:ГОСТ IEC 61210-2011
Текущий статус документа: действующий
Название документа рус.:Устройства присоединительные. Зажимы плоские быстросоединяемые для медных электрических проводников. Требования безопасности
Название документа англ.:Connecting devices. Flat quick-connect terminations for electrical copper conductors. Safety requirements
Дата актуализации текста:01.12.2013
Дата издания:02.09.2013
Дата введения:01.01.2013
Дата последнего изменения:16.10.2013
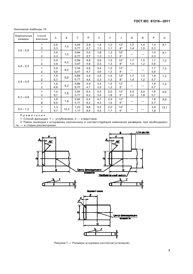
Область применения:Настоящий стандарт распространяется на плоские быстросоединяемые зажимы, состоящие из штыревого наконечника типоразмеров 2,8; 4,8; 6,3 и 9,5 мм и гнездового наконечника, используемые в качестве встроенного или составляющего единое целое с оборудованием или комплектующим узлом элемента, или самостоятельной части, предназначенные для присоединения медных электрических проводников в соответствии с инструкциями изготовителя
ГОСТ IEC 61210-2011ГОСТ IEC 61210-2011ГОСТ IEC 61210-2011ГОСТ IEC 61210-2011ГОСТ IEC 61210-2011ГОСТ IEC 61210-2011ГОСТ IEC 61210-2011ГОСТ IEC 61210-2011ГОСТ IEC 61210-2011ГОСТ IEC 61210-2011ГОСТ IEC 61210-2011ГОСТ IEC 61210-2011ГОСТ IEC 61210-2011ГОСТ IEC 61210-2011ГОСТ IEC 61210-2011ГОСТ IEC 61210-2011ГОСТ IEC 61210-2011ГОСТ IEC 61210-2011ГОСТ IEC 61210-2011ГОСТ IEC 61210-2011
 




ГОСТЫ, СТРОИТЕЛЬНЫЕ и ТЕХНИЧЕСКИЕ НОРМАТИВЫ.
Некоммерческая онлайн система, содержащая все Российские Госты, национальные Стандарты и нормативы.
В Системе содержится более 150000 файлов нормативно-технической документации, действующей на территории РФ.
Система предназначена для широкого круга инженерно-технических специалистов.

Рейтинг@Mail.ru Яндекс цитирования

Copyright © www.gostrf.com, 2008 - 2026