Крупнейшая бесплатная информационно-справочная система онлайн доступа к полному собранию технических нормативно-правовых актов РФ. Огромная база технических нормативов (более 150 тысяч документов) и полное собрание национальных стандартов, аутентичное официальной базе Госстандарта. GOSTRF.com - это более 1 Терабайта бесплатной технической информации для всех пользователей интернета. Все электронные копии представленных здесь документов могут распространяться без каких-либо ограничений. Поощряется распространение информации с этого сайта на любых других ресурсах. Каждый человек имеет право на неограниченный доступ к этим документам! Каждый человек имеет право на знание требований, изложенных в данных нормативно-правовых актах!

  


 

ГОСТ Р 54820-2011

Котлы отопительные. Правила испытаний котлов с дутьевыми горелками на жидком топливе

Обозначение:ГОСТ Р 54820-2011
Текущий статус документа: действующий
Название документа рус.:Котлы отопительные. Правила испытаний котлов с дутьевыми горелками на жидком топливе
Название документа англ.:Heating boilers. Test code for heating boilers for atomizing oil burners
Дата актуализации текста:01.12.2013
Дата издания:10.04.2013
Дата введения:01.01.2013
Дата последнего изменения:23.05.2013
Область применения:Правила испытаний применяются при определении тепловых характеристик отопительных котлов на жидком топливе и комбинированных котлов с водонагревателями. Требования к ним содержатся в ГОСТ Р 54440 и ГОСТ Р 54441.
Настоящий стандарт рассматривает или описывает требования и рекомендации по выполнению и оценке методик испытаний котлов, а также подробные сведения о технических условиях, при которых испытания должны проводиться
ГОСТ Р 54820-2011ГОСТ Р 54820-2011ГОСТ Р 54820-2011ГОСТ Р 54820-2011ГОСТ Р 54820-2011ГОСТ Р 54820-2011ГОСТ Р 54820-2011ГОСТ Р 54820-2011ГОСТ Р 54820-2011ГОСТ Р 54820-2011ГОСТ Р 54820-2011ГОСТ Р 54820-2011ГОСТ Р 54820-2011ГОСТ Р 54820-2011ГОСТ Р 54820-2011ГОСТ Р 54820-2011ГОСТ Р 54820-2011ГОСТ Р 54820-2011ГОСТ Р 54820-2011ГОСТ Р 54820-2011ГОСТ Р 54820-2011ГОСТ Р 54820-2011ГОСТ Р 54820-2011ГОСТ Р 54820-2011ГОСТ Р 54820-2011ГОСТ Р 54820-2011ГОСТ Р 54820-2011ГОСТ Р 54820-2011ГОСТ Р 54820-2011ГОСТ Р 54820-2011ГОСТ Р 54820-2011ГОСТ Р 54820-2011ГОСТ Р 54820-2011ГОСТ Р 54820-2011ГОСТ Р 54820-2011ГОСТ Р 54820-2011
 




ГОСТЫ, СТРОИТЕЛЬНЫЕ и ТЕХНИЧЕСКИЕ НОРМАТИВЫ.
Некоммерческая онлайн система, содержащая все Российские Госты, национальные Стандарты и нормативы.
В Системе содержится более 150000 файлов нормативно-технической документации, действующей на территории РФ.
Система предназначена для широкого круга инженерно-технических специалистов.

Рейтинг@Mail.ru Яндекс цитирования

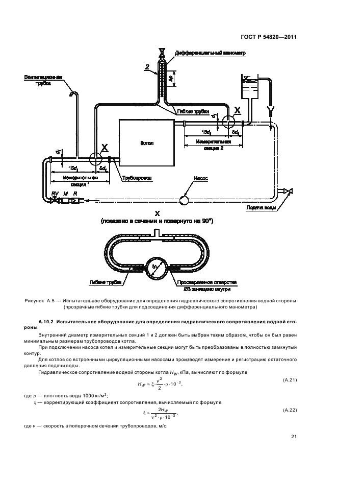
Copyright © www.gostrf.com, 2008 - 2026