Крупнейшая бесплатная информационно-справочная система онлайн доступа к полному собранию технических нормативно-правовых актов РФ. Огромная база технических нормативов (более 150 тысяч документов) и полное собрание национальных стандартов, аутентичное официальной базе Госстандарта. GOSTRF.com - это более 1 Терабайта бесплатной технической информации для всех пользователей интернета. Все электронные копии представленных здесь документов могут распространяться без каких-либо ограничений. Поощряется распространение информации с этого сайта на любых других ресурсах. Каждый человек имеет право на неограниченный доступ к этим документам! Каждый человек имеет право на знание требований, изложенных в данных нормативно-правовых актах!

  


 

ГОСТ Р 55182-2012

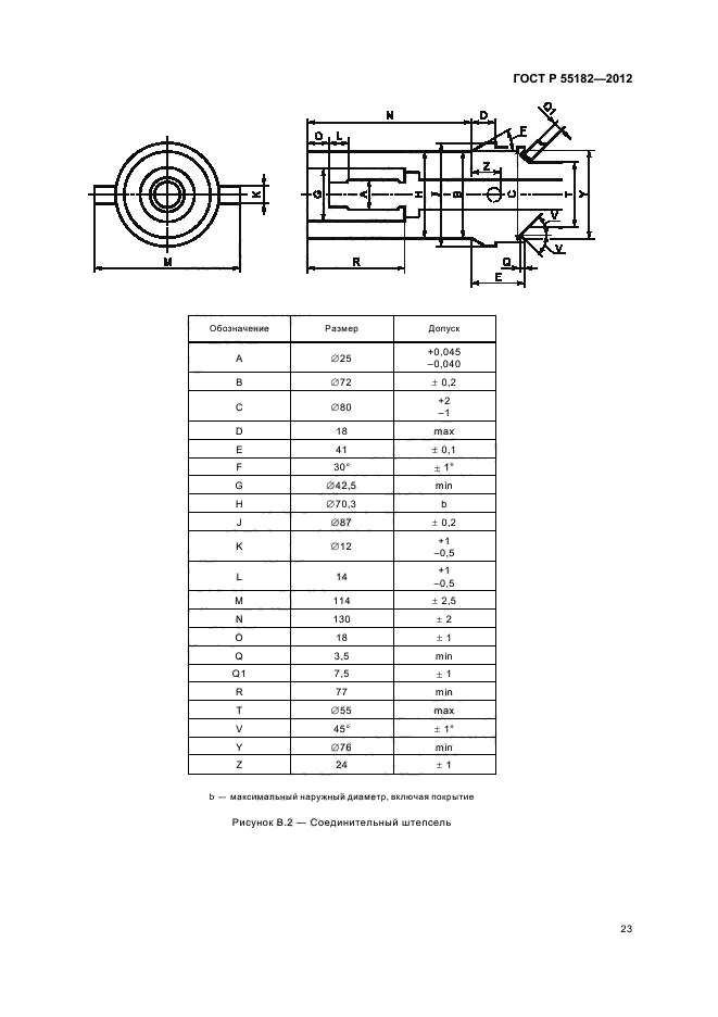
Вагоны пассажирские локомотивной тяги. Общие технические требования

Обозначение:ГОСТ Р 55182-2012
Текущий статус документа: принят
Название документа рус.:Вагоны пассажирские локомотивной тяги. Общие технические требования
Название документа англ.:Passenger cars on locomotive traction. General technical requirements
Дата актуализации текста:01.12.2013
Дата издания:23.08.2013
Дата введения:01.01.2014
Дата последнего изменения:18.03.2013
Взамен: в части общих технических требований (раздел 3) требований безопасности (раздел 4) и требований охраны окружающей среды (раздел 5)
Взамен в части: в части общих технических требований (раздел 3), требований безопасности (раздел 4) и требований охраны окружающей среды (раздел 5)
Область применения:Настоящий стандарт распространяется на пассажирские вагоны локомотивной тяги, предназначенные для эксплуатации как на электрифицированных, так и на неэлектрифицированных участках железной дороги колеи 1520 мм с конструкционными скоростями до 200 км/ч включительно, в том числе пассажирские вагоны международного сообщения с изменением ширины колеи и двухэтажные вагоны и устанавливает общие технические требования к ним
ГОСТ Р 55182-2012ГОСТ Р 55182-2012ГОСТ Р 55182-2012ГОСТ Р 55182-2012ГОСТ Р 55182-2012ГОСТ Р 55182-2012ГОСТ Р 55182-2012ГОСТ Р 55182-2012ГОСТ Р 55182-2012ГОСТ Р 55182-2012ГОСТ Р 55182-2012ГОСТ Р 55182-2012ГОСТ Р 55182-2012ГОСТ Р 55182-2012ГОСТ Р 55182-2012ГОСТ Р 55182-2012ГОСТ Р 55182-2012ГОСТ Р 55182-2012ГОСТ Р 55182-2012ГОСТ Р 55182-2012ГОСТ Р 55182-2012ГОСТ Р 55182-2012ГОСТ Р 55182-2012ГОСТ Р 55182-2012ГОСТ Р 55182-2012ГОСТ Р 55182-2012ГОСТ Р 55182-2012ГОСТ Р 55182-2012
 




ГОСТЫ, СТРОИТЕЛЬНЫЕ и ТЕХНИЧЕСКИЕ НОРМАТИВЫ.
Некоммерческая онлайн система, содержащая все Российские Госты, национальные Стандарты и нормативы.
В Системе содержится более 150000 файлов нормативно-технической документации, действующей на территории РФ.
Система предназначена для широкого круга инженерно-технических специалистов.

Рейтинг@Mail.ru Яндекс цитирования

Copyright © www.gostrf.com, 2008 - 2026