Крупнейшая бесплатная информационно-справочная система онлайн доступа к полному собранию технических нормативно-правовых актов РФ. Огромная база технических нормативов (более 150 тысяч документов) и полное собрание национальных стандартов, аутентичное официальной базе Госстандарта. GOSTRF.com - это более 1 Терабайта бесплатной технической информации для всех пользователей интернета. Все электронные копии представленных здесь документов могут распространяться без каких-либо ограничений. Поощряется распространение информации с этого сайта на любых других ресурсах. Каждый человек имеет право на неограниченный доступ к этим документам! Каждый человек имеет право на знание требований, изложенных в данных нормативно-правовых актах!

  


 

ГОСТ 30851.2.2-2002

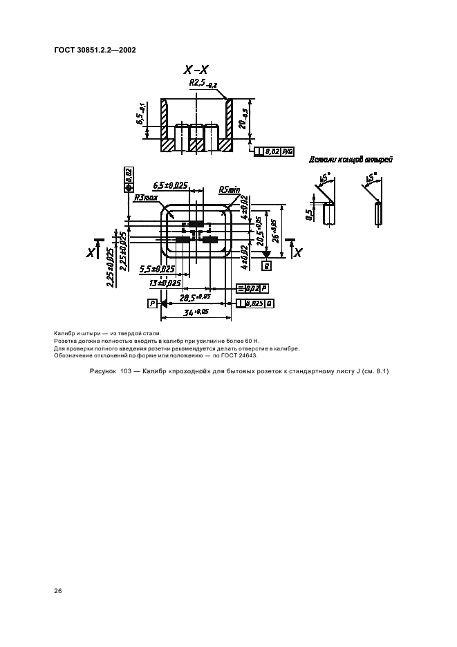
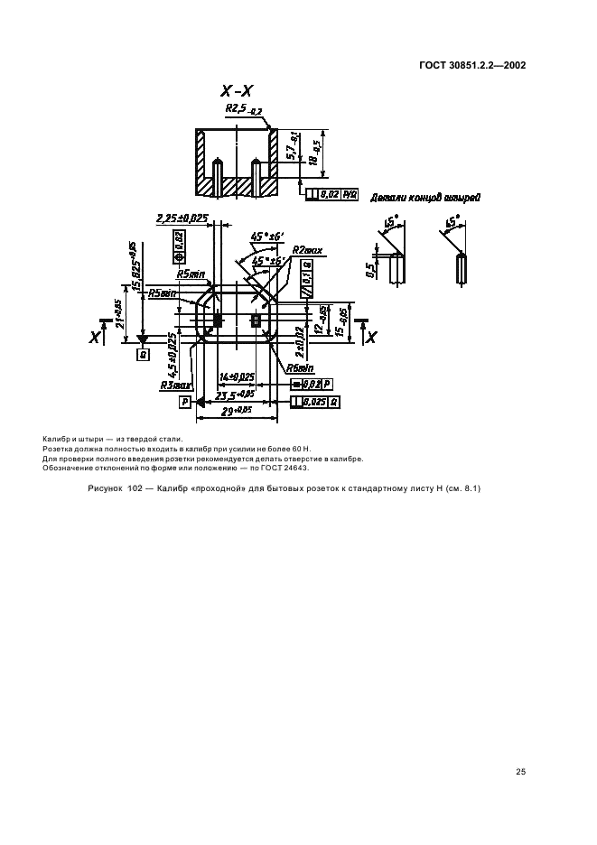
Соединители электрические бытового и аналогичного назначения. Часть 2-2. Дополнительные требования к вилкам и розеткам для взаимного соединения в приборах и методы испытаний

Обозначение:ГОСТ 30851.2.2-2002
Текущий статус документа: принят
Название документа рус.:Соединители электрические бытового и аналогичного назначения. Часть 2-2. Дополнительные требования к вилкам и розеткам для взаимного соединения в приборах и методы испытаний
Название документа англ.:Appliance couplers for household and similar general purposes. Part 2-2. Particular requirements for interconnection couplers for household and similar equipment. Requirements and methods of tests
Дата актуализации текста:01.12.2013
Дата введения:01.01.2014
Дата последнего изменения:15.07.2013
Область применения:Настоящий стандарт распротсраняется на вилки и розетки, предназначенные для присоединения гибкого провода с заземляющим контактом к бытовым и аналогичным приборам классов I и II на номинальное напряжение не выше 250 В, номинальный ток не более 16 А и частоту 50 или 60 Гц
ГОСТ 30851.2.2-2002ГОСТ 30851.2.2-2002ГОСТ 30851.2.2-2002ГОСТ 30851.2.2-2002ГОСТ 30851.2.2-2002ГОСТ 30851.2.2-2002ГОСТ 30851.2.2-2002ГОСТ 30851.2.2-2002ГОСТ 30851.2.2-2002ГОСТ 30851.2.2-2002ГОСТ 30851.2.2-2002ГОСТ 30851.2.2-2002ГОСТ 30851.2.2-2002ГОСТ 30851.2.2-2002ГОСТ 30851.2.2-2002ГОСТ 30851.2.2-2002ГОСТ 30851.2.2-2002ГОСТ 30851.2.2-2002ГОСТ 30851.2.2-2002ГОСТ 30851.2.2-2002ГОСТ 30851.2.2-2002ГОСТ 30851.2.2-2002ГОСТ 30851.2.2-2002ГОСТ 30851.2.2-2002ГОСТ 30851.2.2-2002ГОСТ 30851.2.2-2002ГОСТ 30851.2.2-2002ГОСТ 30851.2.2-2002ГОСТ 30851.2.2-2002ГОСТ 30851.2.2-2002ГОСТ 30851.2.2-2002ГОСТ 30851.2.2-2002
 




ГОСТЫ, СТРОИТЕЛЬНЫЕ и ТЕХНИЧЕСКИЕ НОРМАТИВЫ.
Некоммерческая онлайн система, содержащая все Российские Госты, национальные Стандарты и нормативы.
В Системе содержится более 150000 файлов нормативно-технической документации, действующей на территории РФ.
Система предназначена для широкого круга инженерно-технических специалистов.

Рейтинг@Mail.ru Яндекс цитирования

Copyright © www.gostrf.com, 2008 - 2026