Крупнейшая бесплатная информационно-справочная система онлайн доступа к полному собранию технических нормативно-правовых актов РФ. Огромная база технических нормативов (более 150 тысяч документов) и полное собрание национальных стандартов, аутентичное официальной базе Госстандарта. GOSTRF.com - это более 1 Терабайта бесплатной технической информации для всех пользователей интернета. Все электронные копии представленных здесь документов могут распространяться без каких-либо ограничений. Поощряется распространение информации с этого сайта на любых других ресурсах. Каждый человек имеет право на неограниченный доступ к этим документам! Каждый человек имеет право на знание требований, изложенных в данных нормативно-правовых актах!

  


 

ГОСТ 31196.3-2012

Предохранители плавкие низковольтные. Часть 3. Дополнительные требования к плавким предохранителям бытового и аналогичного назначения

Обозначение:ГОСТ 31196.3-2012
Текущий статус документа: принят
Название документа рус.:Предохранители плавкие низковольтные. Часть 3. Дополнительные требования к плавким предохранителям бытового и аналогичного назначения
Название документа англ.:Low-voltage fuses. Part 3. Supplementary requirements for fuses for use by unskilled persons
Дата актуализации текста:01.12.2013
Дата издания:19.09.2013
Дата введения:01.01.2014
Дата последнего изменения:16.10.2013
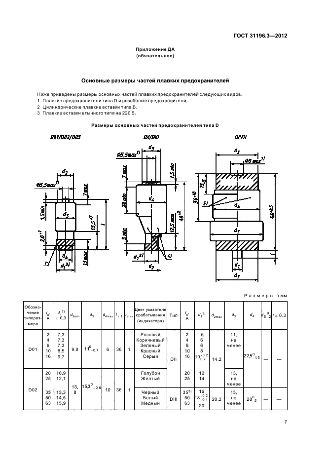
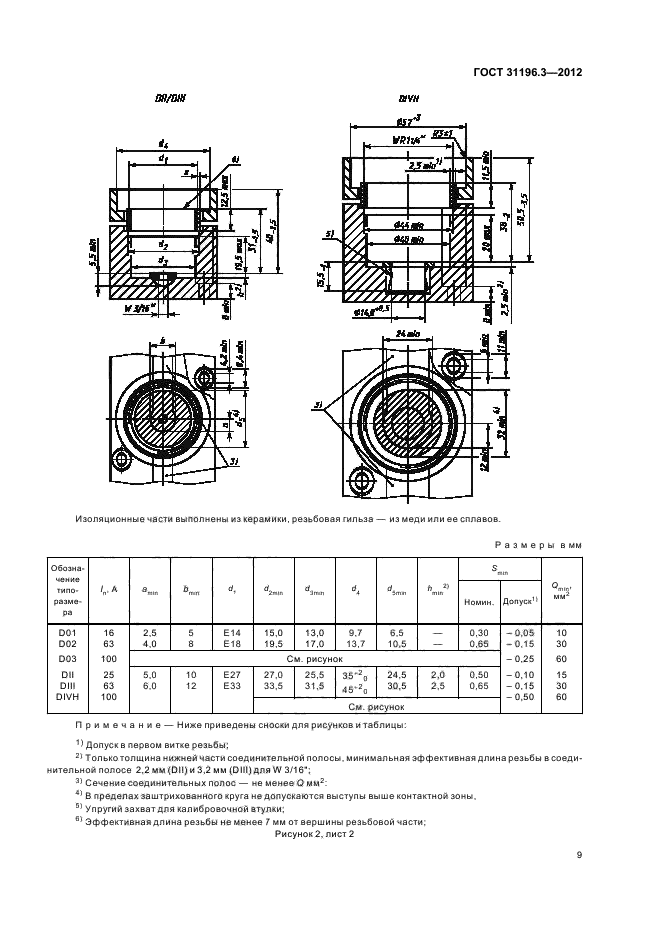
Область применения:Настоящий стандарт распространяется на плавкие предохранители бы-тового и аналогичного назначения, предназначенные для эксплуатации неквалифицированным персоналом (далее - плавкие предохранители), и устанавливает нормы, правила и методы испытаний, которые дополняют, изменяют или исключают соответствующие разделы и (или) пункты ГОСТ 31196.0
ГОСТ 31196.3-2012ГОСТ 31196.3-2012ГОСТ 31196.3-2012ГОСТ 31196.3-2012ГОСТ 31196.3-2012ГОСТ 31196.3-2012ГОСТ 31196.3-2012ГОСТ 31196.3-2012ГОСТ 31196.3-2012ГОСТ 31196.3-2012ГОСТ 31196.3-2012ГОСТ 31196.3-2012ГОСТ 31196.3-2012ГОСТ 31196.3-2012ГОСТ 31196.3-2012ГОСТ 31196.3-2012ГОСТ 31196.3-2012ГОСТ 31196.3-2012ГОСТ 31196.3-2012ГОСТ 31196.3-2012ГОСТ 31196.3-2012ГОСТ 31196.3-2012ГОСТ 31196.3-2012ГОСТ 31196.3-2012
 




ГОСТЫ, СТРОИТЕЛЬНЫЕ и ТЕХНИЧЕСКИЕ НОРМАТИВЫ.
Некоммерческая онлайн система, содержащая все Российские Госты, национальные Стандарты и нормативы.
В Системе содержится более 150000 файлов нормативно-технической документации, действующей на территории РФ.
Система предназначена для широкого круга инженерно-технических специалистов.

Рейтинг@Mail.ru Яндекс цитирования

Copyright © www.gostrf.com, 2008 - 2026