Крупнейшая бесплатная информационно-справочная система онлайн доступа к полному собранию технических нормативно-правовых актов РФ. Огромная база технических нормативов (более 150 тысяч документов) и полное собрание национальных стандартов, аутентичное официальной базе Госстандарта. GOSTRF.com - это более 1 Терабайта бесплатной технической информации для всех пользователей интернета. Все электронные копии представленных здесь документов могут распространяться без каких-либо ограничений. Поощряется распространение информации с этого сайта на любых других ресурсах. Каждый человек имеет право на неограниченный доступ к этим документам! Каждый человек имеет право на знание требований, изложенных в данных нормативно-правовых актах!

  


 

ГОСТ Р ИСО/МЭК 7816-2-2002

Информационная технология. Карты идентификационные. Карты на интегральных схемах с контактами. Часть 2. Размеры и расположение контактов

Обозначение:ГОСТ Р ИСО/МЭК 7816-2-2002
Текущий статус документа: заменён
Название документа рус.:Информационная технология. Карты идентификационные. Карты на интегральных схемах с контактами. Часть 2. Размеры и расположение контактов
Название документа англ.:Information technology. Identification cards. Integrated circuit(s) cards with contacts. Part 2. Dimensions and location of the contacts
Дата актуализации текста:01.12.2013
Дата издания:14.06.2002
Дата введения:01.01.2003
Дата последнего изменения:22.05.2013
Дата окончания срока действия:01.07.2011
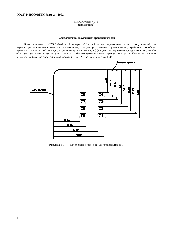
Область применения:Настоящий стандарт устанавливает размеры, расположение и назначение каждого контакта на картах формата ID-1 по ГОСТ Р ИСО/МЭК 7810, имеющих интегральную(ые) схему(ы) с контактами.
Настоящий стандарт - один из серии стандартов, описывающих параметры и пременение карт на интегральных схемах с контактами.
Такие карты представляют собой идентификационные карты, предназначенные для обмена информацией путем диалога между внешним источником и интегральной схемой карты. В результате обмена информацией карта поставляет определенные сведения (результаты вычислений, хранимые данные) и (или) изменяет свое содержимое (память данных, память событий)
ГОСТ Р ИСО/МЭК 7816-2-2002ГОСТ Р ИСО/МЭК 7816-2-2002ГОСТ Р ИСО/МЭК 7816-2-2002ГОСТ Р ИСО/МЭК 7816-2-2002ГОСТ Р ИСО/МЭК 7816-2-2002ГОСТ Р ИСО/МЭК 7816-2-2002ГОСТ Р ИСО/МЭК 7816-2-2002ГОСТ Р ИСО/МЭК 7816-2-2002ГОСТ Р ИСО/МЭК 7816-2-2002
 




ГОСТЫ, СТРОИТЕЛЬНЫЕ и ТЕХНИЧЕСКИЕ НОРМАТИВЫ.
Некоммерческая онлайн система, содержащая все Российские Госты, национальные Стандарты и нормативы.
В Системе содержится более 150000 файлов нормативно-технической документации, действующей на территории РФ.
Система предназначена для широкого круга инженерно-технических специалистов.

Рейтинг@Mail.ru Яндекс цитирования

Copyright © www.gostrf.com, 2008 - 2026