Крупнейшая бесплатная информационно-справочная система онлайн доступа к полному собранию технических нормативно-правовых актов РФ. Огромная база технических нормативов (более 150 тысяч документов) и полное собрание национальных стандартов, аутентичное официальной базе Госстандарта. GOSTRF.com - это более 1 Терабайта бесплатной технической информации для всех пользователей интернета. Все электронные копии представленных здесь документов могут распространяться без каких-либо ограничений. Поощряется распространение информации с этого сайта на любых других ресурсах. Каждый человек имеет право на неограниченный доступ к этим документам! Каждый человек имеет право на знание требований, изложенных в данных нормативно-правовых актах!

  


 

ГОСТ 5147-97

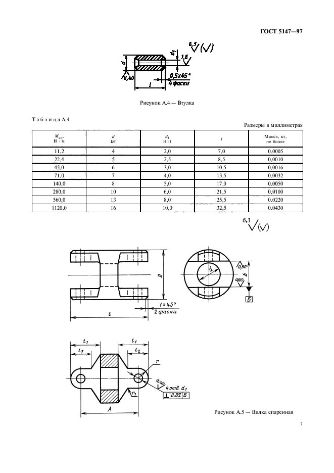
Муфты шарнирные. Параметры, конструкция и размеры

Обозначение:ГОСТ 5147-97
Текущий статус документа: действующий
Название документа рус.:Муфты шарнирные. Параметры, конструкция и размеры
Название документа англ.:Joint couplings. Parameters, design and dimensions
Дата актуализации текста:01.12.2013
Дата издания:21.09.2001
Дата введения:01.01.2002
Дата последнего изменения:22.05.2013
Область применения:Настоящий стандарт распространяется на малогабаритные шарнирные муфты общемашиностроительного применения, климатических исполнений У и Т, категорий 1-3, климатических исполнений УХЛ и О, категории 4 по ГОСТ 15150, предназначенные для соединения цилиндрических валов, которые устанавливают под углом до 45 град., и передачи крутящего момента от 11,2 до 1120 Н.м без смягчения динамических нагрузок
ГОСТ 5147-97ГОСТ 5147-97ГОСТ 5147-97ГОСТ 5147-97ГОСТ 5147-97ГОСТ 5147-97ГОСТ 5147-97ГОСТ 5147-97ГОСТ 5147-97ГОСТ 5147-97ГОСТ 5147-97ГОСТ 5147-97
 




ГОСТЫ, СТРОИТЕЛЬНЫЕ и ТЕХНИЧЕСКИЕ НОРМАТИВЫ.
Некоммерческая онлайн система, содержащая все Российские Госты, национальные Стандарты и нормативы.
В Системе содержится более 150000 файлов нормативно-технической документации, действующей на территории РФ.
Система предназначена для широкого круга инженерно-технических специалистов.

Рейтинг@Mail.ru Яндекс цитирования

Copyright © www.gostrf.com, 2008 - 2026