Крупнейшая бесплатная информационно-справочная система онлайн доступа к полному собранию технических нормативно-правовых актов РФ. Огромная база технических нормативов (более 150 тысяч документов) и полное собрание национальных стандартов, аутентичное официальной базе Госстандарта. GOSTRF.com - это более 1 Терабайта бесплатной технической информации для всех пользователей интернета. Все электронные копии представленных здесь документов могут распространяться без каких-либо ограничений. Поощряется распространение информации с этого сайта на любых других ресурсах. Каждый человек имеет право на неограниченный доступ к этим документам! Каждый человек имеет право на знание требований, изложенных в данных нормативно-правовых актах!

  


 

ГОСТ Р МЭК 335-1-94

Безопасность бытовых и аналогичных электрических приборов. Общие требования и методы испытаний

Обозначение:ГОСТ Р МЭК 335-1-94
Текущий статус документа: отменён
Название документа рус.:Безопасность бытовых и аналогичных электрических приборов. Общие требования и методы испытаний
Название документа англ.:Safety of household and similar electrical appliances. General requirements and test methods
Дата актуализации текста:01.12.2013
Дата издания:01.03.2008
Дата введения:01.01.1995
Дата последнего изменения:11.09.2013
Дата окончания срока действия:01.09.2013
Переиздание:переиздание с изм. 1
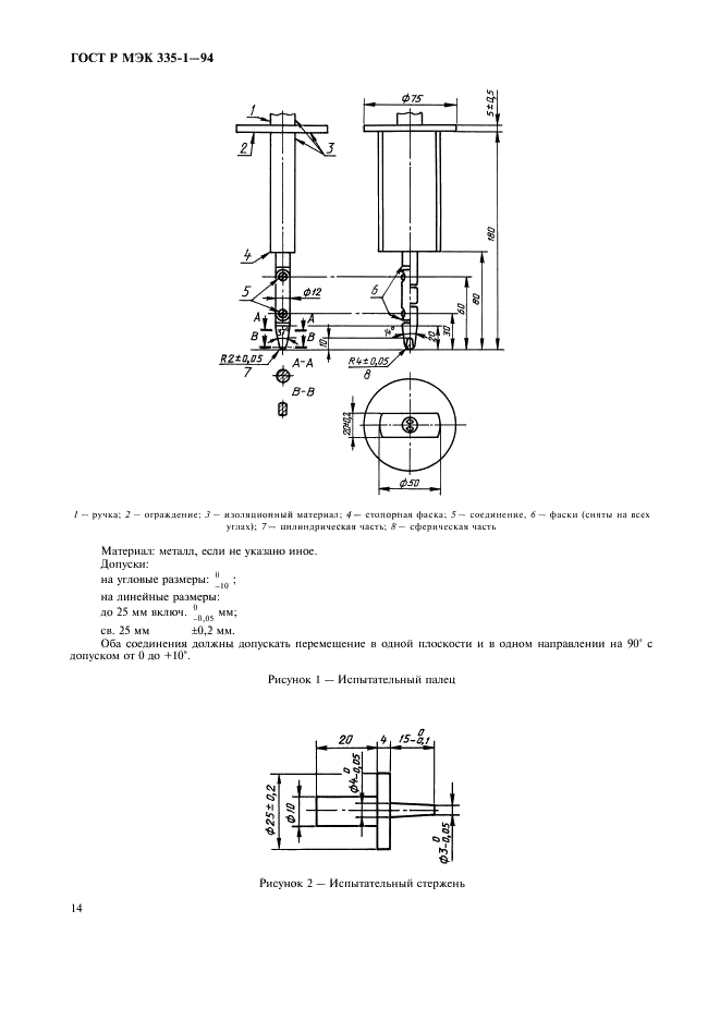
Область применения:Настоящий стандарт распространяется на электромеханические и электронагревательные приборы и приборы с магнитным приводом для бытового и аналогичного применения с номинальным напряжением питания до 250 В для однофазных приборов переменного тока и 480 В - для других приборов.
Приборы, не предназначенные для бытового применения, но которые могут быть источником опасности для людей, например приборы, используемые неспециалистами в магазинах, в легкой промышленности и на фермах, входят в область распространения настоящего стандарта.
Настоящий стандарт устанавливает основные виды опасности приборов, с которыми люди сталкиваются внутри и вне дома
Список изменений:№0 от 06.06.2002 (рег. 06.06.2002) «Дата введения перенесена»
№0 от 01.09.2013 (рег. 27.12.2012) «Текстовое изменение; Изменено заглавие»
№1 от 01.05.1998 (рег. 23.12.1997) «Срок действия продлен»
№2 от 01.01.2002 (рег. 08.10.2001) «Текстовое изменение; Изменены ссылочные НД»
Приложение №1:Изменение №2 к ГОСТ Р МЭК 335-1-94
Приложение №2:Поправка к ГОСТ Р МЭК 335-1-94
ГОСТ Р МЭК 335-1-94ГОСТ Р МЭК 335-1-94ГОСТ Р МЭК 335-1-94ГОСТ Р МЭК 335-1-94ГОСТ Р МЭК 335-1-94ГОСТ Р МЭК 335-1-94ГОСТ Р МЭК 335-1-94ГОСТ Р МЭК 335-1-94ГОСТ Р МЭК 335-1-94ГОСТ Р МЭК 335-1-94ГОСТ Р МЭК 335-1-94ГОСТ Р МЭК 335-1-94ГОСТ Р МЭК 335-1-94ГОСТ Р МЭК 335-1-94ГОСТ Р МЭК 335-1-94ГОСТ Р МЭК 335-1-94ГОСТ Р МЭК 335-1-94ГОСТ Р МЭК 335-1-94ГОСТ Р МЭК 335-1-94ГОСТ Р МЭК 335-1-94ГОСТ Р МЭК 335-1-94ГОСТ Р МЭК 335-1-94ГОСТ Р МЭК 335-1-94ГОСТ Р МЭК 335-1-94ГОСТ Р МЭК 335-1-94ГОСТ Р МЭК 335-1-94ГОСТ Р МЭК 335-1-94ГОСТ Р МЭК 335-1-94ГОСТ Р МЭК 335-1-94ГОСТ Р МЭК 335-1-94ГОСТ Р МЭК 335-1-94ГОСТ Р МЭК 335-1-94ГОСТ Р МЭК 335-1-94ГОСТ Р МЭК 335-1-94ГОСТ Р МЭК 335-1-94ГОСТ Р МЭК 335-1-94ГОСТ Р МЭК 335-1-94ГОСТ Р МЭК 335-1-94ГОСТ Р МЭК 335-1-94ГОСТ Р МЭК 335-1-94ГОСТ Р МЭК 335-1-94ГОСТ Р МЭК 335-1-94ГОСТ Р МЭК 335-1-94ГОСТ Р МЭК 335-1-94ГОСТ Р МЭК 335-1-94ГОСТ Р МЭК 335-1-94ГОСТ Р МЭК 335-1-94ГОСТ Р МЭК 335-1-94ГОСТ Р МЭК 335-1-94ГОСТ Р МЭК 335-1-94ГОСТ Р МЭК 335-1-94ГОСТ Р МЭК 335-1-94ГОСТ Р МЭК 335-1-94ГОСТ Р МЭК 335-1-94ГОСТ Р МЭК 335-1-94ГОСТ Р МЭК 335-1-94ГОСТ Р МЭК 335-1-94ГОСТ Р МЭК 335-1-94ГОСТ Р МЭК 335-1-94ГОСТ Р МЭК 335-1-94ГОСТ Р МЭК 335-1-94ГОСТ Р МЭК 335-1-94ГОСТ Р МЭК 335-1-94ГОСТ Р МЭК 335-1-94ГОСТ Р МЭК 335-1-94ГОСТ Р МЭК 335-1-94ГОСТ Р МЭК 335-1-94ГОСТ Р МЭК 335-1-94ГОСТ Р МЭК 335-1-94ГОСТ Р МЭК 335-1-94ГОСТ Р МЭК 335-1-94ГОСТ Р МЭК 335-1-94ГОСТ Р МЭК 335-1-94ГОСТ Р МЭК 335-1-94ГОСТ Р МЭК 335-1-94ГОСТ Р МЭК 335-1-94ГОСТ Р МЭК 335-1-94ГОСТ Р МЭК 335-1-94ГОСТ Р МЭК 335-1-94ГОСТ Р МЭК 335-1-94ГОСТ Р МЭК 335-1-94ГОСТ Р МЭК 335-1-94ГОСТ Р МЭК 335-1-94ГОСТ Р МЭК 335-1-94ГОСТ Р МЭК 335-1-94ГОСТ Р МЭК 335-1-94ГОСТ Р МЭК 335-1-94ГОСТ Р МЭК 335-1-94ГОСТ Р МЭК 335-1-94ГОСТ Р МЭК 335-1-94ГОСТ Р МЭК 335-1-94ГОСТ Р МЭК 335-1-94ГОСТ Р МЭК 335-1-94ГОСТ Р МЭК 335-1-94

Изменение №2 к ГОСТ Р МЭК 335-1-94

Обозначение:Изменение №2 к ГОСТ Р МЭК 335-1-94
Дата введения:01.01.2002


Изменение №2 к ГОСТ Р МЭК 335-1-94Изменение №2 к ГОСТ Р МЭК 335-1-94Изменение №2 к ГОСТ Р МЭК 335-1-94Изменение №2 к ГОСТ Р МЭК 335-1-94Изменение №2 к ГОСТ Р МЭК 335-1-94Изменение №2 к ГОСТ Р МЭК 335-1-94Изменение №2 к ГОСТ Р МЭК 335-1-94Изменение №2 к ГОСТ Р МЭК 335-1-94Изменение №2 к ГОСТ Р МЭК 335-1-94Изменение №2 к ГОСТ Р МЭК 335-1-94Изменение №2 к ГОСТ Р МЭК 335-1-94Изменение №2 к ГОСТ Р МЭК 335-1-94Изменение №2 к ГОСТ Р МЭК 335-1-94Изменение №2 к ГОСТ Р МЭК 335-1-94Изменение №2 к ГОСТ Р МЭК 335-1-94Изменение №2 к ГОСТ Р МЭК 335-1-94Изменение №2 к ГОСТ Р МЭК 335-1-94Изменение №2 к ГОСТ Р МЭК 335-1-94Изменение №2 к ГОСТ Р МЭК 335-1-94Изменение №2 к ГОСТ Р МЭК 335-1-94Изменение №2 к ГОСТ Р МЭК 335-1-94Изменение №2 к ГОСТ Р МЭК 335-1-94

Поправка к ГОСТ Р МЭК 335-1-94

Обозначение:Поправка к ГОСТ Р МЭК 335-1-94
Дата введения:06.06.2002


Поправка к ГОСТ Р МЭК 335-1-94
 




ГОСТЫ, СТРОИТЕЛЬНЫЕ и ТЕХНИЧЕСКИЕ НОРМАТИВЫ.
Некоммерческая онлайн система, содержащая все Российские Госты, национальные Стандарты и нормативы.
В Системе содержится более 150000 файлов нормативно-технической документации, действующей на территории РФ.
Система предназначена для широкого круга инженерно-технических специалистов.

Рейтинг@Mail.ru Яндекс цитирования

Copyright © www.gostrf.com, 2008 - 2026