Крупнейшая бесплатная информационно-справочная система онлайн доступа к полному собранию технических нормативно-правовых актов РФ. Огромная база технических нормативов (более 150 тысяч документов) и полное собрание национальных стандартов, аутентичное официальной базе Госстандарта. GOSTRF.com - это более 1 Терабайта бесплатной технической информации для всех пользователей интернета. Все электронные копии представленных здесь документов могут распространяться без каких-либо ограничений. Поощряется распространение информации с этого сайта на любых других ресурсах. Каждый человек имеет право на неограниченный доступ к этим документам! Каждый человек имеет право на знание требований, изложенных в данных нормативно-правовых актах!

  


 

ГОСТ 14919-83

Электроплиты, электроплитки и жарочные электрошкафы бытовые. Общие технические условия

Обозначение:ГОСТ 14919-83
Текущий статус документа: действующий
Название документа рус.:Электроплиты, электроплитки и жарочные электрошкафы бытовые. Общие технические условия
Название документа англ.:Household electric cooking ranges, cooking plates and cooking ovens. General specifications
Дата актуализации текста:01.12.2013
Дата издания:01.02.2002
Дата введения:30.06.1984
Дата последнего изменения:22.05.2013
Переиздание:переиздание с изм. 1
Взамен:
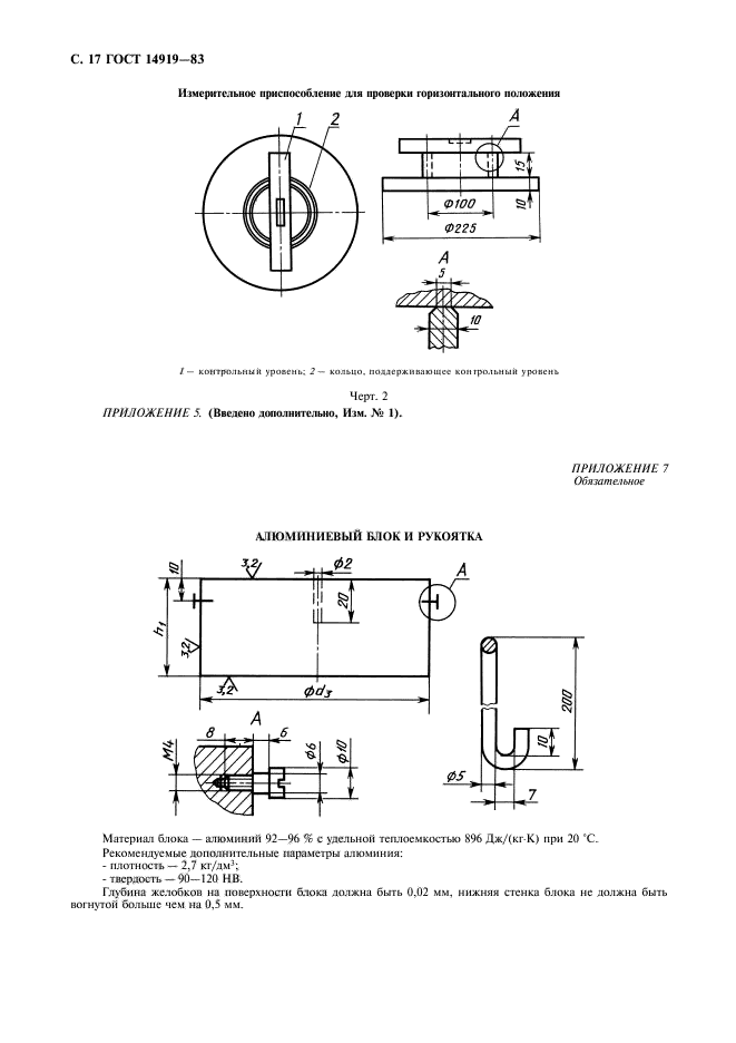
Область применения:Настоящий стандарт распространяется на электроплиты, электроплитки и жарочные электрошкафы бытового назначения исполнения УХЛ 4 по ГОСТ 15150, изготовляемые для нужд народного хозяйства и экспорта.
Настоящий стандарт не распространяется на жарочные электрошкафы простейшего типа “электродуховка“
Список изменений:№1 от 01.01.1985 (рег. 29.04.1984) «Срок действия продлен»
№2 от 01.02.1985 (рег. 25.10.1984) «Срок действия продлен»
№3 от 01.07.1987 (рег. 26.06.1986) «Срок действия продлен»
№4 от 01.01.1990 (рег. 19.12.1988) «Срок действия продлен»
№5 от 01.07.1991 (рег. 25.01.1991) «Срок действия продлен»
№6 от 01.01.1997 (рег. 24.12.1996) «Срок действия продлен»
№7 от 01.03.1999 (рег. 28.12.1998) «Срок действия продлен»
ГОСТ 14919-83ГОСТ 14919-83ГОСТ 14919-83ГОСТ 14919-83ГОСТ 14919-83ГОСТ 14919-83ГОСТ 14919-83ГОСТ 14919-83ГОСТ 14919-83ГОСТ 14919-83ГОСТ 14919-83ГОСТ 14919-83ГОСТ 14919-83ГОСТ 14919-83ГОСТ 14919-83ГОСТ 14919-83ГОСТ 14919-83ГОСТ 14919-83ГОСТ 14919-83ГОСТ 14919-83ГОСТ 14919-83ГОСТ 14919-83ГОСТ 14919-83ГОСТ 14919-83
 




ГОСТЫ, СТРОИТЕЛЬНЫЕ и ТЕХНИЧЕСКИЕ НОРМАТИВЫ.
Некоммерческая онлайн система, содержащая все Российские Госты, национальные Стандарты и нормативы.
В Системе содержится более 150000 файлов нормативно-технической документации, действующей на территории РФ.
Система предназначена для широкого круга инженерно-технических специалистов.

Рейтинг@Mail.ru Яндекс цитирования

Copyright © www.gostrf.com, 2008 - 2026