Крупнейшая бесплатная информационно-справочная система онлайн доступа к полному собранию технических нормативно-правовых актов РФ. Огромная база технических нормативов (более 150 тысяч документов) и полное собрание национальных стандартов, аутентичное официальной базе Госстандарта. GOSTRF.com - это более 1 Терабайта бесплатной технической информации для всех пользователей интернета. Все электронные копии представленных здесь документов могут распространяться без каких-либо ограничений. Поощряется распространение информации с этого сайта на любых других ресурсах. Каждый человек имеет право на неограниченный доступ к этим документам! Каждый человек имеет право на знание требований, изложенных в данных нормативно-правовых актах!

  


 

ГОСТ 16350-80

Климат СССР. Районирование и статистические параметры климатических факторов для технических целей

Обозначение:ГОСТ 16350-80
Текущий статус документа: действующий
Название документа рус.:Климат СССР. Районирование и статистические параметры климатических факторов для технических целей
Название документа англ.:Climate of the USSR. Regionalizing and statistical parameters of climatic factors for technical purposes
Дата актуализации текста:01.12.2013
Дата издания:09.04.1981
Дата введения:30.06.1981
Дата последнего изменения:23.05.2013
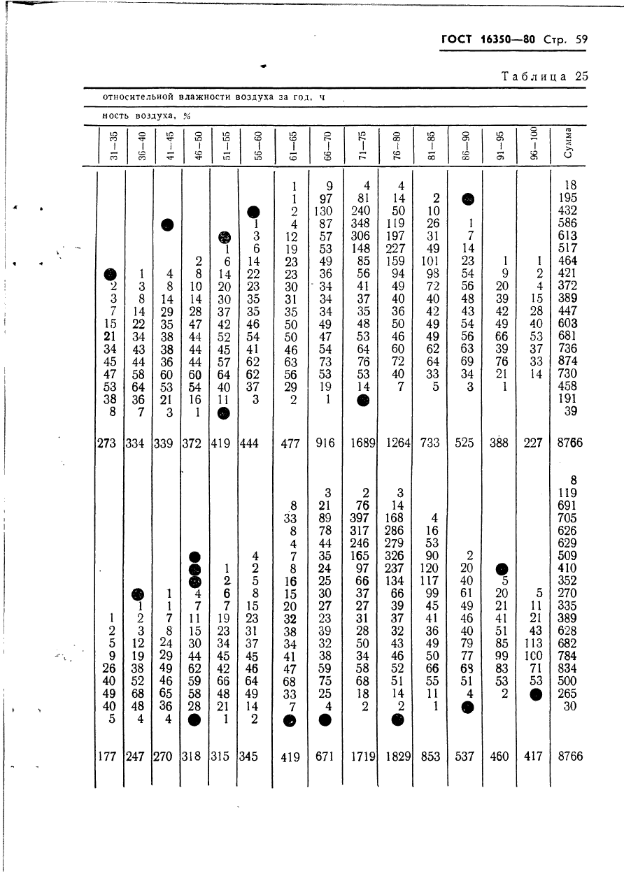
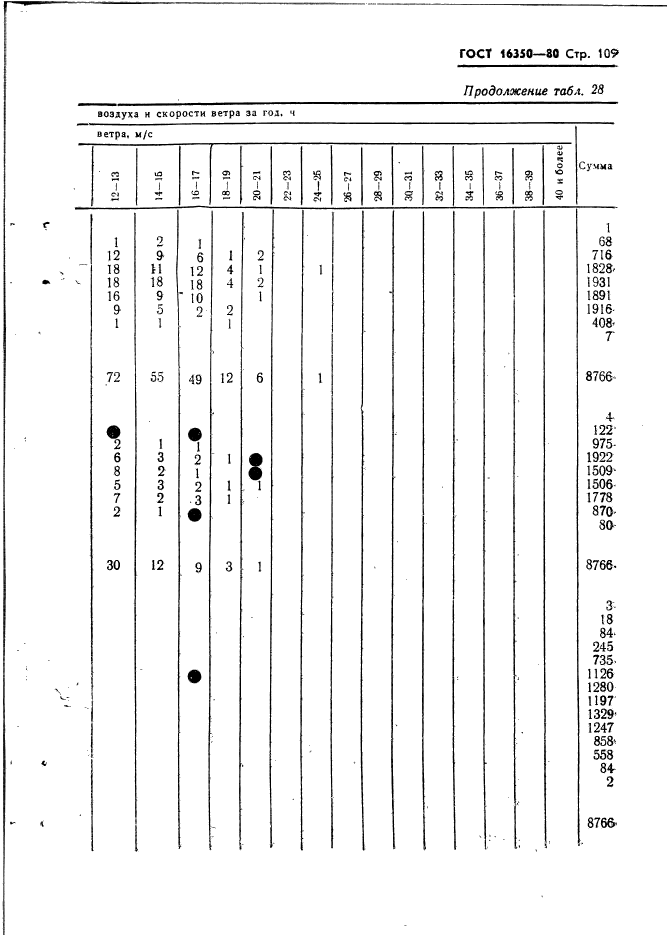
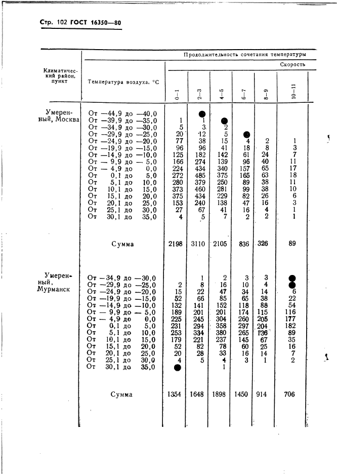
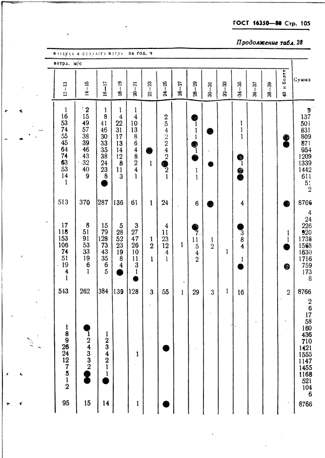
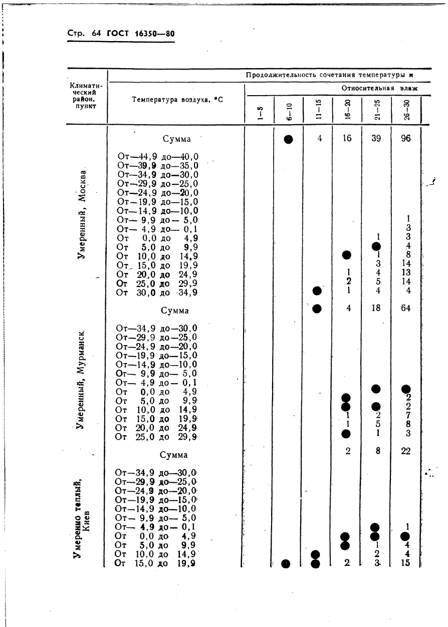
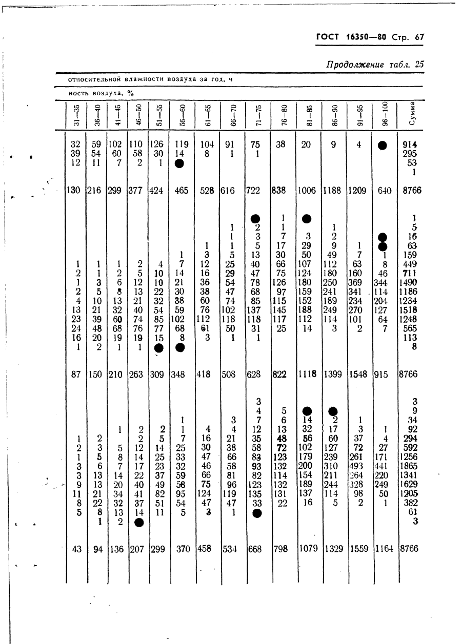
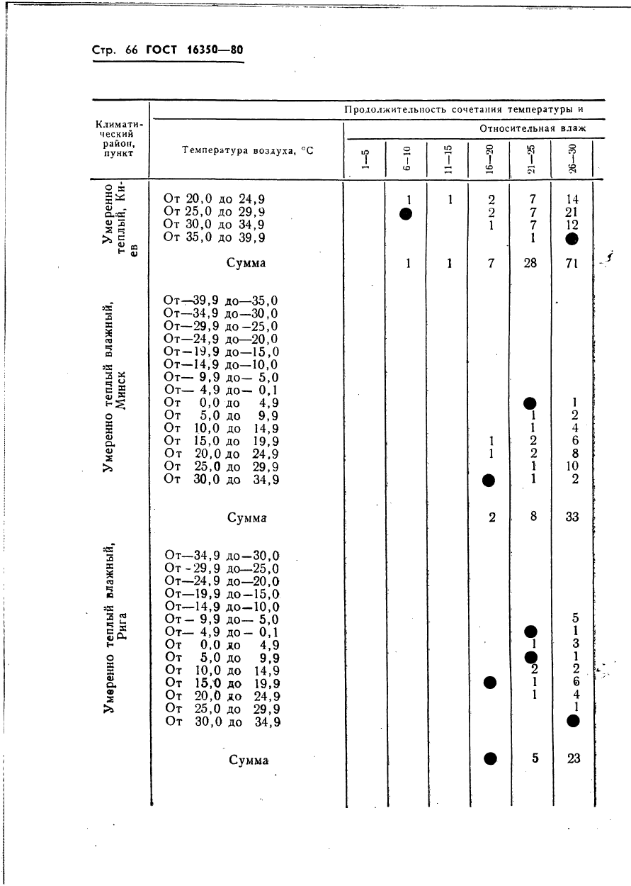
Область применения:Настоящий стандарт устанавливает климатическое районирование территории СССР и статистические параметры климатических факторов, которые должны использоваться при установлении технических требований, выборе режимов испытаний, правил эксплуатации, хранения, транспортирования всех видов машин, приборов и других технических изделий, предназначенных для эксплуатации в одном из климатических районов, установленных настоящим стандартом
ГОСТ 16350-80ГОСТ 16350-80ГОСТ 16350-80ГОСТ 16350-80ГОСТ 16350-80ГОСТ 16350-80ГОСТ 16350-80ГОСТ 16350-80ГОСТ 16350-80ГОСТ 16350-80ГОСТ 16350-80ГОСТ 16350-80ГОСТ 16350-80ГОСТ 16350-80ГОСТ 16350-80ГОСТ 16350-80ГОСТ 16350-80ГОСТ 16350-80ГОСТ 16350-80ГОСТ 16350-80ГОСТ 16350-80ГОСТ 16350-80ГОСТ 16350-80ГОСТ 16350-80ГОСТ 16350-80ГОСТ 16350-80ГОСТ 16350-80ГОСТ 16350-80ГОСТ 16350-80ГОСТ 16350-80ГОСТ 16350-80ГОСТ 16350-80ГОСТ 16350-80ГОСТ 16350-80ГОСТ 16350-80ГОСТ 16350-80ГОСТ 16350-80ГОСТ 16350-80ГОСТ 16350-80ГОСТ 16350-80ГОСТ 16350-80ГОСТ 16350-80ГОСТ 16350-80ГОСТ 16350-80ГОСТ 16350-80ГОСТ 16350-80ГОСТ 16350-80ГОСТ 16350-80ГОСТ 16350-80ГОСТ 16350-80ГОСТ 16350-80ГОСТ 16350-80ГОСТ 16350-80ГОСТ 16350-80ГОСТ 16350-80ГОСТ 16350-80ГОСТ 16350-80ГОСТ 16350-80ГОСТ 16350-80ГОСТ 16350-80ГОСТ 16350-80ГОСТ 16350-80ГОСТ 16350-80ГОСТ 16350-80ГОСТ 16350-80ГОСТ 16350-80ГОСТ 16350-80ГОСТ 16350-80ГОСТ 16350-80ГОСТ 16350-80ГОСТ 16350-80ГОСТ 16350-80ГОСТ 16350-80ГОСТ 16350-80ГОСТ 16350-80ГОСТ 16350-80ГОСТ 16350-80ГОСТ 16350-80ГОСТ 16350-80ГОСТ 16350-80ГОСТ 16350-80ГОСТ 16350-80ГОСТ 16350-80ГОСТ 16350-80ГОСТ 16350-80ГОСТ 16350-80ГОСТ 16350-80ГОСТ 16350-80ГОСТ 16350-80ГОСТ 16350-80ГОСТ 16350-80ГОСТ 16350-80ГОСТ 16350-80ГОСТ 16350-80ГОСТ 16350-80ГОСТ 16350-80ГОСТ 16350-80ГОСТ 16350-80ГОСТ 16350-80ГОСТ 16350-80ГОСТ 16350-80ГОСТ 16350-80ГОСТ 16350-80ГОСТ 16350-80ГОСТ 16350-80ГОСТ 16350-80ГОСТ 16350-80ГОСТ 16350-80ГОСТ 16350-80ГОСТ 16350-80ГОСТ 16350-80ГОСТ 16350-80ГОСТ 16350-80ГОСТ 16350-80ГОСТ 16350-80ГОСТ 16350-80ГОСТ 16350-80ГОСТ 16350-80ГОСТ 16350-80ГОСТ 16350-80ГОСТ 16350-80ГОСТ 16350-80ГОСТ 16350-80ГОСТ 16350-80ГОСТ 16350-80ГОСТ 16350-80ГОСТ 16350-80ГОСТ 16350-80ГОСТ 16350-80ГОСТ 16350-80ГОСТ 16350-80ГОСТ 16350-80ГОСТ 16350-80ГОСТ 16350-80ГОСТ 16350-80ГОСТ 16350-80ГОСТ 16350-80ГОСТ 16350-80ГОСТ 16350-80ГОСТ 16350-80ГОСТ 16350-80ГОСТ 16350-80ГОСТ 16350-80ГОСТ 16350-80ГОСТ 16350-80ГОСТ 16350-80ГОСТ 16350-80ГОСТ 16350-80ГОСТ 16350-80
 




ГОСТЫ, СТРОИТЕЛЬНЫЕ и ТЕХНИЧЕСКИЕ НОРМАТИВЫ.
Некоммерческая онлайн система, содержащая все Российские Госты, национальные Стандарты и нормативы.
В Системе содержится более 150000 файлов нормативно-технической документации, действующей на территории РФ.
Система предназначена для широкого круга инженерно-технических специалистов.

Рейтинг@Mail.ru Яндекс цитирования

Copyright © www.gostrf.com, 2008 - 2026