Крупнейшая бесплатная информационно-справочная система онлайн доступа к полному собранию технических нормативно-правовых актов РФ. Огромная база технических нормативов (более 150 тысяч документов) и полное собрание национальных стандартов, аутентичное официальной базе Госстандарта. GOSTRF.com - это более 1 Терабайта бесплатной технической информации для всех пользователей интернета. Все электронные копии представленных здесь документов могут распространяться без каких-либо ограничений. Поощряется распространение информации с этого сайта на любых других ресурсах. Каждый человек имеет право на неограниченный доступ к этим документам! Каждый человек имеет право на знание требований, изложенных в данных нормативно-правовых актах!

  


 

ГОСТ 8497-78

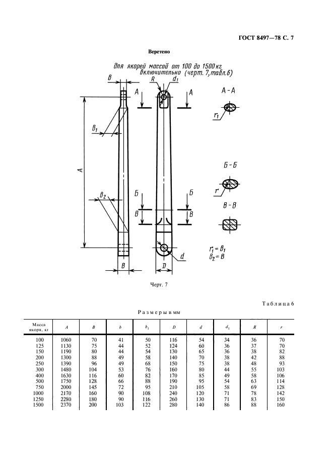
Якоря Матросова. Технические условия

Обозначение:ГОСТ 8497-78
Текущий статус документа: действующий
Название документа рус.:Якоря Матросова. Технические условия
Название документа англ.:Matrosov's anchor. Specifications
Дата актуализации текста:01.12.2013
Дата издания:01.12.2003
Дата введения:01.01.1980
Дата последнего изменения:22.05.2013
Переиздание:переиздание с изм. 1
Область применения:Настоящий стандарт распространяется на якоря Матросова, применяемые на надводных кораблях, судах и плавсредствах внутреннего плавания, изготовляемые для нужд народного хозяйства и экспорта
Список изменений:№1 от 01.01.1981 (рег. 06.08.1980) «Срок действия продлен»
№2 от 01.11.1983 (рег. 26.05.1983) «Срок действия продлен»
№3 от 01.01.1985 (рег. 28.03.1984) «Срок действия продлен»
№4 от 01.01.1990 (рег. 07.04.1989) «Срок действия продлен»
ГОСТ 8497-78ГОСТ 8497-78ГОСТ 8497-78ГОСТ 8497-78ГОСТ 8497-78ГОСТ 8497-78ГОСТ 8497-78ГОСТ 8497-78ГОСТ 8497-78ГОСТ 8497-78ГОСТ 8497-78ГОСТ 8497-78ГОСТ 8497-78ГОСТ 8497-78ГОСТ 8497-78
 




ГОСТЫ, СТРОИТЕЛЬНЫЕ и ТЕХНИЧЕСКИЕ НОРМАТИВЫ.
Некоммерческая онлайн система, содержащая все Российские Госты, национальные Стандарты и нормативы.
В Системе содержится более 150000 файлов нормативно-технической документации, действующей на территории РФ.
Система предназначена для широкого круга инженерно-технических специалистов.

Рейтинг@Mail.ru Яндекс цитирования

Copyright © www.gostrf.com, 2008 - 2026