Крупнейшая бесплатная информационно-справочная система онлайн доступа к полному собранию технических нормативно-правовых актов РФ. Огромная база технических нормативов (более 150 тысяч документов) и полное собрание национальных стандартов, аутентичное официальной базе Госстандарта. GOSTRF.com - это более 1 Терабайта бесплатной технической информации для всех пользователей интернета. Все электронные копии представленных здесь документов могут распространяться без каких-либо ограничений. Поощряется распространение информации с этого сайта на любых других ресурсах. Каждый человек имеет право на неограниченный доступ к этим документам! Каждый человек имеет право на знание требований, изложенных в данных нормативно-правовых актах!

  


 

ГОСТ 22896-77

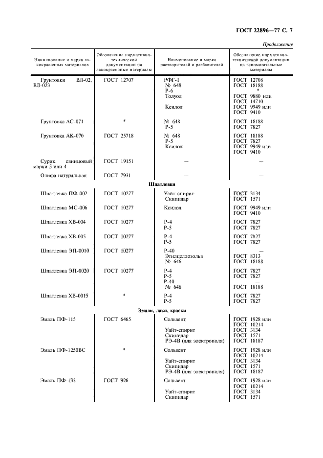
Покрытия лакокрасочные электровозов магистральных железных дорог колеи 1520 мм. Технические условия

Обозначение:ГОСТ 22896-77
Текущий статус документа: заменён
Название документа рус.:Покрытия лакокрасочные электровозов магистральных железных дорог колеи 1520 мм. Технические условия
Название документа англ.:Paint coatings for electric locomotives of 1520 mm gauge main line railways. Specifications
Дата актуализации текста:01.12.2013
Дата издания:01.07.2001
Дата введения:01.01.1979
Дата последнего изменения:22.05.2013
Дата окончания срока действия:01.01.2009
Переиздание:переиздание с изм. 1
Взамен в части: в части окраски электровозов
Область применения:Настоящий стандарт устанавливает технические требования к лакокрасочным покрытиям деталей, сборочных единиц и агрегатов строящихся электровозов всех типов, предназначенных для эксплуатации в умеренном макроклиматическом районе, категорий размещения 1, 2 и 3 по ГОСТ 15150 на магистральных железных дорогах колеи 1520 мм.
Стандарт не распространяется на электровозы, изготовляемые на экспорт
Список изменений:№1 от 01.02.1980 (рег. 10.09.1979) «Срок действия продлен»
№2 от 01.05.1984 (рег. 13.12.1983) «Срок действия продлен»
№3 от 01.01.1989 (рег. 24.06.1988) «Поправка»
ГОСТ 22896-77ГОСТ 22896-77ГОСТ 22896-77ГОСТ 22896-77ГОСТ 22896-77ГОСТ 22896-77ГОСТ 22896-77ГОСТ 22896-77ГОСТ 22896-77ГОСТ 22896-77ГОСТ 22896-77ГОСТ 22896-77ГОСТ 22896-77ГОСТ 22896-77ГОСТ 22896-77
 




ГОСТЫ, СТРОИТЕЛЬНЫЕ и ТЕХНИЧЕСКИЕ НОРМАТИВЫ.
Некоммерческая онлайн система, содержащая все Российские Госты, национальные Стандарты и нормативы.
В Системе содержится более 150000 файлов нормативно-технической документации, действующей на территории РФ.
Система предназначена для широкого круга инженерно-технических специалистов.

Рейтинг@Mail.ru Яндекс цитирования

Copyright © www.gostrf.com, 2008 - 2026