Крупнейшая бесплатная информационно-справочная система онлайн доступа к полному собранию технических нормативно-правовых актов РФ. Огромная база технических нормативов (более 150 тысяч документов) и полное собрание национальных стандартов, аутентичное официальной базе Госстандарта. GOSTRF.com - это более 1 Терабайта бесплатной технической информации для всех пользователей интернета. Все электронные копии представленных здесь документов могут распространяться без каких-либо ограничений. Поощряется распространение информации с этого сайта на любых других ресурсах. Каждый человек имеет право на неограниченный доступ к этим документам! Каждый человек имеет право на знание требований, изложенных в данных нормативно-правовых актах!

  


 

ГОСТ 12391-77

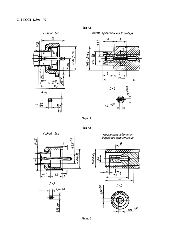
Валы гибкие проволочные автотракторных приборов. Технические условия

Обозначение:ГОСТ 12391-77
Текущий статус документа: действующий
Название документа рус.:Валы гибкие проволочные автотракторных приборов. Технические условия
Название документа англ.:Panel board flexible shafts for vehicle. Specifications
Дата актуализации текста:01.12.2013
Дата издания:01.03.2003
Дата введения:01.01.1979
Дата последнего изменения:22.05.2013
Переиздание:переиздание с поправкой и изм. 1
Взамен:
Область применения:Настоящий стандарт распространяется на гибкие валы автотракторных приборов с левым вращением со стороны трансмиссии (привода), применяемых на автомобилях, тракторах, мотоциклах и других транспортных средствах.
Стандарт не распространяется на гибкие валы для привода стеклоочистителей, таксометров, а также на гибкие валы дистанционного управления (сброса суточного счетчика, установки стрелок часов, гибких сочленений в замках)
Список изменений:№0 от 15.04.1981 (рег. 15.04.1981) «Дата введения перенесена»
№1 от 01.05.1984 (рег. 11.01.1984) «Срок действия продлен»
№2 от 01.01.1989 (рег. 11.07.1988) «Срок действия продлен»
ГОСТ 12391-77ГОСТ 12391-77ГОСТ 12391-77ГОСТ 12391-77ГОСТ 12391-77ГОСТ 12391-77ГОСТ 12391-77ГОСТ 12391-77ГОСТ 12391-77ГОСТ 12391-77ГОСТ 12391-77ГОСТ 12391-77ГОСТ 12391-77ГОСТ 12391-77ГОСТ 12391-77
 




ГОСТЫ, СТРОИТЕЛЬНЫЕ и ТЕХНИЧЕСКИЕ НОРМАТИВЫ.
Некоммерческая онлайн система, содержащая все Российские Госты, национальные Стандарты и нормативы.
В Системе содержится более 150000 файлов нормативно-технической документации, действующей на территории РФ.
Система предназначена для широкого круга инженерно-технических специалистов.

Рейтинг@Mail.ru Яндекс цитирования

Copyright © www.gostrf.com, 2008 - 2026