Крупнейшая бесплатная информационно-справочная система онлайн доступа к полному собранию технических нормативно-правовых актов РФ. Огромная база технических нормативов (более 150 тысяч документов) и полное собрание национальных стандартов, аутентичное официальной базе Госстандарта. GOSTRF.com - это более 1 Терабайта бесплатной технической информации для всех пользователей интернета. Все электронные копии представленных здесь документов могут распространяться без каких-либо ограничений. Поощряется распространение информации с этого сайта на любых других ресурсах. Каждый человек имеет право на неограниченный доступ к этим документам! Каждый человек имеет право на знание требований, изложенных в данных нормативно-правовых актах!

  


 

ГОСТ Р 52762-2007

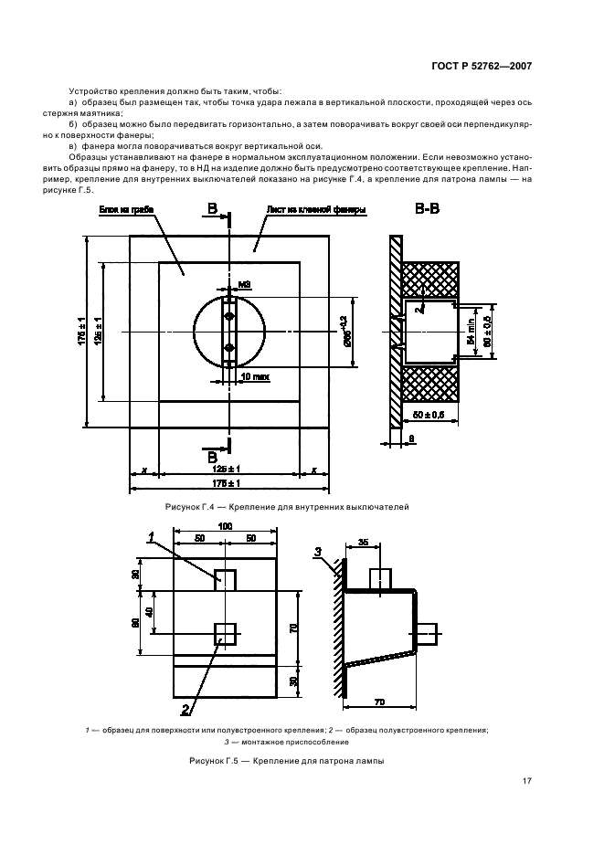
Методы испытаний на стойкость к механическим внешним воздействующим факторам машин, приборов и других технических изделий. Испытания на воздействие ударов по оболочке изделий

Обозначение:ГОСТ Р 52762-2007
Текущий статус документа: действующий
Название документа рус.:Методы испытаний на стойкость к механическим внешним воздействующим факторам машин, приборов и других технических изделий. Испытания на воздействие ударов по оболочке изделий
Название документа англ.:Mechanical environment stability test methods for machines, instruments and other industrial products. Test methods for bumps to enclosure of products
Дата актуализации текста:01.12.2013
Дата издания:11.12.2007
Дата введения:01.01.2008
Дата последнего изменения:22.05.2013
Область применения:Настоящий стандарт распространяется на машины, приборы и другие технические изделия всех видов, которым предъявляют требование по воздействию ударов посторонних предметов с энергией до 50 Дж, и устанавливает методы их соответствующих испытаний.
Стандарт применяют совместно с ГОСТ 30630.0.0
ГОСТ Р 52762-2007ГОСТ Р 52762-2007ГОСТ Р 52762-2007ГОСТ Р 52762-2007ГОСТ Р 52762-2007ГОСТ Р 52762-2007ГОСТ Р 52762-2007ГОСТ Р 52762-2007ГОСТ Р 52762-2007ГОСТ Р 52762-2007ГОСТ Р 52762-2007ГОСТ Р 52762-2007ГОСТ Р 52762-2007ГОСТ Р 52762-2007ГОСТ Р 52762-2007ГОСТ Р 52762-2007ГОСТ Р 52762-2007ГОСТ Р 52762-2007ГОСТ Р 52762-2007ГОСТ Р 52762-2007ГОСТ Р 52762-2007ГОСТ Р 52762-2007ГОСТ Р 52762-2007ГОСТ Р 52762-2007
 




ГОСТЫ, СТРОИТЕЛЬНЫЕ и ТЕХНИЧЕСКИЕ НОРМАТИВЫ.
Некоммерческая онлайн система, содержащая все Российские Госты, национальные Стандарты и нормативы.
В Системе содержится более 150000 файлов нормативно-технической документации, действующей на территории РФ.
Система предназначена для широкого круга инженерно-технических специалистов.

Рейтинг@Mail.ru Яндекс цитирования

Copyright © www.gostrf.com, 2008 - 2026