Крупнейшая бесплатная информационно-справочная система онлайн доступа к полному собранию технических нормативно-правовых актов РФ. Огромная база технических нормативов (более 150 тысяч документов) и полное собрание национальных стандартов, аутентичное официальной базе Госстандарта. GOSTRF.com - это более 1 Терабайта бесплатной технической информации для всех пользователей интернета. Все электронные копии представленных здесь документов могут распространяться без каких-либо ограничений. Поощряется распространение информации с этого сайта на любых других ресурсах. Каждый человек имеет право на неограниченный доступ к этим документам! Каждый человек имеет право на знание требований, изложенных в данных нормативно-правовых актах!

  


 

ГОСТ 23587-96

Монтаж электрический радиоэлектронной аппаратуры и приборов. Технические требования к разделке монтажных проводов и креплению жил

Обозначение:ГОСТ 23587-96
Текущий статус документа: действующий
Название документа рус.:Монтаж электрический радиоэлектронной аппаратуры и приборов. Технические требования к разделке монтажных проводов и креплению жил
Название документа англ.:Electrical wiring of radio-electronic equipment and devices. Technical requirements for termination of hookup wires and wire strand attachment
Дата актуализации текста:01.12.2013
Дата издания:01.07.2003
Дата введения:30.06.2001
Дата последнего изменения:22.05.2013
Переиздание:переиздание
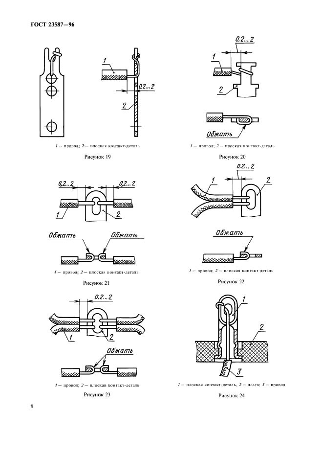
Область применения:Настоящий стандарт устанавливает технические требования к конструкциям разделки монтажных проводов и крепления к контакт-деталям, к наконечникам, к выводам электрорадиоэлементов, в изоляторах жил монтажных проводов, предназначенным для выполнения контактных соединений при электрическом монтаже, производимом внутри радиоэлектронной аппаратуры, приборов и устройств.
Стандарт не распространяется на конструкции разделки и крепления ленточных проводов, на конструкции крепления жил проводов к печатным платам, не устанавливает технических требований к технологическому процессу разделки проводов и крепления жил
ГОСТ 23587-96ГОСТ 23587-96ГОСТ 23587-96ГОСТ 23587-96ГОСТ 23587-96ГОСТ 23587-96ГОСТ 23587-96ГОСТ 23587-96ГОСТ 23587-96ГОСТ 23587-96ГОСТ 23587-96ГОСТ 23587-96ГОСТ 23587-96ГОСТ 23587-96ГОСТ 23587-96ГОСТ 23587-96ГОСТ 23587-96ГОСТ 23587-96ГОСТ 23587-96ГОСТ 23587-96ГОСТ 23587-96
 




ГОСТЫ, СТРОИТЕЛЬНЫЕ и ТЕХНИЧЕСКИЕ НОРМАТИВЫ.
Некоммерческая онлайн система, содержащая все Российские Госты, национальные Стандарты и нормативы.
В Системе содержится более 150000 файлов нормативно-технической документации, действующей на территории РФ.
Система предназначена для широкого круга инженерно-технических специалистов.

Рейтинг@Mail.ru Яндекс цитирования

Copyright © www.gostrf.com, 2008 - 2026