Крупнейшая бесплатная информационно-справочная система онлайн доступа к полному собранию технических нормативно-правовых актов РФ. Огромная база технических нормативов (более 150 тысяч документов) и полное собрание национальных стандартов, аутентичное официальной базе Госстандарта. GOSTRF.com - это более 1 Терабайта бесплатной технической информации для всех пользователей интернета. Все электронные копии представленных здесь документов могут распространяться без каких-либо ограничений. Поощряется распространение информации с этого сайта на любых других ресурсах. Каждый человек имеет право на неограниченный доступ к этим документам! Каждый человек имеет право на знание требований, изложенных в данных нормативно-правовых актах!

  


 

ГОСТ Р МЭК 60400-99

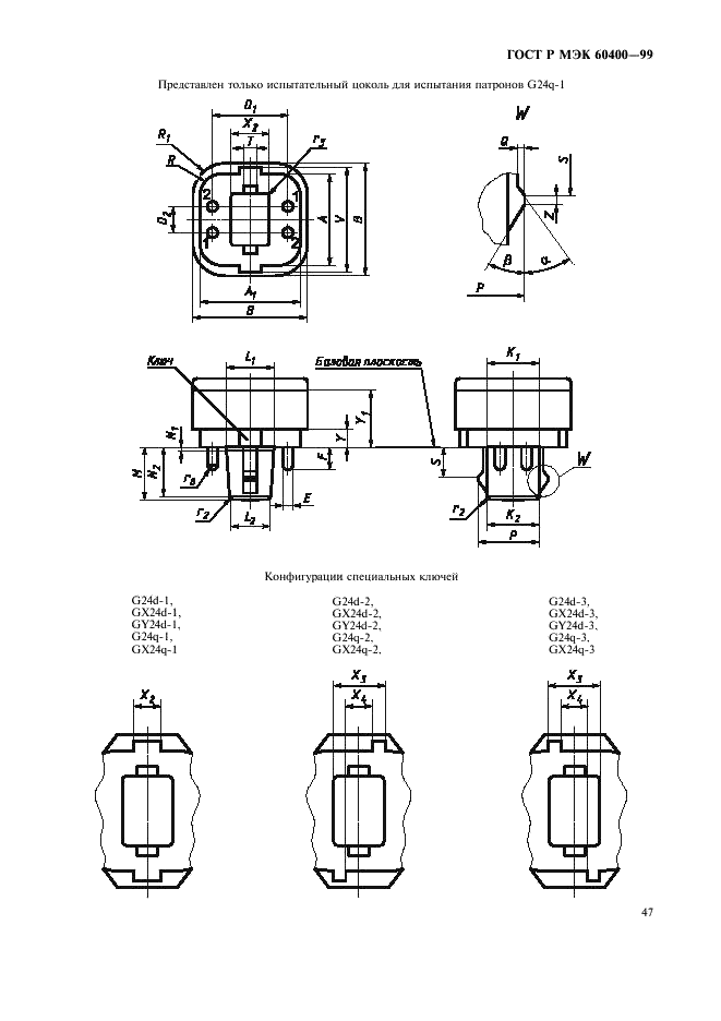
Патроны для трубчатых люминесцентных ламп и стартеров

Обозначение:ГОСТ Р МЭК 60400-99
Текущий статус документа: действующий
Название документа рус.:Патроны для трубчатых люминесцентных ламп и стартеров
Название документа англ.:Lampholders for tubular fluorescent lamps and starterholders
Дата актуализации текста:01.12.2013
Дата издания:02.02.2000
Дата введения:01.01.2001
Дата последнего изменения:22.05.2013
Дата окончания срока действия:01.01.2014
Область применения:Настоящий стандарт устанавливает размеры и технические требования к патронам для трубчатых люминесцентных ламп и стартеров, а также методы испытаний, которые должны использоваться для оценки безопасности применения и возможности вставления в них ламп и стартеров.
Стандарт распространяется на независимые и встраиваемые патроны для трубчатых люминесцентных ламп с цоколями, а также на независимые и встраиваемые патроны для стартеров, предназначенные для включения в сеть переменного тока с действующим значением рабочего напряжения не более 1000 В.
Настоящий стандарт также распространяется на патроны для одноцокольных трубчатых люминесцентных ламп, вмонтированных в наружный корпус с донышком, снабженным резьбой, аналогичной патронам с резьбой Эдисона
Список изменений:№0 от 01.01.2014 (рег. 13.12.2011) «Текстовое изменение; Изменено заглавие»
ГОСТ Р МЭК 60400-99ГОСТ Р МЭК 60400-99ГОСТ Р МЭК 60400-99ГОСТ Р МЭК 60400-99ГОСТ Р МЭК 60400-99ГОСТ Р МЭК 60400-99ГОСТ Р МЭК 60400-99ГОСТ Р МЭК 60400-99ГОСТ Р МЭК 60400-99ГОСТ Р МЭК 60400-99ГОСТ Р МЭК 60400-99ГОСТ Р МЭК 60400-99ГОСТ Р МЭК 60400-99ГОСТ Р МЭК 60400-99ГОСТ Р МЭК 60400-99ГОСТ Р МЭК 60400-99ГОСТ Р МЭК 60400-99ГОСТ Р МЭК 60400-99ГОСТ Р МЭК 60400-99ГОСТ Р МЭК 60400-99ГОСТ Р МЭК 60400-99ГОСТ Р МЭК 60400-99ГОСТ Р МЭК 60400-99ГОСТ Р МЭК 60400-99ГОСТ Р МЭК 60400-99ГОСТ Р МЭК 60400-99ГОСТ Р МЭК 60400-99ГОСТ Р МЭК 60400-99ГОСТ Р МЭК 60400-99ГОСТ Р МЭК 60400-99ГОСТ Р МЭК 60400-99ГОСТ Р МЭК 60400-99ГОСТ Р МЭК 60400-99ГОСТ Р МЭК 60400-99ГОСТ Р МЭК 60400-99ГОСТ Р МЭК 60400-99ГОСТ Р МЭК 60400-99ГОСТ Р МЭК 60400-99ГОСТ Р МЭК 60400-99ГОСТ Р МЭК 60400-99ГОСТ Р МЭК 60400-99ГОСТ Р МЭК 60400-99ГОСТ Р МЭК 60400-99ГОСТ Р МЭК 60400-99ГОСТ Р МЭК 60400-99ГОСТ Р МЭК 60400-99ГОСТ Р МЭК 60400-99ГОСТ Р МЭК 60400-99ГОСТ Р МЭК 60400-99ГОСТ Р МЭК 60400-99ГОСТ Р МЭК 60400-99ГОСТ Р МЭК 60400-99ГОСТ Р МЭК 60400-99ГОСТ Р МЭК 60400-99ГОСТ Р МЭК 60400-99ГОСТ Р МЭК 60400-99ГОСТ Р МЭК 60400-99ГОСТ Р МЭК 60400-99
 




ГОСТЫ, СТРОИТЕЛЬНЫЕ и ТЕХНИЧЕСКИЕ НОРМАТИВЫ.
Некоммерческая онлайн система, содержащая все Российские Госты, национальные Стандарты и нормативы.
В Системе содержится более 150000 файлов нормативно-технической документации, действующей на территории РФ.
Система предназначена для широкого круга инженерно-технических специалистов.

Рейтинг@Mail.ru Яндекс цитирования

Copyright © www.gostrf.com, 2008 - 2026