Крупнейшая бесплатная информационно-справочная система онлайн доступа к полному собранию технических нормативно-правовых актов РФ. Огромная база технических нормативов (более 150 тысяч документов) и полное собрание национальных стандартов, аутентичное официальной базе Госстандарта. GOSTRF.com - это более 1 Терабайта бесплатной технической информации для всех пользователей интернета. Все электронные копии представленных здесь документов могут распространяться без каких-либо ограничений. Поощряется распространение информации с этого сайта на любых других ресурсах. Каждый человек имеет право на неограниченный доступ к этим документам! Каждый человек имеет право на знание требований, изложенных в данных нормативно-правовых актах!

  


 

ГОСТ Р ИСО 10328-8-98

Протезирование. Испытания конструкции протезов нижних конечностей. Часть 8. Отчет об испытаниях

Обозначение:ГОСТ Р ИСО 10328-8-98
Текущий статус документа: заменён
Название документа рус.:Протезирование. Испытания конструкции протезов нижних конечностей. Часть 8. Отчет об испытаниях
Название документа англ.:Prosthetics. Structural testing of lower-limb prostheses. Part 8. Test report
Дата актуализации текста:01.12.2013
Дата издания:23.09.1998
Дата введения:01.01.1999
Дата последнего изменения:22.05.2013
Дата окончания срока действия:01.01.2009
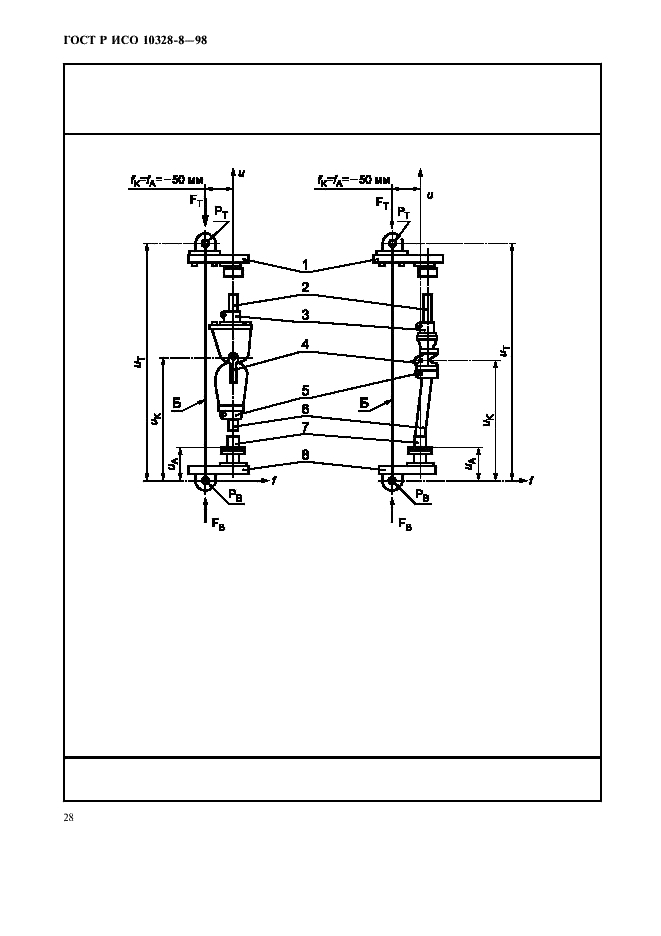
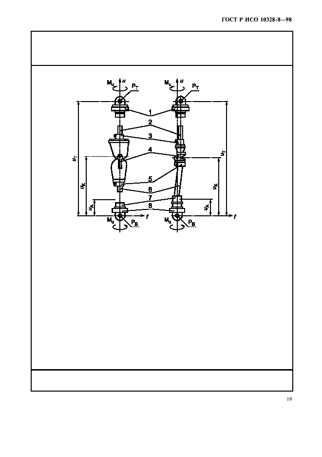
Область применения:Настоящий стандарт распространяется на протезы голени и бедра.
Примечание - Испытания проводят на моделях полной конструкции, частичной конструкции или отдельных узлов и деталей протеза.
Настоящий стандарт устанавливает требования к оформлению и содержанию отчета об испытаниях, составляемого по результатам каждого испытания, проводимого в соответствии с ГОСТ Р ИСО 10328-3, ГОСТ Р ИСО 10328-4 и (или) ГОСТ Р ИСО 10328-5, ГОСТ Р ИСО 10328-6
ГОСТ Р ИСО 10328-8-98ГОСТ Р ИСО 10328-8-98ГОСТ Р ИСО 10328-8-98ГОСТ Р ИСО 10328-8-98ГОСТ Р ИСО 10328-8-98ГОСТ Р ИСО 10328-8-98ГОСТ Р ИСО 10328-8-98ГОСТ Р ИСО 10328-8-98ГОСТ Р ИСО 10328-8-98ГОСТ Р ИСО 10328-8-98ГОСТ Р ИСО 10328-8-98ГОСТ Р ИСО 10328-8-98ГОСТ Р ИСО 10328-8-98ГОСТ Р ИСО 10328-8-98ГОСТ Р ИСО 10328-8-98ГОСТ Р ИСО 10328-8-98ГОСТ Р ИСО 10328-8-98ГОСТ Р ИСО 10328-8-98ГОСТ Р ИСО 10328-8-98ГОСТ Р ИСО 10328-8-98ГОСТ Р ИСО 10328-8-98ГОСТ Р ИСО 10328-8-98ГОСТ Р ИСО 10328-8-98ГОСТ Р ИСО 10328-8-98ГОСТ Р ИСО 10328-8-98ГОСТ Р ИСО 10328-8-98ГОСТ Р ИСО 10328-8-98ГОСТ Р ИСО 10328-8-98ГОСТ Р ИСО 10328-8-98ГОСТ Р ИСО 10328-8-98ГОСТ Р ИСО 10328-8-98ГОСТ Р ИСО 10328-8-98ГОСТ Р ИСО 10328-8-98ГОСТ Р ИСО 10328-8-98ГОСТ Р ИСО 10328-8-98ГОСТ Р ИСО 10328-8-98ГОСТ Р ИСО 10328-8-98ГОСТ Р ИСО 10328-8-98ГОСТ Р ИСО 10328-8-98ГОСТ Р ИСО 10328-8-98ГОСТ Р ИСО 10328-8-98
 




ГОСТЫ, СТРОИТЕЛЬНЫЕ и ТЕХНИЧЕСКИЕ НОРМАТИВЫ.
Некоммерческая онлайн система, содержащая все Российские Госты, национальные Стандарты и нормативы.
В Системе содержится более 150000 файлов нормативно-технической документации, действующей на территории РФ.
Система предназначена для широкого круга инженерно-технических специалистов.

Рейтинг@Mail.ru Яндекс цитирования

Copyright © www.gostrf.com, 2008 - 2026