Крупнейшая бесплатная информационно-справочная система онлайн доступа к полному собранию технических нормативно-правовых актов РФ. Огромная база технических нормативов (более 150 тысяч документов) и полное собрание национальных стандартов, аутентичное официальной базе Госстандарта. GOSTRF.com - это более 1 Терабайта бесплатной технической информации для всех пользователей интернета. Все электронные копии представленных здесь документов могут распространяться без каких-либо ограничений. Поощряется распространение информации с этого сайта на любых других ресурсах. Каждый человек имеет право на неограниченный доступ к этим документам! Каждый человек имеет право на знание требований, изложенных в данных нормативно-правовых актах!

  


 

ГОСТ Р ИСО/МЭК 2593-98

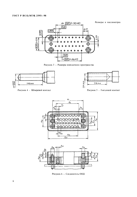
Информационная технология. Передача данных и обмен информацией между системами. 34-контактный соединитель стыка ООД/АКД. Стыковочные размеры и распределение контактов

Обозначение:ГОСТ Р ИСО/МЭК 2593-98
Текущий статус документа: действующий
Название документа рус.:Информационная технология. Передача данных и обмен информацией между системами. 34-контактный соединитель стыка ООД/АКД. Стыковочные размеры и распределение контактов
Название документа англ.:Information technology. Telecommunications and information exchange between systems. 34-pole DTE/DCE interface connector. Mateability dimension and contact number assignments
Дата актуализации текста:01.12.2013
Дата издания:01.07.1998
Дата введения:01.01.1999
Дата последнего изменения:22.05.2013
Область применения:Настоящий стандарт распространяется на физический уровень эталонной модели взаимосвязи открытых систем (ВОС) и определяет параметры 34-контактного соединителя и распределение его контактов на стыке между оконечным оборудованием данных (ООД) и аппаратурой окончания канала данных (АКД), соответствующим рекомендациям V.35, V.21 bis CCITT и ГОСТ 23675.
Кроме того, настоящий стандарт определяет размеры корпуса соединителя, рекомендуемые средства запирающего механизма (винтового типа) и экранирования соединителя
ГОСТ Р ИСО/МЭК 2593-98ГОСТ Р ИСО/МЭК 2593-98ГОСТ Р ИСО/МЭК 2593-98ГОСТ Р ИСО/МЭК 2593-98ГОСТ Р ИСО/МЭК 2593-98ГОСТ Р ИСО/МЭК 2593-98ГОСТ Р ИСО/МЭК 2593-98ГОСТ Р ИСО/МЭК 2593-98ГОСТ Р ИСО/МЭК 2593-98ГОСТ Р ИСО/МЭК 2593-98ГОСТ Р ИСО/МЭК 2593-98ГОСТ Р ИСО/МЭК 2593-98ГОСТ Р ИСО/МЭК 2593-98ГОСТ Р ИСО/МЭК 2593-98ГОСТ Р ИСО/МЭК 2593-98ГОСТ Р ИСО/МЭК 2593-98ГОСТ Р ИСО/МЭК 2593-98ГОСТ Р ИСО/МЭК 2593-98ГОСТ Р ИСО/МЭК 2593-98
 




ГОСТЫ, СТРОИТЕЛЬНЫЕ и ТЕХНИЧЕСКИЕ НОРМАТИВЫ.
Некоммерческая онлайн система, содержащая все Российские Госты, национальные Стандарты и нормативы.
В Системе содержится более 150000 файлов нормативно-технической документации, действующей на территории РФ.
Система предназначена для широкого круга инженерно-технических специалистов.

Рейтинг@Mail.ru Яндекс цитирования

Copyright © www.gostrf.com, 2008 - 2026