Крупнейшая бесплатная информационно-справочная система онлайн доступа к полному собранию технических нормативно-правовых актов РФ. Огромная база технических нормативов (более 150 тысяч документов) и полное собрание национальных стандартов, аутентичное официальной базе Госстандарта. GOSTRF.com - это более 1 Терабайта бесплатной технической информации для всех пользователей интернета. Все электронные копии представленных здесь документов могут распространяться без каких-либо ограничений. Поощряется распространение информации с этого сайта на любых других ресурсах. Каждый человек имеет право на неограниченный доступ к этим документам! Каждый человек имеет право на знание требований, изложенных в данных нормативно-правовых актах!

  


 

ГОСТ 30086-93

Втулки кондукторские и элементы их крепления. Размеры

Обозначение:ГОСТ 30086-93
Текущий статус документа: действующий
Название документа рус.:Втулки кондукторские и элементы их крепления. Размеры
Название документа англ.:Jig bushes and accessories for drilling purposes. Dimensions
Дата актуализации текста:01.12.2013
Дата издания:13.07.1995
Дата введения:30.06.1996
Дата последнего изменения:22.05.2013
Взамен:
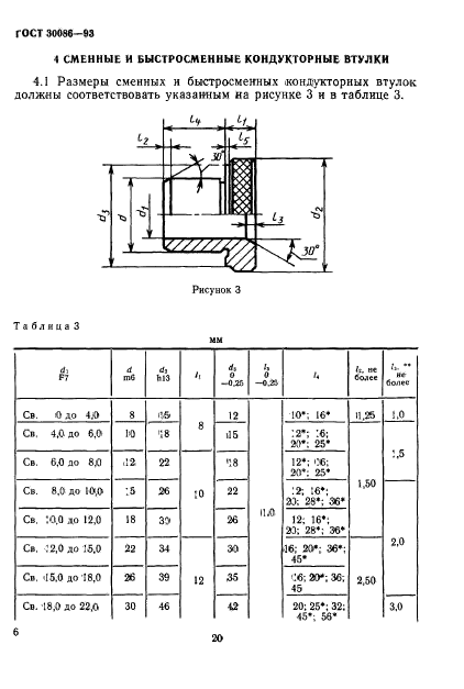
Область применения:Настоящий стандарт устанавливает размеры кондукторных втулок, предназначенных для направления спиральных сверл, и промежуточных втулок, применяемых в кондукторах, а также элементов крепления сменных и быстросменных кондукторных втулок.
Стандарт распространяется: на постоянные кондукторные втулки с буртиком или без буртика; на промежуточные втулки с буртиком или без буртика; на сменные и быстросменные кондукторные втулки; на стопорные устройства сменных и быстросменных кондукторных втулок; на элементы стопорных устройств (винты, фланцы).
Стандарт не распространяется на кондукторные и промежуточные втулки к приспособлениям металлорежущих станков, разработанным до 01.01.86
ГОСТ 30086-93ГОСТ 30086-93ГОСТ 30086-93ГОСТ 30086-93ГОСТ 30086-93ГОСТ 30086-93ГОСТ 30086-93ГОСТ 30086-93ГОСТ 30086-93ГОСТ 30086-93ГОСТ 30086-93ГОСТ 30086-93ГОСТ 30086-93ГОСТ 30086-93ГОСТ 30086-93ГОСТ 30086-93ГОСТ 30086-93
 




ГОСТЫ, СТРОИТЕЛЬНЫЕ и ТЕХНИЧЕСКИЕ НОРМАТИВЫ.
Некоммерческая онлайн система, содержащая все Российские Госты, национальные Стандарты и нормативы.
В Системе содержится более 150000 файлов нормативно-технической документации, действующей на территории РФ.
Система предназначена для широкого круга инженерно-технических специалистов.

Рейтинг@Mail.ru Яндекс цитирования

Copyright © www.gostrf.com, 2008 - 2026