Крупнейшая бесплатная информационно-справочная система онлайн доступа к полному собранию технических нормативно-правовых актов РФ. Огромная база технических нормативов (более 150 тысяч документов) и полное собрание национальных стандартов, аутентичное официальной базе Госстандарта. GOSTRF.com - это более 1 Терабайта бесплатной технической информации для всех пользователей интернета. Все электронные копии представленных здесь документов могут распространяться без каких-либо ограничений. Поощряется распространение информации с этого сайта на любых других ресурсах. Каждый человек имеет право на неограниченный доступ к этим документам! Каждый человек имеет право на знание требований, изложенных в данных нормативно-правовых актах!

  


 

ГОСТ 27080-93

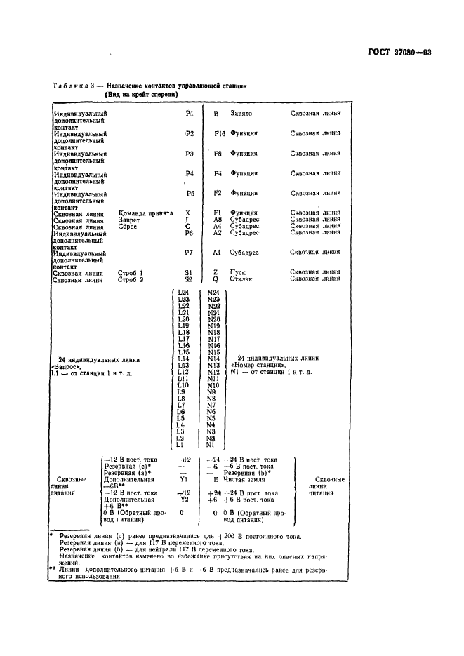
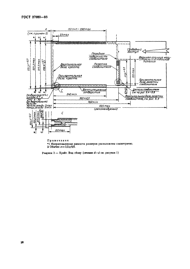
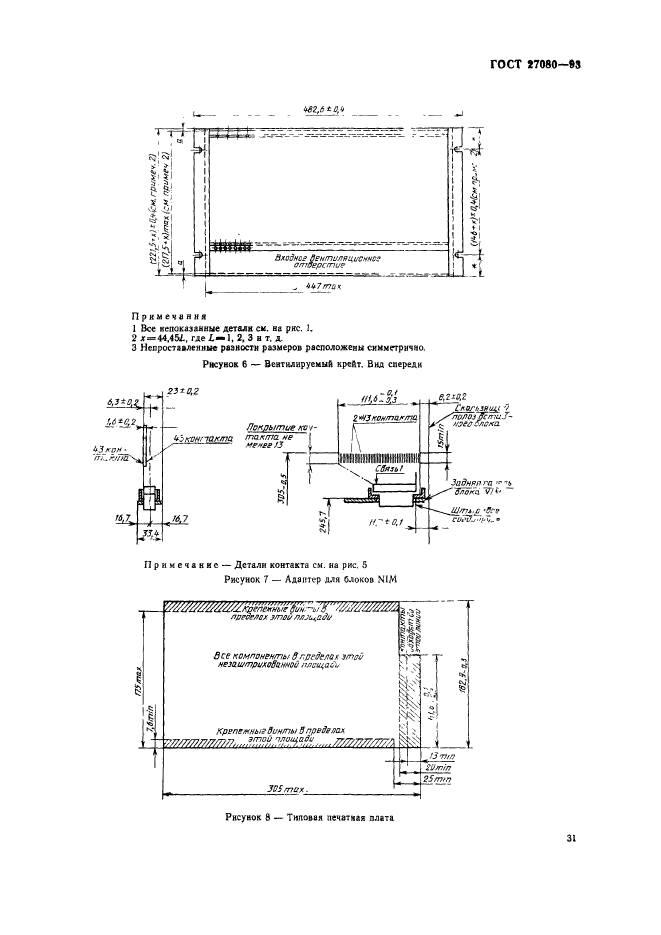
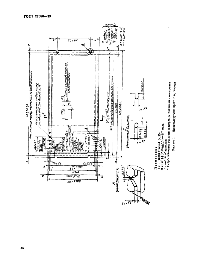
КАМАК. Модульная система технических средств для обработки данных

Обозначение:ГОСТ 27080-93
Текущий статус документа: действующий
Название документа рус.:КАМАК. Модульная система технических средств для обработки данных
Название документа англ.:CAMAC system. A modular instrumentation system for data handling
Дата актуализации текста:01.12.2013
Дата издания:30.03.1995
Дата введения:01.01.1996
Дата последнего изменения:22.05.2013
Область применения:Настоящий стандарт предназначен для определения системы модульных технических средств, способных связывать преобразователи информации или другие устройства с цифровыми контроллерами или электронно-вычислительными машинами (ЭВМ). Она состоит из стардартов на механику и стандартов на сигналы, которые являются достаточными для обеспечения совместимости блоков, разрабатанных и изготовленных различными предприятиями
ГОСТ 27080-93ГОСТ 27080-93ГОСТ 27080-93ГОСТ 27080-93ГОСТ 27080-93ГОСТ 27080-93ГОСТ 27080-93ГОСТ 27080-93ГОСТ 27080-93ГОСТ 27080-93ГОСТ 27080-93ГОСТ 27080-93ГОСТ 27080-93ГОСТ 27080-93ГОСТ 27080-93ГОСТ 27080-93ГОСТ 27080-93ГОСТ 27080-93ГОСТ 27080-93ГОСТ 27080-93ГОСТ 27080-93ГОСТ 27080-93ГОСТ 27080-93ГОСТ 27080-93ГОСТ 27080-93ГОСТ 27080-93ГОСТ 27080-93ГОСТ 27080-93ГОСТ 27080-93ГОСТ 27080-93ГОСТ 27080-93ГОСТ 27080-93ГОСТ 27080-93ГОСТ 27080-93ГОСТ 27080-93ГОСТ 27080-93ГОСТ 27080-93ГОСТ 27080-93ГОСТ 27080-93ГОСТ 27080-93ГОСТ 27080-93
 




ГОСТЫ, СТРОИТЕЛЬНЫЕ и ТЕХНИЧЕСКИЕ НОРМАТИВЫ.
Некоммерческая онлайн система, содержащая все Российские Госты, национальные Стандарты и нормативы.
В Системе содержится более 150000 файлов нормативно-технической документации, действующей на территории РФ.
Система предназначена для широкого круга инженерно-технических специалистов.

Рейтинг@Mail.ru Яндекс цитирования

Copyright © www.gostrf.com, 2008 - 2026