Крупнейшая бесплатная информационно-справочная система онлайн доступа к полному собранию технических нормативно-правовых актов РФ. Огромная база технических нормативов (более 150 тысяч документов) и полное собрание национальных стандартов, аутентичное официальной базе Госстандарта. GOSTRF.com - это более 1 Терабайта бесплатной технической информации для всех пользователей интернета. Все электронные копии представленных здесь документов могут распространяться без каких-либо ограничений. Поощряется распространение информации с этого сайта на любых других ресурсах. Каждый человек имеет право на неограниченный доступ к этим документам! Каждый человек имеет право на знание требований, изложенных в данных нормативно-правовых актах!

  


 

МЕЖГОСУДАРСТВЕННЫЙ СТАНДАРТ

ПРОФИЛИ СТАЛЬНЫЕ ДЛЯ ОКОННЫХ И ФОНАРНЫХ
ПЕРЕПЛЕТОВ И ОКОННЫХ ПАНЕЛЕЙ
ПРОМЫШЛЕННЫХ ЗДАНИЙ

Технические условия

Steel sections for window and lantern transoms and window panels of industrial buildings. Specifications

ГОСТ
7511-73

Взамен
ГОСТ 7511-58

Постановлением Государственного комитета стандартов Совета Министров СССР от 29 июня 1973 г. № 1644 дата введения установлена

01.01.75

Ограничение срока действия снято по протоколу № 4-93 Межгосударственного Совета по стандартизации, метрологии и сертификации (ИУС 4-94)

Настоящий стандарт распространяется на горячекатаные и гнутые профили, предназначенные для изготовления оконных и фонарных переплетов и оконных панелей промышленных зданий.

(Измененная редакция, Изм. № 1, 2).

1. ОСНОВНЫЕ ПАРАМЕТРЫ И РАЗМЕРЫ

1.1а. По точности профилирования гнутые профили изготовляют: А - высокой точности; В - обычной точности.

(Введен дополнительно, Изм. № 2).

1.1. Размеры и форма сечений горячекатаных профилей № 1; 5; 6 должны соответствовать указанным на черт. 1, 5, 6.

Профиль № 1

Черт. 1

Профиль № 5

Черт. 5*

___________

* Черт. 2-4. (Исключены, Изм. № 1).

Профиль № 6

Черт. 6

1.2. Предельные отклонения размеров, площадь поперечного сечения, масса 1 м и справочные значения моментов инерции и сопротивления горячекатаных профилей должны соответствовать указанным в табл. 1.

Таблица 1

Номер профиля

Предельное отклонение размеров профилей, мм

Площадь сечения, см2

Масса 1 м, кг

Справочное значение моментов инерции и сопротивления

Высота

Толщина

Ширина

х-х

у-у

Ix, см4

Wx, см3

Iу, см4

Wr, см3

1

±1,5

+0,3

-0,5

± 1,0

3,88

3,05

1,78

0,97

16,39

5,95

5

+ 1,0

3,63

2,85

2,88

1,28

6,69

2,09

6

2,42

1,90

1,17

0,67

2,66

1,07

Условные обозначения к табл. 1 и 2:

W - момент сопротивления;

I - момент инерции.

Пример условного обозначения профиля № 5:

Профиль № 5 ГОСТ 7511-73

1.3. Смещение стенок относительно полок профилей № 5 и 6 не должно превышать предельных отклонений по ширине полки.

1.1 - 1.3. (Измененная редакция, Изм. № 1).

1.4. Уклон наружной грани каждой полки для профиля № 1 не должен превышать 1,5 %; кривизна стенки по высоте сечения - 0,6 мм; притупление наружных кромок полок - 1,2 мм.

1.5. Размеры и форма сечений гнутых профилей должны соответствовать указанным на черт. 7, 8, 10 и 12.

1.6. Предельные отклонения размеров, площадь поперечного сечения, масса 1 м и справочные значения моментов инерции и сопротивления гнутых профилей № 7, 8 и 10 должны соответствовать указанным в табл. 2 и на черт. 7, 8 и 10.

Таблица 2

Номер профиля

Размер и предельное отклонение, мм

Площадь сечения, см2

Масса 1 м, кг

Справочное значение моментов инерции и сопротивления

обычной точности

высокой точности

х-х

у-у

Ix, см4

Wx, см3

Iу, см4

Wr, см3

7

-

-

35 ± 1,0

50 ± 1,0

2,60

2,04

6,77

2,01

2,81

1,07

8

10 ± 1,0

70 ± 2,0

10 ± 1,0

70 ± 1,5

5,52

4,33

40,45

7,38

21,96

4,52

10

80 ± 2,5

80 ± 1,5

4,66

3,66

5,60

2,15

68,50

9,63

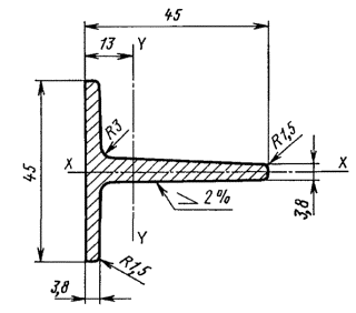
Профиль № 7

Черт. 7

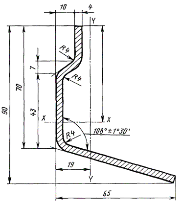
Профиль № 8

Черт. 8

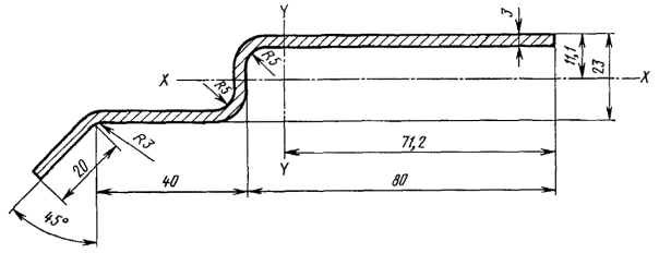
Профиль № 10

Черт. 10*

_____________

* Черт. 9. (Исключен, Изм. № 2).

1.5, 1.6. (Измененная редакция, Изм. № 2).

1.7. Предельные отклонения размеров, площадь поперечного сечения и масса 1 м гнутого профиля № 12 должны соответствовать указанным в табл. 3 и на черт. 12.

Профиль № 12

Черт. 12*

_____________

Черт. 11. (Исключен, Изм. № 2).

Таблица 3

Номер профиля

Размер и предельное отклонение, мм

Площадь сечения, см2

Масса 1 м, кг

12

10 ± 1,0

2,0

1,57

(Измененная редакция, Изм. № 1, 2).

1.8. (Исключен, Изм. № 2).

1.9. Площадь поперечного сечения, масса 1 м и справочные значения моментов инерции и сопротивления профиля вычислены по номинальным размерам. При вычислении массы 1 м профиля плотность стали принята равной 7,85 г/см3.

1.10. Горячекатаные профили изготовляются длиной от 1,8 до 10 м, гнутые - от 4 до 12 м.

1.11. Профили изготовляются:

мерной длины;

кратной мерной длины;

немерной длины.

По соглашению сторон допускается изготовление профилей ограниченной длины в пределах немерной.

Длина горячекатаных профилей, порезанных на прессах, измеряется без учета смятой части.

(Измененная редакция, Изм. № 1, 2).

1.12. При изготовлении профилей немерной длины допускается наличие остатка в количестве не более 10 % массы партии.

(Измененная редакция, Изм. № 1).

1.13. Предельные отклонения по длине мерной и кратной мерной длины не должны превышать:

+40 мм для профилей длиной до 7 м, +5 мм на каждый метр свыше 7м - для высокой точности порезки;

+80 мм - для профилей длиной свыше 7 м - для обычной точности порезки.

(Измененная редакция, Изм. № 1, 2).

2. ТЕХНИЧЕСКИЕ ТРЕБОВАНИЯ

2.1. Общие технические требования - по ГОСТ 535-88 и ГОСТ 11474-76.

2.2. Профили должны изготовляться из стали марки Ст3кп с химическим составом и нормируемыми показателями для горячекатаных профилей - 2 категории ГОСТ 535-88, для гнутых профилей - 4 категории ГОСТ 16523-97, 2 категории ГОСТ 14637-89.

Допускается изготовление профилей из стали других марок.

(Измененная редакция, Изм. № 3).

2.3. Скручивание горячекатаных профилей не допускается.

2.4. Скручивание гнутых профилей не должно превышать 1° на 1 м.

Общее скручивание гнутых профилей не должно превышать произведения допустимого скручивания 1 м на длину профиля в метрах, но не более 10°.

2.5. Кривизна профилей на 1 м не должна превышать:

2 мм - для горячекатаных;

1 мм - для гнутых.

2.6. Волнистость гнутых профилей по кромкам не должна превышать 2 мм на 1 м.

3. ПРАВИЛА ПРИЕМКИ

3.1. Правила приемки - по ГОСТ 535-88 и ГОСТ 11474-76.

3.2. (Исключен, Изм. № 1).

4. МЕТОДЫ ИСПЫТАНИЙ

4.1. Контроль размеров поперечного сечения горячекатаных профилей производят на расстоянии 300 мм от торцов, гнутых профилей - на расстоянии 300 мм при поштучном профилировании и 50 мм при непрерывном профилировании.

4.2-4.6. (Исключены, Изм. № 1).

4.7. Схема измерения высоты и ширины профилей представлена на черт. 13.

(Измененная редакция, Изм. № 1).

4.8. Методы испытаний - по ГОСТ 535-88 и ГОСТ 11474-76.

4.9. Геометрические размеры и форму профилей проверяют при помощи измерительных инструментов по ГОСТ 162-90, ГОСТ 166-89, ГОСТ 427-75, ГОСТ 5378-88, ГОСТ 6507-90, ГОСТ 7502-98, ТУ 2-034-228-88.

Черт. 13

4.10. Размеры профилей, для которых не установлены предельные отклонения, на готовом профиле не контролируют. Они обеспечиваются технологией изготовления.

Контроль толщины полок профиля № 1 проводится по калибрам валков.

4.8-4.10. (Введены дополнительно, Изм. № 1).

5. МАРКИРОВКА, УПАКОВКА И ТРАНСПОРТИРОВАНИЕ

5.1. Упаковка, маркировка, транспортирование и хранение - по ГОСТ 535-88 и ГОСТ 11474-76.

(Измененная редакция, Изм. № 1).

5.2. (Исключен, Изм. № 1).

СОДЕРЖАНИЕ

 

 




ГОСТЫ, СТРОИТЕЛЬНЫЕ и ТЕХНИЧЕСКИЕ НОРМАТИВЫ.
Некоммерческая онлайн система, содержащая все Российские Госты, национальные Стандарты и нормативы.
В Системе содержится более 150000 файлов нормативно-технической документации, действующей на территории РФ.
Система предназначена для широкого круга инженерно-технических специалистов.

Рейтинг@Mail.ru Яндекс цитирования

Copyright © www.gostrf.com, 2008 - 2025