Крупнейшая бесплатная информационно-справочная система онлайн доступа к полному собранию технических нормативно-правовых актов РФ. Огромная база технических нормативов (более 150 тысяч документов) и полное собрание национальных стандартов, аутентичное официальной базе Госстандарта. GOSTRF.com - это более 1 Терабайта бесплатной технической информации для всех пользователей интернета. Все электронные копии представленных здесь документов могут распространяться без каких-либо ограничений. Поощряется распространение информации с этого сайта на любых других ресурсах. Каждый человек имеет право на неограниченный доступ к этим документам! Каждый человек имеет право на знание требований, изложенных в данных нормативно-правовых актах!

  


 

ГОСТ 25051.4-83

МЕЖГОСУДАРСТВЕННЫЙ СТАНДАРТ

 

УСТАНОВКИ ИСПЫТАТЕЛЬНЫЕ
ВИБРАЦИОННЫЕ ЭЛЕКТРОДИНАМИЧЕСКИЕ

ОБЩИЕ ТЕХНИЧЕСКИЕ УСЛОВИЯ

 

ИПК ИЗДАТЕЛЬСТВО СТАНДАРТОВ

Москва

 

МЕЖГОСУДАРСТВЕННЫЙ СТАНДАРТ

УСТАНОВКИ ИСПЫТАТЕЛЬНЫЕ ВИБРАЦИОННЫЕ ЭЛЕКТРОДИНАМИЧЕСКИЕ

Общие технические условия

Electrodynamic vibration testing equipment. General specifications

ГОСТ
25051.4-83

Дата введения 01.07.84

Настоящий стандарт распространяется на однокомпонентные электродинамические испытательные вибрационные установки (далее - установки), предназначенные для создания вибрации в вертикальном и (или) горизонтальном направлениях, и на функционально законченные их составные части, изготовляемые как самостоятельно, так и в составе установки.

Термины, применяемые в настоящем стандарте, - по ГОСТ 16504, ГОСТ 24346 и ГОСТ 25051.3.

1. ОСНОВНЫЕ ПАРАМЕТРЫ И ХАРАКТЕРИСТИКИ

1.1. Основные параметры и характеристики установки являются также основными параметрами и характеристиками вибростенда. Характеристики по пп. 1.2.15 - 1.2.21 относятся только к вибростенду.

Основные параметры и характеристики, отражающие специфические свойства установок (например воспроизводящих случайную вибрацию), должны быть указаны в стандартах или технических условиях на установки конкретных типов.

1.2. Основные параметры и характеристики установок

1.2.1. Значение номинальной вынуждающей силы вибростенда в ньютонах выбирают из ряда m × 10n, где m - одно из чисел ряда R 10 по ГОСТ 8032; n - целое положительное число.

(Измененная редакция, Изм. № 1).

1.2.2. Значение массы номинальной испытательной нагрузки (далее - номинальной нагрузки) вибростенда должно быть не менее массы нагрузки, при которой обеспечивается воспроизведение виброускорения (далее - ускорения) 100, 200 или 400 м/с2 (по согласованию с потребителем).

В технических условиях на вибростенд конкретного типа допускается указывать дополнительные нагрузки, при которых обеспечивается ускорение свыше 400 м/с2.

Массу номинальной нагрузки mном в килограммах определяют по формуле

,                                                                 (1)

где Fном - номинальная вынуждающая сила, Н;

а - ускорение, равное 100, 200 или 400 м/с2;

mпр - приведенная масса подвижной системы вибростенда, кг.

1.2.3. Установки должны обеспечивать получение ускорений и виброперемещений (далее - перемещений) в номинальных диапазонах их амплитуд и частот.

Номинальные диапазоны ускорений (перемещений) и соответствующие им номинальные диапазоны частот должны быть указаны в технических условиях на установки и (или) вибростенды конкретных типов для двух значений массы нагрузки вибростенда: m = 0, m = mном.

Нижние пределы номинальных диапазонов воспроизводимых перемещения и ускорения следует выбирать из ряда:

0,075; 0,15; 0,35; 0,5 мм - перемещения;

1; 5; 10; 20 м/с2 - ускорения.

Верхние пределы номинальных диапазонов воспроизводимых параметров вибрации при значении массы нагрузки вибростенда m = 0 должны быть не менее:

- для перемещения на частоте перехода от перемещения к скорости:

7,5 мм - при 500 H £ Fном £ 2000 H,

12,5 мм - при Fном > 2000 Н;

- для ускорения на частоте перехода от скорости к ускорению:

750 м/с2 - при 500 H £ Fном £ 2000 H,

1000 м/с2 - при Fном > 2000 H.

Значения нижних и верхних пределов номинальных диапазонов частот конкретных установок должны быть установлены в соответствии с требованиями на испытание изделий, при этом нижний предел номинального диапазона частот установки в герцах выбирают из ряда предпочтительных чисел R 10 по ГОСТ 8032, верхний предел номинального диапазона частот ограничивают значением первой резонансной частоты подвижной системы при соответствующей нагрузке вибростенда.

Примечание. Требования к верхним пределам номинальных диапазонов воспроизводимых параметров вибрации не распространяются на специализированные установки (например установки, предназначенные для создания амплитуд перемещения более 15 мм и ускорения более 1200 м/с2, а также установки, предназначенные для испытания изделий конкретного типа).

(Измененная редакция, Изм. № 1).

1.2.4. Пределы допускаемой погрешности воспроизведения ускорения и перемещений в контрольной точке в номинальном диапазоне частот и амплитуд не должны превышать ± 15 %. Исключение составляют частотные области, в которых значения коэффициентов гармоник и поперечных составляющих превышают номинальные.

1.2.5. Значения потребляемой мощности, габаритные размеры и масса установки (составных частей) должны быть указаны в технических условиях на установки конкретных типов или их составные части.

1.2.6. Значения коэффициента силы по мощности (удельная энергоемкость) установки и коэффициента силы по мощности вибростенда должны быть указаны в стандартах и (или) технических условиях на установки или вибростенды конкретных типов (см. приложение 1).

1.2.7. Время установления режима установок и их составных частей (время прогрева) должно быть указано в эксплуатационной документации и не должно быть более 30 мин.

1.2.8. Установки должны обеспечивать время непрерывной работы не менее 8 ч. При этом отклонение воспроизводимого ускорения (нестабильность) не должно быть более 15 % (без автоматического регулирования управления). Время установления режима не должно входить в продолжительность непрерывной работы.

1.2.9. В эксплуатационной документации на установки и (или) вибростенды конкретных типов должны быть указаны максимальные значения воспроизводимого ускорения и время непрерывной работы при этих ускорениях для значений массы нагрузки вибростенда, указанных в п. 1.2.3.

1.2.8, 1.2.9. (Измененная редакция, Изм. № 1).

1.2.10. Показатели надежности установок следует выбирать из ряда:

- не менее 500, 650, 800, 1000, 1250, 1500, 2000 ч - наработка на отказ;

- не менее 0,8; 0,85; 0,9; 0,95; 0,98 - вероятность безотказной работы за заданное время, выбираемое из ряда 8, 16, 24, 100, 200, 500 ч;

- не более 1; 2; 2,5; 3,15; 4; 5; 6,5; 8 ч - среднее время восстановления;

- не менее восьми лет - средний срок службы до списания.

Показатели надежности составных частей установок следует выбирать из условий обеспечения требований к показателям надежности установки в целом.

1.2.11. Напряжение радиопомех, создаваемых установками, не должно превышать значений, указанных в «Общесоюзных нормах допускаемых индустриальных радиопомех» 8-72, утвержденных Государственной комиссией по радиочастотам СССР.

1.2.12. Уровень вибрационного шума на столе вибростенда не должен быть более 0,25 нижнего предела номинального диапазона ускорения при значении массы нагрузки вибростенда, равном нулю.

1.2.13. Пределы допускаемой погрешности автоматического поддержания заданных уровней ускорения и (или) перемещения в номинальном диапазоне частот при ручном и автоматическом изменениях частоты не должны превышать ± 10 %.

1.2.14. Изменение воспроизводимого ускорения при изменении напряжения питания на ± 10 % не должно превышать 0,25 предела допускаемой погрешности воспроизведения ускорения.

Примечание. Требование распространяется на установки, предназначенные для работы без аппаратуры автоматического управления.

1.2.15. Коэффициент гармоник, коэффициент неравномерности распределения при значении массы нагрузки вибростенда, равном нулю, и коэффициент поперечных составляющих при значениях массы нагрузки вибростенда, равных нулю и номинальному в диапазоне частот от нижнего предела до не менее 0,7 верхнего предела номинального диапазона частот при соответствующей нагрузке, не должны быть более:

10 % - коэффициент гармоник ускорения;

25 % - коэффициент неравномерности распределения ускорения;

25 % - коэффициент поперечных составляющих ускорения.

Для каждой характеристики допускается наличие областей частот общей протяженностью не более 10 % верхнего предела номинального диапазона частот, где ее значения превышают номинальное.

Указанные характеристики должны быть приведены в техническом описании в виде графика функции от частоты.

Примечания

1. Допускается на частотах ниже 50 Гц коэффициенты гармоник, поперечных составляющих и неравномерности распределения нормировать по перемещению. При этом значения коэффициентов должны соответствовать требованиям, указанным выше.

2. По согласованию между изготовителем и потребителем в эксплуатационной документации на установку или вибростенд конкретного типа представляют зависимости коэффициентов гармоник и поперечных составляющих ускорения от частоты при значениях масс нагрузки вибростенда m = 0,25 mном и m = mном.

1.2.16. В эксплуатационной документации на установку или вибростенд конкретного типа должны быть приведены амплитудно-частотные характеристики (АЧХ) ускорения в контрольной точке в номинальном диапазоне частот при постоянном значении силы тока в подвижной катушке для значений массы нагрузки вибростенда, указанных в п. 1.2.3.

В стандартах и (или) технических условиях на установки или вибростенд конкретных типов должны быть указаны значения резонансной частоты подвески и первой резонансной частоты подвижной системы.

Значения первой резонансной частоты подвижной системы при массе нагрузки вибростенда, равной нулю, приведены в приложении 2.

1.2.15, 1.2.16. (Измененная редакция, Изм. № 1).

1.2.17. В стандартах и (или) технических условиях на установки или вибростенд конкретных типов должны быть указаны максимальные уровни индукции магнитного поля рассеяния над столом вибростенда. При наличии требований к компенсации магнитного поля рассеяния значение магнитной индукции над столом вибростенда не должно быть более 10-3 Тл.

1.2.18. Допускаемые моменты сил от предельной нагрузки, приложенной по линии, перпендикулярной к рабочей оси вибростенда, и от эксцентриситета нагрузки, приложенной вдоль рабочей оси вибростенда, должны быть указаны в стандартах и (или) технических условиях на установки и (или) вибростенд конкретных типов.

(Измененная редакция, Изм. № 1).

1.2.19. Значение приведенной массы подвижной системы должно быть указано в стандартах и (или) технических условиях на установки и (или) вибростенд конкретных типов.

1.2.20. Температура стола вибростенда не должна быть более 50 °С.

1.2.21. В стандартах и (или) технических условиях на вибростенд конкретного типа должны быть приведены активное электрическое сопротивление подвижной катушки и электрическое сопротивление постоянному току катушки подмагничивания и подвижной катушки.

(Измененная редакция, Изм. № 1).

1.3. Основные параметры и характеристики аппаратуры задания, управления и измерения параметров вибрации

1.3.1. Пределы допускаемых значений основной и дополнительной погрешностей установки частоты в зависимости от изменения температуры и напряжения питания, а также пределы допускаемой нестабильности частоты аппаратуры задания по нормативно-технической документации не должны превышать значений, указанных в таблице.

Пределы погрешности установки частоты, Гц

Пределы допускаемой нестабильности, Гц

основной

дополнительной

от изменения температуры окружающего воздуха на каждые 10 °С в пределах рабочих температур

от изменения напряжения питания в пределах  10 %

± (0,5 + 5 × 10–3 fном)

± 10–3 fном

± 3 × 10– 4 fном

± 5 × 10– 4 fном

Примечания

1. fном номинальное значение устанавливаемой частоты, Гц.

2. При наличии в генераторе электронно-цифрового отсчета частоты указывают дополнительную составляющую погрешности, обусловленную дискретностью счета.

(Измененная редакция, Изм. № 1).

1.3.2. Номинальное выходное напряжение на частоте 400 Гц должно быть не менее 3 В (среднее квадратическое значение) и соответствовать требованиям п. 1.4.1.

1.3.3. Нестабильность номинального выходного напряжения аппаратуры задания должна соответствовать нормативно-технической документации.

1.3.4. Предельно допускаемый коэффициент гармоник аппаратуры задания при номинальном выходном напряжении следует выбирать из ряда: не более (0,1; 0,25; 0,5; 1,0* %).

1.3.3, 1.3.4. (Измененная редакция, Изм. № 1).

1.3.5. Выходное сопротивление аппаратуры задания должно быть не более 1 кОм.

1.3.6. Динамический диапазон регулирования аппаратуры управления следует выбирать из ряда: не менее (60; 70; 80 дБ).

1.3.7. Погрешность автоматического регулирования следует выбирать из ряда: не более (0,1; 0,2; 0,5*; 1,0* дБ).

1.3.8. Относительную погрешность автоматической развертки (качания) частоты на любом участке номинального диапазона частот следует выбирать из ряда: не более (1,0; 2,5; 5,0; 10* %) для диапазонов скорости 0,1 - 99 или 0,1 - 60* Гц/с и 0,1 - 99 или 0,1 - 60* окт./мин).

_________

* Распространяется только на аппаратуру, техническое задание на которую было утверждено до 01.01.91.

1.3.9. Пределы допускаемой основной относительной погрешности виброметра на фиксированной (базовой) частоте не должны быть более ± 6 %, неравномерность АЧХ виброметра не должна быть более ± 10 % по нормативно-технической документации.

1.3.6-1.3.9. (Измененная редакция, Изм. № 1).

1.3.10. Пределы допускаемого значения дополнительной погрешности виброметра от изменения напряжения источника питания на ± 10% не должны быть более 0,25 от предела основной погрешности.

1.3.11. Значение коэффициента поперечного преобразования виброизмерительного преобразователя (ВИП) не должно быть более 5 %.

1.3.12. Номенклатура и требования к основным параметрам и характеристикам аппаратуры задания, управления и измерения параметров случайной вибрации приведены в приложении 3.

1.4. Основные параметры и характеристики усилителя мощности

1.4.1. Номинальное напряжение на входе усилителя мощности должно быть не более 3 В (среднее квадратическое значение).

1.4.2. В стандартах и (или) технических условиях на установки или усилители мощности конкретных типов должны быть указаны значения следующих характеристик:

- активная номинальная нагрузка;

- номинальное выходное напряжение и (или) сила тока;

- допускаемое изменение выходного напряжения и (или) сила тока при изменении напряжения питания на ± 10 %.

1.4.3. Значение номинальной выходной мощности усилителя при работе на активную номинальную нагрузку следует выбирать из ряда m × 10n, где m - одно из чисел ряда R10 по ГОСТ 8032, и - целое положительное число.

1.4.4. Коэффициент гармоник выходного напряжения при выходной мощности усилителя, обеспечивающей воспроизведение номинальных параметров вибрации, должен быть:

- не более 0,5 % - в диапазоне частот до 0,25 fпред;

- не более 1,0 % -- в диапазоне частот от 0,25 fпред до 0,50 fпред;

- не более 2,0 % - в диапазоне частот от 0,50 fпред до fпред,

где fпред - верхнее значение номинального диапазона частот усилителя мощности.

Для усилителей мощности класса Д в технической документации на усилитель (установку) должно быть указано допускаемое значение коэффициента гармоник сигнала усилителя при выходной мощности, равной 0,1 номинальной мощности.

1.4.3, 1.4.4. (Измененная редакция, Изм. № 1)

1.4.5. Неравномерность АЧХ усилителя мощности в номинальном диапазоне частот не должна быть более 3 дБ.

1.4.6. Значение отношения номинального выходного сигнала к уровню собственных шумов и фона должно быть не менее 70 дБ.

(Измененная редакция, Изм. № 1).

1.4.7. Усилитель должен устойчиво работать при отключении нагрузки, при этом выходной уровень напряжения не должен повышаться более чем на 3 дБ.

1.4.8. Модуль входного сопротивления усилителя мощности в номинальном диапазоне частот должен быть не менее 10 кОм.

(Измененная редакция, Изм. № 1).

1.5. Основные параметры и характеристики источника питания катушки подмагничивания и (или) размагничивания

1.5.1. В стандартах и (или) технических условиях на источник питания катушек подмагничивания и размагничивания конкретного типа должны быть указаны выходное напряжение и (или) сила тока.

2. ТЕХНИЧЕСКИЕ ТРЕБОВАНИЯ

2.1. Установки должны соответствовать требованиям настоящего стандарта, стандартов и (или) технических условий на установки конкретных типов по рабочим чертежам, утвержденным в установленном порядке.

2.2. Установки и их составные части должны быть изготовлены в климатическом исполнении УХЛ, категории размещения 4.2 по ГОСТ 15150, в части воздействия механических факторов - по ГОСТ 23216 для условий транспортирования С. По способу защиты человека от поражения электрическим током установки относят к классу защиты I по ГОСТ 12.2.007.0.

2.3. Электропитание установки должно осуществляться от одно- или трехфазной сети переменного тока напряжением 220 или 220/380 В соответственно частотой 50 Гц. Предельные отклонения напряжения не должны превышать ± 10 % номинального значения, частоты - по ГОСТ 13109.

2.4. Электрические прочность и сопротивление изоляции цепей - по ГОСТ 12997.

2.5. Установки должны быть снабжены следующими устройствами:

- защиты от повреждения их составных частей;

- сигнализации о нарушении работоспособности;

- измерения перемещения, скорости и ускорения с пределами измерения:

перемещения - 0,1-0,3-1-3-10-30 мм; 0,1-1-10-100 мм,

скорости - 1-3-10-30-100-300 см/с; 1-10-100-1000 см/с,

ускорения - 3-10-30-100-300-1000-3000 м/с2; 10-100-1000-10000 м/с2;

- ограниченными номинальными значениями диапазонов этих характеристик;

- цифровой индикации частоты с четырех-, пятизначными индикаторами при времени счета 0,1 с дискретностью ± 1 Гц; 1,0 с - дискретностью ± 0,1 Гц;

- контроля выходного тока и напряжения усилителя мощности, а также работоспособности его отдельных каскадов;

- контроля времени испытаний и (или) циклов качания частоты в виде трехзначного числа с выключением при достижении установленного времени и (или) циклов качания частоты;

- перехода от режима поддержания постоянства одного параметра в режим поддержания постоянства другого параметра и обратно на любой частоте, лежащей внутри диапазонов: 20 - 160 Гц - для перехода поддержания перемещения на скорость, 20 - 100 Гц - для перехода поддержания перемещения на ускорение, 40 - 1500 Гц - для перехода поддержания скорости на ускорение;

- снятия возбуждающего сигнала после наработки заданного числа циклов качания или времени испытаний и при неправильных воздействиях оператора на органы управления, находящиеся в цепи обратной связи;

- программного многоточечного перехода от режима поддержания постоянства одного параметра в режим поддержания другого параметра и программного перехода с одного уровня воспроизводимого параметра на другой, или должна быть обеспечена возможность применения внешних программных устройств многоточечного перехода от одного режима к другому;

- развертки частоты со скоростью 0,1 - 100 или 0,1 - 60* Гц/с и 0,1 - 100 или 0,1 - 60* окт./мин по линейному и логарифмическому законам изменения скорости развертки в номинальном диапазоне частот с реверсированием.

(Измененная редакция, Изм. № 1).

__________

* Распространяется только на аппаратуру, техническое задание на которую было утверждено до 01.01.91.

2.6. В установках должна быть предусмотрена возможность управления и контроля параметров воспроизводимой вибрации с помощью средств вычислительной техники, регистрации воспроизводимых параметров вибрации, кратковременного прекращения развертки и перемены ее направления на любой частоте, а также проведения периодической поверки средств измерений и проверки других составных частей установки.

2.7. Наружные металлические поверхности деталей установок и их составных частей должны иметь защитные покрытия в соответствии с требованиями технических условий на них.

2.8. На столе вибростенда должна быть обозначена контрольная точка.

2.9. В стандартах и (или) в технических условиях на установки и (или) вибростенд конкретных типов должны быть указаны требования к конструкции и посадочным поверхностям стола и эквивалента нагрузки вибростенда (см. приложение 4).

2.10. Расположение отверстий на столе вибростенда для крепления испытуемых изделий и их диаметры должны быть указаны в эксплуатационной документации на вибростенд конкретного типа (см. приложение 5).

Размер резьбы штока (для вибростенда без стола) должен соответствовать одному из значений ряда: М14 ´ 1-7д; М16 ´ 1-7д; М24 ´ 1,5-7д; М36 ´ 1,65-7д.

3. ТРЕБОВАНИЯ БЕЗОПАСНОСТИ

3.1. Установки и их составные части должны соответствовать требованиям ГОСТ 12.2.007.0 и «Правилам устройства электроустановок».

3.2. В стандартах и (или) технических условиях на установки и (или) вибростенд конкретных типов следует указывать их вибрационные характеристики согласно ГОСТ 12.1.012 и шумовые характеристики в соответствии с ГОСТ 12.1.023 в виде октавных уровней звуковой мощности для режимов:

- установка готова к работе (включены все составные части и вспомогательные устройства), сигнал возбуждения не подан;

- при верхнем пределе номинального диапазона ускорения и значении массы нагрузки вибростенда, равном нулю.

4. КОМПЛЕКТНОСТЬ

4.1. В комплект установки должны входить аппаратура задания и (или) управления; усилитель мощности; вибростенд; вспомогательные устройства, обеспечивающие ее функционирование; виброметры ускорения и перемещения; эквиваленты нагрузок усилителя мощности и вибростенда (по требованию потребителя); комплект запасных деталей, инструмента и принадлежностей (ЗИП), в том числе не менее экземпляра подвижной системы вибростенда в сборе и силоизмерительный ключ.

4.2. Комплектность составных частей установки, изготовляемых как самостоятельные изделия, следует устанавливать в стандартах и (или) технических условиях на конкретную составную часть.

4.3. К установке и (или) составной ее части должна быть приложена эксплуатационная документация по ГОСТ 2.601.

5. ПРИЕМКА

5.1. Для проверки соответствия установок или их составных частей требованиям настоящего стандарта, стандартов и (или) технических условий на установки (составные части) конкретных типов предприятие-изготовитель должно проводить квалификационные, приемосдаточные, периодические испытания и испытания на надежность.

5.2. Последовательность испытаний должна быть указана в технических условиях на установки конкретных типов,

5.3. Установки следует проверять на соответствие требованиям:

- пп. 1.2.1-1.2.8, 1.2.11-1.2.21, 1.3.1-1.3.11, 1.4.1-1.4.8, 1.5.1, 2.1-2.10, 3.1 и 3.2 - при квалификационных испытаниях;

- пп. 1.2.1, 1.2.3, 1.2.4, 1.2.6, 1.2.8, 1.2.12-1.2.18, 1.2.17 (при условии компенсации магнитного поля), 1.3.1 (только пределы допускаемого значения основной погрешности установки частоты), 1.3.2-1.3.4, 1.3.6-1.3.11, 1.4.1, 1.4.3-1.4.7, 1.5.1, 2.1, 2.4 - при приемосдаточных испытаниях;

- пп. 1.2.1-1.2.8, 1.2.11-1.2.21, 1.3.1-1.3.11, 1.4.1-1.4.8, 1.5.1, 2.1, 2.4, 2.10, 3.1, 3.2 - при периодических испытаниях.

Соответствие установок требованиям к электрической прочности и сопротивлению изоляции цепей следует проверять при испытаниях всех видов.

5.4. Приемосдаточным испытаниям следует подвергать каждую установку.

Если в процессе приемосдаточных испытаний будет обнаружено несоответствие установки хотя бы одному из пунктов проверяемых требований, то после устранения дефекта установки предъявляют для повторной приемки по пунктам несоответствия и пунктам, по которым испытания не проводились. При необходимости приемку осуществляют в полном объеме.

(Измененная редакция, Изм. № 1).

5.5. Периодическим испытаниям следует подвергать 2 % установок годового выпуска, но не менее трех, не реже раза в год. При годовом выпуске менее трех установок испытаниям подвергают все установки.

Установки, удовлетворяющие всем требованиям, на соответствие которым проводились периодические испытания, считают выдержавшими эти испытания.

Если при периодических испытаниях будет обнаружено несоответствие какой-либо установки хотя бы одному из пунктов проверяемых требований, то их подвергают повторным испытаниям в полном объеме периодических испытаний на удвоенном числе установок, если иное не предусмотрено в стандартах или технических условиях на установки конкретных типов. Результаты испытаний являются окончательными.

5.6. Квалификационные испытания следует проводить не менее чем на трех образцах установок из первой промышленной партии, впервые поставленной на производство.

5.7. Пригодность каждой установки должна быть удостоверена клеймом и печатью ОТК предприятия-изготовителя, проставляемыми в разделе «Свидетельство о приемке» формуляра на установку. Место клеймения указывают в стандартах и (или) технических условиях на установки конкретных типов.

5.8. Испытания установок на надежность проводят по РД 50-650 и РД 50-690.

(Измененная редакция, Изм. № 1).

5.9. Средства измерений, входящие в состав установки, должны быть подвергнуты государственным испытаниям по ГОСТ 8.001* или метрологической аттестации по ГОСТ 8.326*.

_________

* На территории Российской Федерации действуют ПР 50.2.009-94.

6. МЕТОДЫ КОНТРОЛЯ

6.1. Общие положения

6.1.1. Для контроля технических характеристик установок следует использовать средства измерений, удовлетворяющие требованиям ГОСТ 25051.3.

Параметры вибрации измеряют в контрольной точке стола вибростенда, если не предусмотрены иные условия измерений. При этом изменение частоты возбуждения осуществляют плавно, в протоколах фиксируют значения измеряемых параметров на границах номинального диапазона частот установки, на частотах из ряда 0,1; 0,5; 1,0; 2; 4; 8; 16 Гц и третьоктавного ряда по ГОСТ 12090 или ближайших к ним числовым отметкам шкалы задающего генератора в пределах номинального диапазона частот, а также на частотах с наименьшими значениями верхних пределов перемещений и ускорений и в полосах частот, в которых значения измеряемых параметров (п. 1.2.15) превышают номинальные.

6.1.2. Контроль установок проводят в нормальных климатических условиях по ГОСТ 15150.

6.1.3. Климатические испытания (п. 2.2) проводят в соответствии с методами, изложенными в ГОСТ 22261. Требования к допускаемым изменениям значений характеристик установок и (или) составных ее частей при изменении температуры окружающей среды должны быть указаны в технических условиях на установки конкретных типов или их составные части.

После окончания испытаний установки (составной части) ее проверяют на соответствие требованиям пп. 1.2.3 и 1.2.15 (только в части коэффициента гармоник ускорения).

Примечания

1. Если масса, габаритные размеры и конструкция установки не позволяют испытывать их в полном комплекте на существующем испытательном оборудовании, то испытания проводят поблочно. Порядок таких испытаний устанавливают в стандартах и (или) технических условиях на установки конкретного типа.

2. В технически обоснованных случаях, при отсутствии соответствующего испытательного оборудования, испытания на климатические воздействия допускается не проводить.

6.1.4. Испытания на механические воздействия (п. 2.2) установки или ее составных частей следует проводить в соответствии с ГОСТ 23216 для условий С при ускорении 98,1 м/с2 и длительности 2 - 15 мс или путем перевозки на автомашинах. После окончания испытаний проводят внешний осмотр установки (составной части) с целью выявления механических повреждений и проверку на соответствие требованиям пп. 1.2.3, 1.2.15 (в части коэффициента гармоник ускорения).

6.1.5. При контроле категории исполнения установок (п. 2.2) и общих требований к конструкции (пп. 2.5 - 2.10) проверяют в процессе разработки и изготовления соответствие установок требованиям настоящего стандарта и (или) стандартов на установки конкретных типов, требованиям технических условий, технического описания, чертежей и схем на установки.

6.1.6. Электропитание при испытаниях установок в целом должно соответствовать требованиям, указанным в п. 2.3.

6.1.7. Проверка электрических прочности и сопротивления изоляции цепей (п. 2.4) - по ГОСТ 12997.

6.1.8. Проверку наработки заданного числа циклов качания частоты (п. 2.5) проводят путем последовательной установки на задающем генераторе аппаратуры управления при номинальном выходном напряжении одного или более числа циклов. При числе циклов качания более одного скорость качания частоты принимают максимальной. После наработки заданного числа циклов выходное напряжение генератора должно уменьшиться до значения, соответствующего практической остановке вибростенда (например с 3 В до 20 мВ).

6.1.9. Частоты автоматического перехода с режима постоянства одного параметра на режим постоянства другого параметра (п. 2.5) в заданном диапазоне частот проверяют в последовательности, приведенной ниже.

Устанавливают заданные значения частот перехода и соответствующие им уровни вибрации (перемещения, скорости, ускорения). В автоматическом режиме развертки частоты в узком диапазоне вблизи частот перехода по показаниям прибора и сигнализации индикаторных ламп убеждаются в автоматическом переключении режимов на установленных частотах перехода. Аппаратура пригодна, если частота перехода может быть установлена на любой частоте из диапазона частот перехода по п. 2.5 с допускаемым отклонением в пределах ± 2 Гц.

Методика может быть уточнена в технической документации на конкретный тип прибора.

(Измененная редакция, Изм. № 1).

6.1.10. Соответствие установок требованиям п. 2.9 обеспечивается технологическим процессом.

6.1.11. При контроле требований безопасности (п. 3.1) проверяют соответствие требованиям настоящего стандарта чертежей и схем на установку и их реализацию на изготовленных образцах путем открывания соответствующих крышек дверей или извлечением блоков, измерением электрического сопротивления между зажимами заземления и каждой доступной для прикасания металлической наружной частью установки и температуры наружных поверхностей установки с помощью любых средств измерений, обеспечивающих требуемые значения контролируемых величин.

6.1.12. Комплектность (пп. 4.1 - 4.3), обеспеченность установки поверочными средствами измерений (п. 6.1.1) и маркировку (пп. 7.1 и 7.2) проверяют сличением с техническими условиями на установку и визуальной проверкой:

- внешнего вида всех составных частей установки;

- наличия эксплуатационной документации;

- маркировки установки в соответствии с конструкторской документацией;

- наличия поверительного клейма и свидетельства о поверке средств измерений, входящих в состав установки и удостоверяющих их пригодность и срок очередной поверки.

6.1.13. Методы контроля основных параметров и характеристик установок конкретных типов, например многокомпонентных или их составных частей, должны быть указаны в стандартах или технических условиях на эти установки или их составные части.

6.2. Проверка соответствия техническим требованиям

6.2.1. Основные параметры и характеристики установки и (или) их составных частей по пп. 1.2.3, 1.2.4, 1.2.8, 1.2.12, 1.2.13, 1.2.17 и 1.2.20 следует проверять по ГОСТ 25051.3, по пп. 1.3.9-1.3.11 - по МИ 1873.

Методы контроля виброметров, на которые МИ 1873 не распространяются, должны быть приведены в стандартах или технических условиях на установки или виброметры конкретных типов.

(Измененная редакция, Изм. № 1).

6.2.2. Номинальную вынуждающую силу (п. 1.2.1) и массу номинальной нагрузки (п. 1.2.2) проверяют на частоте 400 Гц.

Номинальную вынуждающую силу Fном в ньютонах определяют по формуле

Fном = mпр × aном,                                                       (2)

где Fном - приведенная масса подвижной системы, определяемая по п. 6.2.15, кг;

aном - верхний предел номинального ускорения при значении массы нагрузки на столе вибростенда, равном нулю.

Массу номинальной нагрузки проверяют путем определения возможности воспроизведения ускорения 100, 200 или 400 м/с2 при номинальной нагрузке на столе вибростенда.

6.2.3. Мощность (п. 1.2.5), потребляемую установкой, определяют на частоте 400 Гц при номинальной нагрузке вибростендам на верхнем пределе номинального диапазона ускорения методом амперметра-вольтметра.

Параллельно с определением мощности, потребляемой установкой, определяют мощность, потребляемую вибростендам. При этом амперметры и вольтметры должны быть подключены на вход подвижной катушки и катушки подмагничивания вибростенда. Мощность, потребляемую вибростендом, определяют как сумму мощностей, потребляемых подвижной катушкой и катушкой подмагничивания.

Мощность, потребляемую остальными составными частями установки, следует определять в номинальном режиме работы на частоте 400 Гц.

6.2.4. Габариты и другие размеры (пп. 1.2.5 и 2.10) проверяют измерением указанных в технических условиях и чертежах размеров линейкой или любым измерительным инструментом, обеспечивающим требуемую точность измерения.

6.2.5. Массу (п. 1.2.5) проверяют взвешиванием составных частей установки на любых весах, обеспечивающих требуемую точность взвешивания.

6.2.6. Коэффициент силы по мощности (п. 1.2.6), потребляемой установкой и (или) вибростендом, определяют на частоте 400 Гц делением номинальной вынуждающей силы на мощность, потребляемую соответственно установкой и вибростендом.

6.2.7. Время непрерывной работы (п. 1.2.8) определяют интервалом, в котором обеспечиваются требования к отклонению воспроизводимого ускорения (п. 1.2.6) и температуре стола или других частей установки (п. 1.2.20) и отсутствует изменение формы кривой ускорения, определяемых по методике, изложенной в ГОСТ 25051.3.

6.2.8. Методика испытаний установки и (или) ее составных частей на надежность (п. 1.2.10) должна быть приведена в стандартах и (или) технических условиях на установки (составные части) конкретного типа в соответствии с требованиями, установленными в РД 50-650 и РД 50-690.

Методика испытаний должна регламентировать проверку функционирования установки (составной части) при различных режимах ее работы в рабочих климатических условиях. За отказ при испытаниях необходимо принимать несоответствие установки хотя бы одному из требований, указанных в пп. 1.2.3, 1.2.4, 1.2.12-1.2.15, 1.2.18, 1.3.1, 1.3.4, 1.3.6-1.3.10, 1.4.3-1.4.7 и 1.5.1.

Допускается испытание установки на надежность проводить в условиях подконтрольной эксплуатации у потребителя.

Методика испытаний должна соответствовать требованиям РД 50-690.

6.2.7, 6.2.8. (Измененная редакция, Изм. № 1).

6.2.9. Уровень напряжения радиопомех (п. 1.2.11) определяют при работе установки на частоте 400 Гц при верхнем пределе номинального диапазона ускорения и номинальной нагрузке.

Уровень напряжения радиопомех определяют по ГОСТ 16842* и «Общесоюзным нормам допускаемых индустриальных радиопомех» 8-72 со следующими дополнениями.

_________

* На территории Российской Федерации действует ГОСТ Р 51320-99.

Измерения проводят на частотах: 0,15; 0,25; 0,5; 1,5; 2,5; 3,0; 6,0; 10,0; 15,0; 30,0 МГц с отклонениями ± 10 %.

Сначала измеряют напряжение радиопомех в сети при отключенной установке. Если уровень напряжения радиопомех в сети, фиксируемый измерителем радиопомех, не менее чем на 10 дБ ниже установленной нормы, то можно приступить к измерению уровня радиопомех, вносимых установкой. Если это условие не выполняется, необходимо найти и отключить источник радиопомех, вызывающий превышение уровня помех в сети, или перенести на то время, когда сеть не нагружена посторонними источниками радиопомех.

Затем включают установку на частоте 400 Гц и измеряют уровень напряжения радиопомех не менее трех раз на каждой указанной выше частоте и в каждой фазе сети.

6.2.10. Допускаемое изменение ускорения при изменении напряжения питания (п. 1.2.14) определяют на частоте 400 Гц при ускорении, равном 0,3 верхнего предела номинального диапазона. Изменение напряжения питания осуществляют с помощью регулятора напряжения.

Примечание. В случае отсутствия серийно выпускаемого регулятора напряжения соответствующей мощности допускается не проводить испытания по п. 1.2.14.

6.2.11. Коэффициенты гармоник и поперечных составляющих (п. 1.2.15) проверяют по результатам измерений в контрольной точке стола вибростенда по методике, изложенной в ГОСТ 25051.3.

Установка должна соответствовать предъявляемым требованиям при определении коэффициента гармоник и коэффициента поперечных составляющих по результатам измерений в любой другой точке крепления стола вибростенда.

6.2.12. Коэффициент неравномерности распределения (п. 1.2.15) проверяют измерением ускорения ненагруженного стола вибростенда по методике, изложенной в ГОСТ 25051.3.

6.2.13. Резонансную частоту подвески и первую резонансную частоту подвижной системы (п. 1.2.16) проверяют при значении массы нагрузки вибростенда, равном нулю, по методике, изложенной в ГОСТ 25051.3.

6.2.14. Допускаемые моменты сил от эксцентриситета нагрузки и нагрузки, приложенной перпендикулярно к рабочей оси вибростенда (п. 1.2.18), проверяют в соответствии с требованиями ГОСТ 25051.3.

Нагрузки считают допускаемыми, если значение воспроизводимого ускорения (перемещения) и коэффициента гармоник ускорения, полученные по результатам испытаний, находятся в пределах, установленных в стандартах и (или) технических условиях на установки или вибростенды конкретных типов.

Предельную нагрузку, действующую по линии, перпендикулярной к рабочей оси, проверяют для вибростендов, снабженных поворотным устройством и предназначенных для создания горизонтальных колебаний.

(Измененная редакция, Изм. № 1).

6.2.15. Приведенную массу подвижной системы (п. 1.2.19) определяют на частоте 400 Гц измерением ускорения в контрольной точке стола вибростенда при отсутствии нагрузки на столе и наличии нагрузки известной массы при постоянном значении силы тока в подвижной катушке.

Приведенную массу системы mпр в килограммах вычисляют по формуле

,                                                       (3)

где m0 - масса нагрузки, кг;

а1 а2 - ускорения в контрольной точке соответственно без нагрузки и с нагрузкой, м/с2.

6.2.16. Активное электрическое сопротивление обмотки подвижной катушки вибростенда (п. 1.2.21) проверяют методом вольтметра - амперметра в диапазоне частот 50-500 Гц при ускорении, равном 0,3 верхнего предела номинального диапазона. За активное принимают минимальное сопротивление, полученное в указанном диапазоне частот.

6.2.17. Электрическое сопротивление постоянному току обмоток подвижной катушки и катушки подмагничивания (п. 1.2.21) проверяют методом вольтметра-амперметра или с помощью омметра по ГОСТ 23706.

6.2.18. Аппаратуру задания по пп. 1.3.1-1.3.5 проверяют в соответствии с указаниями инструкции по эксплуатации и техническими условиями на аппаратуру задания конкретного типа, составленными согласно требованиям нормативно-технической документации, утвержденной в установленном порядке.

6.2.19. Динамический диапазон регулирования (п. 1.3.6) и погрешность регулирования (п. 1.3.7) аппаратуры управления (АУ) проверяют на частоте 400 Гц по схеме, приведенной на черт. 1, в последовательности, изложенной ниже.

1 – АУ; 2 – аттенюатор; 3 – электронный
милливольтметр; П – переключатель

Черт. 1

Переключатель устанавливают в положение I, при котором ослабление численно равно значению определяемого динамического диапазона регулирования. Показания виброметра АУ устанавливают на уровне 0,8 конечного значения шкалы или всего объема счетчика при максимально возможном напряжении на выходе генератора АУ и начале режима регулирования. В этом положении измеряют напряжение U1 на входе АУ. Переключатель устанавливают в положение II и измеряют напряжение U2 на входе АУ.

Динамический диапазон регулирования соответствует заданному, если погрешность регулирования не превышает допускаемых значений.

Погрешность автоматического регулирования 8 в децибелах вычисляют по формуле

.                                                (4)

Общее сопротивление аттенюатора должно быть 10 кОм, погрешность аттенюатора - не более 10 %.

Методика на конкретный тип аппаратуры управления уточняется в технической документации.

6.2.20. Скорость развертки частоты АУ (п. 1.3.8) проверяют измерением времени прохождения диапазона частот в двух направлениях.

Скорость развертки частоты v в герцах (октавах) в секунду (минуту) определяют по формуле

,                                                         (5)

где B - диапазон частот, Гц (октава);

t - время, с (мин).

В скобках указаны единицы измерения скорости логарифмической развертки частоты.

Относительная погрешность скорости развертки частоты не должна превышать допускаемых значений, указанных в п. 1.3.8.

6.2.21. Номинальные напряжения на входе (п. 1.4.1) и на выходе (п. 1.4.2), номинальную выходную мощность (п. 1.4.3) и коэффициент гармоник (п. 1.4.4) усилителя мощности проверяют по схеме, приведенной на черт. 2.

1 - генератор; 2 и 5 - электронный вольтметр; 3 - усилитель мощности; 4 - измеритель коэффициента гармоник; 6 – эквивалент нагрузки усилителя мощности

Черт. 2

Номинальные входное и выходное напряжения проверяют на частоте 400 Гц с помощью электронного вольтметра при номинальной выходной мощности.

Мощность усилителя определяют измерением переменного напряжения на зажимах эквивалента нагрузки усилителя в номинальном диапазоне частот с интервалом в одну октаву до 1000 Гц, далее не реже чем через 1000 Гц. При этом значение выходного напряжения не должно превышать его номинального значения, а коэффициент гармоник - допускаемого значения.

Значение выходной мощности усилителя Р в вольт-амперах на текущей частоте вычисляют по формуле

,                                                        (6)

где U - выходное напряжение, В;

R - активное сопротивление эквивалента нагрузки, Ом.

Коэффициент гармоник выходного сигнала усилителя мощности определяют с помощью измерителя коэффициента гармоник.

Примечание. Эквивалент нагрузки усилителя мощности - техническое устройство, полное электрическое сопротивление которого соответствует полному электрическому сопротивлению работающего вибростенда на частоте электромеханического резонанса или частоте 400 Гц. Сведения об эквиваленте должны быть приведены в эксплуатационной документации.

6.2.16 - 6.2.21. (Измененная редакция, Изм. № 1).

6.2.22. Неравномерность АЧХ усилителя мощности (п. 1.4.5) проверяют по АЧХ, снятой по схеме, приведенной на черт. 2, при значении напряжения на входе, равном 0,3 номинального значения.

Наибольшее значение неравномерности АЧХ N децибелах определяют отношением

,                                                        (7)

где Umax, Umin - соответственно наибольшее и наименьшее значения напряжения на выходе усилителя мощности в номинальном диапазоне частот, В.

6.2.23. Уровень собственных шумов усилителя (п. 1.4.6) проверяют измерением напряжения на эквиваленте нагрузки при отключенной аппаратуре задания и подключении на вход усилителя резистора, сопротивление которого равно выходному сопротивлению аппаратуры задания. При этом положение регулятора усилителя, если он имеется, должно соответствовать максимальному усилению.

Уровень шумов y в децибелах определяют отношением

,                                                         (8)

где Uном - среднее квадратическое значение номинального напряжения на выходе усилителя, В;

Uш - среднее квадратическое значение напряжения шумов на эквиваленте нагрузки усилителя, В.

6.2.24. Устойчивость работы усилителя мощности (п. 1.4.7) проверяют по схеме, указанной на черт. 2, измерением напряжения на выходе усилителя при включенной и отключенной нагрузке на частоте 400 Гц. При этом значение напряжения на выходе усилителя при включенной нагрузке должно быть равно 0,3 номинального значения.

Усилитель не должен возбуждаться (по осциллографу, подключенному на выход усилителя мощности, наблюдается форма выходного сигнала), а изменение напряжения на его выходе не должно превышать допускаемого уровня.

Изменение напряжения на выходе усилителя D в децибелах при отключенной нагрузке вычисляют по формуле

,                                                (9)

где U1 - напряжение на выходе при включенной нагрузке, В;

U2 - напряжение на выходе при отключенной нагрузке, В.

6.2.25. Модуль полного электрического входного сопротивления (п. 1.4.8) усилителя мощности определяют методом добавочного сопротивления на верхнем пределе номинального диапазона частот по ГОСТ 23849.

6.2.23 - 6.2.25. (Измененная редакция, Изм. № 1).

6.2.26. Зависимость выходного напряжения (силы тока) усилителя мощности от изменения напряжения сети (п. 1.4.2) определяют на частоте 400 Гц при амплитуде, равной приблизительно 0,3 номинального значения выходного напряжения. Напряжение сети изменяют с помощью регулятора напряжения.

Примечание. Зависимость выходного напряжения усилителя мощности от изменения напряжения сети допускается не определять в случае отсутствия регуляторов напряжения соответствующей мощности.

6.2.27. Номинальные значения силы выходного тока и напряжения источника питания катушки подмагничивания (размагничивания) (п. 1.5.1) проверяют измерением постоянного тока и напряжения на выходе источника, подключенного к эквиваленту нагрузки, электрическое сопротивление постоянному току которой равно соответственно электрическому сопротивлению катушки подмагничивания (размагничивания), или непосредственно к катушке подмагничивания (размагничивания), вибростенда. Определение коэффициента пульсации проводят измерением переменного и постоянного напряжений и (или) тока на выходе источника подмагничивания (размагничивания), подключенного к катушке подмагничивания (размагничивания) вибростенда.

Коэффициент пульсации g в процентах рассчитывают по формуле

,                                                      (10)

где U1 (I1) - пиковое значение переменного напряжения (тока), В (А);

U2 (I2) - постоянное значение переменного напряжения (тока), В(А).

(Измененная редакция, Изм. № 1).

6.2.28. Шумовую характеристику (п. 3.2) определяют ориентировочным методом по ГОСТ 12.1.028*. Частота возбуждения должна соответствовать максимальному уровню звука, определяемому при плавном прохождении рабочего диапазона частот вибростенда.

Методы контроля вибрационных характеристик (п. 3.2) должны быть установлены в стандартах и (или) технических условиях на установки и (или) вибростенды конкретных типов. Методы измерения вибрационных характеристик - по ГОСТ 12.1.012.

_________

* На территории Российской Федерации действует ГОСТ Р 51402-99.

7. МАРКИРОВКА, УПАКОВКА, ТРАНСПОРТИРОВАНИЕ И ХРАНЕНИЕ

7.1. На корпусах или лицевых панелях аппаратуры задания и управления, усилителя мощности, вибростенда, средств контроля и измерения и вспомогательных устройств установки должна быть нанесена маркировка по ГОСТ 18620. Наименование и (или) обозначение установки следует наносить на вибростенде.

7.2. Маркировка транспортной тары - по ГОСТ 14192.

7.3. Установки или их составные части следует упаковывать в дощатые ящики типа III по ГОСТ 2991, дощатые ящики типов I, III, VIII по ГОСТ 10198 и ящики других типов, изготовляемых по нормативно-технической документации.

7.4. Подготовленные к упаковыванию составные части установки должны быть подвергнуты консервации. Консервации подлежат все металлические неокрашенные наружные поверхности с металлическими покрытиями. Консервацию следует осуществлять в соответствии с ГОСТ 9.014 и ГОСТ 23216 нанесением на поверхность смазки по ГОСТ 10877 с последующим обертыванием конденсаторной бумагой по ГОСТ 1908.

7.5. Составные части установки, ЗИП и эксплуатационная документация должны быть упакованы во влагостойкую обертку, выполненную по ГОСТ 515, или помещены в чехлы из полиэтиленовой пленки по ГОСТ 10354.

7.6. Сопроводительная документация должна быть уложена в закрытый металлический карман, укрепляемый на наружной стороне торцевой или боковой стенки ящика.

7.7. Составные части установки должны быть закреплены так, чтобы исключил ось самопроизвольное перемещение их внутри ящика при транспортировании.

7.8. В ящик должен быть вложен упаковочный лист, удостоверяющий правильность упаковывания, содержащий:

- наименование или товарный знак предприятия-изготовителя;

- наименование и обозначение установки (составных частей);

- фамилию упаковщика;

- штамп ОТК;

- дату упаковывания.

7.9. Установки или их составные части перевозят транспортом любого вида, за исключением морского. При транспортировании самолетом установки должны быть размещены в герметизированных отсеках. Условия транспортирования - по ГОСТ 15150.

7.10. Условия хранения установок или их составных частей - С по ГОСТ 15150. Не допускается хранить установки в помещении с веществами, вызывающими коррозию.

8. УКАЗАНИЯ ПО ЭКСПЛУАТАЦИИ

8.1. Указания по эксплуатации должны содержать сведения о числе и квалификации обслуживающего персонала, размещении установки на месте ее эксплуатации, подводке питания, требование к условиям охлаждения составных частей и вентиляции помещения, основные требования безопасности при эксплуатации, особые условия защиты от вибрации и акустических шумов.

8.2. Вибростенды являются виброопасными машинами и для исключения вредного действия вибрации их следует размещать на виброгасящем фундаменте или виброизоляторе (для вибростендов настольного типа), снижающем параметры вредной вибрации до допускаемых санитарных норм, установленных в ГОСТ 12.1.012, а также в строительных нормах и правилах на проектирование зданий.

8.3. Вибростенды являются шумоопасными машинами и для исключения вредного действия шума их следует устанавливать в специальных шумопонижающих помещениях или кожухах (для малогабаритных вибростендов), снижающих уровни звукового давления на рабочих местах до норм, установленных в ГОСТ 12.1.003.

9. ГАРАНТИИ ИЗГОТОВИТЕЛЯ

9.1. Изготовитель должен гарантировать соответствие установок требованиям настоящего стандарта, стандартов и технических условий на установки конкретных типов или их составные части при соблюдении условий эксплуатации, транспортирования и хранения.

9.2. Гарантийный срок эксплуатации установок - 18 мес со дня их ввода в эксплуатацию.

ПРИЛОЖЕНИЕ 1

Рекомендуемое

ТРЕБОВАНИЯ К КОЭФФИЦИЕНТУ СИЛЫ ПО МОЩНОСТИ УСТАНОВКИ И К КОЭФФИЦИЕНТУ СИЛЫ ПО МОЩНОСТИ ВИБРОСТЕНДА

Значение коэффициента силы по мощности, потребляемой установкой, на частоте 400 Гц должно быть не менее 0,25 Н/В × А, значение коэффициента силы по мощности, потребляемой вибростендом от усилителя мощности, - не менее 1,25 Н/В × А для установок (вибростендов), создающих вынуждающую силу более 1000 Н.

(Измененная редакция, Изм. № 1).

 

ПРИЛОЖЕНИЕ 2

Рекомендуемое

ЗНАЧЕНИЯ ПЕРВОЙ РЕЗОНАНСНОЙ ЧАСТОТЫ ПОДВИЖНОЙ СИСТЕМЫ ВИБРОСТЕНДА ПРИ МАССЕ НАГРУЗКИ, РАВНОЙ НУЛЮ

Номинальная вынуждающая сила, кН, не более

0,5

1,0

1,6

2,5

4,0

6,3

10,0

16,0

25,0

40,0

63,0

100,0

160,0

250,0

400,0

Первая резонансная частота подвижной системы, кГц, не менее

6,0

5,5

5,0

4,5

4,0

3,5

3,0

2,5

2,0

1,8

1,5

1,3

1,15

1,0

0,8

 

ПРИЛОЖЕНИЕ 3

Рекомендуемое

ТРЕБОВАНИЯ К АППАРАТУРЕ ЗАДАНИЯ, УПРАВЛЕНИЯ И ИЗМЕРЕНИЯ ПАРАМЕТРОВ СЛУЧАЙНОЙ ВИБРАЦИИ, ПРЕДНАЗНАЧЕННОЙ ДЛЯ ПРОВЕДЕНИЯ ИСПЫТАНИЙ РАЗЛИЧНЫХ ИЗДЕЛИЙ НА ВОЗДЕЙСТВИЕ ШИРОКОПОЛОСНОЙ СЛУЧАЙНОЙ ВИБРАЦИИ В ДИАПАЗОНЕ ЧАСТОТ от 5 до 5000 Гц

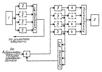
1. В зависимости от способа регулирования спектра случайного сигнала аппаратуру управления подразделяют на два вида.

А - аппаратура управления с ручным регулированием (черт. 1);

Б - аппаратура управления с автоматическим регулированием (черт. 2).

Структурная схема аппаратуры управления с ручным регулированием спектра случайной вибрации

1 - генератор шума; 2 - формирующие фильтры; 3 - анализирующие фильтры;
4 - детекторы; 5 - индикатор; 6 - измеритель виброускорения

Черт.1

Структурная схема аппаратуры управления с автоматическим регулированием спектра случайной вибрации

1 - генератор шума; 2 - формирующие фильтры; 3 - анализирующие фильтры; 4 - автоматические регуляторы усиления; 5 - детекторы; 6 - индикатор; 7 - измеритель виброускорения

Черт. 2

2. В зависимости от построения схем фильтров аппаратуру управления следует подразделять на:

а) аппаратуру управления с набором фильтров, имеющих абсолютно постоянные полосы пропускания;

б) аппаратуру управления с набором фильтров, полосы пропускания которых относительно постоянны и равны 1/6, 1/3 октавы или октаве.

Примечание. Допускается применять в одной аппаратуре управления фильтры различной полосы пропускания. Например, в нижнем диапазоне частот 1/3-октавных, в верхнем 1/6-октавных.

3. Номенклатура основных параметров аппаратуры управления:

- частотный диапазон;

- число фильтров (каналов);

- неравномерность суммарной АЧХ формирующих фильтров аппаратуры по п. ;

- АЧХ формирующих и анализирующих фильтров;

- неравномерность спектральной плотности мощности выходного сигнала формирующих фильтров аппаратуры по п. 2а;

- динамический диапазон и погрешность АРУ аппаратуры вида Б.

4. Номинальное выходное напряжение аппаратуры управления должно быть не менее 1,5 В (среднее квадратическое значение).

5. Электропитание аппаратуры управления должно осуществляться от однофазной сети переменного тока напряжением 220 В ± 10 % частотой 50 Гц.

6. Погрешность измерения суммарного (во всей полосе частот) среднего квадратического ускорения должна быть не более ± 1 дБ без учета собственной погрешности ВИП.

7. Погрешность измерения спектральной плотности ускорения должна быть не более ± 3 дБ, среднего квадратического ускорения в полосах фильтров - не более ± 2 дБ без учета собственной погрешности ВИП.

8. АЧХ октавных и 1/3-октавных фильтров должны удовлетворять требованиям ГОСТ 17168, класс 2.

9. АЧХ 1/6-октавных и фильтров с постоянной полосой пропускания должны соответствовать техническим условиям на фильтры конкретных типов.

10. Минимальная  неравномерность суммарной АЧХ формирующих фильтров должна быть не более ± 2 дБ в полосе частот 20-2000 Гц и ±3 дБ - в полосе частот 5-5000 Гц.

11. Неравномерность спектральной плотности мощности сигнала на выходе формирующих фильтров при задании плоского спектра должна быть не более ± 1,5 дБ в полосе частот 10-5000 Гц.

12. Динамический диапазон АРУ должен быть не менее 50 дБ,

13. Погрешность АРУ не должна быть более ± 0,7 дБ при изменении входного сигнала на ± 20 дБ.

14. Отношение максимального выходного сигнала к уровню собственного фона и шумов должно быть не менее 60 дБ.

 

ПРИЛОЖЕНИЕ 4

Обязательное

ТРЕБОВАНИЯ К КОНСТРУКЦИИ И ПОСАДОЧНЫМ ПОВЕРХНОСТЯМ СТОЛА И ЭКВИВАЛЕНТА НАГРУЗКИ ВИБРОСТЕНДА

1. Эквивалент нагрузки должен быть в виде цилиндра.

2. Отношение высоты эквивалента нагрузки к его диаметру должно находиться в диапазоне 0,4 - 1,0.

3. Резонансная частота закрепленного эквивалента нагрузки должна быть не менее чем в 1,5 раза выше первой резонансной частоты подвижной системы вибростенда.

4. Посадочные поверхности стола и эквивалента нагрузки вибростенда:

- отклонение от плоскостности относительно общей прилегающей плоскости - не более 0,1 мм;

- отклонение от перпендикулярности относительно оси стола или оси эквивалента нагрузки - не более 0,05 мм;

- параметр шероховатости Ra - не более 1,6 мкм по ГОСТ 2789;

- отклонение осей резьбовых втулок от  перпендикулярности относительно поверхности стола - не более 0,025 мм.

 

ПРИЛОЖЕНИЕ 5

Рекомендуемое

Расположение и диаметры отверстий для крепления
испытуемых изделий на столе вибростенда

 

ИНФОРМАЦИОННЫЕ ДАННЫЕ

1. РАЗРАБОТАН И ВНЕСЕН Государственным комитетом СССР по стандартам

2. УТВЕРЖДЕН И ВВЕДЕН В ДЕЙСТВИЕ Постановлением Государственного комитета СССР по стандартам от 12.07.83 № 3065

3. В стандарт введены международные стандарты: ИСО 5344-80 и Публикация МЭК 68-2-6-82

4. ВВЕДЕН ВПЕРВЫЕ

5. ССЫЛОЧНЫЕ НОРМАТИВНО-ТЕХНИЧЕСКИЕ ДОКУМЕНТЫ

Обозначение НТД, на который дана ссылка

Номер пункта, приложения

ГОСТ 2.601-95

4.3

ГОСТ 8.001-80

5.9

ГОСТ 8.326-89

5.9

ГОСТ 9.014-78

7.4

ГОСТ 12.1.003-83

8.3

ГОСТ 12.1.012-90

3.2, 6.2.28, 8.2

ГОСТ 12.1.023-80

3.2

ГОСТ 12.1.028-80

6.2.28

ГОСТ 12.2.007.0-75

2.2, 3.1

ГОСТ 515-77

7.5

ГОСТ 1908-88

7.4

ГОСТ 2789-73

Приложение 4

ГОСТ 2991-85

7.3

ГОСТ 8032-84

1.2.1, 1.2.3, 1.4.3

ГОСТ 10198-91

7.3

ГОСТ 10354-82

7.5

ГОСТ 10877-76

7.4

ГОСТ 12090-80

6.1.1

ГОСТ 12997-84

2.4, 6.1.7

ГОСТ 13109-97

2.3

ГОСТ 14192-96

7.2

ГОСТ 15150-69

2.2, 6.1.2, 7.9, 7.10

ГОСТ 16504-81

Вводная часть

ГОСТ 16842-82

6.2.9

ГОСТ 17168-82

Приложение 3

ГОСТ 18620-86

7.1

ГОСТ 22261-94

6.1.3

ГОСТ 23216-78

2.2, 6.1.4, 7.4

ГОСТ 23706-93

6.2.17

ГОСТ 23849-87

6.2.25

ГОСТ 24346-80

Вводная часть

ГОСТ 25051.3-83

Вводная часть, 6.1.1, 6.2.1, 6.2.7, 6.2.11-6.2.14

РД 50-650-87

5.8, 6.2.8

РД 50-690-89

5.8, 6.2.8

МИ 1873-88

6.2.1

6. Ограничение срока действия снято по протоколу № 5-94 Межгосударственного Совета по стандартизации, метрологии и сертификации (ИУС 11-12-94)

7. ИЗДАНИЕ (февраль 2003 г.) с Изменением № 1, утвержденным в июне 1990 г. (ИУС 10-90)

 




ГОСТЫ, СТРОИТЕЛЬНЫЕ и ТЕХНИЧЕСКИЕ НОРМАТИВЫ.
Некоммерческая онлайн система, содержащая все Российские Госты, национальные Стандарты и нормативы.
В Системе содержится более 150000 файлов нормативно-технической документации, действующей на территории РФ.
Система предназначена для широкого круга инженерно-технических специалистов.

Рейтинг@Mail.ru Яндекс цитирования

Copyright © www.gostrf.com, 2008 - 2026