Крупнейшая бесплатная информационно-справочная система онлайн доступа к полному собранию технических нормативно-правовых актов РФ. Огромная база технических нормативов (более 150 тысяч документов) и полное собрание национальных стандартов, аутентичное официальной базе Госстандарта. GOSTRF.com - это более 1 Терабайта бесплатной технической информации для всех пользователей интернета. Все электронные копии представленных здесь документов могут распространяться без каких-либо ограничений. Поощряется распространение информации с этого сайта на любых других ресурсах. Каждый человек имеет право на неограниченный доступ к этим документам! Каждый человек имеет право на знание требований, изложенных в данных нормативно-правовых актах!

  


 

МЕЖГОСУДАРСТВЕННЫЙ СТАНДАРТ

ВИНТЫ С ЦИЛИНДРИЧЕСКОЙ ГОЛОВКОЙ
И ШЕСТИГРАННЫМ УГЛУБЛЕНИЕМ «ПОД КЛЮЧ» НЕВЫПАДАЮЩИЕ КЛАССА ТОЧНОСТИ В

Конструкция и размеры

Cheese-head non-falling-out screws with hexagon socket
for «width across flats», product grade
В.
Design and dimensions

ГОСТ
10342-80

Взамен
ГОСТ 10342-63

Постановлением Государственного комитета СССР по стандартам от 7 июля 1980 г. № 3429 дата введения установлена

01.01.82

Ограничение срока действия снято по протоколу № 7-95 Межгосударственного совета по стандартизации, метрологии и сертификации (ИУС 11-95)

Издание с Изменением № I, утвержденным в декабре 1986 г. (ИУС 2-87) и Поправкой (ИУС 4-90).

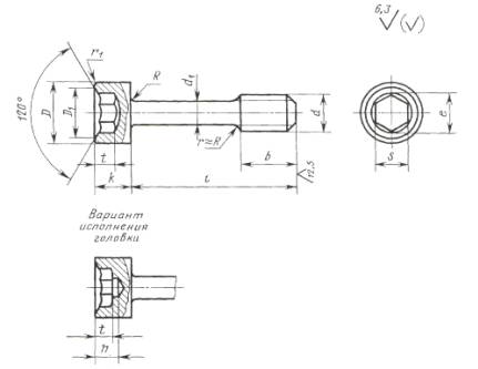
Настоящий стандарт распространяется на винты с цилиндрической головкой и шестигранным углублением «под ключ» невыпадающие класса точности В с номинальным диаметром резьбы от 6 до 16 мм.

(Введено дополнительно, Изм. № 1).

1. Размеры винтов должны соответствовать указанным на чертеже и в табл. 1 и 2.

Таблица 1

мм

Номинальный диаметр резьбы d

6

8

10

12

16

Диаметр стержня d1 (пред. откл. h13)

4,0

5,5

7,0

9,0

11,0

Длина резьбы b

8

10

12

16

20

Диаметр головки D (пред. откл. h13)

10,0

13,0

16,0

18,0

24,0

Высота головки k

6

8

10

12

16

Размер «под ключ» S

5

6

8

10

14

Диаметр описанной окружности l, не менее

5,8

6,9

9,2

11,5

16,2

Диаметр фаски D1

6,1

7,2

9,7

12,0

16,7

Величина шестигранного углубления t

3,4

4,4

5,5

6,5

8,5

Глубина сверления h, не более

3,7

4,7

6,0

7,2

9,2

Радиус под головкой R, не более

0,4

0,5

0,6

0,8

Радиус r1 или фаска С1, не более

0,5

0,8

1,0

Таблица 2

Длина винта l,
мм

Диаметр резьбы d, мм

6

8

10

12

16

(18)

 

-

-

-

-

20

 

-

-

-

-

(22)

 

 

 

-

-

25

 

 

 

-

-

(28)

 

 

 

 

-

32

 

Стандартные длины

 

-

(36)

 

 

-

40

 

 

-

(45)

 

 

 

 

-

50

 

 

 

 

 

(55)

 

 

 

 

 

60

 

 

 

 

 

(70)

-

 

 

 

 

80

-

 

 

 

 

Примечание. Длины винтов, заключенные в скобки, применять не рекомендуется.

Пример условного обозначения винта диаметром резьбы d = 8 мм, с полем допуска 6g длиной l = 25 мм, класса прочности 5.8, без покрытия:

Винт MS-6g× 25.58 ГОСТ 10342-80

То же, класса прочности 8.8, из стали марки 35Х, с цинковым покрытием толщиной 9 мкм, хроматированным:

Винт M8-6g×25.88.35X.019 ГОСТ 10342-80

2. Резьба - по ГОСТ 24705-2004, шаг резьбы - крупный. Сбег резьбы - по ГОСТ 10549-80.

1, 2. (Измененная редакция, Изм. № 1).

2а. Допуски и методы контроля размеров и отклонений формы и расположения поверхностей - по ГОСТ 1759.1-82.

2б. Дефекты поверхности и методы контроля - по ГОСТ 1759.2-82.

2а, 2б. (Введены дополнительно, Изм. № 1).

3. Технические требования - по ГОСТ 1759.0-87.

4. Теоретическая масса винтов указана в приложении 1.

5. (Исключен, Изм. № 1).

ПРИЛОЖЕНИЕ 1
Справочное

Длина винта l,
мм

Теоретическая масса 1000 шт. стальных винтов, кг, при номинальном диаметре резьбы d, мм

6

8

10

12

16

(18)

5,238

-

-

-

-

20

5,435

-

-

-

-

(22)

5,633

11,25

19,80

-

-

25

5,929

11,81

20,70

-

-

(28)

6,225

12,36

21,60

34,72

-

32

6,620

13,12

22,82

36,72

-

(36)

7,015

13,87

24,03

38,72

-

40

7,409

14,62

25,24

40,72

-

(45)

7,903

15,55

26,75

43,20

-

50

8,396

16,49

28,26

45,70

92,52

(55)

8,890

17,42

29,77

48,19

96,25

60

9,393

18,36

31,28

50,19

99,98

(70)

-

20,23

34,30

55,68

107,40

80

-

22,10

37,32

60,67

114,80

Примечание. Для определения массы винтов из латуни массы, указанные в таблице, следует умножить на коэффициент 1,08.

ПРИЛОЖЕНИЕ 2. (Исключено, Изм. № 1).

 




ГОСТЫ, СТРОИТЕЛЬНЫЕ и ТЕХНИЧЕСКИЕ НОРМАТИВЫ.
Некоммерческая онлайн система, содержащая все Российские Госты, национальные Стандарты и нормативы.
В Системе содержится более 150000 файлов нормативно-технической документации, действующей на территории РФ.
Система предназначена для широкого круга инженерно-технических специалистов.

Рейтинг@Mail.ru Яндекс цитирования

Copyright © www.gostrf.com, 2008 - 2026