| |
МЕЖГОСУДАРСТВЕННЫЙ СТАНДАРТ
|
ВЫХОД РЕЗЬБЫ
Сбеги, недорезы, проточки и фаски
Screw thread runout. Washout threads, total thread runouts, undercuts and chamfers
|
ГОСТ
10549-80
|
Дата введения 01.01.82
1. Настоящий стандарт устанавливает размеры
сбега резьбы при выходе инструмента или при наличии на инструменте заборной
части, размеры недореза при выполнении резьбы в упор, форму и размеры проточек для
выхода резьбообразующего инструмента, размеры фасок - для резьбы метрической,
трубной цилиндрической, трубной конической, конической дюймовой с углом профиля
60° и трапецеидальной.
(Измененная
редакция, Изм. № 1).
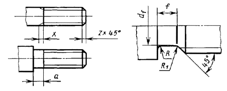
2. Размеры сбегов и недорезов для наружной метрической
резьбы должны соответствовать указанным на черт. 1, 4 (при выполнении
резьбы нарезанием), на черт. 2, 3, 5 (при выполнении резьбы накатыванием) и в табл. 1.

Допускается применять угол 60°
Черт. 1

Черт. 2

Черт. 3

Черт. 4

Черт. 5

Черт. 6
Форма и размеры
проточек для наружной метрической резьбы должны соответствовать указанным на
черт, 6 и в табл. 1. Размеры фасок наружной метрической резьбы указаны на черт.
1 и в табл. 1.
Таблица 1
Размеры в миллиметрах
|
Шаг резьбы P
|
Сбег x,
не более
|
Недорез
a, не более
|
Проточка
|
Фаска z
|
|
при угле заборной части инструмента
|
Тип 1
|
Тип 2
|
df
|
при сопряжении с внутренней резьбой с проточкой типа 2
|
для всех других случаев
|
|
нормальный
|
уменьшенный
|
нормальная
|
узкая
|
|
20°
|
30°
|
45°
|
f
|
R
|
R1
|
f
|
R
|
R1
|
f
|
R2
|
|
0,2
|
0,4
|
0,3
|
0,2
|
0,5
|
0,4
|
-
|
-
|
-
|
-
|
-
|
-
|
-
|
-
|
-
|
-
|
0,2
|
|
0,25
|
0,5
|
0,6
|
0,5
|
|
0,3
|
0,4
|
0,7
|
|
0,35
|
0,6
|
0,3
|
0,8
|
0,6
|
d - 0,6
|
0,3
|
|
0,4
|
0,7
|
0,5
|
1,0
|
0,8
|
1,0
|
0,3
|
0,2
|
|
0,45
|
0,8
|
d - 0,7
|
|
0,5
|
1,0
|
0,6
|
0,4
|
1,6
|
1,0
|
1,6
|
0,5
|
0,3
|
1,0
|
0,3
|
0,2
|
d - 0,8
|
0,5
|
|
0,6
|
1,2
|
0,7
|
d - 0,9
|
|
0,7
|
1,3
|
0,8
|
0,5
|
2,0
|
1,6
|
2,0
|
1,6
|
0,5
|
0,3
|
d - 1,0
|
|
0,75
|
1,5
|
d -
1,2
|
1,0
|
|
0,8
|
0,9
|
0,6
|
3,0
|
3,0
|
1,0
|
0,5
|
|
1
|
1,8
|
1,2
|
0,7
|
2,0
|
2,0
|
3,6
|
2,0
|
d - 1,5
|
2,0
|
|
1,25
|
2,2
|
1,5
|
0,9
|
4,0
|
2,5
|
4,0
|
2,5
|
1,0
|
0,5
|
4,4
|
2,5
|
d - 1,8
|
2,5
|
1,6
|
|
1,5
|
2,8
|
1,6
|
1,0
|
4,6
|
d - 2,2
|
3,0
|
|
1,75
|
3,2
|
2,0
|
1,2
|
5,4
|
3,0
|
d - 2,5
|
3,5
|
|
2
|
3,5
|
2,2
|
1,4
|
5,0
|
3,0
|
5,0
|
1,6
|
3,0
|
5,6
|
d - 3,0
|
2,0
|
|
2,5
|
4,5
|
3,0
|
1,6
|
6,0
|
4,0
|
6,0
|
1,0
|
4,0
|
7,3
|
4,0
|
d - 3,5
|
5,0
|
2,5
|
|
3
|
5,2
|
3,5
|
2,0
|
7,6
|
d - 4,5
|
6,5
|
|
3,5
|
6,3
|
4,0
|
2,2
|
8,0
|
5,0
|
8,0
|
2,0
|
5,0
|
1,6
|
10,2
|
5,5
|
d - 5,0
|
7,5
|
|
4
|
7,1
|
4,5
|
2,5
|
10,3
|
d - 6,0
|
8,0
|
3,0
|
|
4,5
|
8,0
|
5,0
|
3,0
|
10,0
|
6,0
|
10,0
|
3,0
|
6,0
|
1,0
|
12,9
|
7,0
|
d - 6,5
|
9,5
|
|
5
|
9,0
|
5,5
|
3,2
|
13,1
|
d - 7,0
|
10,5
|
4,0
|
|
5,5
|
10,0
|
6,0
|
3,5
|
12,0
|
8,0
|
12,0
|
8,0
|
2,0
|
15,0
|
8,0
|
d - 8,0
|
|
6
|
11,0
|
4,0
|
16,0
|
8,5
|
d - 9,0
|
|
Примечания:
1. Проточки типа 2 снижают концентрацию напряжений под головкой, но
уменьшают площадь опорной поверхности.
2. Размеры проточек
для заданного шага резьбы допускается устанавливать по ближайшему табличному
шагу резьбы.
3. Для деталей из высокопрочных
материалов с σв > 1400 МПа и в
случаях, если проточка, кроме технологических, несет и конструктивные
функции, допускается применять проточки, не установленные настоящим
стандартом.
4. Допускается применять размеры сбегов, недорезов и
проточек по ГОСТ 27148.
|
3. Размеры сбегов и недорезов для внутренней метрической
резьбы должны соответствовать указанным на черт. 7 и в табл. 2.
Форма и размеры
проточек для внутренней метрической резьбы должны соответствовать указанным на
черт. 8 и в табл. 2. Размеры фасок внутренней метрической резьбы указаны на
черт. 7 и в табл. 2.
2, 3.
(Измененная редакция, Изм. № 1).

Допускается применять угол
60°
Черт. 7

Черт. 8
Таблица 2
В миллиметрах
|
Шаг резьбы P
|
Сбег x,
не более
|
Недорез
a, не более
|
Проточка
|
Фаска z
|
|
Тип 1
|
Тип 2
|
df
|
при сопряжении с внутренней резьбой с проточкой типа 2
|
для всех других случаев
|
|
нормальный
|
уменьшенный
|
нормальный
|
уменьшенный
|
нормальная
|
узкая
|
|
f
|
R
|
R1
|
f
|
R
|
R1
|
f
|
R2
|
|
0,2
|
0,5
|
0,3
|
1,2
|
1,0
|
-
|
-
|
-
|
-
|
-
|
-
|
-
|
-
|
-
|
-
|
0,2
|
|
0,25
|
0,6
|
0,4
|
1,5
|
1,2
|
|
0,3
|
0,7
|
0,5
|
|
0,35
|
0,8
|
2,0
|
1,8
|
|
0,4
|
0,9
|
0,6
|
0,3
|
|
0,45
|
1,1
|
0,7
|
|
0,5
|
1,2
|
0,8
|
3,5
|
3,0
|
2,0*
|
0,5
|
0,3
|
1,0*
|
0,3
|
0,2
|
d + 0,3
|
0,5
|
|
0,6
|
1,5
|
1,0
|
3,5
|
3,0
|
-
|
-
|
-
|
-
|
-
|
-
|
-
|
|
0,7
|
1,8
|
1,2
|
|
0,75
|
1,9
|
1,3
|
4,0
|
3,2
|
3,0*
|
1,0
|
0,5
|
1,6*
|
0,5
|
0,3
|
d + 0,4
|
1,0
|
|
0,8
|
2,1
|
1,4
|
-
|
-
|
-
|
-
|
-
|
-
|
-
|
|
1
|
2,7
|
1,8
|
5,0
|
3,8
|
4,0
|
1,0
|
0,5
|
2,0
|
0,5
|
0,3
|
3,6
|
2,0
|
d + 0,5
|
2,0
|
|
1,25
|
3,3
|
2,2
|
5,0
|
1,6
|
3,0
|
1,0
|
0,5
|
4,5
|
2,5
|
2,5
|
1,6
|
|
1,5
|
4,0
|
2,7
|
6,0
|
4,5
|
6,0
|
1,0
|
5,4
|
3,0
|
d + 0,7
|
|
1,75
|
4,7
|
3,2
|
7,0
|
5,2
|
7,0
|
4,0
|
1,0
|
6,2
|
3,5
|
3,0
|
|
2
|
5,5
|
3,7
|
8,0
|
6,0
|
8,0
|
2,0
|
6,5
|
d + 1,0
|
2,0
|
|
2,5
|
7,0
|
4,7
|
10,0
|
7,5
|
10
|
3,0
|
5,0
|
1,6
|
8,9
|
5,0
|
4,0
|
2,5
|
|
3
|
-
|
5,7
|
-
|
9,0
|
6,0
|
1,0
|
11,4
|
6,5
|
d + 1,2
|
|
3,5
|
6,6
|
10,5
|
7,0
|
13,1
|
7,5
|
5,5
|
3,0
|
|
4
|
7,6
|
12,5
|
12
|
8,0
|
2,0
|
14,3
|
8,0
|
d + 1,5
|
|
4,5
|
8,5
|
14,0
|
14
|
10
|
3,0
|
16,6
|
9,5
|
7,0
|
4,0
|
|
5
|
9,5
|
16,0
|
16
|
18,4
|
10,5
|
d + 1,8
|
|
5,5
|
-
|
-
|
12
|
18,7
|
8,0
|
|
6
|
18,9
|
d + 2,0
|
8,5
|
|
*
Ширина проточек дана для диаметров 6 мм и
более.
Примечания:
1. Проточки типа 2 снижают концентрацию напряжений под головкой.
2. Размеры проточек
для заданного шага резьбы допускается устанавливать по ближайшему табличному
шагу резьбы.
3. Для деталей из
высокопрочных материалов с σв > 1400 МПа и в случаях, если проточка, кроме технологических, несет и
конструктивные функции, допускается применять проточки, не установленные
настоящим стандартом.
4. Допускается применять размеры сбегов, недорезов и
проточек по ГОСТ 27148.
|
4. Размеры сбегов, недорезов, проточек и фасок для трубной
цилиндрической резьбы должны соответствовать указанным на черт. 9, 10 и в табл. 3, 4.
Для наружной
резьбы

Черт. 9
Для внутренней резьбы

Черт. 10
Таблица 3
Размеры в
миллиметрах
|
Обозначение размера резьбы
|
Число
шагов на длине 25,4 мм
|
Сбег x,
не более, при угле заборной части инструмента
|
Недорез
a, не более
|
Проточка
|
Фаска z
|
|
|
нормальный
|
уменьшенный
|
нормальная
|
узкая
|
df
|
|
|
f
|
R
|
R1
|
f
|
R
|
R1
|
|
|
20°
|
30°
|
|
|
1/3
|
28
|
1,6
|
1,0
|
2,5
|
1,6
|
2,5
|
1,0
|
0,5
|
1,6
|
0,5
|
0,3
|
8,0
|
1,0
|
|
|
1/16
|
6,0
|
|
|
1/4
|
19
|
2,4
|
1,5
|
4,0
|
2,5
|
4,0
|
2,5
|
1,0
|
0,5
|
11,0
|
1,6
|
|
|
3/8
|
14,5
|
|
|
1/2
|
14
|
3,2
|
2,0
|
5,0
|
3,0
|
5,0
|
1,6
|
3,0
|
18,0
|
2,0
|
|
|
5/8
|
20,0
|
|
|
3/4
|
23,5
|
|
|
7/8
|
27,0
|
|
|
1
|
11
|
4,1
|
2,5
|
6,0
|
4,0
|
6,0
|
1,0
|
4,0
|
29,5
|
2,5
|
|
|
11/8
|
34,0
|
|
|
11/4
|
38,0
|
|
|
13/8
|
40,5
|
|
|
11/2
|
44,0
|
|
|
13/4
|
50,0
|
|
|
2
|
56,0
|
|
|
21/4
|
62,0
|
|
|
21/2
|
71,5
|
|
|
23/4
|
78,0
|
|
|
3
|
84,0
|
|
|
31/2
|
96,5
|
|
|
31/4
|
90,5
|
|
|
4
|
109,0
|
|
|
41/2
|
122,0
|
|
|
5
|
134,5
|
|
|
51/2
|
147,0
|
|
|
6
|
160,0
|
|
Таблица 4
Размеры в
миллиметрах
|
Обозначение размера резьбы
|
Число шагов
на длине 25,4 мм
|
Сбег x,
не более
|
Недорез
a, не
более
|
Проточка
|
Фаска z
|
|
нормальный
|
уменьшенный
|
нормальный
|
уменьшенный
|
нормальная
|
узкая
|
df
|
|
f
|
R
|
R1
|
f
|
R
|
R1
|
|
1/8
|
28
|
2,2
|
1,4
|
4
|
2,5
|
4
|
1,0
|
0,5
|
2,5
|
10
|
0,5
|
10,0
|
1,0
|
|
1/16
|
8,0
|
|
1/4
|
19
|
3,3
|
2,0
|
5
|
3,0
|
5
|
1,6
|
3,0
|
13,5
|
|
3/8
|
17,0
|
|
1/2
|
14
|
4,8
|
3,0
|
8
|
5,0
|
8
|
2,0
|
1,0
|
5,0
|
1,6
|
0,5
|
21,5
|
1,6
|
|
5/8
|
23,5
|
|
3/4
|
27,0
|
|
7/6
|
31,0
|
|
1
|
11
|
6,0
|
4,0
|
10
|
6,0
|
10
|
3,0
|
6,0
|
1,0
|
34,0
|
|
11/8
|
39,0
|
|
11/4
|
43,0
|
|
13/8
|
45,0
|
|
11/2
|
48,5
|
|
13/4
|
54,5
|
|
2
|
60,5
|
|
21/4
|
66,5
|
|
21/2
|
76,0
|
|
23/4
|
82,5
|
|
3
|
89,0
|
|
31/2
|
101,0
|
|
31/4
|
95,0
|
|
4
|
114,0
|
|
41/2
|
126,5
|
|
5
|
139,0
|
|
51/2
|
152,0
|
|
6
|
165,0
|
|
Примечание. Ширина
узких проточек может быть уменьшена до 1,5 шага.
|
5. Размеры сбегов, недорезов, проточек и фасок для трубной
конической резьбы по ГОСТ 6211 должны соответствовать указанным на черт. 11 и в табл. 5.

Черт. 11
Таблица 5
Размеры в миллиметрах
|
Обозначение размера резьбы
|
Число
шагов на длине 25,4 мм
|
Наружная
резьба
|
Внутренняя
резьба
|
Фаска z
|
|
Сбег x, при угле заборной части
инструмента 20°, не более
|
Недорез a, не более
|
Проточка
|
Сбег x, не более
|
Недорез a, не более
|
Проточка
|
|
f
|
R
|
R1
|
df
|
f
|
R
|
R1
|
df
|
|
1/8
|
28
|
2,0
|
3,5
|
2
|
0,5
|
0,3
|
8,0
|
3,0
|
5,5
|
3
|
1,0
|
0,5
|
10,0
|
1,0
|
|
1/16
|
6,0
|
8,0
|
|
1/4
|
19
|
3,0
|
5,0
|
3
|
1,0
|
0,5
|
11,0
|
4,0
|
8,0
|
5
|
1,6
|
13,5
|
1,6
|
|
3/8
|
14,0
|
17,0
|
|
1/2
|
14
|
3,5
|
6,5
|
4
|
18,0
|
5,5
|
11,0
|
7
|
21,5
|
|
3/4
|
23,5
|
27,0
|
|
1
|
|
4,5
|
8,0
|
5
|
1,6
|
29,5
|
7,0
|
14,0
|
8
|
2,0
|
1,0
|
34,0
|
2,0
|
|
11/4
|
38,0
|
42,5
|
|
11/2
|
44,0
|
48,5
|
|
2
|
11
|
56,0
|
60,0
|
|
21/2
|
71,0
|
76,0
|
|
3
|
84,0
|
88,5
|
|
31/2
|
9,8
|
101,2
|
|
4
|
109,0
|
114,0
|
|
5
|
134,5
|
139,5
|
|
6
|
160,0
|
165,0
|
|
Примечание. Ширина узких проточек для
внутренней резьбы может быть уменьшена до 1,5 шага.
|
6. Размеры сбегов,
недорезов, проточек и фасок для конической дюймовой резьбы с углом профиля 60°
по ГОСТ 6111 должны соответствовать указанным на черт. 12 и в табл. 6.

Черт. 12
Таблица 6
Размеры в миллиметрах
|
Обозначение размера резьбы
|
Число
шагов на длине 25,4 мм
|
Наружная
резьба
|
Внутренняя
резьба
|
Фаска z
|
|
Сбег x, при угле заборной части
инструмента 20°, не более
|
Недорез a, не более
|
Проточка
|
Сбег x, не более
|
Недорез a, не более
|
Проточка
|
|
f
|
R
|
R1
|
df
|
F
|
R
|
R1
|
df
|
|
1/16
|
27
|
2,5
|
3,5
|
2
|
0,5
|
0,3
|
6
|
3,0
|
6
|
3
|
1,0
|
0,5
|
8,5
|
1,0
|
|
1/8
|
8
|
10,5
|
|
1/4
|
18
|
3,5
|
5,5
|
3
|
1,0
|
0,5
|
11
|
4,0
|
9
|
4
|
14,0
|
1,6
|
|
3/8
|
14
|
17,5
|
|
1/2
|
14
|
4,5
|
6,0
|
4
|
18
|
5,5
|
11
|
6
|
1,6
|
1,0
|
22,0
|
|
3/4
|
23
|
27,0
|
|
1
|
11
|
5,5
|
7,0
|
5
|
1,5
|
29
|
6,5
|
14
|
7
|
34,0
|
2,0
|
|
11/4
|
38
|
42,5
|
|
11/2
|
44
|
48,5
|
|
2
|
55
|
60,5
|
7. Размеры проточек и фасок для наружной и внутренней
трапецеидальной одноходовой резьбы должен соответствовать указанным на черт. 13 и в табл. 7.

Черт. 13
Таблица 7
В миллиметрах
|
Шаг
резьбы
|
Проточка
|
Фаска z
|
|
f
|
R
|
R1
|
Наружная резьба df
|
Внутренняя резьба df
|
|
1,5
|
2,5
|
1,0
|
0,5
|
d - 2,0
|
d + 1,0
|
1,0
|
|
2
|
3
|
d - 3,0
|
1,6
|
|
3
|
5
|
1,6
|
d - 4,2
|
2,0
|
|
4
|
6
|
1,0
|
d - 5,2
|
d + 1,1
|
2,5
|
|
5
|
8
|
2,0
|
d - 7,0
|
d + 1,6
|
3,0
|
|
6
|
10
|
3,0
|
d - 8,0
|
3,5
|
|
7
|
12
|
d - 9,0
|
4,0
|
|
8
|
d - 10,2
|
d + 1,8
|
4,5
|
|
9
|
14
|
d - 11,2
|
5,0
|
|
10
|
16
|
d - 12,5
|
5,5
|
|
12
|
18
|
d - 14,5
|
d + 2,1
|
6,5
|
|
14
|
20
|
5,0
|
2,0
|
d - 16,5
|
d + 2,5
|
8,0
|
|
16
|
25
|
d - 19,5
|
d + 2,8
|
9,0
|
|
18
|
d - 22,5
|
d + 3,0
|
10,0
|
|
20
|
d - 24,0
|
11,0
|
|
22
|
30
|
d - 26,0
|
12,0
|
|
24
|
d - 28,0
|
d + 3,5
|
13,0
|
|
28
|
40
|
d - 32,0
|
16,0
|
|
32
|
d - 36,5
|
17,0
|
|
36
|
50
|
d - 45,5
|
d + 4,0
|
20,0
|
|
40
|
d - 44,5
|
21,0
|
|
44
|
60
|
d - 48,5
|
25,0
|
|
48
|
d - 52,8
|
|
Примечание. Для многозаходной трапецеидальной
резьбы ширину проточки принимают равной ширине проточки однозаходной резьбы,
шаг которой равен ходу многозаходной резьбы. Размеры остальных элементов
принимать по табл. 7.
|
(Измененная
редакция, Изм. № 1).
8. (Исключен, Изм. № 1).
9. Допускается применять вместо проточек, указанных на черт.
9 - 13 и в табл. 3 - 7, при f ≤ 2 мм симметричные
проточки (без фаски) с радиусом закругления с обеих сторон, равным R.
10. Для наружной трубной цилиндрической резьбы при выполнении
резьбы на проход, а также при выполнении резьбы в упор, в случае применения
нормального недореза и нормальной ширины проточки, рекомендуется применять
резьбообразующий инструмент с углом заборной части 20°, в случае применения уменьшенного
недореза и узкой проточки - с углом заборной части 30°.
Для внутренней
трубной цилиндрической резьбы при выполнении резьбы в упор, в случае применения
нормального недореза и нормальной ширины проточки, рекомендуется применять
резьбообразующий инструмент с длиной заборной части не более трех шагов, в
случае применения уменьшенного недореза и узкой проточки - с длиной заборной
части не более двух шагов.
11. (Исключен, Изм. № 1).
12. Предельные отклонения размеров проточек df и f назначают исходя
из конструктивных требований к изготовляемым деталям.
(Введен дополнительно, Изм. № 1).
ИНФОРМАЦИОННЫЕ ДАННЫЕ
1. РАЗРАБОТАН И ВНЕСЕН Государственным комитетом СССР по
стандартам
2. УТВЕРЖДЕН И ВВЕДЕН В ДЕЙСТВИЕ Постановлением
Государственного комитета СССР по стандартам от 09.07.80 № 3501
3. ВЗАМЕН ГОСТ 10549-63
4. ССЫЛОЧНЫЕ НОРМАТИВНО-ТЕХНИЧЕСКИЕ ДОКУМЕНТЫ
|
Обозначение НТД, на который дана ссылка
|
Номер
пункта
|
|
ГОСТ 6211-69
|
5, 6
|
|
ГОСТ 27148-86
|
2, 3
|
5. Ограничение срока действия снято по Протоколу № 3-93 Межгосударственного Совета по
стандартизации, метрологии и сертификации (ИУС 5-6-93)
6. ИЗДАНИЕ с
Изменением № 1,
утвержденным в декабре 1986 г. (ИУС 3-87)
|
|