Крупнейшая бесплатная информационно-справочная система онлайн доступа к полному собранию технических нормативно-правовых актов РФ. Огромная база технических нормативов (более 150 тысяч документов) и полное собрание национальных стандартов, аутентичное официальной базе Госстандарта. GOSTRF.com - это более 1 Терабайта бесплатной технической информации для всех пользователей интернета. Все электронные копии представленных здесь документов могут распространяться без каких-либо ограничений. Поощряется распространение информации с этого сайта на любых других ресурсах. Каждый человек имеет право на неограниченный доступ к этим документам! Каждый человек имеет право на знание требований, изложенных в данных нормативно-правовых актах!

  


 

ГОСТ 12458-67

МЕЖГОСУДАРСТВЕННЫЙ СТАНДАРТ

ВИНТЫ С БУРТИКОМ

КОНСТРУКЦИЯ

ИПК ИЗДАТЕЛЬСТВО СТАНДАРТОВ

Москва

Переиздание (ноябрь 1999 г.) с Изменениями № 1, 2, утвержденными в июне 1980 г., марте 1988 г. (ИУС 9-80, 6-88).

МЕЖГОСУДАРСТВЕННЫЙ СТАНДАРТ

ВИНТЫ С БУРТИКОМ

Конструкция

Screws with bead. Design

ГОСТ

12458-67*

Взамен

МН 5410-64

Утвержден Комитетом стандартов, мер и измерительных приборов при Совете Министров СССР 3 января 1967 г. Срок введения установлен

с 01.07.67

Постановлением Госстандарта СССР от 17.03.88 № 567 снято ограничение срока действия

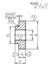
1. Конструкция и размеры винтов с буртиком исполнения 1 должны соответствовать черт. 1 и табл. 1, исполнения 2 - черт. 1 и табл. 1 и 2.

Исполнение 1

Исполнение 2

Черт. 1

Таблица 1

Размеры в мм

Обозначения винтов

Приме-
няемость

Испол-
нение

d

l

D

(поле допуска f9)

D1

D2

D3

D4

D5 справ.

L

Н

h

h1

h2

r

r1

r2

r3

Масса, кг

7002-2281

 

1

М4

16

18

10

22

-

-

-

36

-

6

3

-

-

-

-

-

0,032

2282

 

М5

20

20

25

42

0,041

2283

 

М6

25

22

12

28

52

4

0,061

2284

 

2

-

-

32

12

18

20

-

10

50

2,5

2,0

13,0

0,035

2285

 

1

М8

32

25

14

32

-

-

-

65

-

8

5

-

-

-

-

-

0,106

2286

 

2

-

-

40

14

21

25

-

12

60

3,0

2,0

14,5

0,062

2287

 

1

М10

40

28

18

36

-

-

-

82

-

8

6

-

-

-

-

-

0,173

2288

 

2

-

-

50

18

25

32

-

14

70

4,0

2,5

16,0

0,102

2289

 

1

М12

50

32

20

40

-

-

-

100

-

10

-

-

-

-

-

0,264

7002-2290

 

2

-

-

62

20

32

40

-

17

80

5,0

3,0

21,0

0,166

Таблица 2

Обозначения винтов

Деталь 1 Винт

Деталь 2 Шайба

Деталь 3 Рукоятка

Количество

1

1

1

Обозначения деталей

7002-2284

7002-2284/001

7002-2284/002

7002-2284/003

2286

2286/001

2286/002

2286/003

2288

2288/001

2288/002

2288/003

7002-2290

7002-2290/001

7002-2290/002

7002-2290/003

Пример условного обозначения винта с буртиком исполнения 1, размером d = M4:

Винт 7002-2281 ГОСТ 12458-67.

(Измененная редакция, Изм. № 1, 2).

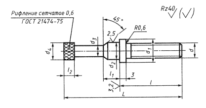
1.1. Конструкция и размеры винта (деталь 1) должны соответствовать указанным на черт. 2 и в табл. 3.

Черт. 2

Таблица 3

Размеры в мм

Обозначения винтов

d

l

d1

d2

(поле допуска и8)

d3

d4

l1

l2

L

Масса, кг

7002-2284/001

М6

25

10

8

5

8

7

4

48

0,013

2286/001

М8

32

12

10

6

10

8

5

60

0,025

2288/001

М10

40

14

12

8

12

10

6

78

0,049

7002-2290/001

М12

50

16

14

10

14

7

95

0,082

Пример условного обозначения винта размером d = M6:

Винт 7002-2284/001 ГОСТ 12458-67

l. 2. Конструкция и размеры шайбы должны соответствовать черт. 3 и табл. 4.

Черт. 3

Таблица 4

Размеры в мм

Обозначения шайб

D

(поле допуска f9)

D1

d (поле допуска Н8)

h (поле допуска b12)

h1

Масса, кг

7002-2284/002

22

12

8

7

4

0,012

2286/002

25

14

10

8

5

0,018

2288/002

28

18

12

10

6

0,028

7002-2290/002

32

20

14

0,036

Пример условного обозначения шайбы размером D = 22 мм:

Шайба 7002-2284/002 ГОСТ 12458-67

1.1, 1.2. (Введены дополнительно, Изм. № 2).

2. Материал винтов исполнения 1, винта (деталь 1) и шайбы (деталь 2) - сталь марки 45 по ГОСТ 1050-88. Допускается замена на стали других марок с механическими свойствами не ниже, чем у стали марки 45.

Материал рукоятки (деталь 3) - фенопласт марок У1-301-07 и У2-301-07 коричневого цвета.

Допускается по требованию заказчика изготовлять рукоятки другого цвета.

(Измененная редакция, Изм. № 2).

3. Твердость винтов с буртиком, кроме детали 3,-35,0...39,5 HRCэ.

(Измененная редакция, Изм. 1, 2).

4. Неуказанные предельные отклонения размеров: h14, ±

(Измененная редакция, Изм. 2).

5. Резьба метрическая - по ГОСТ 24705-94. Поле допуска резьбы - 6g по ГОСТ 16093-81.

(Измененная редакция, Изм. 1, 2).

6. Размеры недорезов и фасок для резьбы - по ГОСТ 10549-80.

(Измененная редакция, Изм. № 1).

7. (Исключен, Изм. № 1).

8. Покрытие винтов с буртиком, кроме детали 3, - Хим. Окс. прм (обозначение покрытия - по ГОСТ 9.306-85).

(Измененная редакция, Изм. №2).

9. Остальные технические требования - по ГОСТ 1759.0-87, ГОСТ 1759.1-82, ГОСТ 1759.2-82, ГОСТ 1759.4-87.

10. Маркировать партию деталей одного типоразмера на таре или упаковке с указанием условного обозначения.

Пример маркировки на таре или упаковке винтов с буртиком исполнения 1, размером d = M4:

Винты 7002-2281 ГОСТ 12458-67

11. Пример применения винтов указан в приложении.

(Введен дополнительно, Изм. 2).

ПРИЛОЖЕНИЕ
Справочное
ПРИМЕР ПРИМЕНЕНИЯ ВИНТОВ

 




ГОСТЫ, СТРОИТЕЛЬНЫЕ и ТЕХНИЧЕСКИЕ НОРМАТИВЫ.
Некоммерческая онлайн система, содержащая все Российские Госты, национальные Стандарты и нормативы.
В Системе содержится более 150000 файлов нормативно-технической документации, действующей на территории РФ.
Система предназначена для широкого круга инженерно-технических специалистов.

Рейтинг@Mail.ru Яндекс цитирования

Copyright © www.gostrf.com, 2008 - 2026