Крупнейшая бесплатная информационно-справочная система онлайн доступа к полному собранию технических нормативно-правовых актов РФ. Огромная база технических нормативов (более 150 тысяч документов) и полное собрание национальных стандартов, аутентичное официальной базе Госстандарта. GOSTRF.com - это более 1 Терабайта бесплатной технической информации для всех пользователей интернета. Все электронные копии представленных здесь документов могут распространяться без каких-либо ограничений. Поощряется распространение информации с этого сайта на любых других ресурсах. Каждый человек имеет право на неограниченный доступ к этим документам! Каждый человек имеет право на знание требований, изложенных в данных нормативно-правовых актах!

  


 

ГОСТ 12461-67

МЕЖГОСУДАРСТВЕННЫЙ СТАНДАРТ

ГАЙКИ С ТРАПЕЦЕИДАЛЬНОЙ РЕЗЬБОЙ ШЕСТИГРАННЫЕ ВЫСОКИЕ

КОНСТРУКЦИЯ

ИПК ИЗДАТЕЛЬСТВО СТАНДАРТОВ

Москва

МЕЖГОСУДАРСТВЕННЫЙ СТАНДАРТ

ГАЙКИ С ТРАПЕЦЕИДАЛЬНОЙ РЕЗЬБОЙ ШЕСТИГРАННЫЕ ВЫСОКИЕ

Конструкция

Nuts, hexagonal, high with acme thread. Design

ГОСТ

12461-67*

Взамен

MH 5434-64

Утвержден Комитетом стандартов, мер и измерительных приборов при Совете Министров СССР 3 января 1967г. Дата введения установлена

01.07.67

Постановлением Госстандарта СССР от 17.03.88 № 567 снято ограничение срока действия

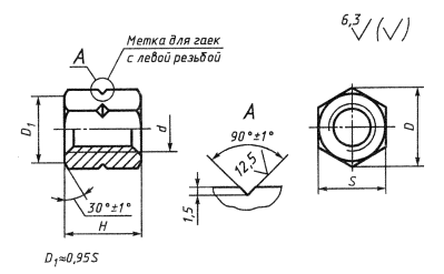
1. Конструкция и размеры шестигранных высоких гаек с трапецеидальной резьбой должны соответствовать чертежу и таблице.

Размеры в мм

Обозначение гаек

Применяемость

d*

S (поле допуска h13)

Н

D

Масса, кг

1-й ряд

2-й ряд

7003-0161

 

Тr 10 × 2

 

17

16

19,6

0,023

0162

 

Тr 10 × 2 LH

 

0163

 

Тr 12 × 3

 

19

20

21,9

0,034

7003-0164

 

Тr 12 × 3 LH

 

7003-0165

 

Тr 16 × 4

 

24

25

27,7

0,068

0166

 

Тr 16 × 4 LH

 

0167

 

Тr 20 × 4

 

30

32

34,6

0,131

0168

 

Тr 20 × 4 LH

 

0169

 

 

Тr 24 × 5

36

36

41,6

0,209

0170

 

 

Тr 24 × 5 LH

0171

 

Тr 26 × 5

 

41

40

47,3

0,305

0172

 

Тr 26 × 5 LH

 

0173

 

 

Тr 28 × 5

41

42

47,3

0,315

0174

 

 

Тr 28 × 5 LH

0175

 

Тr 30 × 6

 

46

45

53,1

0,445

0176

 

Тr 30 × 6 LH

 

0177

 

Тr 32 × 6

 

50

50

57,7

0,589

0178

 

Тr 32 × 6 LH

 

0179

 

Тr 36 × 6

 

55

55

63,5

0,763

0180

 

Тr 36 × 6 LH

 

0181

 

Тr 40 × 6

 

60

60

69,0

0,961

7003-0182

 

Тr 40 × 6 LH

 

* При выборе размера d 1-й ряд следует предпочитать 2-му.

Пример условного обозначения шестигранной высокой гайки с трапецеидальной резьбой размером d - Тr 10 × 2:

Гайка 7003-0161 ГОСТ 12461-67

(Измененная редакция, Изм. 1, 2).

2. Материал - сталь марки 40Х по ГОСТ 4543-71. Допускается замена на стали других марок с механическими свойствами не ниже, чем у стали марки 40Х.

3. Твердость - 35,0 . . . 39,5 HRCэ.

4. Неуказанные предельные отклонения размеров: hl4, ±

3, 4. (Измененная редакция, Изм. 2).

5. Резьба трапецеидальная - по ГОСТ 24737-81. Поле допуска резьбы - 8Н по ГОСТ 9562-81.

(Измененная редакция, Изм. 1, 2).

6. Размеры фасок для резьбы - по ГОСТ 10549-80.

(Измененная редакция, Изм. № 1).

7. (Исключен, Изм. 1).

8. Покрытие - Хим. Окс. прм (обозначение покрытия - по ГОСТ 9.306-85).

(Измененная редакция, Изм. № 2).

9. Остальные технические требования - по ГОСТ 1759.0-87, ГОСТ 1759.1-82, ГОСТ 1759.3-83, ГОСТ 1759.5-87.

10. Упаковка и маркировка - по ГОСТ 18160-72.

(Измененная редакция, Изм. № 1).

 




ГОСТЫ, СТРОИТЕЛЬНЫЕ и ТЕХНИЧЕСКИЕ НОРМАТИВЫ.
Некоммерческая онлайн система, содержащая все Российские Госты, национальные Стандарты и нормативы.
В Системе содержится более 150000 файлов нормативно-технической документации, действующей на территории РФ.
Система предназначена для широкого круга инженерно-технических специалистов.

Рейтинг@Mail.ru Яндекс цитирования

Copyright © www.gostrf.com, 2008 - 2026