|
|
ГОСТ 12464-67МЕЖГОСУДАРСТВЕННЫЙ СТАНДАРТ ВТУЛКИ РЕЗЬБОВЫЕ КОНСТРУКЦИЯ ИПК ИЗДАТЕЛЬСТВО СТАНДАРТОВ Москва МЕЖГОСУДАРСТВЕННЫЙ СТАНДАРТ
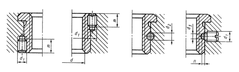
Утвержден Комитетом стандартов, мер и измерительных приборов при Совете Министров СССР 3 января 1967г. Дата введения установлена01.07.67 Постановлением Госстандарта СССР от 17.03.88 № 567 снято ограничение срока действия 1. Конструкция и размеры резьбовых втулок должны соответствовать чертежу и таблице.
Размеры в мм
* При выборе размера d 1-й ряд следует предпочитать 2-му. Пример условного обозначения резьбовой втулки размерами d = М6, Н = 10мм: Втулки 7009-0561 ГОСТ 12464-67 (Измененная редакция, Изм. № 2). 2. Материал - сталь марки 40Х по ГОСТ 4543-71. Допускается замена на стали других марок с механическими свойствами не ниже, чем у стали марки 40Х. 3. Твердость - 35,0...39,5 HRCэ. (Измененная редакция, Изм. № 1, 2). 4. Неуказанные предельные
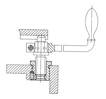
отклонения размеров: (Измененная редакция, Изм. № 2). 5. Резьба метрическая - по ГОСТ 24705-81. Поле допуска резьбы - 7Н по ГОСТ 16093-81. Резьба трапецеидальная - по ГОСТ 24737-81. Поле допуска резьбы - 8Н по ГОСТ 9562-81. (Измененная редакция, Изм. № 1, 2). 6. Размеры фасок для резьбы - по ГОСТ 10549-80. (Измененная редакция, Изм. № 1). 7. Канавки для выхода шлифовального круга - по ГОСТ 8820-69. 8. (Исключен, Изм. № 1). 9. Покрытие - Хим. Окс. прм (обозначение покрытия - по ГОСТ 9.306-85). 10. Маркировать партию деталей одного типоразмера на таре или упаковке с указанием условного обозначения. 9, 10. (Измененная редакция, Изм. № 2). 11. Пример применения втулок указан в приложении 2. (Введен дополнительно, Изм. № 2). ПРИЛОЖЕНИЕ 1
|
||||||||||||||||||||||||||||||||||||||||||||||||||||||||||||||||||||||||||||||||||||||||||||||||||||||||||||||||||||||||||||||||||||||||||||||||||||||||||||||||||||||||||||||||||||||||||||||||||||||||||||||||||||||||||||||||||||||||||||||||||||||||||||||||||||||||||||||||||||||||||||||||||||||||||||||||||||||||||||||||||||||||||||||||||||||||||||||||||||||||||||||||||||||||||||||||||||||||||||||||||||||||||||||||||||||||||||||||||||||||||||||||||
|
Резьба d |
d1 |
D2 (поле допуска u8) |
d3 |
m |
n |
||
|
Метрическая |
Трапецеидальная |
||||||
|
М6 |
- |
- |
М6 |
5 |
4,5 |
10 |
3 |
|
М8 |
- |
- |
|||||
|
М10 |
Тr 10 × 2 |
Тr 10 × 2 LH |
|||||
|
М12 |
Тr 12 × 3 |
Тr 12 × 3 LH |
|||||
|
М16 |
Тr 16 × 4 |
Тr 16 × 4 LH |
|||||
|
М20 |
Тr 20 × 4 |
Тr 20 × 4 LH |
М8 |
6 |
6,0 |
16 |
4 |
|
М24 |
Тr 24 × 5 |
Тr 24 × 5 LH |
|||||
|
- |
Тr 26 × 5 |
Тr 26 × 5 LH |
|||||
|
- |
Тr 28 × 5 |
Тr 28 × 5 LH |
|||||
|
М30 |
Тr 30 × 6 |
Тr 30 × 6 LH |
|||||
|
- |
Тr 32 × 6 |
Тr 32 × 6 LH |
|||||
|
М36 |
Тr 36 × 6 |
Тr 36 × 6 LH |
|||||
|
М42 |
Тr 40 × 6 |
Тr 40 × 6 LH |
|||||
(Измененная редакция, Изм. № 1, 2).

|
ГОСТЫ, СТРОИТЕЛЬНЫЕ и ТЕХНИЧЕСКИЕ НОРМАТИВЫ. Некоммерческая онлайн система, содержащая все Российские Госты, национальные Стандарты и нормативы. В Системе содержится более 150000 файлов нормативно-технической документации, действующей на территории РФ. Система предназначена для широкого круга инженерно-технических специалистов. Copyright © www.gostrf.com, 2008 - 2026 |