Крупнейшая бесплатная информационно-справочная система онлайн доступа к полному собранию технических нормативно-правовых актов РФ. Огромная база технических нормативов (более 150 тысяч документов) и полное собрание национальных стандартов, аутентичное официальной базе Госстандарта. GOSTRF.com - это более 1 Терабайта бесплатной технической информации для всех пользователей интернета. Все электронные копии представленных здесь документов могут распространяться без каких-либо ограничений. Поощряется распространение информации с этого сайта на любых других ресурсах. Каждый человек имеет право на неограниченный доступ к этим документам! Каждый человек имеет право на знание требований, изложенных в данных нормативно-правовых актах!

  


 

МЕЖГОСУДАРСТВЕННЫЙ СТАНДАРТ

ОПОРЫ ПОД НАЖИМНЫЕ ВИНТЫ ДЛЯ ПРИХВАТОВ

Конструкция

Supports for pressure screws of clamps. Design

ГОСТ

12480-67

Дата введения 01.07.67

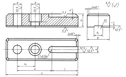
1. Конструкция и размеры опор под нажимные винты для прихватов должны соответствовать чертежу и таблице.

* Размер для справок.

Размеры, мм

Обозначения опор

Применяемость

Под стержень диаметром

Н

В

L

A

A1

d

l

h1

b

b1

Масса, кг

7034-0251

 

12

20

36

115

55

28

15

42

5

10

14

0,545

7034-0252

 

16

25

40

140

68

36

19

50

6

14

18

0,871

7034-0253

 

20

30

45

170

82

45

24

60

8

18

22

1,413

7034-0254

 

24

40

55

180

90

55

28

63

10

22

28

2,435

7034-0255

 

30

50

70

225

108

68

35

80

12

28

36

4,924

Пример условного обозначения опор под нажимные винты для прихватов под стержень диаметром 12 мм:

Опора 7034-0251 ГОСТ 12480-67

(Измененная редакция, Изм. 1, 2).

2. Материал - сталь марки 45 по ГОСТ 1050. Допускается замена на стали других марок с механическими свойствами не ниже, чем у стали марки 45.

3. Твердость - 36,5...41,5 HRCэ.

(Измененная редакция, Изм. № 2).

За. Опорные поверхности под крепежные детали - по ГОСТ 12876.

(Введен дополнительно, Изм. 1).

4. Неуказанные предельные отклонения размеров: Н17, h14, ±

(Измененная редакция, Изм. 2).

5. Покрытие - Хим. Оке. прм (обозначение покрытия - по ГОСТ 9.306).

6. Маркировать партию деталей одного типоразмера на таре или упаковке с указанием условного обозначения.

5, 6. (Измененная редакция, Изм. 2).

7. Пример применения опор указан в приложении.

(Введен дополнительно, Изм. № 2).

ПРИЛОЖЕНИЕ
Справочное
ПРИМЕР ПРИМЕНЕНИЯ ОПОР

ИНФОРМАЦИОННЫЕ ДАННЫЕ

1. РАЗРАБОТАН И ВНЕСЕН Министерством тяжелого, энергетического и транспортного машиностроения СССР

Министерством станкостроительной и инструментальной промышленности СССР

РАЗРАБОТЧИКИ

В.В. Андреев; В.Н. Дзегиленок, канд. техн. наук; В.А. Петрова; К.И. Сокольский; А.З. Старосельский (руководитель темы); А.В. Хренова; Т.А. Шестакова

2. УТВЕРЖДЕН И ВВЕДЕН В ДЕЙСТВИЕ Постановлением Комитета стандартов, мер и измерительных приборов при Совете Министров СССР от 03.01.67 № 56

3. ВЗАМЕН МН 5438-64

4. ССЫЛОЧНЫЕ НОРМАТИВНО-ТЕХНИЧЕСКИЕ ДОКУМЕНТЫ

Обозначение НТД, на который дана ссылка

Номер пункта

ГОСТ 9.306-85

ГОСТ 1050-88

ГОСТ 12876-67

5

2

5. Постановлением Госстандарта СССР от 17.03.88 № 569 снято ограничение срока действия

6. ПЕРЕИЗДАНИЕ (ноябрь 1999 г.) с Изменениями № 1, 2, утвержденными в июне 1980 г., марте 1988 г. (ИУС 9-80, 6-88)

 




ГОСТЫ, СТРОИТЕЛЬНЫЕ и ТЕХНИЧЕСКИЕ НОРМАТИВЫ.
Некоммерческая онлайн система, содержащая все Российские Госты, национальные Стандарты и нормативы.
В Системе содержится более 150000 файлов нормативно-технической документации, действующей на территории РФ.
Система предназначена для широкого круга инженерно-технических специалистов.

Рейтинг@Mail.ru Яндекс цитирования

Copyright © www.gostrf.com, 2008 - 2026