Крупнейшая бесплатная информационно-справочная система онлайн доступа к полному собранию технических нормативно-правовых актов РФ. Огромная база технических нормативов (более 150 тысяч документов) и полное собрание национальных стандартов, аутентичное официальной базе Госстандарта. GOSTRF.com - это более 1 Терабайта бесплатной технической информации для всех пользователей интернета. Все электронные копии представленных здесь документов могут распространяться без каких-либо ограничений. Поощряется распространение информации с этого сайта на любых других ресурсах. Каждый человек имеет право на неограниченный доступ к этим документам! Каждый человек имеет право на знание требований, изложенных в данных нормативно-правовых актах!

  


 

ГОСТ 16312-97

МЕЖГОСУДАРСТВЕННЫЙ СТАНДАРТ

ПРЕОБРАЗОВАТЕЛИ ЧАСТОТЫ ЭЛЕКТРОМАШИННЫЕ
МОЩНОСТЬЮ ДО 200 кВт ЧАСТОТОЙ ДО 20000 Гц

Методы испытаний

МЕЖГОСУДАРСТВЕННЫЙ СОВЕТ
ПО СТАНДАРТИЗАЦИИ, МЕТРОЛОГИИ И СЕРТИФИКАЦИИ

Минск

Предисловие

1 РАЗРАБОТАН Республикой Армения

ВНЕСЕН Техническим секретариатом Межгосударственного Совета по стандартизации, метрологии и сертификации

2 ПРИНЯТ Межгосударственным Советом по стандартизации, метрологии и сертификации (протокол № 11-97 от 25 апреля 1999 г.)

За принятие голосовали:

Наименование государства

Наименование национального органа по стандартизации

Азербайджанская Республика

Азгосстандарт

Республика Армения

Армгосстандарт

Республика Беларусь

Госстандарт Беларуси

Грузия

Грузстандарт

Республика Казахстан

Госстандарт Республики Казахстан

Киргизская Республика

Киргизстандарт

Республика Молдова

Молдовастандарт

Российская Федерация

Госстандарт России

Республика Таджикистан

Таджикгосстандарт

Туркменистан

Главная государственная инспекция Туркменистана

Украина

Госстандарт Украины

3 Постановлением Государственного комитета Российской Федерации по стандартизации и метрологии от 28 декабря 1999 г. № 727-ст межгосударственный стандарт ГОСТ 16312-97 введен в действие непосредственно в качестве государственного стандарта Российской Федерации с 1 июля 2000 г.

4 ВЗАМЕН ГОСТ 16312-70

СОДЕРЖАНИЕ

МЕЖГОСУДАРСТВЕННЫЙ СТАНДАРТ

ПРЕОБРАЗОВАТЕЛИ ЧАСТОТЫ ЭЛЕКТРОМАШИННЫЕ
МОЩНОСТЬЮ ДО 200 кВт ЧАСТОТОЙ ДО 20000 Гц

Методы испытаний

Electric motor frequency convertors with rated power up to 200 kW and frequency to 20000 Hz. Test methods

Дата введения 2000-07-01

1 Область применения

Настоящий стандарт распространяется на преобразователи частоты электромашинные, предназначенные для преобразования электрической энергии трехфазного тока промышленной частоты в энергию однофазного тока повышенной частоты, разрабатываемые по ГОСТ 14868 и соответствующие требованиям ГОСТ 16313, применяемые для питания электротермических и электротехнологических установок.

Обязательные требования к качеству преобразователей изложены в разделах 5 и 6.

Стандарт устанавливает методы следующих испытаний преобразователей:

- технический осмотр, проверка качества сборки, маркировки (6.2);

- контроль воздушных зазоров (6.3);

- измерение сопротивления изоляции обмоток относительно корпуса и между обмотками (6.4);

- измерение сопротивления обмоток при постоянном токе в практически холодном состоянии (6.5);

- испытание системы водяного охлаждения (6.6);

- испытание при повышенной частоте вращения (6.7);

- испытание изоляции обмоток относительно корпуса и между обмотками на электрическую прочность (6.8);

- испытание межвитковой изоляции обмоток на электрическую прочность (6.9);

- определение тока и потерь холостого хода двигателя (6.10);

- определение тока и потерь короткого замыкания двигателя (6.11);

- определение характеристики холостого хода генератора (6.12);

- определение симметрии ветвей силовой обмотки генератора (6.13);

- определение характеристики короткого замыкания генератора (6.14);

- испытание на нагревание в номинальном режиме (6.15);

- испытание на перегрузку (6.16);

- определение параметров пуска и выбега (6.17);

- измерение уровня вибрации (6.18);

- измерение уровня шума (6.19);

- определение коэффициента искажения синусоидальности кривой напряжения генератора (6.20);

- определение нагрузочной, внешней и регулировочной характеристик генератора (6.21);

- определение составляющих потерь и КПД (6.22);

- проверка степени защиты (6.23);

- испытания на воздействие механических и климатических факторов (6.24);

- определение показателей надежности (6.25);

- проверка работы в режимах, отличных от номинальных (6.26).

2 Нормативные ссылки

В настоящем стандарте использованы ссылки на следующие стандарты:

ГОСТ 8.326-89 Государственная система обеспечения единства измерений. Метрологическая аттестация средств измерений

ГОСТ 8.513-84 Государственная система обеспечения единства измерений. Поверка средств измерений. Организация и порядок проведения

ГОСТ 27.003-90 Надежность в технике. Состав и общие правила задания требований по надежности

ГОСТ 7217-87 Машины электрические вращающиеся. Двигатели асинхронные. Методы испытаний

ГОСТ 10169-77 Машины электрические трехфазные синхронные. Методы испытаний

ГОСТ 11828-86 Машины электрические вращающиеся. Общие методы испытаний

ГОСТ 11929-87 Машины электрические вращающиеся. Общие методы испытаний. Определение уровня шума

ГОСТ 14868-97 Преобразователи частоты электромашинные мощностью до 200 кВт частотой до 20000 Гц. Основные параметры

ГОСТ 16313-97 Преобразователи частоты электромашинные мощностью до 200 кВт частотой до 20000 Гц. Общие технические условия

ГОСТ 16962.1-89 (МЭК 68-2-1-74) Изделия электротехнические. Методы испытаний на устойчивость к климатическим внешним воздействующим факторам

ГОСТ 17494-87 (МЭК 34-5-81) Машины электрические вращающиеся. Классификация степеней защиты, обеспечиваемых оболочками вращающихся электрических машин

ГОСТ 17516.1-90 Изделия электротехнические. Общие требования в части стойкости к механическим внешним воздействующим факторам

ГОСТ 20815-93 (МЭК 34-14-82) Машины электрические вращающиеся. Вибрация машин с высотой оси вращения свыше 355 мм. Методы измерения и допустимые значения

ГОСТ 24555-81 Система государственных испытаний продукции. Порядок аттестации испытательного оборудования. Основные положения

3 Обозначения и сокращения

В настоящем стандарте приняты следующие обозначения и сокращения:

 - напряжение отдельных ветвей силовой обмотки генератора, В

rX - сопротивление обмотки, измеренное в холодном состоянии, Ом

ΘХ - температура окружающей среды при измерении сопротивления, °С

rГ - сопротивление обмотки в нагретом состоянии, Ом

ΘВ.П - верхнее предельное значение температуры охлаждающей воды на входе в соответствии со стандартами (нормативными документами), °С

ΘВ - температура охлаждающей воды на входе при измерении сопротивления, °С

РД - потребляемая мощность двигателя, кВт

UД - напряжение двигателя (линейное), В

IД - ток двигателя (линейный),

fД - частота питающей сети (измеренная), Гц

fГ - выходная частота генератора (измеренная), Гц

fГ.С - синхронная выходная частота генератора, Гц

UГ - напряжение генератора, В

UГ.Н - номинальное напряжение генератора, В

1Г - ток генератора, А

IГ.Н - номинальный ток генератора, А

UГ.max - максимальное напряжение генератора, В

IГ.max - максимальный ток генератора, А

РГ - мощность генератора, кВт

РГ.Н - номинальная мощность генератора, кВт

РГ.mах - максимальная мощность генератора, кВт

tПУСК - время пуска, с

tВЫБ - время выбега, мин

КПI - кратность пускового тока двигателя, о./е.

IД.П - ток двигателя, измеренный в первоначальный момент пуска, А

tПУСК.ИЗ - значение времени пуска, измеренное в условиях, отличных от номинальных, с

КПIИЗ - значение кратности пускового тока, измеренное в условиях, отличных от номинальных, о./е

IД.Н - номинальный ток двигателя, А

UД.П - напряжение двигателя, измеренное в первоначальный момент пуска, В

UД.Н - номинальное напряжение двигателя, В

4 Средства контроля и вспомогательные устройства

При проведении испытаний должны применяться средства измерений, прошедшие метрологическую аттестацию (поверку) в соответствии с ГОСТ 8.513, ГОСТ 8.326, и испытательное оборудование, прошедшее аттестацию по ГОСТ 24555, перечни которых должны приводиться в нормативных документах или специальных программах и методиках на однородные преобразователи конкретных типов и групп.

5 Подготовка к испытаниям

В процессе подготовки к испытаниям необходимо:

- убедиться в наличии документа, подтверждающего изготовление преобразователя в соответствии с технической документацией;

- проверить установку преобразователя опорными ножками на ровный горизонтальный пол;

- установить на преобразователе предусмотренные соответствующей программой и методикой индикаторы и проверить соединения измерительных схем;

- проверить правильность соединения подвода и отвода воды;

- убедиться в надежности заземления корпуса преобразователя;

- проверить правильность необходимых электрических соединений: двигателя - с сетью, силовой цепи генератора - с нагрузкой и конденсаторами продольной емкостной компенсации (при их предусмотренности), обмотки возбуждения - с источником постоянного тока.

При этом электрические соединения силовой цепи генератора должны осуществляться высокочастотными многожильными кабелями, прокладываемыми бифилярно кратчайшим путем.

Конденсаторы продольной емкостной компенсации должны быть надежно изолированы.

6 Методы испытаний

6.1 Методы испытаний преобразователей должны удовлетворять ГОСТ 11828, ГОСТ 7217, ГОСТ 10169 и соответствующим стандартам на методы отдельных испытаний электрических машин с учетом требований настоящего стандарта и нормативных документов на преобразователи конкретного типа.

В полном объеме методы различных видов испытаний должны приводиться в нормативных документах или в составе программ и методик, подлежащих согласованию между заказчиком, разработчиком и изготовителем преобразователей.

6.2 При техническом осмотре должны контролироваться:

- затяжка крепежных элементов;

- правильность и полнота маркировки;

- качество наружных покрытий;

- отсутствие течи в системе водяного охлаждения;

- свободное проворачивание ротора от руки.

Отсутствие течи в системе водяного охлаждения проверяют подачей воды в каждую ветвь системы под давлением, равным 1,25 номинального, при закрытых выходах ветвей.

Свободное проворачивание ротора от руки проверяют при помощи ключа, надетого на головку болта, ввинченного в верхнее центровое отверстие вала.

Комплектность и качество упаковки следует проверять на стадии, предшествующей отгрузке преобразователя.

6.3 Величину воздушных зазоров преобразователя измеряют в четырех диаметрально противоположных (сдвинутых относительно друг друга на 90°) местах статора (двигателя и генератора) при четырех положениях ротора, проворачиваемого при каждом измерении на 90° относительно статора.

Для фиксации положений ротора и точек измерений относительно статора предварительно следует нанести и пронумеровать точки измерения на статоре и роторе в местах, легко доступных для наблюдения при собранном преобразователе.

Измерения проводят комплектом измерительных щупов через специально для этого предназначенные отверстия в подшипниковых щитах.

6.4 Сопротивление изоляции обмоток относительно корпуса и между обмотками измеряют по ГОСТ 11828.

Сопротивление в холодном состоянии измеряют непосредственно после технического осмотра, а в нагретом состоянии - после испытаний по 6.15.

Измерения следует проводить поочередно для всех независимых ветвей по отношению к корпусу и каждой ветви по отношению к другим независимым ветвям, присоединяемым на время измерения к корпусу машины.

6.5 Сопротивление обмоток в практически холодном состоянии измеряют методом амперметра и вольтметра для каждой независимой (выведенной на панель) ветви (статорной обмотки двигателя, силовой обмотки и обмотки возбуждения генератора).

Дополнительно должны быть измерены сопротивления при соединениях обмоток, соответствующих рабочему соединению в режиме нагревания преобразователя (для использования при определении температур обмоток после нагрева).

До измерения преобразователь должен находиться не менее 24 ч в окружающей среде без подачи охлаждающей воды.

Каждое сопротивление должно быть измерено не менее трех раз. За действительное значение сопротивления следует принимать среднее арифметическое измеренных значений. При этом значения, отличающиеся от среднего арифметического результата более чем на 1%, должны отбрасываться и заменяться, при необходимости, новым уточненным результатом измерения.

Приведение измеренных сопротивлений к условной температуре 15°С должно производиться в соответствии с ГОСТ 11828.

6.6 Испытание системы водяного охлаждения преобразователя необходимо начать с проверки отсутствия течи в системе. Для этого систему охлаждения полностью заполняют водой. На входы системы при ее закрытых выходах подают воду при давлении, в 1,5 раза превышающем номинальное, и выдерживают в течение 5 мин. Затем в условиях свободного слива снимают гидравлические характеристики отдельных ветвей системы охлаждения в виде зависимостей расходов охлаждающей воды по ветвям от давления на входе (для значений давления от 20 до 150% номинального).

Рекомендуется при снятии характеристики проводить не менее шести отсчетов, причем один из них должен соответствовать номинальному расходу.

При приемо-сдаточных испытаниях ограничиваются измерением давления на входе ветвей системы при номинальном расходе.

6.7 Испытание при повышенной частоте вращения следует проводить путем повышения частоты питания двигателя при невозбужденном генераторе.

Частоту вращения следует плавно повысить до значения, на 20% превышающего номинальное, выдержать при этом значении в течение 2 мин, затем плавно понизить с последующим отключением питания для остановки машины.

Если в процессе испытаний не появляются заметные отклонения от нормального режима (резкое изменение тональности шума, стуки, дрожание, вибрирование и др.), то преобразователь считают выдержавшим испытания.

6.8 Изоляцию обмоток на электрическую прочность относительно корпуса машины и между обмотками испытывают по ГОСТ 11828.

При испытании изоляции отдельных обмоток испытательные напряжения выбирают по наибольшим значениям соответствующих соединений обмоток, причем для генераторов с учетом наибольших рабочих напряжений в режимах разрешенных перегрузок, учитывая продольную емкостную компенсацию.

В паспорт вносят фактические значения испытательных напряжений.

6.9 Межвитковую изоляцию обмоток переменного тока на электрическую прочность следует испытывать при холостом ходе путем:

- повышения подводимого (при испытании обмоток двигателя) напряжения на 30% сверх номинального с выдерживанием его в течение 5 мин;

- повышения генерируемого (при испытании силовой обмотки генератора) напряжения до значения, равного 130% номинального напряжения генератора, с выдерживанием его в течение 5 мин.

Испытание межвитковой изоляции обмоток возбуждения должно проводиться по ГОСТ 11828.

6.10 Ток и потери холостого хода двигателя определяют в соответствии с ГОСТ 7217.

Опыт следует проводить в режиме ненагруженного двигателя (т.е. без возбуждения генератора).

До проведения измерений следует прокрутить двигатель для обкатки не менее 15 мин.

В паспорт вносят фактическое значение номинального напряжения и соответствующие ему среднее значение линейного тока и потребляемую мощность.

6.11 Ток и потери короткого замыкания двигателя следует определять из опыта короткого замыкания двигателя, проводимого по ГОСТ 7217.

Ротор преобразователя должен быть заторможен при помощи специального приспособления, ввинчиваемого до упора в верхнее центровое отверстие вала преобразователя. Приспособление должно обеспечивать безопасное проведение опыта.

За счет соответствующего соединения концов фаз обмотки двигателя должно быть обеспечено направление вращающего момента, обратное направлению ввинчивания тормозного приспособления.

Рычаги тормозного приспособления после упора в рым-болты преобразователя рекомендуется дополнительно привязывать к рым-болтам.

В паспорт вносят фактическое значение испытательного напряжения, среднее значение линейного тока и потребляемую мощность.

6.12 Характеристики холостого хода генератора определяют при номинальных напряжении и частоте питания двигателя.

Перед опытом преобразователь должен быть прокручен для обкатки в режиме холостого хода двигателя не менее 15 мин. Для проведения опыта силовую обмотку генератора предпочтительно соединить на высшее значение номинального напряжения.

При периодических испытаниях характеристику снимают в виде зависимости напряжения генератора, потребляемых преобразователем мощности и тока, от тока возбуждения в направлении прямой и обратной ветви. Рекомендуется на каждой ветви снимать шесть-восемь точек.

При приемо-сдаточных испытаниях снимают зависимость напряжения генератора от тока возбуждения только в направлении прямой ветви. При этом фиксируют потребляемую мощность при номинальном напряжении генератора.

Характеристику снимают до не более пятикратного значения тока возбуждения, соответствующего номинальному значению напряжения генератора в режиме холостого хода, или до снижения напряжения за максимумом характеристики на 10%.

Для обратной ветви ток возбуждения снижают с достигнутого значения до нуля.

В паспорт вносят значения номинального и максимального (или при его недостижимости - наибольшего) напряжения генератора, соответствующие им токи возбуждения и потребляемую мощность при номинальном напряжении.

6.13 Симметрию ветвей силовой обмотки генератора можно определять как самостоятельно, так и в процессе снятия характеристики холостого хода генератора по 6.12.

При отключенном возбуждении генератора размыкают на панели выводов перемычки ветвей силовой обмотки. Затем повышают ток возбуждения до значения, соответствующего номинальному напряжению холостого хода генератора, и измеряют напряжение холостого хода каждой отдельной ветви.

Разность напряжений ветвей силовой обмотки генератора при холостом ходе в процентах вычисляют по формуле

(1)

6.14 Ток и потери короткого замыкания генератора определяют в тех же условиях, в каких проводят испытания по 6.12.

Для проведения опыта силовая обмотка генератора должна быть замкнута накоротко расщепленным проводом возможно малой длины. Предпочтительно соединение силовой обмотки генератора на высшую ступень напряжения.

При периодических испытаниях характеристику снимают в виде зависимости тока в силовой обмотке генератора, потребляемых преобразователем мощности и тока, от тока возбуждения в направлении прямой и обратной ветви.

Рекомендуется на каждой ветви снимать шесть-восемь точек.

При приемо-сдаточных испытаниях снимают зависимость тока силовой обмотки генератора от тока возбуждения только в направлении прямой ветви. При этом фиксируют потребляемую мощность при номинальном токе силовой обмотки генератора.

Снятие характеристик осуществляют плавным повышением тока возбуждения генератора, начиная от значения возможно более низкого до предельного значения, установленного в 6.12, или до снижения тока генератора за максимумом характеристики на 10%, при непревышении двухкратного значения номинального тока. Для обратной ветви ток возбуждения снижают с достигнутого значения до нуля.

В случае продольной емкостной компенсации, в этих же условиях снимают дополнительно характеристику короткого замыкания при введенном в цепь силовой обмотки конденсаторе, предусмотренном для номинального режима нагрузки.

В паспорт вносят значения номинального тока силовой обмотки, максимального тока или, при его недостижимости, наибольшего или установленного частичного тока силовой обмотки, соответствующие им токи возбуждения и потребляемую мощность при номинальном токе генератора. При наличии емкостной компенсации дополнительно вносят значения напряжения на конденсаторе.

6.15 Испытание на нагревание в номинальном режиме проводят по ГОСТ 11828, для режима S1.

При приемо-сдаточных испытаниях ограничиваются трехчасовым режимом номинальной нагрузки при соединении на высшее рабочее напряжение.

По результатам обработки измерений в паспорт вносят фактические данные номинального режима и температуры после нагрева в режиме S1 или трехчасового режима:

- напряжения:

1) питания двигателя (линейное среднее),

2) генератора (силовой обмотки и возбуждения),

3) на нагрузке и конденсаторе;

- токи:

1) двигателя (линейный средний),

2) генератора (силовой обмотки и возбуждения);

- мощности:

1) потребляемая двигателем,

2) отдаваемая генератором;

- коэффициенты мощности:

1) двигателя,

2) генератора,

3) нагрузки;

- температуры:

1) подшипников (верхнего и нижнего),

2) обмоток (генератора, двигателя, возбуждения),

3) воды на входе и выходе каждой ветви,

4) окружающего воздуха;

- расходы воды - по каждой ветви.

Температуру обмоток определяют методом сопротивления. При этом сопротивление обмотки возбуждения измеряют на работающем преобразователе, а силовой обмотки генератора и обмотки статора двигателя - после останова машины с применением торможения возбуждением генератора. Подача охлаждающей воды должна быть прекращена одновременно с отключением преобразователя.

Температуры обмоток при предельно допустимых стандартами (нормативными документами) температурах окружающей среды и охлаждающей воды определяют по следующей формуле (для медных обмоток)

(2)

Температуру подшипников измеряют термометрами сопротивления, термопарами.

По результатам режима нагревания при номинальной нагрузке определяют отношение токов возбуждения в холодном и рабочем состояниях (измеренных в начале и конце режима).

Непосредственно после режима нагревания измеряют также сопротивление изоляции обмоток относительно корпуса и между обмотками при рабочей температуре.

По данным последних измерений режима нагревания при номинальной нагрузке определяют коэффициент мощности двигателя по формуле

(3)

В конце режима нагревания измеряют также скольжение двигателя при номинальной нагрузке.

Скольжение определяют либо стробоскопическим методом, либо посредством измерения частоты питания двигателя и выходной частоты генератора.

При определении скольжения методом измерения частот скольжение в процентах определяют по формуле

(4)

6.16 Испытания на перегрузку

Испытания на перегрузку проводят на преобразователе, проработавшем в режиме номинальной нагрузки не менее 1 ч.

При приемо-сдаточных испытаниях определение перегрузки сводят к проверке работоспособности преобразователя при кратковременной отдаче мощности, на 30% превышающей номинальную, в течение 5 мин, а также к проверке работы преобразователя в течение 120 мин с отдачей мощности, на 10% превышающей номинальную.

Для этого при номинальных напряжении и частоте питания двигателя устанавливают режим генератора UГ = UГ.Н при IГ = 1,3 IГ.Н или IГ = 1,1 IГ.Н (в зависимости от типа перегрузки).

При прочих видах испытаний рекомендуется определение показателей перегружаемости преобразователя. В условиях отсутствия емкостной компенсации генератор преобразователя включают на нагрузку и при изменении тока возбуждения замеряют максимальное значение напряжения генератора и соответствующий этому напряжению ток. Достижение максимальных значений определяют путем повышения тока возбуждения до тех пор, пока напряжение не снизится на 10% от достигнутого максимального значения.

Рекомендуется измерения проводить при включении генератора на пять-шесть ступеней нагрузки, лежащей в интервале 50 - 150% номинальной нагрузки.

Коэффициент мощности при этом должен быть постоянным и равным номинальному. Измеренные значения максимальных напряжений и токов откладывают в системе координат напряжения и тока в соответствии с рисунком 1 и соединяют плавной кривой. Здесь же проводят линии номинальных значений напряжения и тока.

Рисунок 1

Коэффициент перегружаемости по току при номинальном напряжении (KI) определяют как отношение максимального тока при номинальном напряжении, равного абсциссе точки пересечения построенной кривой с линией Uг = Uг.н, к номинальному току по формуле

(5)

Коэффициент перегружаемости по напряжению при номинальном токе (KU) определяют как отношение максимального напряжения при номинальном токе, равного ординате точки пересечения указанной кривой с линией IГ = IГ.Н, к номинальному напряжению по формуле

(6)

Максимальная перегрузка по мощности характеризуется коэффициентом (Kp), определяемым как отношение максимальной отдаваемой мощности, равной наибольшей площади прямоугольника, вершина которого лежит на кривой, к номинальной мощности, равной площади, определяемой произведением отрезков, равных номинальным значениям напряжения и тока, по формуле

(7)

При некоторых видах испытаний для режимов нагрузки, соответствующих показателям перегружаемости KI, KU, KР, измеряют:

- потребляемые мощность, ток, коэффициент мощности;

- отдаваемую мощность, ток возбуждения и скольжение.

Показатели перегружаемости при наличии емкостной компенсации определяют аналогично в соответствии с методами, изложенными в специальных программах.

6.17 Определение параметров пуска и выбега преобразователя

Пуск осуществляют непосредственным включением двигателя в сеть с номинальным напряжением при невозбужденном генераторе и отключенной нагрузке. Рекомендуется производить запуск нагретого преобразователя, т.е. непосредственно после его работы в режимах по 6.15 или 6.16.

Кратность пускового тока (KПI) определяют по формуле

(8)

За время пуска принимают время набора скорости ротором преобразователя от момента включения в сеть до полного разворота (до спада пускового тока).

При этом напряжение сети не должно снижаться более чем на 2%, в противном случае параметры пуска следует пересчитывать по формулам:

(9)

(10)

После определения параметров пуска преобразователь отключают от сети и измеряют время выбега как время его свободного вращения с момента отключения от сети до полной остановки.

В паспорт вносят значения:

- кратность пускового тока;

- время пуска;

- время выбега.

6.18 Уровень вибрации преобразователя измеряют при работе преобразователя в номинальном режиме в конце режима нагрева или трехчасового номинального режима.

Вибрацию измеряют при нормальной эксплуатационной установке преобразователя на собственных упругих ножках-амортизаторах.

Вибрацию измеряют на верхнем и нижнем подшипниковых щитах в горизонтальной плоскости по двум взаимоперпендикулярным направлениям (оси х и у) и на верхнем подшипниковом щите дополнительно в вертикальном направлении (ось z).

В паспорт вносят измеренные величины вибрационной скорости.

6.19 Уровень шума преобразователя измеряют в соответствии с ГОСТ 11929 при работе преобразователя в номинальном режиме, в конце режима нагрева или трехчасового номинального режима.

Испытания проводят в специальной камере или на открытом пространстве, где ограничено влияние источников постороннего шума и отражающих поверхностей.

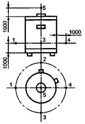
Измерения должны производиться в пяти точках в соответствии с рисунком 2: на расстоянии 1 м от испытуемого объекта, не менее 1 м от отражающих поверхностей и на высоте 1 м от пола.

Рисунок 2

Преобразователь должен быть установлен на собственных упругих ножках-амортизаторах.

В случае проведения испытаний в неприспособленных для измерения шума помещениях, необходимо оценивать уровень помех, который измеряют при отключенном перед испытаниями и после них преобразователе.

Во время работы преобразователя шумомер измеряет суммарный уровень помех и общий шум испытуемого объекта. Значение шума помех должно быть меньше суммарного шума не менее чем на 10 дБ А.

В паспорт вносят измеренные значения уровня шума в децибелах.

6.20 Коэффициент искажения синусоидальности кривой напряжения генератора определяют в соответствии с ГОСТ 10169 при помощи прибора - измерителя нелинейных искажений.

Измерение может быть совмещено с испытаниями по 6.12 (холостой ход генератора).

Для некоторых видов испытаний рекомендуется испытание проводить на преобразователе, проработавшем не менее 1 ч с номинальной нагрузкой.

6.21 Определение нагрузочной, внешней и регулировочной характеристик генератора преобразователя

Нагрузочная характеристика представляет зависимость напряжения генератора от тока возбуждения при номинальных значениях тока и коэффициента мощности нагрузки. При снятии этой характеристики, вначале напряжение генератора устанавливают равным максимальному значению при номинальных токе и коэффициенте мощности нагрузки в соответствии с 6.16.

Затем снижают сопротивление нагрузки, приводя каждый раз регулированием тока возбуждения ток нагрузки к его номинальному значению и измеряя при этом напряжение генератора и ток возбуждения.

Рекомендуется снимать нагрузочную характеристику на пяти-семи ступенях нагрузки до возможно более низкого значения напряжения генератора, проверяя при этом для каждой ступени постоянство коэффициента мощности нагрузки.

Внешняя характеристика представляет зависимость напряжения генератора от тока нагрузки при номинальных значениях тока возбуждения и коэффициента мощности нагрузки. При снятии этой характеристики ток возбуждения генератора в режиме холостого хода устанавливают равным его номинальному значению при номинальной нагрузке и фиксируют соответствующие напряжение и ток генератора. Затем нагружают генератор и на каждой ступени нагрузки измеряют ток и напряжение.

Рекомендуется снимать внешнюю характеристику на пяти-семи ступенях нагрузки до возможно более низкого значения напряжения генератора, проверяя при этом для каждой ступени постоянство коэффициента мощности.

Регулировочная характеристика представляет зависимость тока возбуждения от тока нагрузки при номинальных значениях напряжения генератора и коэффициента мощности нагрузки.

При снятии этой характеристики вначале ток генератора устанавливают равным максимальному значению при номинальном напряжении в соответствии с 6.16. Затем уменьшают нагрузку, приводя каждый раз регулированием тока возбуждения напряжение генератора к его номинальному значению и измеряя при этом токи нагрузки и возбуждения.

Рекомендуется регулировочную характеристику снимать на пяти-семи ступенях нагрузки до возможно более низкого значения тока нагрузки, проверяя для каждой ступени постоянство коэффициента мощности.

6.22 Определение составляющих потерь и КПД преобразователя

КПД преобразователя определяют непосредственным методом - измерением подводимой к двигателю и отдаваемой генератором мощности. Испытание проводят после установления температуры в режиме нагревания.

Определение составляющих потерь проводят пересчетом непосредственных измерений по 6.10, 6.12, 6.15 с выделением следующих составляющих:

а) потери в стали двигателя РСТ.Д;

б) механические потери преобразователя РТ;

в) потери в стали генератора РСТ.Г;

г) потери в силовой обмотке генератора РМ1Г;

д) потери в обмотке статора двигателя РМ1Д;

е) потери в обмотке возбуждения генератора РМ.В;

ж) потери в обмотке ротора двигателя РМ2Д,

з) добавочные потери преобразователя РДОБ.

Потери в стали двигателя и механические потери определяют методом разделения потерь в соответствии с ГОСТ 7217 по данным 6.10 с отнесением выделенных механических потерь к механическим потерям всего преобразователя.

Потери в стали генератора определяют согласно 6.10 и 6.12 по формуле

РСТ.Г = РД - РСТ.Д - РМ1Д - РТ.

(11)

Уточненный КПД преобразователя рассчитывают по формуле

(12)

6.23 Степень зашиты преобразователя проверяют в соответствии с ГОСТ 17494. При приемосдаточных и периодических испытаниях ограничиваются проведением визуального осмотра в соответствии с конструкторской документацией.

6.24 Испытания на воздействие механических и климатических факторов проводят в соответствии с ГОСТ 17516 и ГОСТ 16962.1. При приемо-сдаточных и периодических испытаниях эти проверки не проводят.

6.25 Показатели надежности определяют и подтверждают путем сбора и обработки эксплуатационной статистики в соответствии с ГОСТ 27.003.

6.26 Работу преобразователей в режимах, отличных от номинальных, проверяют в соответствии с программами и методиками, которые должны быть приведены в нормативных документах, или в составе отдельных программ, подлежащих согласованию между заказчиком, изготовителем и разработчиком преобразователей.

Ключевые слова: преобразователи частоты электромашинные, область применения, виды испытаний, программа испытаний, объем испытаний, обозначения технических величин, средства контроля, вспомогательные устройства, подготовка к испытаниям, методы испытаний, измерения, номенклатура измерений, оформление результатов измерений, характеристики, составляющие потерь, определение показателей надежности, проверка режимов работы

 

 




ГОСТЫ, СТРОИТЕЛЬНЫЕ и ТЕХНИЧЕСКИЕ НОРМАТИВЫ.
Некоммерческая онлайн система, содержащая все Российские Госты, национальные Стандарты и нормативы.
В Системе содержится более 150000 файлов нормативно-технической документации, действующей на территории РФ.
Система предназначена для широкого круга инженерно-технических специалистов.

Рейтинг@Mail.ru Яндекс цитирования

Copyright © www.gostrf.com, 2008 - 2026