| |
|
МЕЖГОСУДАРСТВЕННЫЙ
СТАНДАРТ
|
|
ВИНТЫ С НАКАТАННОЙ ВЫСОКОЙ ГОЛОВКОЙ
Конструкция и размеры
High knurled-head screws.
Construction
and dimensions
|
ГОСТ
21331-75
Взамен
ГОСТ 10491-63
|
Постановлением Государственного комитета стандартов
Совета Министров СССР от 8 декабря 1975
г. № 3800 дата введения установлена
01.01.77
Ограничение срока действия снято Постановлением
Госстандарта СССР от 27.06.91 № 1173
Издание с Изменениями № 1, 2, утвержденными в декабре 1981
г., августе 1992
г. (ИУС 3-82, 11-92).
1. Настоящий стандарт
распространяется на цельные и составные винты с металлической или пластмассовой
накатанной высокой головкой классов точности А и В с диаметром резьбы от 1 до 12
мм.
Требования настоящего стандарта являются
обязательными.
(Измененная
редакция, Изм. № 1, 2).
2. (Исключен,
Изм. № 1).
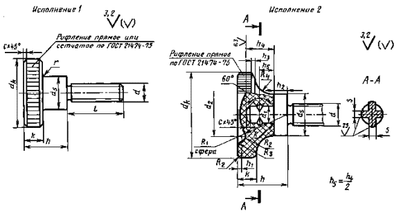
3. Конструкция и размеры
винтов должны соответствовать указанным на чертеже и в табл. 1 и 2.


Таблица 1
мм
|
Номинальный диаметр резьбы
|
1,0
|
1,2
|
1,4
|
1,6
|
2,0
|
2,5
|
3,0
|
(3,5)
|
4,0
|
5,0
|
6,0
|
8,0
|
10,0
|
12,0
|
|
Шаг резьбы
|
крупный
|
0,25
|
0,30
|
0,35
|
0,40
|
0,45
|
0,50
|
0,60
|
0,70
|
0,80
|
1,00
|
1,25
|
1,50
|
1,75
|
|
мелкий
|
0,20
|
0,25
|
0,35
|
0,50
|
0,75
|
1,00
|
1,25
|
|
Диаметр головки dK
|
5,5
|
6,0
|
7,0
|
7,5
|
9,0
|
11
|
12
|
14
|
16
|
20
|
24
|
30
|
36
|
40
|
|
Высота головки h
|
3,5
|
4,0
|
4,7
|
5,0
|
5,3
|
6,5
|
7,5
|
8,5
|
9,5
|
11,5
|
15,0
|
18,0
|
23,0
|
25,0
|
|
k
|
1,5
|
2,0
|
2,5
|
3,0
|
3,5
|
4,0
|
5,0
|
6,0
|
8,0
|
10,0
|
|
n
|
0,3
|
0,4
|
0,5
|
0,6
|
0,8
|
1,0
|
1,2
|
1,6
|
2,0
|
2,5
|
3,0
|
|
t
|
не
менее
|
0,7
|
0,8
|
0,9
|
1,0
|
1,1
|
1,5
|
1,8
|
2,0
|
2,2
|
2,8
|
3,5
|
4,5
|
6,0
|
7,5
|
|
не
более
|
0,9
|
1,0
|
1,15
|
1,3
|
1,4
|
1,8
|
2,2
|
2,5
|
2,7
|
3,4
|
4,3
|
5,5
|
7,0
|
8,5
|
|
h1
|
-
|
-
|
-
|
-
|
-
|
-
|
0,35
|
0,45
|
0,60
|
0,75
|
0,90
|
1,20
|
1,50
|
1,75
|
|
h2
|
-
|
-
|
-
|
-
|
-
|
-
|
2,5
|
3,5
|
5,0
|
6,0
|
9,0
|
|
h3
|
-
|
-
|
-
|
-
|
-
|
-
|
0,4
|
0,5
|
0,7
|
0,8
|
0,9
|
1,0
|
|
h4
|
-
|
-
|
-
|
-
|
-
|
-
|
2,5
|
3,0
|
3,5
|
4,5
|
5,5
|
7,0
|
9,0
|
10,0
|
|
Диаметр подголовка ds
|
2,8
|
3,0
|
3,5
|
4,0
|
4,5
|
5,0
|
6,0
|
7,0
|
8,0
|
10,0
|
12
|
16
|
20
|
24
|
|
d2
|
-
|
-
|
-
|
-
|
-
|
-
|
7
|
8
|
9
|
11
|
13
|
18
|
22
|
24
|
|
S≈
|
-
|
-
|
-
|
-
|
-
|
-
|
1,2
|
1,5
|
1,8
|
2,2
|
2,6
|
3,4
|
4,2
|
5,0
|
|
Длина резьбы b
|
3,0
|
3,5
|
4,0
|
5,0
|
6,0
|
8,0
|
9,0
|
10,0
|
12
|
15
|
18
|
24
|
30
|
36
|
|
Радиус сферы R1
|
-
|
-
|
-
|
-
|
-
|
-
|
8,4
|
8,4
|
9,0
|
10,2
|
12,3
|
18,0
|
20,4
|
21,0
|
|
R2
|
-
|
-
|
-
|
-
|
-
|
-
|
0,35
|
0,60
|
0,75
|
0,90
|
1,20
|
1,50
|
1,75
|
|
R3
|
-
|
-
|
-
|
-
|
-
|
-
|
0,2
|
0,3
|
0,4
|
0,5
|
0,6
|
0,7
|
0,8
|
|
Радиус под головкой r
|
0,5
|
1,0
|
2,0
|
|
R4
|
1,4
|
1,5
|
2,0
|
3,0
|
4,0
|
5,0
|
6,0
|
|
с, не более
|
Кромки
притуплены
|
0,3
|
0,4
|
0,5
|
0,6
|
0,8
|
Примечание - Размеры, приведенные в
скобках, непредпочтительны.
Таблица 2
мм
|
Длина
винта l
|
Номинальный
диаметр резьбы d
|
|
1,0
|
1,2
|
1,4
|
1,6
|
2,0
|
2,5
|
3,0
|
(3,5)
|
4,0
|
5,0
|
6,0
|
8,0
|
10,0
|
12,0
|
|
2
|
|
|
|
|
|
|
|
|
|
|
|
|
|
|
|
3
|
|
|
|
|
|
|
|
|
|
|
|
|
|
|
|
4
|
|
|
|
|
|
|
|
|
|
|
|
|
|
|
|
5
|
|
|
|
|
|
|
|
|
|
|
|
|
|
|
|
6
|
|
|
|
|
|
|
|
|
|
|
|
|
|
|
|
8
|
|
|
|
|
|
|
|
|
|
|
|
|
|
|
|
10
|
|
|
|
|
|
|
|
|
|
|
|
|
|
|
|
12
|
|
|
|
|
|
|
|
|
|
|
|
|
|
|
|
(14)
|
|
|
|
|
|
|
Стандартные
длины
|
|
|
|
|
|
|
16
|
|
|
|
|
|
|
|
|
|
|
|
|
(18)
|
|
|
|
|
|
|
|
|
|
|
|
|
|
|
|
20
|
|
|
|
|
|
|
|
|
|
|
|
|
|
|
|
(22)
|
|
|
|
|
|
|
|
|
|
|
|
|
|
|
|
25
|
|
|
|
|
|
|
|
|
|
|
|
|
|
|
|
(28)
|
|
|
|
|
|
|
|
|
|
|
|
|
|
|
|
30
|
|
|
|
|
|
|
|
|
|
|
|
|
|
|
|
(32)
|
|
|
|
|
|
|
|
|
|
|
|
|
|
|
|
35
|
|
|
|
|
|
|
|
|
|
|
|
|
|
|
|
(38)
|
|
|
|
|
|
|
|
|
|
|
|
|
|
|
|
40
|
|
|
|
|
|
|
|
|
|
|
|
|
|
|
|
45
|
|
|
|
|
|
|
|
|
|
|
|
|
|
|
|
50
|
|
|
|
|
|
|
|
|
|
|
|
|
|
|
|
55
|
|
|
|
|
|
|
|
|
|
|
|
|
|
|
|
60
|
|
|
|
|
|
|
|
|
|
|
|
|
|
|
Примечания:
1. Винты в области от верхней сплошной линии до пунктирной изготавливаются
с резьбой по всей длине.
2. Размеры, приведенные в скобках,
непредпочтительны.
Пример условного
обозначения винта класса точности А,
исполнения 1, с диаметром резьбы d = 10 мм, крупным шагом резьбы,
длиной l = 16
мм, класса прочности 4.6, без покрытия:
Винт A. M10×16.46
ГОСТ 21331-75
То же, класса точности В, исполнения 2 с
мелким шагом резьбы, цинковым покрытием толщиной 6 мкм, нанесенным способом
катодного восстановления, хроматированным:
Винт
В2.М10×1,25×16.46.016 ГОСТ 21331-75
(Измененная
редакция, Изм. № 1, 2).
4. Резьба - по ГОСТ
24705-2004, поле допуска 6g - по ГОСТ
16093-2004.
(Измененная
редакция, Изм. № 1).
5. Диаметр d1 должен находиться в пределах от наружного до среднего
диаметра резьбы.
(Измененная
редакция, Изм. №1,2).
6. Размеры сбегов и проточек резьбы - по ГОСТ
27148-86.
(Измененная
редакция, Изм. № 2).
7. (Исключен,
Изм. № 1).
8. Технические требования - по ГОСТ
21338-75.
9. Теоретическая масса винтов приведена в
приложениях 1 и 2.
(Измененная
редакция, Изм. № 2).
10. Конец винта плоский - по ГОСТ 12414-94.
11. Допуски размеров, отклонений формы и
расположения поверхностей - по ГОСТ
1759.1-82.
10, 11. (Введены дополнительно, Изм. № 2).
ПРИЛОЖЕНИЕ 1
Справочное
|
Длина
винта l, мм
|
Теоретическая
масса 1000 шт. стальных винтов с пластмассовой высокой головкой,
кг ≈, при номинальном диаметре резьбы d, мм
|
|
3,0
|
(3,5)
|
4,0
|
5,0
|
6,0
|
8,0
|
10,0
|
12,0
|
|
4
|
1,26
|
-
|
-
|
-
|
-
|
-
|
-
|
-
|
|
5
|
1,31
|
1,73
|
3,01
|
-
|
-
|
-
|
-
|
-
|
|
6
|
1,35
|
1,83
|
3,08
|
5,87
|
-
|
-
|
-
|
-
|
|
8
|
1,44
|
2,02
|
3,24
|
6,06
|
9,85
|
-
|
-
|
-
|
|
10
|
1,53
|
2,21
|
3,39
|
6,31
|
10,2
|
-
|
-
|
-
|
|
12
|
1,62
|
2,40
|
3,55
|
6,55
|
10,5
|
21,4
|
-
|
-
|
|
(14)
|
1,70
|
2,60
|
3,70
|
6,80
|
10,9
|
22,1
|
-
|
-
|
|
16
|
1,79
|
2,80
|
3,85
|
7,04
|
11,2
|
22,7
|
-
|
-
|
|
(18)
|
1,88
|
3,00
|
4,00
|
7,29
|
11,6
|
23,3
|
-
|
-
|
|
20
|
1,97
|
3,20
|
4,16
|
7,54
|
11,9
|
24,0
|
45
|
-
|
|
(22)
|
2,08
|
3,36
|
4,35
|
7,84
|
12,3
|
24,8
|
46,5
|
-
|
|
25
|
2,20
|
3,66
|
4,55
|
8,15
|
12,8
|
25,6
|
48
|
77
|
|
(28)
|
2,33
|
3,94
|
4,75
|
8,46
|
13,25
|
26,3
|
49
|
79
|
|
30
|
2,42
|
4,14
|
4,94
|
8,77
|
13,7
|
27,1
|
50
|
81
|
|
(32)
|
2,53
|
4,33
|
5,13
|
9,01
|
14,15
|
27,9
|
51
|
82,5
|
|
35
|
2,64
|
4,62
|
5,33
|
9,38
|
14,6
|
28,7
|
52
|
84
|
|
(38)
|
-
|
-
|
5,52
|
9,68
|
15,05
|
29,5
|
53
|
86
|
|
40
|
-
|
-
|
5,72
|
9,99
|
15,5
|
30,3
|
55
|
88
|
|
45
|
-
|
-
|
-
|
-
|
-
|
31,9
|
57
|
92
|
|
50
|
-
|
-
|
-
|
-
|
-
|
33,5
|
60
|
95
|
|
55
|
-
|
-
|
-
|
-
|
-
|
-
|
62
|
99
|
|
60
|
-
|
-
|
-
|
-
|
-
|
-
|
65
|
102
|
ПРИЛОЖЕНИЕ
2
Справочное
|
Длина
винта l, мм
|
Теоретическая
масса 1000 шт. стальных цельнометаллических винтов с высокой головкой,
кг ≈, при номинальном диаметре резьбы d, мм
|
|
1,0
|
1,2
|
1,4
|
1,6
|
2,0
|
2,5
|
3,0
|
(3,5)
|
4,0
|
5,0
|
6,0
|
8,0
|
10,0
|
12,0
|
|
2
|
0,386
|
0,485
|
0,825
|
0,95
|
|
|
|
|
|
|
|
|
|
|
|
3
|
0,39
|
0,492
|
0,834
|
0,96
|
1,45
|
2,5
|
|
|
|
|
|
|
|
|
|
4
|
0,394
|
0,499
|
0,843
|
0,97
|
1,47
|
2,53
|
3,5
|
|
|
|
|
|
|
|
|
5
|
0,4
|
0,508
|
0,852
|
0,98
|
1,49
|
2,56
|
3,54
|
5,59
|
8,28
|
|
|
|
|
|
|
6
|
0,412
|
0,525
|
0,864
|
0,99
|
1,51
|
2,59
|
3,59
|
5,65
|
8,36
|
15,2
|
|
|
|
|
|
8
|
|
0,542
|
0,904
|
1,02
|
1,55
|
2,65
|
3,68
|
5,77
|
8,51
|
15,4
|
28
|
|
|
|
|
10
|
|
|
0,929
|
1,15
|
1,6
|
2,71
|
3,77
|
5,82
|
8,66
|
15,7
|
28,4
|
|
|
|
|
12
|
|
|
0,952
|
1,18
|
1,7
|
2,77
|
3,86
|
6,01
|
8,81
|
16
|
28,7
|
56
|
|
|
|
(14)
|
|
|
0,976
|
1,21
|
1,75
|
2,9
|
4,04
|
6,13
|
8,96
|
16,3
|
29
|
56,4
|
|
|
|
16
|
|
|
|
|
1,8
|
3,08
|
4,2
|
6,25
|
9,1
|
16,7
|
29,3
|
56,8
|
|
|
|
(18)
|
|
|
|
|
|
3,15
|
4,31
|
6,54
|
9,25
|
17
|
29,7
|
57,2
|
100
|
|
|
20
|
|
|
|
|
|
3,23
|
4,44
|
6,79
|
9,42
|
17,3
|
30
|
58
|
101
|
|
|
(22)
|
|
|
|
|
|
|
4,55
|
6,94
|
10,06
|
17,87
|
30,3
|
58,6
|
102
|
|
|
25
|
|
|
|
|
|
|
4,71
|
7,2
|
10,4
|
18,33
|
30,8
|
59,2
|
104
|
174
|
|
(28)
|
|
|
|
|
|
|
4,88
|
7,4
|
10,64
|
18,8
|
32,8
|
59,6
|
106
|
177
|
|
30
|
|
|
|
|
|
|
4,99
|
7,55
|
10,85
|
19,1
|
33,3
|
64
|
107
|
179
|
|
(32)
|
|
|
|
|
|
|
5,10
|
7,7
|
11,04
|
19,4
|
33,7
|
64,8
|
108
|
180
|
|
35
|
|
|
|
|
|
|
5,27
|
7,92
|
11,34
|
19,9
|
34,4
|
66
|
110
|
182
|
|
(38)
|
|
|
|
|
|
|
|
|
11,63
|
20,3
|
35,0
|
67,2
|
117
|
185
|
|
40
|
|
|
|
|
|
|
|
|
11,83
|
20,6
|
35,5
|
68
|
124
|
187
|
|
45
|
|
|
|
|
|
|
|
|
|
|
|
70
|
129
|
192
|
|
50
|
|
|
|
|
|
|
|
|
|
|
|
72
|
132
|
196
|
|
55
|
|
|
|
|
|
|
|
|
|
|
|
|
135
|
200
|
|
60
|
|
|
|
|
|
|
|
|
|
|
|
|
138
|
205
|
ПРИЛОЖЕНИЯ 1, 2. (Измененная редакция, Изм. № 2).
|
|