| |
|
МЕЖГОСУДАРСТВЕННЫЙ
СТАНДАРТ
|
|
ВИНТЫ С НАКАТАННОЙ НИЗКОЙ
ГОЛОВКОЙ
И ЦИЛИНДРИЧЕСКИМ КОНЦОМ
Конструкция и размеры
Low
knurled-head and flat-dog point screws.
Construction and dimensions
|
ГОСТ
21337-75
Взамен
ГОСТ 10492-63
в части варианта
c цилиндрическим
концом
|
Постановлением Государственного комитета стандартов
Совета Министров СССР от 8 декабря 1975
г. № 3800 дата введения установлена
01.01.77
Ограничение срока действия снято Постановлением
Госстандарта СССР от 27.06.91 № 1173
Издание с Изменениями № 1, 2, утвержденными в декабре 1981
г., августе 1992
г. (ИУС 3-82, 11-92).
1. Настоящий стандарт
распространяется на цельные и составные винты с металлической или пластмассовой
низкой головкой и цилиндрическим концом классов точности А и В с диаметром
резьбы от 2 до 12 мм.
Требования настоящего стандарта являются
обязательными.
(Измененная
редакция, Изм. № 1, 2).
2. (Исключен,
Изм. № 1).
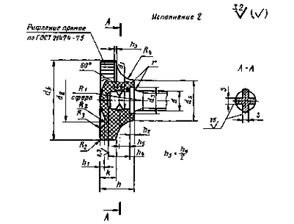
3. Конструкция и размеры
винтов должны соответствовать указанным на чертеже и в табл. 1 и 2.


Таблица 1
мм
|
Номинальный диаметр резьбы d
|
2,0
|
2,5
|
3,0
|
(3,5)
|
4,0
|
5,0
|
6,0
|
8,0
|
10,0
|
12,0
|
|
Шаг резьбы
|
крупный
|
0,40
|
0,45
|
0,50
|
0,60
|
0,70
|
0,80
|
1,00
|
1,25
|
1,50
|
1,75
|
|
мелкий
|
0,25
|
0,35
|
0,50
|
0,75
|
1,00
|
1,25
|
|
Диаметр головки dк
|
9
|
10
|
12
|
14
|
16
|
20
|
24
|
30
|
36
|
40
|
|
Высота головки h
|
-
|
-
|
5
|
6
|
7
|
8
|
10
|
12
|
14
|
16
|
|
k
|
-
|
0,25
|
3,0
|
3,5
|
4,0
|
5,0
|
6,0
|
8,0
|
10,0
|
|
h1
|
-
|
-
|
0,35
|
0,45
|
0,60
|
0,75
|
0,90
|
1,20
|
1,50
|
1,75
|
|
h2
|
-
|
-
|
1,0
|
1,1
|
1,2
|
1,4
|
1,6
|
2,0
|
2,4
|
2,8
|
|
h3
|
-
|
-
|
0,4
|
0,5
|
0,7
|
0,8
|
0,9
|
1,0
|
|
h4
|
-
|
-
|
2,5
|
3,0
|
3,5
|
4,5
|
5,5
|
7,0
|
9,0
|
10,0
|
|
Диаметр подголовка ds
|
-
|
-
|
6
|
7
|
8
|
10
|
12
|
16
|
20
|
24
|
|
d2
|
-
|
-
|
7
|
8
|
9
|
11
|
13
|
18
|
22
|
24
|
|
d3
|
-
|
-
|
5
|
6
|
7
|
8
|
10
|
12
|
14
|
|
S =
|
-
|
-
|
1,2
|
1,5
|
1,8
|
2,2
|
2,6
|
3,4
|
4,2
|
5,0
|
|
Радиус сферы R1
|
-
|
-
|
8,4
|
9,0
|
10,2
|
12,3
|
18,0
|
20,4
|
21,0
|
|
R2
|
-
|
-
|
0,35
|
0,60
|
0,75
|
0,90
|
1,20
|
1,50
|
1,75
|
|
R3
|
-
|
-
|
0,2
|
0,3
|
0,4
|
0,5
|
0,6
|
0,7
|
0,8
|
|
Радиус под головкой r
|
0,5
|
1,0
|
2,0
|
|
R4
|
-
|
-
|
2
|
3
|
4
|
5
|
6
|
|
с, не более
|
Кромки
притуплены
|
0,3
|
0,4
|
0,5
|
0,6
|
0,8
|
|
Длина резьбы b
|
7
|
8
|
9
|
10
|
1 12
|
15
|
18
|
22
|
28
|
34
|
Таблица 2
мм
|
Длина винта l
|
Номинальный диаметр резьбы
d
|
|
2,0
|
2,5
|
3,0
|
(3,5)
|
4,0
|
5,0
|
6,0
|
8,0
|
10,0
|
12,0
|
|
3
|
|
|
|
|
|
|
|
|
|
|
|
4
|
|
|
|
|
|
|
|
|
|
|
|
5
|
|
|
|
|
|
|
|
|
|
|
|
6
|
|
|
|
|
|
|
|
|
|
|
|
8
|
|
|
|
|
|
|
|
|
|
|
|
10
|
|
|
|
|
|
|
|
|
|
|
|
12
|
|
|
|
|
|
|
|
|
|
|
|
(14)
|
|
|
|
|
|
|
|
|
|
|
|
16
|
|
|
|
|
|
|
|
|
|
|
|
(18)
|
|
|
|
Стандартные длины
|
|
|
|
|
|
20
|
|
|
|
|
|
|
|
|
(22)
|
|
|
|
|
|
|
|
|
|
|
|
25
|
|
|
|
|
|
|
|
|
|
|
|
(28)
|
|
|
|
|
|
|
|
|
|
|
|
30
|
|
|
|
|
|
|
|
|
|
|
|
(32)
|
|
|
|
|
|
|
|
|
|
|
|
35
|
|
|
|
|
|
|
|
|
|
|
|
(38)
|
|
|
|
|
|
|
|
|
|
|
|
40
|
|
|
|
|
|
|
|
|
|
|
|
45
|
|
|
|
|
|
|
|
|
|
|
|
50
|
|
|
|
|
|
|
|
|
|
|
|
55
|
|
|
|
|
|
|
|
|
|
|
|
60
|
|
|
|
|
|
|
|
|
|
|
Примечания:
1. Винты в области от верхней сплошной линии до пунктирной
изготавливаются с резьбой по всей длине.
2. Размеры, приведенные в скобках,
непредпочтительны.
Пример условного
обозначения винта класса точности А,
исполнения 1, диаметром резьбы d = 10 мм, с крупным шагом резьбы,
длиной l = 16
мм, класса прочности 4.6, без крытая:
Винт A.M10×16.46 ГОСТ 21337-75
Тоже, класса точности В, исполнения 2, с
мелким шагом резьбы, цинковым покрытием толщиной 6 мкм, нанесенным способом
катодного восстановления, хроматированным:
Винт B2.M10×1,25-6g×l6.46.016 ГОСТ
21337-75
(Измененная
редакция, Изм. № 1, 2).
4. Резьба - по ГОСТ
24705-2004, поле допуска резьбы 6g - по ГОСТ
16093-2004.
(Измененная
редакция, Изм. № 1).
5. Диаметр гладкой части стержня должен
быть равен наружному диаметру резьбы или диаметру стержня под накатывание
метрической резьбы по ГОСТ 19256-73.
Диаметр d1 должен находиться в пределах от наружного до среднего
диаметра резьбы.
(Измененная
редакция, Изм. № 2).
6. Размеры сбегов и недорезов резьбы - по
ГОСТ
27148-86.
(Измененная
редакция, Изм. № 1).
7. (Исключен,
Изм. № 1).
8. Технические требования - по ГОСТ
21338-75.
9. Теоретическая масса винтов приведена в
приложениях 1 и 2.
(Измененная
редакция, Изм. № 2).
10. Конец винта цилиндрический - по ГОСТ 12414-94.
11. Допуски размеров, отклонений формы и
расположения поверхностей - по ГОСТ
1759.1-82.
10, 11. (Введены дополнительно, Изм. № 2).
ПРИЛОЖЕНИЕ 1
Справочное
|
Длина
винта l, мм
|
Теоретическая
масса 1000 шт. стальных винтов, кг ≈, при номинальном диаметре резьбы d, мм
|
|
3,0
|
(3,5)
|
4,0
|
5,0
|
6,0
|
8,0
|
10,0
|
12,0
|
|
4
|
1,03
|
-
|
-
|
-
|
-
|
-
|
-
|
-
|
|
5
|
1,08
|
1,68
|
2,42
|
-
|
-
|
-
|
-
|
-
|
|
6
|
1,12
|
1,75
|
2,49
|
4,4
|
-
|
-
|
-
|
-
|
|
8
|
1,21
|
1,90
|
2,64
|
4,6
|
7,7
|
-
|
-
|
-
|
|
10
|
1,30
|
2,05
|
2,79
|
4,8
|
8,0
|
-
|
-
|
-
-
|
|
12
|
1,38
|
2,21
|
2,94
|
5,0
|
8,3
|
16,0
|
-
|
-
|
|
(14)
|
1,47
|
2,36
|
3,10
|
5,3
|
8,7
|
16,7
|
-
|
-
|
|
16
|
1,56
|
2,51
|
3,25
|
5,5
|
9,0
|
17,3
|
29,7
|
-
|
|
(18)
|
1,65
|
2,66
|
3,41
|
5,7
|
9,3
|
17,9
|
30,8
|
-
|
|
20
|
1,74
|
2,81
|
3,56
|
6,0
|
9,7
|
18,6
|
32
|
-
|
|
(22)
|
1,81
|
2,96
|
3,72
|
6,3
|
10,1
|
19,4
|
33
|
-
|
|
25
|
1,97
|
3,19
|
3,94
|
6,6
|
10,6
|
20,2
|
34
|
52
|
|
(28)
|
2,08
|
3,41
|
4,12
|
6,9
|
11,1
|
21,0
|
35
|
53
|
|
30
|
2,19
|
3,56
|
4,32
|
7,2
|
11,5
|
21,8
|
37
|
55
|
|
(32)
|
2,28
|
3,72
|
4,50
|
7,6
|
12,0
|
22,6
|
38
|
57
|
|
35
|
2,42
|
3,94
|
4,69
|
8,0
|
12,5
|
23,4
|
39
|
59
|
|
(38)
|
-
|
-
|
4,87
|
8,3
|
13,0
|
24,2
|
40
|
60
|
|
40
|
-
|
-
|
5,07
|
8,6
|
13,2
|
24,9
|
42
|
62
|
|
45
|
-
|
-
|
-
|
-
|
-
|
26,5
|
44
|
66
|
|
50
|
-
|
-
|
-
|
-
|
-
|
28,1
|
47
|
70
|
|
55
|
-
|
-
|
-
|
-
|
-
|
-
|
49
|
73
|
|
60
|
-
|
-
|
-
|
-
|
-
|
-
|
52
|
77
|
ПРИЛОЖЕНИЕ 2
Справочное
|
Длина
винта l, мм
|
Теоретическая
масса 1000 шт. стальных цельнометаллических винтов с низкой головкой, кг
≈, при номинальном диаметре резьбы d, мм
|
|
2,0
|
2,5
|
3,0
|
(3,5)
|
4,0
|
5,0
|
6,0
|
8,0
|
10,0
|
12,0
|
|
2
|
-
|
-
|
-
|
-
|
-
|
-
|
-
|
-
|
-
|
-
|
|
3
|
1,05
|
1,89
|
|
|
|
|
|
|
|
|
|
4
|
1,07
|
1,92
|
2,39
|
|
|
|
|
|
|
|
|
5
|
1,09
|
1,95
|
2,43
|
3,90
|
5,97
|
|
|
|
|
|
|
6
|
1,11
|
1,98
|
2,47
|
3,96
|
6,03
|
10,5
|
|
|
|
|
|
8
|
1,14
|
2,04
|
2,56
|
4,08
|
6,10
|
10,8
|
18,9
|
|
|
|
|
10
|
1,18
|
2,10
|
2,64
|
4,20
|
6,25
|
11,1
|
19,4
|
|
|
|
|
12
|
1,22
|
2,16
|
2,73
|
4,32
|
6,40
|
11,3
|
19,8
|
38,0
|
|
|
|
(14)
|
1,25
|
2,22
|
2,82
|
4,43
|
6,55
|
11,5
|
20,1
|
38,4
|
|
|
|
16
|
1,28
|
2,28
|
2,91
|
4,55
|
6,70
|
11,7
|
20,4
|
39,0
|
71,5
|
|
|
(18)
|
|
2,34
|
3,00
|
4,67
|
6,85
|
11,9
|
20,7
|
39,6
|
72,5
|
|
|
20
|
|
2,40
|
3,10
|
4,79
|
7,00
|
12,1
|
21,0
|
40,2
|
73,5
|
|
|
(22)
|
|
|
3,17
|
4,91
|
7,15
|
12,3
|
21,3
|
40,8
|
74,5
|
|
|
25
|
|
|
3,26
|
5,02
|
7,37
|
12,6
|
21,8
|
41,7
|
76,0
|
116
|
|
(28)
|
|
|
3,35
|
5,14
|
7,50
|
12,9
|
22,3
|
42,6
|
77,5
|
118
|
|
30
|
|
|
3,52
|
5,26
|
7,81
|
13,2
|
22,9
|
43,2
|
78,4
|
120
|
|
(32)
|
|
|
3,75
|
5,39
|
8,19
|
13,5
|
23,5
|
43,5
|
79,8
|
121
|
|
35
|
|
|
4,20
|
5,52
|
8,51
|
14,2
|
24,1
|
44,4
|
80,9
|
123
|
|
(38)
|
|
|
|
|
8,95
|
15,0
|
24,8
|
45,2
|
82,8
|
125
|
|
40
|
|
|
|
|
9,30
|
15,9
|
25,6
|
45,9
|
83,4
|
127
|
|
45
|
|
|
|
|
|
|
|
46,6
|
86,0
|
130
|
|
50
|
|
|
|
|
|
|
|
48,9
|
88,4
|
134
|
|
55
|
|
|
|
|
|
|
|
|
90,9
|
138
|
|
60
|
|
|
|
|
|
|
|
|
93,4
|
141
|
ПРИЛОЖЕНИЯ 1, 2. (Измененная редакция, Изм. № 2).
|
|