| |

ГОСУДАРСТВЕННЫЙ СТАНДАРТ СОЮЗА
ССР
СОЕДИНЕНИЯ ТРУБОПРОВОДОВ РЕЗЬБОВЫЕ
ГАЙКИ НАКИДНЫЕ
КОНСТРУКЦИЯ
ГОСТ 23353-78
ИПК ИЗДАТЕЛЬСТВО СТАНДАРТОВ
Москва
ГОСУДАРСТВЕННЫЙ СТАНДАРТ СОЮЗА
ССР
|
СОЕДИНЕНИЯ ТРУБОПРОВОДОВ РЕЗЬБОВЫЕ
ГАЙКИ НАКИДНЫЕ
КОНСТРУКЦИЯ
Threaded pipeline
connections. Cartive nute.
Construction
|
ГОСТ
23353-78
|
Дата введения 01.01.80
1. Настоящий
стандарт распространяется на накидные гайки, применяемые в резьбовых соединениях
трубопроводов, арматуре и гидропневмооборудовании с углом конуса 24°, для
осевого (исполнение 1) и радиального (исполнение 2) монтажа.
Обязательные требования к качеству
продукции, обеспечивающие ее безопасность для жизни, здоровья и охрану окружающей
среды, изложены в пп. 2, 5
настоящего стандарта.
Стандарт может быть использован для
сертификации с объемами и методами сертификационных испытаний по ГОСТ
15763.
(Измененная редакция, Изм. № 2, 3).
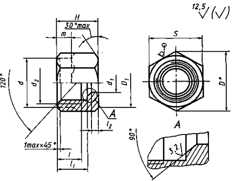
2. Конструкция и основные
размеры гаек должны соответствовать указанным на чертеже и в таблице.

*
Размер для справок
Примечания:
1. D =
(0,9...0,95)·S
2. Допускается изготавливать гайки с наружной
проточкой диаметром d и длиной т
|
Груп-
па
|
Номиналь-
ный размер (условный проход) DN
(Dy)
|
Наруж-
ный
диаметр
трубы
Dн
|
d
|
d1
|
d2
|
D
|
l, не
менее
|
l1
±0,2
|
l2
±0,3
|
Н
|
т,
не более
|
S
|
Масса
1000 шт., кг
|
|
номин.
|
пред.
откл.
|
исполнение
|
|
номин.
|
пред.
откл..
|
номин.
|
пред.
откл.
|
исполнение
|
исполнение
|
исполнение
|
|
1
|
2
|
1
|
2
|
1
|
2
|
1
|
2
|
|
1
|
2,5
|
4
|
10
|
-0,40
|
4
|
+0,39
+0,27
|
М8×1
|
11,5
|
5,0
|
8,0
|
-
|
1,8
|
11,0
|
-
|
+0,8
-0,3
|
5,0
|
-
|
10
|
4,67
|
-
|
|
3,0
|
5
|
12
|
-0,48
|
5
|
М10×1
|
13,8
|
5,5
|
8,5
|
-
|
11,5
|
-
|
5,5
|
12
|
6,42
|
-
|
|
4,0
|
6
|
6
|
6,17
|
-
|
|
6,0
|
8
|
14
|
8
|
+0,43
+0,28
|
М12×1,5
|
16,2
|
6,0
|
9,0
|
-
|
12,0
|
-
|
6,0
|
14
|
8,09
|
-
|
|
2
|
4,0
|
6
|
6
|
+0,39
+0,27
|
7,0
|
10,5
|
-
|
2,0
|
14,5
|
-
|
+
1,0
-0,5
|
8,5
|
10,50
|
-
|
|
6,0
|
8
|
17
|
8
|
+0,43
+0,28
|
М14×1,5
|
19,6
|
-
|
-
|
7,5
|
17
|
16,10
|
-
|
|
8,0
|
10
|
19
|
-0,56
|
10
|
М16×1,5
|
21,9
|
8,0
|
11,5
|
-
|
15,5
|
-
|
7,5
|
19
|
19,83
|
-
|
|
10,0
|
12
|
22
|
12
|
+0,47
+0,29
|
М18×1,5
|
25,4
|
-
|
6,5
|
22
|
27,40
|
-
|
|
12,0
|
15
|
27
|
15
|
М22×1,5
|
31,2
|
8,5
|
12,5
|
18,0
|
3,0
|
17,0
|
27,0
|
6,0
|
16
|
27
|
48,00
|
73,50
|
|
(16)
|
30
|
16
|
М24×1,5
|
34,6
|
30
|
57,54
|
88,48
|
|
15,0
|
18
|
32
|
-0,68
|
18
|
М26×1,5
(М27×2)
|
36,9
|
13,0
|
17,0
|
3,5
|
18,0
|
29,0
|
5,0
|
16
|
32
|
63,67
|
94,28
|
|
20,0
|
22
|
36
|
22
|
+0,51
+0,30
|
М30×2
|
41,6
|
9,5
|
14,5
|
20,5
|
3,0
|
20,0
|
31,5
|
+
1,5
-0,5
|
5,0
|
16,5
|
36
|
88,59
|
134,80
|
|
25,0
|
28
|
41
|
28
|
М36×2
|
47,3
|
10,0
|
15,0
|
20,5
|
3,0
|
21,0
|
32,0
|
6,0
|
17,5
|
41
|
101,33
|
149,25
|
|
32,0
|
(34)
|
50
|
34
|
+0,56
+0,31
|
М45×2
|
57,7
|
12,0
|
17,0
|
25,0
|
4,0
|
24,0
|
37,5
|
7,0
|
20,5
|
50
|
157,84
|
234,85
|
|
35
|
35
|
150,0
|
230,0
|
|
40,0
|
42
|
60
|
-0,80
|
42
|
+0,57
+0,32
|
М52×2
|
69,3
|
26,5
|
4,5
|
38,0
|
5,0
|
19,0
|
60
|
243,70
|
371,85
|
|
3
|
3,0
|
6
|
17
|
-0,48
|
6
|
+0,39
+0,27
|
М14×1,5
|
19,6
|
8,5
|
12,5
|
-
|
2,5
|
16,5
|
-
|
+
1,0
-0,5
|
9,5
|
-
|
17
|
18,68
|
-
|
|
4,0
|
8
|
19
|
-0,56
|
8
|
+0,43
+0,28
|
М16×1,5
|
21,9
|
|
|
-
|
|
|
-
|
|
8,5
|
-
|
19
|
21,94
|
-
|
|
5,0
|
10
|
22
|
10
|
М18×1,5
|
25,4
|
|
|
17,5
|
3,5
|
17,5
|
27,0
|
|
8,5
|
18,0
|
22
|
32,84
|
48,40
|
|
6,0
|
12
|
24
|
12
|
+0,51
+0,16
|
М20×1,5
|
27,7
|
|
|
18,5
|
|
|
27,5
|
|
6,5
|
16,5
|
24
|
36,79
|
55,46
|
|
8,0
|
(14)
|
27
|
14
|
М22×1,5
|
31,2
|
10,5
|
14,5
|
19,5
|
4,5
|
20,5
|
29,5
|
+
1,5
-0,5
|
9,5
|
18,5
|
27
|
59,01
|
79,55
|
|
10,0
|
16
|
30
|
16
|
М24×1,5
|
34,6
|
21,0
|
31,5
|
7,5
|
18,5
|
30
|
70,92
|
104,32
|
|
12,0
|
20
|
36
|
-0,68
|
20
|
+0,51
+0,16
|
М30×2
|
41,6
|
12,0
|
17,0
|
24,0
|
5,0
|
24,0
|
36,5
|
9,0
|
21,5
|
36
|
109,53
|
159,88
|
|
15,0
|
25
|
46
|
25
|
+0,51
+0,30
|
М36×2
|
53,1
|
14,0
|
19,0
|
28,0
|
5,5
|
27,0
|
41,5
|
10,0
|
24,5
|
46
|
220,23
|
326,77
|
|
20,0
|
30
|
50
|
30
|
М42×2
|
57,7
|
15,0
|
20,0
|
32,0
|
6,0
|
29,0
|
46,5
|
12,0
|
29,5
|
50
|
240,08
|
366,09
|
|
25,0
|
38
|
60
|
-0,80
|
38
|
+0,56
+0,31
|
М52×2
|
69,3
|
17,0
|
22,5
|
36,0
|
7,0
|
32,5
|
52,0
|
15,5
|
35,0
|
60
|
347,65
|
526,37
|
|
32,0
|
45
|
70
|
-0,92
|
45
|
+0,62
+0,32
|
М60×2
|
80,8
|
20,5
|
25,5
|
-
|
7,0
|
36,0
|
-
|
15,0
|
-
|
70
|
524,88
|
-
|
|
40,0
|
57
|
85
|
57
|
+0,64
+0,34
|
М72×2
|
98,0
|
22,5
|
28,5
|
-
|
7,5
|
40,0
|
-
|
16,0
|
-
|
85
|
852,18
|
-
|
|
50,0
|
76
|
105
|
76
|
+0,66
+0,36
|
М90×2
|
121,3
|
25,5
|
30,5
|
-
|
9,0
|
45,0
|
-
|
17,0
|
-
.
|
105
|
1349,51
|
-
|
(Поправка. ИУС
2-2010 г.)
Примечания:
1. Предельные отклонения на размер d1 должны
выдерживаться не менее чем на 1/2 длины.
2. Значения, приведенные в скобках, непредпочтительны.
3. Масса указана для справок.
Пример условного
обозначения накидной гайки для осевого монтажа
с наружным диаметром трубы 18
мм группы 2:
Гайка накидная 2-18 ГОСТ 23353-78
То же, для радиального монтажа:
Гайка накидная 2р - 18 ГОСТ 23353-78.
(Измененная редакция, Изм. № 3).
3. (Исключен,
Изм. № 3).
4. Рекомендуемые значения
номинальных (условных) давлений для каждой группы накидных гаек в зависимости
от вида соединений - по ГОСТ 15763, приложение 3; примеры сборки - по ГОСТ 22525, приложение 2.
5. Технические требования,
приемка, методы испытаний, упаковка, транспортирование, хранение и рекомендации
по монтажу различных видов соединений с накидными гайками - по ГОСТ 15763.
4; 5. (Измененная редакция, Изм. № 3).
ИНФОРМАЦИОННЫЕ ДАННЫЕ
1. РАЗРАБОТАН И ВНЕСЕН
Государственным комитетом СССР по стандартам
РАЗРАБОТЧИКИ
Б.В.
Максимовский; Г.В. Поляков, канд. техн. наук; Ю.А. Шамшурин
2. УТВЕРЖДЕН И ВВЕДЕН В ДЕЙСТВИЕ
Постановлением Государственного комитета СССР по стандартам от 16.11.78 № 3006
Изменение № 3 принято Межгосударственным Советом по
стандартизации, метрологии и сертификации 12.10.95 (протокол № 8)
За принятие проголосовали:
|
Наименование
государства
|
Наименование
национального органа по стандартизации
|
|
Республика Белоруссия
|
Госстандарт Белоруссии
|
|
Республика Казахстан
|
Госстандарт Республики Казахстан
|
|
Республика Молдова
|
Молдовастандарт
|
|
Российская Федерация
|
Госстандарт России
|
|
Республика Таджикистан
|
Таджикгосстандарт
|
|
Туркменистан
|
Главная государственная инспекция
Туркменистана
|
|
Украина
|
Госстандарт Украины
|
3. ВЗАМЕН ГОСТ 15801-70; ГОСТ 18563-73; ГОСТ 21875-76
4. ССЫЛОЧНЫЕ НОРМАТИВНО-ТЕХНИЧЕСКИЕ ДОКУМЕНТЫ
|
Обозначение
НТД, на который дана ссылка
|
Номер
пункта
|
|
ГОСТ
15763-91
|
1,
4,
5
|
|
ГОСТ
22525-77
|
4
|
5. Ограничение срока действия снято по протоколу №
7-95 Межгосударственного Совета по стандартизации, метрологии и сертификации
(ИУС 11-95)
6. ПЕРЕИЗДАНИЕ (ноябрь 1997
г.) с Изменениями № 1, 2, 3, утвержденными в июле 1982
г., мае 1989
г., августе 1996
г. (ИУС 11-82, 8-89, 11-96)
|
|