|
|
|
ГОСУДАРСТВЕННЫЙ СТАНДАРТ СОЮЗА ССР СОЕДИНЕНИЯ ТРУБОПРОВОДОВ РЕЗЬБОВЫЕ КОНЦЫ КОРПУСНЫХ ДЕТАЛЕЙ ПОД НАКИДНЫЕ ГАЙКИ КОНСТРУКЦИЯ ГОСТ 22525-77 ИПК ИЗДАТЕЛЬСТВО СТАНДАРТОВ СОДЕРЖАНИЕ ГОСУДАРСТВЕННЫЙ СТАНДАРТ СОЮЗА ССР
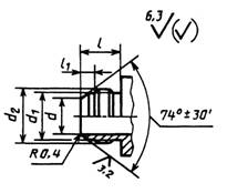
Дата введения 01.01.79 1. Настоящий стандарт распространяется на концы корпусных деталей с углом конуса 24е соединений трубопроводов, арматуры и гидро-пневмооборудования и на концы корпусных деталей для соединений с развальцовкой трубы с углом конуса 74° под накидные гайки. Обязательные требования к качеству продукции, обеспечивающие ее безопасность для жизни, здоровья и охрану окружающей среды, изложены в пп. 2, 3, 6 и 7 настоящего стандарта. (Измененная редакция, Изм. № 3). 2. Конструкция и основные размеры концов корпусных деталей с углом конуса 24° должны соответствовать указанным на черт. 1 и в табл. 1, концов корпусных деталей для соединений с врезающимся кольцом при радиальном монтаже - указанным на черт. 2 и в табл. 1, концов корпусных деталей для соединений с развальцовкой трубы - указанным на черт. 3 и в табл. 2. Концы корпусных деталей с углом конуса 24°
Черт. 1 Концы корпусных деталей
соединений с врезающимся кольцом
|
|||||||||||||||||||||||||||||||||||||||||||||||||||||||||||||||||||||||||||||||||||||||||||||||||||||||||||||||||||||||||||||||||||||||||||||||||||||||||||||||||||||||||||||||||||||||||||||||||||||||||||||||||||||||||||||||||||||||||||||||||||||||||||||||||||||||||||||||||||||||||||||||||||||||||||||||||||||||||||||||||||||||||||||||||||||||||||||||||||||||||||||||||||||||||||||||||||||||||||||||||||
|
Группа. |
Номиналь- |
Наружный |
d |
d1 |
d2 |
l |
l1 |
l2 |
|||
|
Номин. |
Пред, |
Пред. откл. + 0,3 |
|||||||||
|
1 |
2,5 |
4 |
4 |
+
215 |
5,0 |
М 8 × 1 |
4,0 |
8,0 |
6 |
||
|
3,0 |
5 |
5 |
6,5 |
М10 × 1 |
5,5 |
||||||
|
4,0 |
6 |
6 |
7,5 |
||||||||
|
6,0 |
8 |
8 |
+
240 |
9,5 |
М12 × 1,5 |
9,5 |
7 |
||||
|
2 |
4,0 |
6 |
6 |
+
215 |
8,1 |
М12 × 1,5 |
7,0 |
||||
|
6,0 |
8 |
8 |
+
240 |
10,1 |
М14 × 1,5 |
||||||
|
8,0 |
10 |
10 |
12,3 |
М16 × 1,5 |
10,5 |
8 |
|||||
|
10,0 |
12 |
12 |
+
260 |
14,3 |
М18 × 1,5 |
||||||
|
12,0 |
15 |
15 |
17,3 |
М22 × 1,5 |
11,5 |
9 |
|||||
|
(16) |
16 |
18,3 |
М24 × 1,5 |
7,5 |
|||||||
|
15,0 |
18 |
18 |
20,3 |
М26 × 1,5 |
12,0 |
||||||
|
20,0 |
22 |
22 |
+290 |
24,3 |
М30 × 2 |
13,0 |
10 |
||||
|
25,0 |
28 |
28 |
30,3 |
М36 × 2 |
|||||||
|
32,0 |
(34) |
34 |
+330 |
37,0 |
М45 × 2 |
10,5 |
15,0 |
12 |
|||
|
35 |
35 |
38,0 |
|||||||||
|
40,0 |
42 |
42 |
+340 |
45,0 |
М52 × 2 |
11,0 |
|||||
|
3 |
3,0 |
6 |
6 |
4-215 |
8,1 |
М14 × 1,5 |
7,0 |
11,5 |
9 |
||
|
4,0 |
8 |
8 |
4-240 |
10,1 |
М16 × 1,5 |
||||||
|
5,0 |
10 |
10 |
12,3 |
М18 × 1,5 |
7,5 |
||||||
|
6,0 |
12 |
12 |
+260 |
14,3 |
М20 × 1,5 |
||||||
|
8,0 |
(14) |
14 |
16,3 |
М22 × 1,5 |
8,0 |
13,5 |
11 |
||||
|
10,0 |
16 |
16 |
18,3 |
М24 × 1,5 |
8,5 |
||||||
|
12,0 |
20 |
20 |
+290 |
22,9 |
М30 × 2 |
10,5 |
15,0 |
12 |
|||
|
15,0 |
25 |
25 |
27,9 |
М36 × 2 |
12,0 |
17,0 |
14 |
||||
|
20,0 |
30 |
30 |
33,0 |
М42 × 2 |
13,5 |
19,0 |
16 |
||||
|
25,0 |
38 |
38 |
+330 |
41,0 |
М52 × 2 |
16,0 |
21,0 |
18 |
|||
|
32,0 |
45 |
45 |
+340 |
49,6 |
М60 × 2 |
18,0 |
24,0 |
- |
|||
|
40,0 |
57 |
57 |
+380 |
61,6 |
М72 × 2 |
19,0 |
26,0 |
- |
|||
|
50,0 |
76 |
76 |
+390 |
81,6 |
М90 × 2 |
20,0 |
28,0 |
- |
|||
*Размер l1 концов переборочных штуцеров настоящим стандартом не устанавливается.
Примечание. Значения, приведенные в скобках, непредпочтительны.
Таблица 2
Размеры, мм
|
Группа |
Условный |
Наружный |
d |
d1 |
d2 |
l |
l1 |
|
Пред. откл. |
Пред. откл. |
||||||
|
-0,2 |
h13 |
± 0,3 |
+ 0,3 |
||||
|
2 |
4 |
6 |
4,9 |
9,7 |
М12 × 1,5 |
14 |
4,5 |
|
6 |
8 |
6,6 |
11,7 |
М14 × 1,5 |
15 |
||
|
8 |
10 |
8,8 |
13,7 |
М16 × 1,5 |
17 |
5,0 |
|
|
10 |
12 |
10,8 |
15,7 |
М18 × 1,5 |
|||
|
12 |
14 |
12,8 |
19,7 |
М22 × 1,5 |
19 |
6,0 |
|
|
15 |
18 |
15,3 |
24,0 |
М26
× 1,5 |
22 |
7,0 |
|
|
20 |
22 |
19,5 |
27,0 |
М30 × 2 |
23 |
8,5 |
|
|
25 |
28 |
25,5 |
33,0 |
М36 × 2 |
24 |
9,5 |
|
|
32 |
(34) |
31,5 |
42,0 |
М45 × 2 |
27 |
||
|
32 |
35 |
31,5 |
42,0 |
М45 × 2 |
|||
|
40 |
42 |
38,0 |
49,0 |
М52 × 2 |
|||
Примечание. Значения, приведенные в скобках, непредпочтительны.
(Измененная редакция, Изм. № 3).

3. Проточки - типа 1 узкие по ГОСТ 10549.
4. Рекомендуемые значения номинальных (условных) давлений для каждой группы в зависимости от вида соединений приведены в ГОСТ 15763, приложение 3.
5. Примеры соединений концов корпусных деталей с накидными гайками даны в приложении 2.
4, 5. (Измененная редакция, Изм. № 3).
7. Технические требования - по ГОСТ 15763.
ПРИЛОЖЕНИЕ 1. (Исключено, Изм. № 1).
1. Соединения с врезающимся кольцом

1 - конец корпусной детали; 2- врезающееся
кольцо по ГОСТ
23354; 3 - накидная
гайка по ГОСТ
23353; 4- труба; 5-прокладка по ГОСТ
23357; 6-нажимное кольцо по ГОСТ
23356
Черт. 1
2. Соединения с шаровым ниппелем

1 -конец корпусной детали; 2- ниппель по ГОСТ 23355; 3-накидная гайка по ГОСТ 23353; 4-труба
Черт. 2
3. Соединение с развальцовкой трубы с углом конуса 74°

1 - конец корпусной детали; 2 - ниппель по ГОСТ 28941.27; 3 - труба; 4- гайка по ГОСТ 28941.26
Черт. 3
1-3. (Измененная редакция, Изм. № 2, 3).
4. Соединение с коническим ниппелем

1 - конец корпусной детали; 2- конический
ниппель по ГОСТ
28016; 3 - резиновое кольцо по ГОСТ
9833;
4 - накидная гайка по ГОСТ
23353
Черт. 4
5. Соединение с зажимным и упорным кольцами

7 - труба; 2 - конец корпусной детали; 3 -
накидная гайка по ГОСТ
23353; 4- кольцо зажимное по ГОСТ
28918;
5- кольцо упорное по ГОСТ
28918
Черт. 5
4, 5. (Введены дополнительно, Изм. № 3).
1. РАЗРАБОТАН И ВНЕСЕН Государственным комитетом СССР по стандартам
РАЗРАБОТЧИКИ
Б.В. Максимовский; Г.В. Поляков, канд. техн. наук; Ю.А. Шамшурин
2. УТВЕРЖДЕН И ВВЕДЕН В ДЕЙСТВИЕ Постановлением Государственного комитета стандартов Совета Министров СССР от 12.05.77 № 1180
Изменение № 3 принято Межгосударственным Советом по стандартизации, метрологии и сертификации (протокол № 8 от 12.10.95)
За принятие проголосовали:
|
Наименование государства |
Наименование
национального органа |
|
Республика Белоруссия |
Госстандарт Белоруссии |
|
Республика Казахстан |
Госстандарт Республики Казахстан |
|
Республика Молдова |
Молдовастандарт |
|
Российская Федерация |
Госстандарт России |
|
Республика Таджикистан |
Таджикгосстандарт |
|
Туркменистан |
Главная государственная инспекция Туркменистана |
|
Украина |
Госстандарт Украины |
3. ВВЕДЕН ВПЕРВЫЕ
4. ССЫЛОЧНЫЕ НОРМАТИВНО-ТЕХНИЧЕСКИЕ ДОКУМЕНТЫ
|
Обозначение НТД, на который дана ссылка |
Номер пункта |
|
ГОСТ 9833-73 |
|
|
ГОСТ 15763-91 |
|
|
То же |
|
|
» |
|
|
» |
|
|
» |
|
|
ГОСТ 24643-81 |
|
|
ГОСТ 28941.26-91 |
Тоже |
|
ГОСТ 28941.27-91 |
» |
5. Ограничение срока действия снято по протоколу № 7-95 Межгосударственного Совета по стандартизации, метрологии и сертификации (ИУС 11-95)
6. ПЕРЕИЗДАНИЕ (ноябрь
|
ГОСТЫ, СТРОИТЕЛЬНЫЕ и ТЕХНИЧЕСКИЕ НОРМАТИВЫ. Некоммерческая онлайн система, содержащая все Российские Госты, национальные Стандарты и нормативы. В Системе содержится более 150000 файлов нормативно-технической документации, действующей на территории РФ. Система предназначена для широкого круга инженерно-технических специалистов. Copyright © www.gostrf.com, 2008 - 2026 |