|
|
|
ГОСУДАРСТВЕННЫЙ СТАНДАРТ
|
|||||||||||||||||||||||||||||||||||||||||||||||||||||||||||||||||||||||||||||||||||||||||||||||||||||||||||||||||||||||||||||||||||||||||||||||||||||||||||||||||||||||||||||||||||||||||||||||||||||||||||||||||||||||||||||||||||||||||||||||||||||||||||||||||||||||||||||||||||||||||||||||||||||||||||||||||||||||||||||||||||||||||||||||||||||||||||||||||||||||||||||||||||||||||||||||||||||||||||||||||||||||||||||||||||||||||||||||||||||||||||||||||||||||||||||||||||||||||||||
|
ГАЗЫ УГЛЕВОДОРОДНЫЕ СЖИЖЕННЫЕ ТЕХНИЧЕСКИЕ УСЛОВИЯ Liquefied
hydrocarbon gases for |
ГОСТ |
Срок действия c 01.07.88
до 01.07.93
Настоящий стандарт распространяется на углеводородные сжиженные газы, предназначенные в качестве моторного топлива для автомобильного транспорта.
Обязательные требования к качеству продукции изложены в п. 1.3.1 (табл. 2, показатели 3, 4) и разд. 2, 3.
(Измененная редакция. Изм. № 1)
(Поправка. ИУС 7-2001)
Содержание
|
4. ТРАНСПОРТИРОВАНИЕ И ХРАНЕНИЕ ПРИЛОЖЕНИЕ Справочное МЕТОД ОПРЕДЕЛЕНИЯ ДАВЛЕНИЯ НАСЫЩЕННЫХ ПАРОВ СЖИЖЕННЫХ ГАЗОВ
|
1.1. Углеводородные сжиженные газы должны изготовляться в соответствии с требованиями настоящего стандарта по технологическому регламенту, утвержденному в установленном порядке.
1.2. Марки
1.2.1. Для сжиженных углеводородных газов для автомобильного транспорта установлены марки, приведенные в табл. 1.
Таблица 1
|
Марка |
Наименование |
Код ОКП |
|
ПА |
Пропан автомобильный |
02 7239 0501 |
|
ПБА |
Пропан-бутан автомобильный |
02 7239 0502 |
Марка газа ПБА допускается к применению во всех климатических районах при температуре окружающего, воздуха не ниже минус 20°С. Марка ПА применяется в зимний период в тех климатических районах, где температура воздуха опускается ниже минус 20°С и рекомендуемый температурный интервал ее применения от минус 20°С до минус 35°С. В весенний период времени с целью, полного израсходования запасов сжиженного газа марки ПА допускается ее применение при температуре до 10°С.
1.3. Характеристики
1.3.1. По физико-химическим показателям углеводородные сжиженные газы должны соответствовать требованиям и нормам, приведенным в табл. 2.
Таблица 2
|
Наименование показателя |
Норма для марки |
Метод испытания |
||
|
ПА |
ПБА |
|||
|
1. Массовая доля компонентов, %: |
|
|||
|
сумма метана, этана |
Не нормируется |
|
||
|
пропан |
85±10 |
50±10 |
|
|
|
сумма углеводородов С4 и выше |
Не нормируется |
|
||
|
сумма непредельных углеводородов, не более |
6 |
6 |
|
|
|
2. Содержание жидкого остатка при 40 °С, свободной воды и щелочи |
Отсутствие |
По п. 3.2 |
||
|
3. Давление насыщенных паров, избыточное, МПа, при температуре |
|
|
По п. 3.3 |
|
|
плюс 45°С, не более |
- |
1,6 |
|
|
|
минус 20°С, не менее |
- |
0,07 |
|
|
|
минус 35СС, не менее |
0,07 |
- |
|
|
|
0,01 |
0,01 |
По ГОСТ 22985-78 |
||
|
в том числе сероводорода, не более |
0,003 |
0,003 |
По ГОСТ 22985-78 или ГОСТ 11382-76 |
|
(Измененная редакция. Изм. № 1)
1.3.2. При массовой доле меркаптановой серы менее 0,001% сжиженные газы должны быть одорированы.
1.3.3. Требования безопасности
1.3.3.1. Сжиженные газы малотоксичны и по степени воздействия на организм относятся к веществам 4-го класса опасности по ГОСТ 12.1.007-76.
1.3.3.2. Сжиженные газы образуют с воздухом взрывоопасные смеси при концентрации паров пропана от 2,1 до 9,5%, изобутана от 1,8 до 8,4%, нормального бутана от 1,5 до 8,5%. объемных при давлении 98066 Па (1 атм) и температуре 15-20°С.
Пары сжиженного газа обладают плотностью большей, чем плотность воздуха, и могут скапливаться в низких и непроветриваемых местах.
Для контроля взрывоопасных концентраций сжиженных газов в производственных помещениях используют сигнализаторы с общими техническими требованиями по ГОСТ 27540-87 и настройкой порога срабатывания - 20 % от нижнего предела распространения пламени.
(Измененная редакция. Изм. № 1)
1.3.3.3. Температура самовоспламенения в воздухе при давлении 0,1 МПа (760 мм рт. ст.) составляет: пропана - 466°С, изо бутана - 462°С, бутана - 405°С.
1.3.3.4. Предельно допустимая концентрация в воздухе рабочей: зоны (в пересчете на углерод): предельных углеводородов - 300 мг/м3, непредельных углеводородов - 100 мг/м3.
(Измененная редакция. Изм. № 1)
1.3.3.5. Сжиженные газы могут проявлять следующие опасные свойства:
- токсичность продуктов неполного сгорания газов;
- удушающее действие газов при содержании в воздухе кислорода ниже допустимого;
- сильное охлаждающее действие жидкой фазы, вызывающее тяжелое обморожение.
Меры первой помощи:
- при отравлении - свежий воздух (кислород), тепло, вата, смоченная нашатырным спиртом, для приведения пострадавшего в сознание - горячее питье, при необходимости искусственное дыхание;
- при попадании жидкой фазы на одежду - немедленно удалить одежду с целью исключения соприкосновения жидкой фазы с телом человека;
- при обморожении - наложить сухую стерильную повязку на обмороженную поверхность кожи и немедленно обратиться к врачу.
При работе со сжиженными газами глаза необходимо защищать очками с боковыми открылками, так как попадание капель в глаза может вызвать потерю зрения.
(Измененная редакция. Изм. № 1)
1.3.3.6. Индивидуальные средства защиты следует применять согласно правилам безопасности в газовом хозяйстве, утвержденным в установленном порядке.
1.3.3.7. В производственных помещениях должны соблюдаться требования санитарной гигиены в соответствии с ГОСТ 12.1.005-76. Взрывоопасные должны быть оборудованы приточно-вытяжной вентиляцией, обеспечивающей десятикратный воздухообмен за 1 ч.
(Измененная редакция. Изм. № 1)
1.3.3.8. Содержание углеводородов в производственных помещениях (в воздухе рабочей зоны) контролируют переносными или автоматическими приборами (анализаторами, сигнализаторами), допущенными к применению в установленном порядке.
(Измененная редакция. Изм. № 1)
1.3.3.9. В помещении для хранения сжиженных газов не допускается обращение с открытым огнем; искусственное освещение должно быть выполнено во взрывозащищенном исполнении; емкости, коммуникации, насосные агрегаты должны быть герметичными и заземленными; все работы должны проводиться инструментами, не дающими при ударе искру.
1.3.3.10. При загорании применяют следующие средства пожаротушения: углекислотные, порошковые, водно-дисперсные и пенные огнетушители;
водяной пар, азот и другие инертные газы;
воду в виде компактных и распыленных струй;
асбестовое полотно, сухой песок.
(Измененная редакция. Изм. № 1)
1.3.3.11. При температуре окружающего воздуха 45°С давление насыщенных паров сжиженного газа марки ПА может превышать расчетное давление оборудования для производства, транспортирования, хранения и эксплуатации газа (1,6 МПа), разрешенное Госгортехнадзором СССР. В связи с этим до наступления летнего периода неизрасходованные запасы марки ПА должны; быть полностью использованы. Запрещается применять и хранить, сжиженный газ в закрытых гаражах и других отапливаемых помещениях, где температура воздуха превышает 25°С.
1.3.4. Требования охраны природы
1.3.4.1. Основными требованиями, обеспечивающими сохранение природной среды, является максимальная герметизация емкостей, коммуникаций, насосных агрегатов и другого оборудования, строгое соблюдение технологического режима.
1.3.4.2. В производственных помещениях и на открытых площадках производства должен быть периодический (не менее одного раза в сутки) контроль содержания углеводородов переносными или автоматическими приборами (анализаторами, сигнализаторами), допущенными к применению в установленном порядке.
1.3.4.3. Промышленные стоки необходимо анализировать на содержание в них нефтепродуктов в соответствии с методическим руководством по анализу сточных вод нефтеперерабатывающих и нефтехимических заводов, утвержденным в установленном порядке.
Пункты 1.3.4 - 1.3.4.3. (Введены дополнительно. Изм. № 1)
1.4. Маркировка
1.4.1. Маркировка сжиженных газов - по ГОСТ 1510-84 с указанием манипуляционного знака «Беречь от нагрева» по ГОСТ 14192-96 и знака опасности по ГОСТ 19433-88, класс 2, подкласс 2.3.
(Измененная редакция. Изм. № 1)
1.4.2. Сигнальные цвета и знаки безопасности должны применяться в соответствии с ГОСТ 12.4.026-76.
1.5. Упаковка
1.5.1. Сжиженные газы наливают в цистерны, металлические баллоны и другие емкости, освидетельствованные в соответствии с правилами устройства и безопасной эксплуатации сосудов, работающих под давлением, утвержденными Госгортехнадзором СССР и ГОСТ 15860-84.
2.1. Сжиженные газы принимают партиями. За партию принимают любое количество сжиженного газа, однородное по своим показателям качества и оформленное одним документом о качестве.
2.2. Объем выборок - по ГОСТ 14921-78.
2.3. При получении неудовлетворительных результатов испытаний хотя бы по одному из показателей по нему проводят повторные испытания вновь отобранной пробы.
Результаты повторных испытаний распространяются на всю партию.
3.1. Отбор проб проводят по ГОСТ 14921-78.
3.2. Определение жидкого остатка, свободной воды и щелочи
3.2.1. Аппаратура, материалы, реактивы
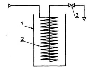
Отстойник вместимостью 100 или 500 см3.
Устройство для охлаждения (см. рисунок), включающее охлаждающий змеевик с игольчатым вентилем и сосуд для охлаждения смеси.
Охлаждающий змеевик изготовляют из медной трубки (ГОСТ 617-90) длиной 6 м и наружным диаметром 6-8 мм, навитой виток к витку в виде спирали диаметром 60-90 мм.
Сосуд для охлаждающей смеси с тепловой изоляцией и размерами под охлаждающий змеевик (внутренний диаметр не менее 120 мм, высота не менее 220 мм).
Пробоотборник ПГО-400 или другого типа.
Термометр типа ТН-8 по ГОСТ 400-80.
Термометр ртутный стеклянный с пределами градуировки от 0 до 100 °С и ценой деления шкалы 1 °С.
Баня водяная для отстойника для поддержания температуры (40±1) °С.
Штатив лабораторный для отстойника.
Проволока медная диаметром 1,5-2 мм, длиной 200 или 450 мм (в соответствии с высотой отстойника на 100 и 500 см3).
Гайка накидная к штуцеру пробоотборника с уплотнительной прокладкой, снабженная металлической или пластиковой трубкой длиной 10-15 см и внутренним диаметром 1-3 мм, служащей для налива сжиженного газа в отстойник.
Индикаторы тимоловый синий водорастворимый, ч. д. а. и фенолфталеин, раствор в этиловом спирте по ГОСТ 18300-87 или по ГОСТ 17299-78 с массовой долей 1 %.
Вата гигроскопическая по ГОСТ 5556-81.
Вода дистиллированная (рН = 7) по ГОСТ 6709-72.
Смесь охлаждающая, состоящая из крупнокристаллической поваренной соли и льда или ацетона и твердого диоксида углерода, или другие смеси, обеспечивающие требуемую температуру (до минус 45 °С).
Допускается применять аппаратуру с аналогичными технологическими и метрологическими характеристиками, а также импортные реактивы квалификации не ниже указанных в стандарте.

1 - сосуд для охлаждающей смеси; 2 - змеевик; 3 - игольчатый вентиль
Черт. 1
3.2.2. Проведение испытаний
3.2.2.1. На штуцер пробоотборника с испытуемым газом навинчивают накидную гайку с чистой сухой отводной трубкой. Открывая нижний вентиль (у пробоотборника типа ПГО-400 - выпускной вентиль) вертикально расположенного пробоотборника, осторожно наливают сжиженный газ через трубку в чистый сухой отстойник. При наливе конец трубки удерживают под поверхностью заполняющей жидкости, отстойник наполняют до метки 100 см3.
3.2.2.2. Затем быстро устанавливают медную проволоку в пробку из ваты, неплотно вставленную в горло отстойника. Проволока предотвращает перегрев жидкости и ее вскипание с выбросом и способствует равномерному испарению сжиженного газа, а пробка из ваты не пропускает в отстойник влагу из воздуха.
3.2.2.3. После испарения основной массы при температуре окружающей среды и прекращения заметного испарения жидкости отстойник помещают в водяную баню с температурой (40±1) °С и выдерживают 20 мин при этой температуре. После этого фиксируют наличие остатка в отстойнике.
3.2.2.4. При проведении повторных и арбитражных испытаний отстойник заполняют сжиженным газом через охлаждающий змеевик. Змеевик устанавливают в сосуд для охлаждающей смеси, снабженный термометром, охлаждают до температуры на несколько градусов ниже температуры кипения основного компонента пробы и присоединяют к пробоотборнику или пробоотборной точке.
3.2.2.5. Открывая вентили на пробоотборнике или пробоотборной точке и змеевике, промывают змеевик сжиженным газом. Затем отстойник наполняют пробой сжиженного газа, выходящей из змеевика, до метки 100 см3, не допуская выброса пробы из отстойника. Повторяют операцию испарения газа по пп. 3.2.2.2 и 3.2.2.3.
3.2.2.6. Если в сжиженном газе имеется свободная вода, после испарения газа она остается на дне и стенках отстойника. При затруднениях в визуальной идентификации свободной воды в жидком остатке ее наличие определяют с помощью водорастворимого индикатора. Для этого в отстойник вносят на кончике сухой стеклянной палочки или проволоки несколько кристаллов тимолового синего.
В углеродном жидком остатке тимоловый синий не растворяется и не окрашивается. Окрашивание жидкости при контакте с индикатором подтверждает наличие воды. В щелочной среде тимоловый синий окрашивается в синий цвет.
Для определения наличия щелочи в жидком остатке допускается применять в качестве индикатора фенолфталеин. В отстойник добавляют 10 см3 дистиллированной воды, предварительно проверенной на нейтральность, и 2-3 капли фенолфталеина. Отсутствие окраски раствора в розовый или красный цвет фиксирует отсутствие щелочи, окраска раствора - присутствие щелочи.
Пункты 3.2 - 3.2.2. (Измененная редакция. Изм. № 1)
3.2.3. (Исключен. Изм. № 1)
3.3. Определение давления насыщенных паров
3.3.1. Аппаратура, приборы и материалы
Манометр класса точности 0,15 или 0,25, с верхним пределом измерения 2,5 МПа по ГОСТ 6521-72.
Пробоотборник по ГОСТ 14921-78.
Термометр по ГОСТ 400-80, типа ТН-8.
Термометр ртутный стеклянный по ГОСТ 215-73 с пределами градуировки от 0 до 100°С и ценой деления шкалы 1°С.
Термостат типов ТС-16, ТС-24 или другого типа (или любое другое термостатирующее устройство) с терморегулятором для поддержания температуры с погрешностью не более 1°С.
Смесь охлаждающая, состоящая из ацетона и твердой двуокиси углерода, или другие смеси, обеспечивающие охлаждение газа до температуры минус 20 и минус 35°С.
3.3.2. Проведение испытания
Для определения давления насыщенных паров сжиженного газа отбирают пробу по ГОСТ 14921-78 из жидкой фазы в пробоотборник, затем к нему присоединяют манометр.
При определении давления насыщенных паров при минус 20 или минус 35°С помещают пробоотборник с пробой испытуемого газа в охлаждающую смесь при минус (20±2) или минус (35±2)°С. Температуру охлаждающей смеси определяют термометром, погруженным в смесь рядом со стенкой пробоотборника. Охлаждение пробоотборника производят до получения постоянного показания манометра, которое и фиксируют как избыточное давление насыщенных паров испытуемого газа при минус 20 или минус 35°С
При определении давления насыщенных паров при 45°С помещают пробоотборник с пробой газа в термостат, нагретый до (45±1)°С, и выдерживают при этой температуре до получения постоянного показания манометра, которое и фиксируют как избыточное давление насыщенных паров испытуемого газа при 45°С.
3.3.3. За результат испытания принимают среднее арифметическое результатов двух параллельных определений, допускаемые расхождения между которыми не должны превышать: при минус 20 или минус 35°С - 0,01 МПа и при плюс 45°С - 0,07 МПа.
3.3.4. Допускается использовать расчетный метод определения давления насыщенных паров, приведенный в приложении.
Пункты 3.4 - 3.4.3. (Исключены. Изм. № 1)
4.1. Сжиженные углеводородные газы транспортируют железнодорожным, автомобильным, водным транспортом и по трубопроводам в соответствии с правилами перевозок опасных грузов, действующих на соответствующем виде транспорта и правилами устройства и безопасной эксплуатации сосудов, работающих под давлением, утвержденными Госгортехнадзором СССР.
4.2. Хранение сжиженных газов - по ГОСТ 1510-84. ,
5.1. Изготовитель гарантирует соответствие качества сжиженных газов требованиям настоящего стандарта при соблюдении условий транспортирования и хранения.
5.2. Гарантийный срок хранения - 3 мес. со дня изготовления.
Сущность метода заключается в вычислении давления насыщенных паров на основании углеводородного состава испаренной пробы сжиженного газа, установленного газохроматографическим методом, а также данных о фугитивности углеводородов, входящих в состав сжиженных газов.
1. Порядок расчета
1.1. Абсолютное давление насыщенных паров сжиженного газа (Р0), МПа вычисляют по формуле
, (1)
где Xi - содержание i-го компонента в сжиженном газе в мольных долях;
fi - фугитивность i-гo компонента в сжиженном газе, МПа, определенная по формуле
, (2)
где Ki - константа равновесия i-гo компонента в сжиженном газе;
Pi - абсолютное давление системы, МПа.
1.2. Давление насыщенных паров сжиженных газов можно получить с достаточной точностью по формуле (1) методом последовательного приближения; задаваясь произвольными значениями абсолютного давления насыщенных паров сжиженного газа Р0 и рабочей температуры.
При заданных давлениях и температуре находят константы равновесия Ki и, пользуясь формулами (1) и (2), вычисляют давление насыщенных паров сжиженного газа.
1.3. Если Р0 = Рz, то расчет считается законченным. При Р0 > Рz задаются значением Р'z > Рz, а при Р0 < Рz задаются значением P'z < Pz и повторяют расчет.
Абсолютное давление насыщенных паров (Р) определяют по формуле (3) линейной интерпретации
, (3)
где P'z - меньшая заданная величина абсолютного давления сжиженного газа, МПа;
Р"z - большая заданная величина абсолютного давления сжиженного газа, МПа.
ΔP'z = Р'0 - P'z; (4)
ΔP''z = Р''0 - P''z, (5)
где Р'0 и Р''0 - рассчитанные по формуле (1) величины абсолютных давлений насыщенных паров сжиженного газа.
Для определения избыточного давления насыщенных паров сжиженного газа полученное значение расчетного давления уменьшают на 0,1.
В табл. 3-5 приложения приведены значения фугитивности компонентов сжиженных газов при температурах плюс 45, минус 20 и минус 35°С.
Таблица 3
Фугитивность паров углеводородов при температуре плюс 45°С
|
Р, МПа |
СН4 |
С2Н6 |
С2Н4 |
С3Н8 |
С3Н6 |
И-С4Н10 |
Н-С4Н10 |
С4Н8 |
И-С5Н12 |
Н-С5Н12 |
С5Н10 |
|
0,1 |
13,2 |
4,0 |
5,6 |
1,25 |
1,50 |
0,55 |
0,41 |
0,36 |
0,20 |
0,13 |
0,17 |
|
0,5 |
14,0 |
4,2 |
5,7 |
1,37 |
1,55 |
0,60 |
0,45 |
0,41 |
0,21 |
0,15 |
0,19 |
|
1,0 |
15,0 |
4,4 |
6,2 |
1,45 |
1,65 |
0,66 |
0,48 |
0,45 |
0,24 |
6,17 |
0,21 |
|
1,5 |
15,5 |
4,7 |
6,5 |
1,53 |
1,73 |
0,69 |
0,51 |
0,48 |
0,26 |
0,18 |
0,23 |
|
2,0 |
16,4 |
5,0 |
7,0 |
1,68 |
1,92 |
0,76 |
0,56 |
0,54 |
0,28 |
0,20 |
0,24 |
|
2,5 |
17,5 |
5,3 |
7,3 |
1,74 |
2,00 |
0,83 |
0,63 |
0,55 |
0,30 |
0,22 |
0,25 |
|
3,0 |
18,0 |
5,4 |
7,8 |
1,92 |
2,16 |
0,90 |
0,66 |
0,60 |
0,33 |
0,24 |
0,29 |
Таблица 4
Фугитивность паров углеводородов при температуре минус 20°С
|
Р, МПа |
СН4 |
С2Н6 |
С2Н4 |
С3Н8 |
С3Н6 |
И-С4Н10 |
Н-С4Н10 |
С4Н8 |
И-С5Н12 |
Н-С5Н12 |
С5Н10 |
|
0,05 |
15,0 |
1,40 |
2,50 |
0,260 |
0,33 |
0,075 |
0,0450 |
0,060 |
0,0130 |
0,0090 |
0,009 |
|
0,1 |
13,0 |
1,15 |
2,10 |
0,235 |
0,28 |
0,068 |
0,0425 |
0,054 |
0,0125 |
0,0089 |
0,011 |
|
0,5 |
11,5 |
1,1-5 |
2,00 |
0,245 |
0,29 |
0,075 |
0,0435 |
0,062 |
0,0150 |
0,0103 |
0,013 |
|
1,0 |
9,6 |
1,16 |
1,90 |
0,250 |
0,29 |
0,079 |
0,0500 |
0,064 |
0,0150 |
0,0115 |
0,014 |
|
1,5 |
10,5 |
1,26 |
2,10 |
0,277 |
0,32 |
0,090 |
0,0585 |
0,075 |
0,0188 |
0,0140 |
0,018 |
|
2,0 |
11,0 |
1,40 |
2,30 |
0,300 |
0,37 |
0,106 |
0,0680 |
0,088 |
0,0220 |
0,0160 |
0,022 |
|
2,5 |
11,7 |
1,57 |
2,56 |
0,350 |
0,41 |
0,123 |
0,0800 |
0,100 |
0,0270 |
0,0193 |
0,025 |
|
3,0 |
12,5 |
1,74 |
2,82 |
0,390 |
0,45 |
0,138 |
0,0900 |
0,144 |
0,0315 |
0,0222 |
0,029 |
Таблица 5
Фугитивность паров углеводородов при температуре минус 35°С
|
Р, МПа |
СН4 |
С2Н6 |
С2Н4 |
С3Н8 |
С3Н6 |
И-С4Н10 |
Н-С4Н10 |
С4Н8 |
И-С5Н12 |
Н-С5Н12 |
С5Н10 |
|
0,05 |
12,50 |
0,950 |
1,65 |
0,14а |
0,175 |
0,038 |
0,020 |
0,029 |
0,006 |
0,0035 |
0,0049 |
|
0,1 |
10,50 |
0,760 |
1,50 |
0,130 |
0,150 |
0,034 |
0,019 |
0,027 |
0,005 |
0,0033 |
0,0048 |
|
0,5 |
8,75 |
0,775 |
1,45 |
0,137 |
0,170 |
0,040 |
0,021 |
0,032 |
0,006 |
0,0047 |
0,0065 |
|
1,0 |
8,00 |
0,790 |
1,35 |
0,140 |
0,175 |
0,042 |
0,023 |
0,034 |
0,007 |
0,0048 |
0,0067 |
|
1,5 |
8,70 |
0,870 |
1,50 |
0,165 |
0,195 |
0,048 |
0,029 |
0,039 |
0,008 |
0,0060 |
0,0078 |
|
2,0 |
9,40 |
0,900 |
1,60 |
0,192 |
0,220 |
0,058 |
0,036 |
0,046 |
0,011 |
0,0076 |
0,0102 |
|
2,5 |
10,25 |
1,030 |
1,80 |
0,223 |
0,250 |
0,070 |
0,043 |
0,055 |
0,013 |
0.00&2 |
0,0125 |
|
3,0 |
10,50 |
1,170 |
2,01 |
0,255. |
0,294 |
0,080 |
0,048 |
0,063 |
0,015 |
0,0108 |
0,0149 |
1.4. При определении содержания метана и этана в сжиженном газе с погрешностью до 0,1% по массе, в соответствии с разрешающей способностью хроматографа, данный метод позволяет определять давление насыщенных паров сжиженных газов с погрешностью не более 2,5%.
1.5. Пример расчета давления насыщенных паров сжиженных газов при температуре плюс 45°С приведен в табл. 6.
Таблица 6
|
Компоненты |
Мольный состав, X |
Фугитивность, Р'z=1,0 МПа |
X·Р'z |
Фугитивность, Р"z=1,5 МПа |
X·Р"z |
|
C2H6 |
0,0454 |
4,4 |
0,1997 |
4,7 |
0,2134 |
|
С3Н8 |
0,8196 |
1,45 |
1,1884 |
1,53 |
1,2539 |
|
И-С4Н10 |
0,0475 |
0,66 |
0,0313 |
0,69 |
0,0327 |
|
Н-С4Н10 |
0,0815 |
0,48 |
0,0391 |
0,51 |
0,0415 |
|
и-с5н12 |
0,0054 |
0,24 |
0,0013 |
0,26 |
0,0014 |
|
Н-С5Н,2 |
0,0006 |
0,17 |
0,0001 |
0,18 |
0,0001 |
Р'0 = 1,4599 Р"0 = 1,543
ΔР'z = Р'0 - P'z = 1,4599 - 1 =0,4599,
ΔP''z = Р''0 - P''z = 1,543-1,5 = 0,043,
![]()
Ризб = 1,45 Мпа.
1. РАЗРАБОТАН И ВНЕСЕН Министерством нефтеперерабатывающей и нефтехимической промышленности СССР
ИСПОЛНИТЕЛИ
А.М. Мазгаров, д-р техн. наук; А.П. Балахонов (руководители темы); А.Г. Ахмадуллина, канд. хим. наук; Н.В. Захарова, канд. хим. наук; М.Г. Ибрагимов, канд. техн. наук; Л.И. Вставская; Ю.П. Копылов, Ф.А. Сатрутдинова
2. УТВЕРЖДЕН И ВВЕДЕН В ДЕЙСТВИЕ Постановлением Государственного комитета СССР по стандартам от 03.12.87 № 105
3. ВВЕДЕН ВПЕРВЫЕ
4. ССЫЛОЧНЫЕ НОРМАТИВНО-ТЕХНИЧЕСКИЕ ДОКУМЕНТЫ
|
Обозначение НТД, на который дана ссылка |
Номер пункта, подпункта |
|
1.3.3.7 |
|
|
1.3.3.1 |
|
|
1.4.2 |
|
|
ГОСТ 215-73 |
3.2.1, 3.3.1 |
|
ГОСТ 400-80 |
3.2.1, 3.3.1 |
|
ГОСТ 617-72 |
3.2.1 |
|
1.4.1, 4.2 |
|
|
ГОСТ 5556-81 |
3.2.1 |
|
ГОСТ 6521-72 |
3.3.1 |
|
3.2.1, 3.4.1 |
|
|
1.3.1 |
|
|
1.3.1 |
|
|
2.2, 3.1, 3.3.1 |
|
|
1.5.1 |
|
|
ГОСТ 18300-87 |
3.4.1 |
|
ГОСТ 22528-77 |
3.2.1 |
|
ГОСТ 22985-78 |
1.3.1 |
5. Переиздание. Сентябрь 1988 г.
|
ГОСТЫ, СТРОИТЕЛЬНЫЕ и ТЕХНИЧЕСКИЕ НОРМАТИВЫ. Некоммерческая онлайн система, содержащая все Российские Госты, национальные Стандарты и нормативы. В Системе содержится более 150000 файлов нормативно-технической документации, действующей на территории РФ. Система предназначена для широкого круга инженерно-технических специалистов. Copyright © www.gostrf.com, 2008 - 2026 |