Крупнейшая бесплатная информационно-справочная система онлайн доступа к полному собранию технических нормативно-правовых актов РФ. Огромная база технических нормативов (более 150 тысяч документов) и полное собрание национальных стандартов, аутентичное официальной базе Госстандарта. GOSTRF.com - это более 1 Терабайта бесплатной технической информации для всех пользователей интернета. Все электронные копии представленных здесь документов могут распространяться без каких-либо ограничений. Поощряется распространение информации с этого сайта на любых других ресурсах. Каждый человек имеет право на неограниченный доступ к этим документам! Каждый человек имеет право на знание требований, изложенных в данных нормативно-правовых актах!

  


 

МИНИСТЕРСТВО ВНУТРЕННИХ ДЕЛ РОССИЙСКОЙ ФЕДЕРАЦИИ

ГОСУДАРСТВЕННАЯ ПРОТИВОПОЖАРНАЯ СЛУЖБА

НОРМЫ ПОЖАРНОЙ БЕЗОПАСНОСТИ

ШКАФ ПОЖАРНЫЙ

ОБЩИЕ ТЕХНИЧЕСКИЕ ТРЕБОВАНИЯ.
МЕТОДЫ ИСПЫТАНИЙ

НПБ 151-96*

Разработаны Федеральным государственным учреждением «Всероссийский научно-исследовательский институт противопожарной обороны Министерства внутренних дел Российской Федерации (ФГУ ВНИИПО МВД России).

Внесены и подготовлены к утверждению нормативно-техническим отделом ГУГПС МВД России.

Утверждены главным государственным инспектором Российской Федерации по пожарному надзору.

Введены в действие приказом ГУГПС МВД России от 28.06.1996 г. № 40.

Дата введения в действие 01.07.1996 г.

Подготовлены с учетом изменений, утвержденных приказом ГУГПС МВД России от 21 декабря 1999 г. № 99

Нормы Государственной противопожарной службы МВД России

ШКАФ ПОЖАРНЫЙ.

Общие технические требования. Методы испытаний

COMPLETE SET OF FIRE CRANE.

General technical requirements. Test Methods

Дата введения 01.07. 1996 г.

1. ОБЛАСТЬ ПРИМЕНЕНИЯ

Настоящий документ устанавливает общие технические требования и методы испытаний пожарных шкафов (ПШ).

Настоящие нормы распространяются на все виды испытаний ПШ, в том числе сертификационные.

Пожарные шкафы должны размещаться внутри зданий и сооружений, имеющих внутренний водопровод, обеспечивающий расход воды не ниже норм, оговоренных в СНиП 2.04.01-85.

ПШ должны соответствовать требованиям климатического исполнения с категорией размещения по ГОСТ 15150. Температурный диапазон применения от 5 до 45 °С.

2. КЛАССИФИКАЦИЯ, ОСНОВНЫЕ ПАРАМЕТРЫ И РАЗМЕРЫ

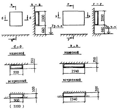
2.1. Пожарные шкафы по исполнению подразделяются на навесные, встроенные и приставные.

2.2. Размеры пожарных шкафов определяются в зависимости от количества и диаметра размещаемых в них пожарных клапанов, рукавов, стволов, огнетушителей. В пожарных шкафах, кроме устанавливаемых в жилых зданиях, должно быть предусмотрено место для установки огнетушителей, количество и размеры которых определяются в проектах на вновь строящиеся и реконструируемые объекты.

Пожарные шкафы, устанавливаемые на спаренных пожарных стояках, должны иметь размеры, позволяющие размещать в них два или четыре комплекта пожарных кранов ДУ-65, а также огнетушители.

(Измененная редакция).

2.3. В пожарных шкафах размещаются оборудование пожарного крана и переносные огнетушители, которые должны соответствовать требованиям стандартов или норм на них:

- рукава пожарные напорные по ГОСТ Р 51049, НПБ 152;

- головки соединительные для пожарного оборудования по ГОСТ 28252, НПБ 153;

- клапаны для пожарных кранов по НПБ 154;

- стволы пожарные ручные по НПБ 177;

- огнетушители переносные по НПБ 155.

(Измененная редакция).

2.4. Огнетушители могут размещаться как в общем, так и в отдельном отсеке пожарного шкафа, а также в отдельном шкафу, при этом на него распространяются все требования настоящих НПБ.

(Измененная редакция).

3. ОБЩИЕ ТЕХНИЧЕСКИЕ ТРЕБОВАНИЯ

3.1. ПШ должны изготавливаться в соответствии с требованиями настоящих НПБ и технической документации, утвержденных в установленном порядке.

3.2. ПШ должны быть оборудованы поворотной кассетой для размещения в ней пожарного рукава, укладываемого в двойную скатку, "гармошку" (см. рисунок).

3.3. Конструкция ПШ должна обеспечивать его естественную вентиляцию. При этом ПШ должен иметь не менее шести вентиляционных отверстий диаметром 20 мм, расположенных на каждой дверке шкафа или на каждой из боковых наружных стенок, по три в верхней и нижней частях дверки или стойки. Допускаются другие конструктивные решения обеспечения вентиляции.

3.4. Дверки шкафа должны иметь прозрачную вставку, позволяющую проводить визуальную проверку наличия и состояния комплектующих; давать возможность прочтения маркировочных надписей на корпусах огнетушителей. Дверки шкафа должны иметь приспособление для их опломбирования.

3.5. Внешнее оформление ПШ должно включать красный сигнальный цвет по ГОСТ 12.4.026. Надписи на дверках ПШ наносятся в соответствии с ГОСТ 12.4.009, п. 2.5.10. Допускается изготавливать шкафы без прозрачных вставок, при этом на дверке шкафа должна быть нанесена информация о его содержимом.

(Измененная редакция).

3.6. Установка пожарных клапанов на внутреннем водопроводе зданий (сооружений) должна выполняться с соблюдением требований СНиП 2.04.01-85 ("Внутренний водопровод и канализация зданий"), а также следующих требований:

- маховичок клапана должен располагаться так, чтобы обеспечивалось удобство его охвата рукой и вращения;

- выходной патрубок клапана должен располагаться так, чтобы обеспечивалось удобство присоединения пожарного рукава и исключался резкий "излом" рукава при прокладке его в любую от клапана сторону.

Допускается использовать в качестве пожарных клапаны запорные муфтовые или цапковые общепромышленного назначения.

Пожарные клапаны, изготовленные из чугуна, должны быть окрашены в красный цвет в соответствии с ГОСТ 14202.

(Измененная редакция).

3.7. Пожарный шкаф должен иметь элементы крепления к строительным конструкциям.

(Измененная редакция).

3.8. Шкаф должен изготавливаться из листовой стали. Окраску наружных и внутренних поверхностей шкафа производить по грунтовке ГФ-21, ГОСТ 25129, эмалью ПФ-115, ГОСТ 6465, или другими покрытиями с показателями не ниже указанных. Цвет покрытия снаружи и внутри - в соответствии с проектной документацией.

(Измененная редакция).

3.9. Рукава с соединительными головками должны выдерживать испытательное давление не менее 1,25 МПа. Подтекание воды в месте навязки рукавов на головки и через уплотнительные элементы головок не допускается.

3.10. При дистанционном пуске пожарных насосов место расположения пусковых кнопок и кнопок тревожной сигнализации в шкафах должно оговариваться при их заказе на изготовление.

(Введен дополнительно).

4. МЕТОДЫ ИСПЫТАНИЙ

4.1. Испытания проводят в нормальных климатических условиях по ГОСТ 15150.

4.2. Габаритные размеры ПШ (п. 2.1) и установочные размеры пожарного крана измеряют рулеткой со стальной лентой по ГОСТ 7502 или линейкой по ГОСТ 427 с погрешностью до 1 мм, длину рукава измеряют с погрешностью до 0,1 м.

4.3. Комплектацию шкафов (п. 2.3), проверку наличия вентиляционных отверстий (п. 3.3), наличие прозрачной вставки, возможность опломбирования дверок шкафа (п. 3.4), внешнюю окраску (пп. 3.5, 3.6), установку огнетушителей и возможность прочтения маркировки на их корпусах (п.3.4) проверяют внешним осмотром.

4.4. Качество комплектующих пожарного шкафа (п. 2.3.) подтверждается документом предприятия-изготовителя.

(Измененная редакция).

4.5. Качество покрытий (п. 3.8) проверяют по ГОСТ 9.302 (контроль внешнего вида) внешним осмотром.

(Измененная редакция).

4.6. Испытание на прочность и плотность крепления рукавов с соединительными головками (п. 3.9) проводят на рукавах, входящих в комплект ПШ. Рукав раскатывают на полную длину и подсоединяют к насосу, снабженному контрольным манометром ГОСТ 2405, класс точности 1,5. При открытом стволе рукав плавно заполняют водой, ствол перекрывают. Давление плавно в течение 1-2 мин поднимают до испытательного (п. 3.9) и выдерживают в течение (3,0 + 0,1) мин. Места крепления головок с рукавами, стыки головок, клапан запорный должны быть герметичными. Утечка воды через перекрывающее устройство ствола в соответствии с ГОСТ 9923.

(Измененная редакция).

4.7. Расход воды, обеспечиваемый комплектующими пожарного шкафа, измеряют в ходе продолжения испытаний по п. 3.9. При этом ствол устанавливают стационарно с соблюдением требований методики испытаний стволов по ГОСТ 9923.

Расход воды определяется с помощью мерного бака. При этом емкость бака должна быть не менее 250 л, а продолжительность времени подачи воды не менее 30 с. Расход воды определяется как частное от деления объема воды в баке на время подачи ее в бак.

Испытания проводят как при сплошной, так и при распыленной струе при давлении перед стволом (0,4 ± 0,05) МПа.

(Измененная редакция).

4.8. В случае сертификационных испытаний берут три комплекта шкафов пожарных, при этом каждый из них должен удовлетворять предъявляемым требованиям.

5. ТРАНСПОРТИРОВАНИЕ И ХРАНЕНИЕ

5.1. Для транспортирования ПШ должен быть упакован в коробку из гофрированного картона или в деревянный ящик по ГОСТ 2991.

(Измененная редакция).

5.2. Масса брутто не должна превышать 80 кг. Допускается транспортирование ПШ в контейнерах без упаковки при условии предохранения их от повреждения.

5.3. Каждый ПШ должен сопровождаться паспортом, объединенным с техническим описанием и инструкцией по эксплуатации в соответствии с ГОСТ 2.601.

Сопроводительная документация должна быть предохранена от механических повреждений и воздействия атмосферных осадков.

5.4. Консервация ПШ по ГОСТ 9.014. Срок консервации 1 год.

6. МАРКИРОВКА

6.1. На каждом ПШ, в месте, указанном на чертеже, должна быть маркировка, сохраняющаяся в течение всего срока эксплуатации с указанием:

- товарного знака предприятия-изготовителя;

- условного обозначения ПШ;

- даты изготовления;

- штампа технического контроля.

7. ГАРАНТИИ ИЗГОТОВИТЕЛЯ

7.1. Изготовитель должен гарантировать соответствие ПШ требованиям настоящих НПБ при соблюдении условий эксплуатации и хранения.

7.2. Гарантийный срок хранения ПШ - 36 месяцев с момента изготовления. Гарантийный срок эксплуатации в пределах гарантийного срока хранения - 24 месяца со дня ввода в эксплуатацию.

8. Нормативные ссылки

В настоящих НПБ использованы ссылки на следующие стандарты:

СНиП 2.04.01-85 Внутренний водопровод и канализация зданий.

ГОСТ 2.601 ЕСКД. Эксплуатационные документы.

ГОСТ 9.014 ЕСЗКС. Временная противокоррозионная защита изделий. Общие требования.

ГОСТ 9.302 ЕСЗКС. Покрытия металлические и неметаллические неорганические. Методы контроля.

ГОСТ 12.4.009 Пожарная техника для защиты объектов. ГОСТ 12.4.026 ССБТ. Цвета сигнальные и знаки безопасности.

ГОСТ 427 Линейки измерительные металлические. ТУ.

ГОСТ 2405 Манометры, вакуумметры, мановакуумметры, напоромеры, тягомеры и тягонапоромеры. ОТТ.

ГОСТ 2991 Ящики дощатые неразборные для грузов массой до 500 кг. ОТУ.

ГОСТ 6465 Эмали ПФ-115. Технические условия.

ГОСТ 7502 Рулетки измерительные металлические. ТУ.

ГОСТ 9923 Стволы пожарные ручные. ТУ.

ГОСТ 14202 Трубопроводы промышленных предприятий. Опознавательная окраска, предупреждающие знаки и маркировочные щитки.

ГОСТ 15150 Машины, приборы и другие технические изделия. Исполнения для различных климатических районов. Категории, условия эксплуатации, хранения и транспортирования в части воздействия климатических факторов внешней среды.

ГОСТ Р 51049-97 Рукава пожарные напорные. Общие технические требования. Методы испытаний.

ГОСТ 28352-89 Е Головки соединительные для пожарного оборудования. Типы, основные параметры и размеры.

НПБ 152-96 Рукава пожарные напорные. Общие технические требования. Методы испытаний.

НПБ 153-96 Головки соединительные для пожарного оборудования. Общие технические требования. Методы испытаний.

НПБ 154-96 Клапаны для пожарных кранов. Общие технические требования. Методы испытаний.

НПБ 177-99 Стволы пожарные ручные. Общие технические требования. Методы испытаний.

НПБ 155-96 Пожарная техника. Огнетушители переносные. Основные показатели и методы испытаний.

(Измененная редакция).

Приложение А

Рисунок 1

ГАБАРИТЫ ПОЖАРНЫХ ШКАФОВ ПК-Ж1, ПК-Ж2

На один стояк с одним и двумя клапанами

На два стояка с двумя клапанами

Примечания:

1. Размеры в скобках даны для шкафов, оборудованных одним рукавом. 2. Стояки проходят в габаритах шкафов.

Рисунок 2

На один вентиль                                                На два вентиля

Примечания:

1. Стояки проходят вне габаритов шкафов.

2. Размер в скобках указан при установке двух огнетушителей.

ГАБАРИТЫ ПОЖАРНЫХ ШКАФОВ ПК-П1, ПК-П2

На один стояк один клапан                                 На два стояка два клапана

Примечание. Стояки проходят в габаритах шкафов.

Рисунок 3

ПРИМЕРНЫЕ СХЕМЫ УСТАНОВКИ ПОЖАРНЫХ ШКАФОВ

СОДЕРЖАНИЕ

 

 




ГОСТЫ, СТРОИТЕЛЬНЫЕ и ТЕХНИЧЕСКИЕ НОРМАТИВЫ.
Некоммерческая онлайн система, содержащая все Российские Госты, национальные Стандарты и нормативы.
В Системе содержится более 150000 файлов нормативно-технической документации, действующей на территории РФ.
Система предназначена для широкого круга инженерно-технических специалистов.

Рейтинг@Mail.ru Яндекс цитирования

Copyright © www.gostrf.com, 2008 - 2026